Материал: Устройство, ремонт и управление локомотивом

Внимание! Если размещение файла нарушает Ваши авторские права, то обязательно сообщите нам

Устройство, ремонт и управление локомотивом















Реферат

Устройство, ремонт и управление локомотивом

1. Назначение, устройство и работа фильтров непрерывного действия

Воздух, необходимый для продувки и зарядки цилиндров дизеля, всасывается турбокомпрессором из атмосферы. Но атмосферный воздух содержит во взвешенном состоянии твердые минеральные частицы, которые, попадая в цилиндры дизеля, ускоряют износ поршневых колец и втулок цилиндров. Для очистки воздуха, потребляемого дизелем, на тепловозе установлены два однотипных воздухоочистителя непрерывного действия. Один воздухоочиститель очищает воздух, поступающий в правый турбокомпрессор, другой - в левый.

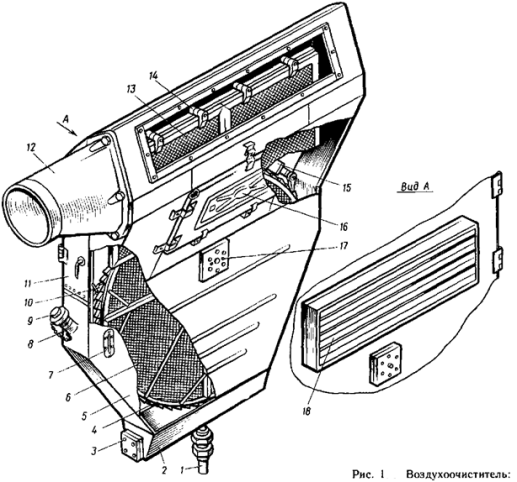
Воздухоочиститель- (рис. 1) имеет корпус 5, нижняя часть которого образует масляную ванну. Корпус сварен из уголков и обшит штампованным листовым металлом. На стороне, обращенной к стенке кузова, имеется проем для забора воздуха снаружи. При необходимости воздух можно забирать из кузова тепловоза, для чего на торцовых стенках корпуса имеются проемы, закрывающиеся дверками. В верхней части корпуса к торцовой стенке приварен фланец, с помощью которого к воздухоочистителю через компенсирующее уплотнение подсоединяется воздухоотвод 12, соединяющий воздухоочиститель с турбокомпрессором. В наклонной стенке корпуса имеется проем для доступа к фильтрующим элементам. Проем закрывается съемной крышкой 16. К нижней части корпуса приварен маслоотстойник, из которого под раму тепловоза выведена сливная труба 1 с муфтовым краном для слива отстоя. Корпус от грязи очищают через лючок 3 маслоотстойника. Для заправки воздухоочистителя маслом предусмотрена горловина 8, закрытая крышкой 9.

электротяговый фильтр магнит локомотивный

- сливная труба; 2-маслоотстойиик; 3-лючок для очистки; 4-колесо; 5-корпус; 6-подвижная кассета; 7-маслоуказательное стекло; 8-горловина, 9, 16-крышки; 10-фиксатор; 11-дверка; 12-воздухоотвод; 13-неподвижная кассета; 14-зажим; 15-привод колеса воздухоочистителя; 17-болт регулировочный; 18-жалюзи


Внутри корпуса размещены две ступени фильтрующих элементов. Первая ступень - это четыре подвижные сеткообразные кассеты 6, закрепленные в сварном корпусе колеса 4. Набраны кассеты из четырнадцати сеток, из них восемь гофрированных с ячейками 5x1,2 мм и шесть плоских с ячейками 3,2x0,8 мм. Сетки заключены в металлическую рамку. На ободе колеса приварена зубчатая лента, через которую приводом 15 осуществляется вращение колеса. Положение колеса 4 в корпусе регулируется с помощью болтов 17.

Вторая ступень состоит из двух неподвижных очистительных кассет 13. Набраны кассеты из 21 сетки, из них: две наружные плоские с размером ячейки 7 X 1,2 мм; средняя разделительная сетка с размером ячейки 5 Х0,7 мм и восемнадцать сеток с размером ячейки 1,6x0,4 мм. Все сетки вставлены в металлическую рамку. В корпусе воздухоочистителя кассеты крепят с помощью зажимов 14.

Для поворота колеса 4 с сетчатыми кассетами используется пневматический привод (рис. 1а), состоящий из корпуса 2, закрытого с двух сторон крышками 3 и 12, и поршня. Поршень состоит из диска 9, нажимной шайбы 11 я резиновой манжеты 10, закрепленных на штоке 7 гайкой 1. На конце штока укреплен упор 5, прижимаемый пружиной 4 к зубчатой ленте колеса.

Воздух к приводу подводится со стороны крышки 12 от регулятора давления тормозногв компрессора. Рабочий ход осуществляется при подаче воздуха регулятором давления компрессора, при этом воздух поступает в цилиндр и поршень, перемещаясь вправо, поворачивает колесо воздухоочистителя. При выпуске воздуха регулятором давления в атмосферу поршень под действием пружины 8 возвращается в исходное положение, при этом колесо от проворачивания в обратном направлении удерживается фиксатором, установленным на противоположной стороне колеса.

Положение штока 7, несущего упор 5, фиксируется относительно колеса винтом 6 в крышке 3. За один час колесо воздухоочистителя совершает I -1,5 оборота. При каждом срабатывании регулятора давления компрессора упор 5 смещает зубчатую ленту колеса воздухоочистителя на 70-80 мм. Секции подвижной кассеты погружаются" в масляную ванну на высоту каждого поворота колеса, промываются в ней и на эту же высоту поднимаются вверх, покрываясь свежей масляной пленкой. Проем в боковой стенке кузова для прохода воздуха в воздухоочиститель закрыт жалюзи. Привод жалюзи осуществляется из кузова тепловоза и имеет три фиксированных положения: открытое, закрытое и промежуточное. При переходе на забор воздуха из дизельного помещения необходимо открыть боковые дверки, а жалюзи закрыть. Чтобы не допустить работу дизеля с закрытыми жалюзи и боковыми дверками, привод жалюзи сблокирован с боковыми дверками.

Наружный воздух через жалюзи воздухоочистителя попадает на подвижные очистительные кассеты. Проходя через подвижные кассеты, воздух изменяет направление движения, а частицы пыли из-за большей инерционности летят прямолинейно и сталкиваются с проволочками сеток, смоченных маслом. Масляная пленка улавливает частицы пыли. Далее воздух проходит через неподвижные кассеты, где дополнительно очищается. Тут же задерживаются и частицы масла, захватываемые воздухом с сеток подвижных кассет. При заборе воздуха из дизельного помещения воздух очищается только в неподвижных кассетах.

Уровень масла в воздухоочистителе контролируется по рискам масло-указательного стекла. Повышение уровня масла, а также увеличение частоты вращения колеса воздухоочистителя вызывают повышенный унос масла. При этом масло, не полностью задерживаясь в неподвижных кассетах, с воздухом будет попадать в дизель. Загрязнение кассет воздухоочистителя дизеля приводит к увеличению аэродинамического сопротивления воздухоочистителя, что вызывает уменьшение давления наддува дизеля, ухудшение процесса сгорания топлива в цилиндрах и, как следствие, снижение мощности дизеля. Поэтому в процессе эксплуатации кассеты периодически необходимо промывать, корпус воздухоочистителя очищать от отложений, вовремя удалять осадок из отстойника.

В летнее время в воздухоочиститель заливают масло, применяемое для смазки дизеля, в зимнее - смесь, состоящую из 50 % дизельного мгсла и 50 % дизельного топлива.

Фильтры очистки воздуха, охлаждающего электрические машины. Воздух для охлаждения тягового генератора и тяговых электродвигателей засасывается центробежными вентиляторами снаружи тепловоза через проемы в кузове. В проемах или во всасывающих каналах установлены фильтры очистки воздуха. Фильтрующие элементы фильтров одинаковы по конструкции и состоят из двух слоев стальной сетки № 4,5-0,7 и одного слоя стальной сетки № 5-1,2. Сетки заключены в рамку.

Во время сильного снегопада, дождя и пылевых бурь воздух для охлаждения электрических машин забирается из кузова тепловоза. Для этого на всасывающих каналах имеются заслонки или дверки, изменением положения которых можно перейти на забор воздуха из кузова. В данном случае плотно закрывают все двери и люки, а на откидные окна устанавливают фильтры.

2. Назначение электротягового магнита: ЭТ, схема его подключения

Автоматический пуск дизеля любой секции осуществляется с пульта управления ведущей секции. Для этого на аппаратных камерах всех секций необходимо включить разъединители аккумуляторных батарей ВБт автоматические выключатели (автоматы): «Работа дизеля», «Топливный насос», на ведущей секции поставить в рабочее положение рукоятку блокировки тормоза БУ, на пульте управления включить автомат «Управление», установить в одно из рабочих положений «Вперед» или «Назад» рукоятку реверсивного механизма контроллера машиниста КМ.

При включении автомата «Работа дизеля» включается электромагнит МР5 объединенного регулятора дизеля по цепи: плюс аккумуляторной батареи БА, провод 396 , разъединитель батареи ВБ, провода 493, 01Ш8 392, предохранитель на 125 А, провод 775, «автомат «Работа дизеля», провод 314, зажим 710, провод 442, размыкающий контакт РУ10, провод 1331, зажим 5118, провод 1056, зажим Д13, катушка МР5, зажим Д14, минус батареи.

Электромагнит МР5 удерживает индуктивный датчик на минимальном упоре (до 4-й позиции контроллера), что необходимо для сокращения времени пуска дизеля. При включении тумблера «Топливный насос» ТН1 иа ведущей секции включается контактор КТН по цепи: автомат «Работа дизеля», провода 314, 442, контакты реле РУ7, провода 338, катушка КТН, провод 320, зажим 213, провод 113, зажим 1114, провод 892, контакты тумблера ТН1, далее на минус. Включившись, контактор КТН одним главным контактом включает электродвигатель топливоподкачивающего насоса ТН (провода 225, 253), а вторым главным контактом (провода 440, 236), включает цепь на обмотку возбуждения .вспомогательного генератора ВГ. Включаются регулятор напряжения БРН (провода 236, 918, 919, 917, 380, 235) и вентиль ВП6 (провода 226, 231, 232), отключающий левый ряд топливных насосов при работе дизеля без нагрузки. Также включается вентиль ВП9 (провод 256, размыкающие контакты РУ8, РУ19, РУ6, провода 1291; 996), отключающий пять топливных насосов правого ряда при работе дизеля на холостом ходу и 1-й позиции контроллера. Замыкающий вспомогательный контакт КТН (провода 372, 327-321) подготавливает цепь на катушку реле РУ6. Последующие операции пуска выполняются автоматически, достаточно кратковременно нажать кнопку «Пуск дизеля» ПД1. При этом включается реле РУ6, которое одним замыкающим контактом (провода 200,220) включает реле времени РВ1, а другим (провода 442, 337) обеспечивает питание цепей пуска дизеля, замещая цепь кнопки «Пуск дизеля».

Реле времени РВ1 замыкающими контактами (провода 283, 345) включает контактор КМН, который главным контактом (провода 294, 295) включает электродвигатель маслопрокачивающего насоса, а вспомогательным контактом (Провода 325, 326) подготавливает цепь на катушки пусковых контакторов Д1-ДЗ. По истечении выдержки времени на прокачку маслом дизеля (90 с) замыкающий с выдержкой времени контакт реле РВ1 (провода 283, 325) включает через контакты КМН, КВ валоповоротного механизма 105 пусковой контактор Д1. Контактор Д1 главным контактом (провода 492, 494) подключает минус аккумуляторной батареи к пусковой обмотке (ПІ-П2) тягового генератора, вспомогательным контактом (провода 241, 246) включает контактор ДЗ ведущей секции и через разъемы между тепловозных соединений (провода 50, 116)- контакторы ДЗ ведомых секций, а другим вспомогательным контактом (провода 367, 243, 244) включает вентиль ВП7 ускорителя пуска дизеля.

Главные контакты контакторов ДЗ (01Ш8, 390) соединяют «плюсы» аккумуляторных батарей трех секций на время пуска дизеля. «Минусы» батарей соединены постоянно проводами 393, 293. Замыкающий вспомогательный контакт контактора ДЗ (провода 249, 245) включает контактор Д2. Главный контакт Д2 (провода 493, 537) подключает плюс аккумуляторной батареи к тяговому генератору, который, работая в режиме электродвигателя последовательного возбуждения, начинает пуск дизеля. Вспомогательные контакты контактора ДЗ (провода 242, 247) включают электромагнит ЭТ. При достижении давления масла в конце верхнего коллектора 0,05-0,06 МПа срабатывает реле давления РДМ1, контакты которого (провода 1245, 227) включают реле РУ9. Реле РУ9 замыкающим контактом (провода 228, 230) дублирует при пуске цепь на ЭТ, размыкающим контактом (провода 342, 337) отключает реле РУ6, контакторы Д1-ДЗ и контактор КМН- схема пуска разбирается.

Замыкающий контакт реле РУ9 через между тепловозные соединения (провода 228, 1328, 46) включает сигнальную лампу «Работа дизеля», по которой можно судить об окончании пуска дизелей ведомых секций. Размыкающие контакты пусковых контакторов Д1 и ДЗ (провода 918, 919, 917) собирают цепи питания независимой обмотки возбуждения вспомогательного генератора ВГ и регулятора напряжения БРН, обеспечивающих подзаряд батареи и питание цепей управления. Во время пуска дизеля одной из секций при другой работающей эти контакты размыкаются, осуществляя тем самым защиту цепей вспомогательного генератора от перегрузки. Этими же контактами на время пуска отключается вентиль ВП6. Вентиль ВП9 отключается размыкающим контактом реле РУ6 (провода 256, 1291), тем самым обеспечивается пуск дизеля на 20-и топливных насосах.

Посредством размыкающего вспомогательного контакта контактора КВ (провода 326, 287) исключается возможность включения пусковых контакторов при работе тепловоза в тяговом режиме. Размыкающий контакт реле РУ8 (провода 442, 337) предотвращает пуск дизеля на позициях выше 1-й. Реле времени РВ2 контролирует продолжительность раскрутки вала дизеля при пуске, которая может затянуться по разным причинам. Выдержка времени установлена 30 с, после чего реле РВ2 контактом (провода 327, 334) отключает реле РУ6 и прекращает пуск дизеля.

Размыкающий вспомогательный контакт пускового контактора Д2 (провода 108, 177) исключает возможность включения контакторов возбуждения КВ и ВВ, тем самым предохраняет аккумуляторную батарею, низковольтные цепи от высокого напряжения тягового генератора при приваривании контакта контактора Д2 или заклинивания после пуска. Контакт реле РУ9 (провода ПО, 1346) отключает реле РУ2, снимая возбуждение генератора и возбудителя в случае аварийной остановки дизеля при работе под нагрузкой.

Описанная схема пуска дизеля применима к тепловозам, на которых установлено реле времени ВЛ-31. На тепловозах с реле ВЛ-50 схема пуска имеет некоторые отличия. При нажатии кнопки «Пуск дизеля» включается реле РУ6 (рис. 2), которое одним замыкающим контактом (провода 200, 220) включает контактор КМН, а другим (провода 442, 337) обеспечивает питание цепей пуска дизеля, замещая цепь кнопки «Пуск дизеля». Включившись, контактор КМН главным контактом (провода 294, 295) включает электродвигатель маслопрокачивающего насоса, одним замыкающим вспомогательным контактом (провода 325, 326) подготавливает цепь на катушки пусковых контакторов Д1-ДЗ, а вторым вспомогательным контактом (провода 216, 341) включает реле времени РВ1, третьим размыкающим вспомогательным контактом (провода 304, 302) на время пуска дизеля исключает подачу питания на 11-й контакт контроллера машиниста, чтобы предотвратить возможность преждевременного пуска дизеля при случайном переводе штурвала контроллера машиниста на 1-ю позицию. По истечении выдержки времени на прокачку маслом дизеля (90 с) замыкающий с выдержкой времени контакт реле РВ1 (провода 218, 217) включает реле РУ4, замыкающий контакт которого (провода 442, 325) включает через контакты КМН, KB, валоповоротного механизма 105 пусковой контактор Д1, как в схеме с ВЛ-31. Пуск дизелей ведомых секций. Для пуска дизелей на ведомых и ведущей секциях должны быть включены: разъединители аккумуляторных батарей ВБ (см. рис. 2), автоматы «Работа дизеля» и «Топливный насос» в аппаратных камерах и автомат «Управление» на пульте ведущей секции. При включении на ведущей секции тумблера ТН2 включится контактор КТН средней секции по цепи: плюс аккумуляторной батареи средней секции, провод 775, автомат «Работа дизеля», провода 314, 442, размыкающий контакт РУ7, провод 338, катушка КТН, провода 320, 25 (или 154), между тепловозное соединение; провод 26 ведущей секции, тумблер ТН2, общий минус.


После этого нажатием кнопки «Пуск дизеля второй секции» ПД2 собираются цепи автоматики пуска. Первоначально схема автоматического пуска получает питание с ведущей секции по цепи: автомат «Управление», контакт БУ (блокировочное устройство на кране машиниста предназначено для управления тепловозом с ведущей секции), контакт контроллера машиниста, замкнутый на нулевой позиции, провод 1236, кнопка ПД2, провод 24, между тепловозное соединение, провод 23 (или 151) средней секции, катушка РУ6, общий минус. Замыкающие контакты реле РУ6 (провода 442, 337) дублируют питание схемы и далее пуск происходит аналогично описанному для ведущей секции. Окончание пуска дизеля средней секции контролируется по загоранию сигнальной лампы «Дизель 2», которая получает питание через контакт РДМ1 средней секции, замыкающий контакт РУ9, провода 1328,488, междутепловозное соединение, провода ведущей секции 36, 210, лампу ЛД2.