энергетическая светимость абсолютно черного тела
равна:
Если тело не является абсолютно черным, то его испускательная
способность выражается формулой:
где ,1 - спектральный коэффициент излучения тела.
Следовательно, энергетическую светимость тела
для диапазона длин волн от до dнайдем
по формуле:
Рассмотрим излучение тела с температурой Тдля двух различных длин волн 1 и 2 при различных значениях диапазонов d1 и d2 соответственно:
для λ1 и dλ1: dR1 = A1r1*dλ1;
для λ2 и dλ2: dR2 = A2r2*dλ2.
Здесь A1и A2 - спектральные коэффициенты излучения тела при длинах волн λ1 и λ2 соответственно.
Излучение, дошедшее до приемника (фотодиод,
фотосопротивление), составляет некоторую часть от общего излучения источника.
Оно определяется размерами приемника, расстоянием от источника до приемника и
наличием на пути излучения поглощающих сред, т.е. определяется такими
параметрами измерительной системы, которые не изменяются в процессе опыта. Для
двух различных приемников, воспринимающих поток падающего на них излучения в
различных узких диапазонах длин волн, величины этих потоков будут равны:
где K1 и К2 - коэффициенты использования потока излучения первым и вторым приёмником соответственно, которые не изменяются в процессе опыта.
Следовательно, отношения излучения для двух
приёмников будет равно:
где величину Z = K1A1/K2A2 можно считать постоянной при условии, что зависимость отношения спектральных коэффициентов от температуры можно пренебречь для выбранных λ1 и λ2.
Величины r1* и r2* определяются по формуле Планка (3.1).
где С1 = 2πhс2 = 3.745·10-16 Вт·м2, С2 = hc/k = 1.439·10-2м·К.
Оценим величину e^(С2/λТ) и сравним её с единицей.
Пусть Т = 3000К, l = 1 мкм.
Тогда:
причём понижение температуры и уменьшение длины
волны изменит эту величину в большую сторону. Это означает, что для
используемых в опытах температур и длин волн единицей в формуле Планка можно
пренебречь (выполняется приближённая формула Вина).
Прологарифмируем это выражение и найдём из
полученной формулы температуру Т:
Учтём, что в процессе опытов сохраняются
значения l1, l2,
dl1,
dl2.
Поэтому объединим члены, содержащие постоянные величины, в две новые константы L
и Z0:
Тогда формула для определения температуры примет
вид:
Из формулы видно, что, зная из тарировочных
опытов величину Z0
и рассчитав значения L,
можно, измерив отношение P1/P2,
можно определить соответствующую температуру излучающего тела.
4.
Выбор элементов
4.1 Микроконтроллер
Для проектируемого устройства был выбран микроконтроллер ADuC812 фирмы Analog Devices. Он уже содержит встроенные АЦП, два из которых будут использоваться.
Общая схема микроконтроллера ADuC812
представлена на рис. 4.1.1
Рисунок 4.1.1
- Общая схема микроконтроллера ADuC812
Конфигурация пинов представлена на рисунке 4.1.2
Рисунок 4.1.2
- конфигурация пинов микроконтроллера ADuC812
Аналоговый сигнал подаётся на пины Р1.0 и Р1.1. Микроконтроллер выполняет необходимее вычисления и выдаёт значение температуры в виде 16-ти разрядного параллельного кода на выходы P2.0-P2.7 и P3.0-P3.7.
Микроконтроллер питается от 5 В. Более полная
спецификация приведена в приложении Б.
4.2
Фотодиоды
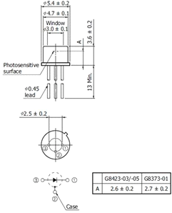
Для устройства выбраны фотодиоды фирмы Hamamatsu:
для длин волн l1 = 0.6 … 0.7 мкм - кремниевый фотодиод S2386-18K
для длин волн l2 = 1.7 …1.8 мкм - длинноволновый фотодиод InGaAs G8373-01.
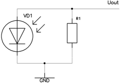
Фотодиоды включаются по фотогальванической схеме
для работы в качестве источника ТЭДС. Схема включения фотодиодов показана на
рисунке 4.2.1.
Рисунок 4.2.1
- Схема включения фотодиодов
Спецификации фотодиодов приведены в приложении
В1 и В2.
4.3
Оптическая система
Линза объектива диаметром 20 мм должна иметь фокусное расстояние 50 мм.
Светофильтр (3) (см. рис. 2.2) должен
ограничивать спектральный состав потока излучения областью l
= 0.6 … 0.7 мкм. Светофильтр (4) - областью l = 1.7 … 1.8 мкм.
4.4
Блок питания
Исходный источник питания - 220 В, 50 Гц. Исходя из суммарной мощности, потребляемой фотодиодами, микроконтроллером и операционным усилителем, выберем блок вторичного энергопитания, с учётом характеристик питающей сети. Проверим, хватает ли мощности выбранного блока питания для нашего устройства.
Проверочное соотношение мощностей:
Для получения требуемых 5В будем использовать преобразователь БПС15А фирмы «Ирбис». Преобразователь способен принимать на входе 130-264 В.
Спецификация преобразователя приведена в приложении Г.
4.5
Операционный усилитель
В данном проекте сигнал поступает с двух фотодиодов, значит, требуется два операционных усилителя. Я выбрал усилитель LMV 324 фирмы Texas Industries, потому что он содержит 4 усилителя в одном корпусе с двумя общими выводами питания, что заметно сэкономит энергопотребление и место на плате.
Схема включения усилителей представлена на
рисунке 4.5.1.
Рисунок 4.5.1
- Схема включения операционных усилителей
Основные характеристики микросхемы приведены в
Приложении Д.
5.
Разработка принципиальной электрической схемы
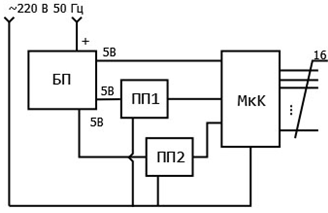
Рисунок 5.1
- Принципиальная схема (БП - блок питания, ПП1, ПП2 - первичные
преобразователи, МкК - микроконтроллер)
Исходное напряжение 220 В поступает на преобразователь (БП), который преобразует его в 5 В постоянного тока. От них питается микроконтроллер и операционные усилители. На данной схеме первичные преобразователи (фотодиоды) и усилители объединены в единые блоки (ПП1) и (ПП2). измерительный устройство температура датчик
Сигналы с ПП1 и ПП2 поступают на микроконтроллер (МкК) , который выполняет необходимые преобразования и вычисления и выдаёт на выход 16-ти разрядный параллельный код.
Схема электрическая принципиальная данного устройства представлена в соответствующем приложении.
6.
Разработка конструкции
Устройство содержит внешний и внутренний
корпуса. Внутренний корпус представляет собой две цилиндрические трубки, одна
из которых расположена перпендикулярно другой и примыкает к ней. Внутри корпуса
располагаются элементы оптической системы: линза, светоделительное зеркало и
светофильтры. В нём же располагаются фотодиоды. Внешний корпус состоит из двух
половин, которые являются зеркальным отражением друг друга. Половины соединены
между собой при помощи четырёх винтов. Внутренний корпус помещается во внешний.
Во внешнем корпусе есть каналы для проводов, отходящих от фотодиодов, и далее
идущих к схеме вторичного преобразователя.
Заключение
В результате курсового проектирования было разработано устройство на базе микроконтроллера ADuC812 Analog Devices - пирометр спектрального отношения. Устройство содержит фотодиоды фирмы Hamamatsu для разных участков спектра, оптическую систему и блок питания AC/DC.
Был проведён анализ существующих решений и
изучен способ измерения температуры методом спектрального отношения. Были
составлены функциональная и принципиальная электрическая схемы (в САПР P-CAD
2006) устройства.
Литература
1. Бюллетень изобретений с 2000 года.
2. #"806322.files/image042.gif">

Патент №2366909
Приложение А3
Патент №2437068
Приложение А4
Патент №2398194
Приложение А5
Патент №2347198
Приложение Б
Микроконтроллер Analog Devices ADuC812
Приложение В1
S2386-18K
Приложение В2
G8373-01
Приложение Г
Преобразователь БПС15А
Установочные размеры:
Приложение Д
Операционный усилитель LMV 324.
Таблица Д.1 - Технические характеристики операционного усилителя LMV324.
|
Характеристика |
Значение |
|
Напряжение питания, В |
5 |
|
Ток питания, мкА |
410 |
|
Диапазон рабочих температур, °С |
-40…+85 |
|
Количество ОУ в микросхеме |
4 |
Рисунок Д.1 - Схема включения операционного усилителя.