Материал: ТР1

Внимание! Если размещение файла нарушает Ваши авторские права, то обязательно сообщите нам

Нелинейные цепи с источниками постоянных токов и ЭДС

Текст технического задания

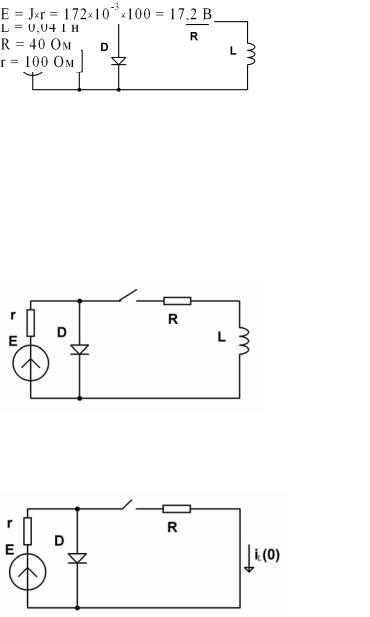
В рассматриваемой схеме происходит замыкание ключа.

1.Графическим методом определить рабочий участок вольт-амперной характеристики нелинейного элемента для анализа переходного процесса в заданной схеме.

2.Применяя метод кусочно-линейной аппроксимации, рассчитать ток нелинейного элемента в переходном процессе. Построить зависимость i(t).

3.Аппроксимировать рабочий участок характеристики нелинейного элемента полиномом второй степени и определить коэффициенты аппроксимации по граничным точкам рабочего участка.

4.Рассчитать ток нелинейного элемента методом аналитической аппроксимации.

ВАХ диода:

u, В

0

2

3

4

5

6

7

8

9

10

11

i, мА

0

3

5

9

14

20

30

42

60

100

160

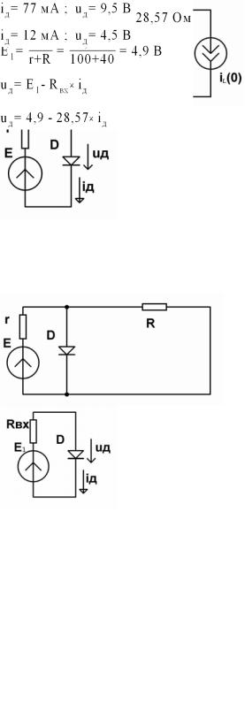
1. Определение рабочего участка вольт-амперной характеристики нелинейного элемента графическим методом для анализа переходного процесса в заданной схеме

Заменим исходную схему на эквивалентную:

При t=0-: iL(0)=0 А

При t=0+:

При t→∞:

Рабочий участок:

- начальная и конечная точки соответственно.

2

Определение рабочего участка ВАХ НЭ:

2. Расчет тока диода в переходном процессе с помощью метода кусочно-линейной аппроксимации

1) 0tt1:

3

При t→∞:

Определение момента перехода с первого участка на второй t1:

2) t> t1:

4

При t→∞:

Из выражения для iL(t) для первого участка:

Временная зависимость тока на диоде:

5