Тиристор имеет нелинейную вольтамперную характеристику с
участком отрицательного дифференциального сопротивления. По сравнению,
например, с транзисторными ключами, управление тиристором имеет некоторые
особенности. Переход тиристора из одного состояния в другое в электрической
цепи происходит скачком (лавинообразно) и осуществляется внешним воздействием
на прибор: либо напряжением (током), либо светом (для фототиристора). После
перехода тиристора в открытое состояние он остаётся в этом состоянии даже после
прекращения управляющего сигнала, если протекающий через тиристор ток превышает
некоторую величину, называемую током удержания [7].
Рис. 2.7 Буквенные обозначения для тиристоров.
Условное обозначение тиристора.
Рис. 2.8 Условное обозначение тиристора.
Устройство
Основная схема тиристорной структуры показана на рис.2.9 Она
представляет собой четырёхслойный полупроводник структуры p-n-p-n, содержащий
три последовательно соединённых p-n-перехода J1, J2, J3. Контакт к внешнему
p-слою называется анодом, к внешнему n-слою - катодом. В общем случае
p-n-p-n-прибор может иметь до двух управляющих электродов (баз), присоединённых
к внутренним слоям. Подачей сигнала на управляющий электрод производится
управление тиристором (изменение его состояния). Прибор без управляющих
электродов называется диодным тиристором или динистором. Такие приборы управляются
напряжением, приложенным между основными электродами. Прибор с одним
управляющим электродом называют триодным тиристором или тринистором (иногда
просто тиристором, хотя это не совсем правильно). В зависимости от того, к
какому слою полупроводника подключён управляющий электрод, тринисторы бывают
управляемыми по аноду и по катоду. Наиболее распространены последние.
Рис.2.9 Схемы тиристора: a) Основная четырёхслойная p-n-p-n-структура b) Диодный тиристор с) Триодный тиристор.
Запираемый тиристор - полностью управляемый полупроводниковый
прибор, в основе которого классическая четырёхслойная структура. Включают и
выключают его подачей положительного и отрицательного импульсов тока на
электрод управления. На Рис.2.10приведены условное обозначение (а) и
структурная схема (б) выключаемого тиристора. Подобно обычному тиристору он
имеет катод K, анод А, управляющий электрод G. Различия в структурах приборов
заключается в ином расположении горизонтальных и вертикальных слоёв с n - и
р-проводимостями. [5]

Рис. 2.10. Запираемый тиристор:
а - условное обозначение;
б - структурная схема
Наибольшему изменению подверглось устройство катодного слоя n. Он разбит на несколько сотен элементарных ячеек, равномерно распределённых по площади и соединённых параллельно. Такое исполнение вызвано стремлением обеспечить равномерное снижение тока по всей площади полупроводниковой структуры при выключении прибора.
Базовый слой p, несмотря на то, что выполнен как единое целое, имеет большое число контактов управляющего электрода (примерно равное числу катодных ячеек), также равномерно распределённых по площади и соединённых параллельно. Базовый слой n выполнен аналогично соответствующему слою обычного тиристора.
Анодный слой p имеет шунты (зоны n), соединяющие n-базу с анодным контактом через небольшие распределённые сопротивления. Анодные шунты применяют в тиристорах, не обладающих обратной блокирующей способностью. Они предназначены для уменьшения времени выключения прибора за счёт улучшения условий извлечения зарядов из базовой области n.
Основное исполнение тиристоров GTO таблеточное с четырёхслойной кремниевой пластиной, зажатой через термокомпенсирующие молибденовые диски между двумя медными основаниями, обладающими повышенной тепло - и электропроводностью. С кремниевой пластиной контактирует управляющий электрод, имеющий вывод в керамическом корпусе. Прибор зажимается контактными поверхностями между двумя половинами охладителей, изолированных друг от друга и имеющих конструкцию, определяемую типом системы охлаждения.
В середине 90-х годов фирмами "ABB" и "Mitsubishi" был разработан новый вид тиристоров GateCommutatedThyristor (GCT). Собственно, GCT является дальнейшим усовершенствованием GTO, или его модернизацией. Однако, принципиально новая конструкция управляющего электрода, а также заметно отличающиеся процессы, происходящие при выключении прибора, делают целесообразным его рассмотрение.разрабатывался как прибор, лишённый недостатков, характерных для GTO, поэтому сначала необходимо остановится на проблемах, возникающих при работе GTO.
Основной недостаток GTO заключается в больших потерях энергии в защитных цепях прибора при его коммутации. Повышение частоты увеличивает потери, поэтому на практике тиристоры GTO коммутируются с частотой не более 250-300 Гц. Основные потери возникают в резисторе RВ при выключении тиристора Т и, следовательно, разряде конденсатора СВ.
Конденсатор СВ предназначен для ограничения скорости нарастания прямого напряжения du/dt при выключении прибора. Сделав тиристор не чувствительным к эффекту du/dt, создали возможность отказаться от снабберной цепи (цепи формирования траектории переключения), что и было реализовано в конструкции GCT.
Основной особенностью тиристоров GCT, по сравнению с
приборами GTO, является быстрое выключение, которое достигается как изменением
принципа управления, так и совершенствованием конструкции прибора. Быстрое
выключение реализуется превращением тиристорной структуры в транзисторную при
запирании прибора, что делает прибор не чувствительным к эффекту du/dt. GCT в
фазах включения, проводящего и блокирующего состояния управляется также, как и
GTO. При выключении управление GCT имеет две особенности: ток управления Ig
равен или превосходит анодный ток Ia (для тиристоров GTO Ig меньше в 3 - 5
раз); управляющий электрод обладает низкой индуктивностью, что позволяет
достичь скорости нарастания тока управления dig/dt, равной 3000 А/мкс и более (для
тиристоров GTO значение dig/dt составляет 30-40 А/мкс). На рис.2.11 показано
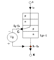
распределение токов в структуре тиристора GCT при выключении прибора. Как
указывалось, процесс включения подобен включению тиристоров GTO. Процесс
выключения отличен. После подачи отрицательного импульса управления (-Ig)
равного по амплитуде величине анодного тока (Ia), весь прямой ток, проходящий
через прибор, отклоняется в систему управления и достигает катода, минуя
переход j3 (между областями p и n). Переход j3 смещается в обратном
направлении, и катодный транзистор npn закрывается. Дальнейшее выключение GCT
аналогично выключению любого биполярного транзистора, что не требует внешнего
ограничения скорости нарастания прямого напряжения du/dt и, следовательно,
допускает отсутствие снабберной цепочки.
Рис. 2.11. Распределение токов в структуре тиристора GCT при выключении
Изменение конструкции GCT связано с тем, что динамические процессы, возникающие в приборе при выключении, протекают на один - два порядка быстрее, чем в GTO. Так, если минимальное время выключения и блокирующего состояния для GTO составляет 100 мкс, для GCT эта величина не превышает 10 мкс. Скорость нарастания тока управления при выключении GCT составляет 3000 А/мкс, GTO - не превышает 40 А/мкс.
Чтобы обеспечить высокую динамику коммутационных процессов, изменили конструкцию вывода управляющего электрода и соединение прибора с формирователем импульсов системы управления. Вывод выполнен кольцевым, опоясывающим прибор по окружности. Кольцо проходит сквозь керамический корпус тиристора и контактирует: внутри с ячейками управляющего электрода; снаружи - с пластиной, соединяющей управляющий электрод с формирователем импульсов.
Благодаря концепции жёсткого управления (тонкое регулирование легирующих профилей, мезатехнология, протонное и электронное облучение для создания специального распределения контролируемых рекомбинационных центров, технология так называемых прозрачных или тонких эмиттеров, применение буферного слоя в n - базовой области и др.) удалось добиться значительного улучшения характеристик GTO при выключении.
Следующим крупным достижением в технологии жёстко управляемых GTO (HD GTO) с точки зрения прибора, управления и применения стала идея управляемых приборов базирующихся на новом "запираемом тиристоре с интегрированным блоком управления (драйвером)" (англ. IntegratedGate-CommutatedThyristor (IGCT)). Благодаря технологии жёсткого управления равномерное переключение увеличивает область безопасной работы IGCT до пределов, ограниченных лавинным пробоем, т.е. до физических возможностей кремния. Не требуется никаких защитных цепей от превышения du/dt. Сочетание с улучшенными показателями потерь мощности позволило найти новые области применения в килогерцовом диапазоне. Мощность, необходимая для управления, снижена в 5 раз по сравнению со стандартными GTO, в основном за счёт прозрачной конструкции анода.
Новое семейство приборов IGCT, с монолитными интегрированными высоко мощными диодами было разработано для применения в диапазоне 0,5 - 6 МВ*А. При существующей технической возможности последовательного и параллельного соединения приборы IGCT позволяют наращивать уровень мощности до нескольких сотен мегавольт - ампер.
При интегрированном блоке управления катодный ток снижается до того, как анодное напряжение начинает увеличиваться. Это достигается за счёт очень низкой индуктивности цепи управляющего электрода, реализуемой за счёт коаксиального соединения управляющего электрода в сочетании с многослойной платой блока управления. В результате стало возможным достигнуть значения скорости выключаемого тока 4 кА/мкс. При напряжении управления UGK=20 В. когда катодный ток становится равным нулю, оставшийся анодный ток переходит в блок управления, который имеет в этот момент низкое сопротивление. За счёт этого потребление энергии блоком управления минимизируется.
Работая при "жёстком" управлении, тиристор переходит при запирании из p-n-p-n состояния в p-n-p режим за 1 мкс. Выключение происходит полностью в транзисторном режиме, устраняя всякую возможность возникновения триггерного эффекта.
Уменьшение толщины прибора достигается за счёт использования буферного слоя на стороне анода. Буферный слой силовых полупроводников улучшает характеристики традиционных элементов за счёт снижения их толщины на 30% при том же прямом пробивном напряжении. Главное преимущество тонких элементов - улучшение технологических характеристик при низких статических и динамических потерях. Такой буферный слой в четырёхслойном приборе требует устранения анодных закороток, но при этом сохраняется эффективное освобождение электронов во время выключения. В новом приборе IGCT буферный слой комбинируется с прозрачным анодным эмиттером. Прозрачный анод - это p-n переход с управляемой током эффективностью эмиттера.
Для максимальной помехоустойчивости и компактности блок
управления окружает IGCT, формируя единую конструкцию с охладителем, и содержит
только ту часть схемы, которая необходима для управления непосредственно IGCT.
Как следствие, уменьшено число элементов управляющего блока, снижены параметры
рассеяния тепла, электрических и тепловых перегрузок. Поэтому, также
существенно снижена стоимость блока управления и интенсивность отказов. IGCT, с
его интегрированным управляющим блоком, легко фиксируется в модуле и точно
соединяется с источником питания и источником управляющего сигнала через
оптоволокно. Путём простого размыкания пружины, благодаря детально
разработанной прижимной контактной системе, к IGCT прилагается правильно
рассчитанное прижимное усилие, создающее электрический и тепловой контакт.
Таким образом, достигается максимальное облегчение сборки и наибольшая
надёжность. При работе IGCT без снаббера, обратный диод тоже должен работать
без снаббера. Эти требования выполняет высокомощный диод в прижимном корпусе с
улучшенными характеристиками, произведённый с использованием процесса облучения
в сочетании с классическими процессами. Возможности по обеспечению di/dt
определяются работой диода (см. рис.2.12).
Рис. 2.12. Упрощенная схема трёхфазного инвертора на IGCT
Основной производитель IGCT фирма "ABB". Параметры тиристоров по напряжению UDRM: 4500 В, 6000 В; по току ITGQM: 3000 А, 4000 А.
Биполярный транзистор с изолированным затвором (IGBT - InsulatedGateBipolarTransistors)
- полностью управляемый полупроводниковый прибор, в основе которого трёхслойная
структура. Его включение и выключение осуществляются подачей и снятием
положительного напряжения между затвором и истоком. На рис.2.13 приведено
условное обозначение IGBT [6].
Рис. 2.13. Условное обозначение IGBT

Рис. 2.14. Схема соединения транзисторов в единой структуре IGBT
являются продуктом развития технологии силовых транзисторов со структурой металл-оксид-полупроводник, управляемых электрическим полем (MOSFET-Metal-Oxid-Semiconductor-Field-Effect-Transistor) и сочетают в себе два транзистора в одной полупроводниковой структуре: биполярный (образующий силовой канал) и полевой (образующий канал управления). Эквивалентная схема включения двух транзисторов приведена на рис.2.14. Прибор введён в силовую цепь выводами биполярного транзистора E (эмиттер) и C (коллектор), а в цепь управления - выводом G (затвор).
Схематичный разрез структуры IGBT показан на рис.2.15, а. Биполярный транзистор образован слоями p+ (эмиттер), n (база), p (коллектор); полевой - слоями n (исток), n+ (сток) и металлической пластиной (затвор). Слои p+ и p имеют внешние выводы, включаемые в силовую цепь. Затвор имеет вывод, включаемый в цепь управления. На рис. 2.19, б изображена структура IGBT IV поколения, выполненного по технологии "утопленного" канала (trench-gatetechnology), позволяющей исключить сопротивление между p-базами и уменьшить размеры прибора в несколько раз.
Рис. 2.15. Схематичный разрез структуры IGBT: а-обычного
(планарного); б-выполненного по "trench-gatetechnology"
Процесс включения IGBT можно разделить на два этапа: после подачи положительного напряжения между затвором и истоком происходит открытие полевого транзистора (формируется n - канал между истоком и стоком). Движение зарядов из области n в область p приводит к открытию биполярного транзистора и возникновению тока от эмиттера к коллектору. Таким образом, полевой транзистор управляет работой биполярного.
Полевой транзистор с изолированным
затвором - это полевой транзистор, затвор которого электрически изолирован от
проводящего канала полупроводника слоем диэлектрика. Благодаря этому, у
транзистора очень высокое входное сопротивление (у некоторых моделей оно
достигает 1017 Ом). Принцип работы этого типа полевого транзистора,
как полевого транзистора с управляющим PN-переходом, основан на влиянии
внешнего электрического поля на проводимость прибора.
Рис. 2.16.
В соответствии со своей физической структурой, полевой транзистор с изолированным затвором носит название МОП-транзистор (Металл-Оксид-Полупроводник), или МДП-транзистор (Металл-Диэлектрик-Полупроводник). Международное название прибора - MOSFET (Metal-Oxide-Semiconductor-Field-Effect-Transistor).
МДП-транзисторы делятся на два типа - со встроенным каналом и с индуцированным каналом. В каждом из типов есть транзисторы с N-каналом и P-каналом.
На основании (подложке)
полупроводника с электропроводностью P-типа (для транзистора с N-каналом)
созданы две зоны с повышенной электропроводностью N+-типа. Все это
покрывается тонким слоем диэлектрика, обычно диоксида кремния SiO2.
Сквозь диэлектрический слой проходят металлические выводы от областей N+-типа,
называемые стоком и истоком. Над диэлектриком находится
металлический слой затвора. Иногда от подложки также идет вывод, который
закорачивают с истоком