Материал: Теория циклы ГТУ

Внимание! Если размещение файла нарушает Ваши авторские права, то обязательно сообщите нам

Циклы газотурбинных установок (ГТУ)

Газотурбинной установкой принято называть такой двигатель, где в качестве рабочего тела используется неконденсирующийся газ (воздух, продукты сгорания топлива).

Газотурбинная установка (ГТУ) является тепловым двигателем, в которой тепло за счет сгорания топлива в камере сгорания преобразуется в работу в два этапа:

1) в решетке направляющего аппарата потенциальная энергия рабочего тела ГТУ преобразуется в кинетическую энергию выте­кающей со значительной скоростью струи;

2) в решетке рабочих лопаток вследствие поворота струи кине­тическая энергия рабочего тела превращается в механическую ра­боту вращения вала установки.

Направляющий аппарат вместе с решеткой рабочих лопаток об­разуют ступень турбины.

В отличие от поршневых ДВС, где процессы сжатия, подвода теплоты и расширения осуществляются в одном и том же цилиндре, в газотурбинных установках эти процессы происходят в различных элементах установки, в которые последовательно попадает поток рабочего тела (рис. 1.7).

Рис. 1.7. Принципиальная схема газотурбинной установки

Газотурбинная установка простейшей схемы работает следующим образом: наружный воздух поступает на вход компрессора (1), где сжимается до давления р2. После сжатия в компрессоре воздух поступает в камеру сгорания (2), куда одновременно подается жидкое или газообразное топливо и происходит процесс сгорания.

Образующиеся при сжигании топлива продукты сгорания поступают в газовую турбину (3), где расширяются практически до атмосферного давления р1. Отработавшие продукты сгорания выбрасываются в атмосферу.

В зависимости от того, каков термодинамический процесс подвода к рабочему телу тепла Q1*, термодинамические циклы ГТУ различают:

при постоянном давлении (цикл Брайтона);

при постоянном объеме (цикл Гемфри).

Термодинамический цикл Брайтона

Цикл Брайтона (рис.1.8 ) состоит из процесса адиабатного сжатия (1–2), изобарного (2-3) подвода теплоты, адиабатного расширения (3–4) и изохорного отвода теплоты (4–1). Соотношение давления сжатия в двигателях, работающих по циклу Брайтона, составляет = 5 – 24.

Рис. 1.8. Цикл с подводом теплоты при постоянном давлении

Коэффициент полезного действия термодинамического цикла ГТУ с подводом теплоты при постоянном давлении (цикл Брайтона) определяется соотношением

= 1- (1.22)

Из соотношения (1.22) следует, что КПД цикла Брайтона повышается с увеличением значения степени повышения давления рабочего тела ( ) в компрессоре. При этом возрастает не только давление, но и температура перед турбиной величины которых ограни­чиваются условиями прочности и охлаждения элементов собствен­но турбины

Термодинамический цикл Гемфри

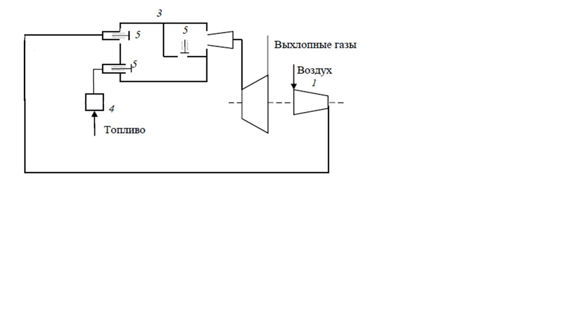
Цикл Гэмфри (рис.9) состоит из процесса адиабатного сжатия (1–2),

изохорного (2-3) подвода теплоты, адиабатного расширения (3–4) и изохорного отвода теплоты (4–1).

В цикле Гемфри - в камере сгорания специальной конструкции, которая периодически отключается от газовой турбины, что вызывает пульсацию потока рабочего тела. Для снижения пульсаций в ГТУ, работающих по циклу Гемфри, устанавливаются несколько (6-12) камер сгорания.

Рис. 1.9. Цикл с подводом теплоты при постоянном объеме

1 – компрессор; 3 – камера сгорания; 4 – топливный насос; 5 – клапаны

6 – газовая турбина

Несмотря на некоторое преимущество (более высокий КПД ГТУ при равной степени повышения давления сжатия в компрессоре), ГТУ с подводом теплоты при постоянном объеме пока не нашли практического применения главным образом из-за сложности конструкции камер сгорания и более низкой надежности.

Эффективность цикла газотурбинной установки можно повысить, усложняя схему ГТУ, в частности введением регенерации теплоты отходящих газов (рис. 1.10).

Рис. 1. 10. Схема газотурбинной установки с регенерацией теплоты

В ГТУ с регенерацией теплоты отходящих газов продукты сгорания

после газовой турбины (4) перед их выбросом в атмосферу поступают в регенератор (2), где подогревают сжатый воздух, сжатый в компрессоре (1) перед его поступлением в камеру сгорания (3). Таким образом, при постоянной температуре газов перед турбиной Т3 сжатый воздух после компрессора на участке (2 – а) изобары (2 – 3) подогревается отходящими из турбины газами и только на участке (а – 3) он нагревается за счет сжигания топлива. Площади 2-a-b-c и b-4-f-e характеризуют соответственно количество теплоты, подводимой к воздуху и отводимого от продуктов сгорания в процессе регенерации теплоты, что приводит к снижению количества подводимой теплоты, а работа цикла, определяемая площадью 1-2-3-4, остается без изменения. Это и приводит к увеличению КПД цикла ГТУ с регенерацией теплоты по сравнению с КПД ГТУ без регенерации теплоты отходящих газов.