Крутящий момент на тихоходном валу редуктора:
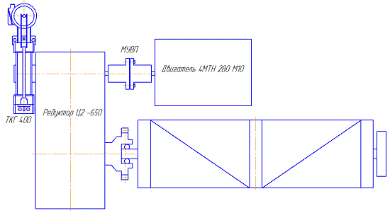
Выбираем редуктор Ц2 - 650 [2 стр. 218].
Технические характеристики редуктора:
-
номинальный крутящий момент на выходном валу![]()
;
номинальное
передаточное отношение ![]()
;
Тормоз выбирается по диаметру шкива и моменту. Для обеспечения безопасности используем нормально-замкнутый тормоз.
Выбор
тормоза осуществляется по тормозному моменту, определяемому по следующей
формуле![]()
:
где
![]()
[2 стр.
396],
Выбираем
тормоз ТКГ - 400[2 стр. 284], ![]()
.
Передачу мощности от двигателя к редуктору обеспечит муфта, выбор осуществляется по вращающему моменту.
Муфты
выбираются по следующей зависимости ![]()
![]()
,
где
![]()
;
![]()
коэффициент
режима работы,![]()
Диаметр тормозного шкива, необходимый для обеспечения тормозного момента, составляет 400 мм.
Выбираем
муфту [2 стр.308] с тормозным шкивом 400 мм и номинальным вращающим моментом
2000 Н![]()
м. момент
инерции равен 1.5 кг![]()
м2.
.8
Определение времени пуска и торможения
Время
пуска определяется по формуле ![]()
где u - передаточное число редуктора,
![]()
- момент
инерции муфты,
![]()
- момент
инерции ротора двигателя,
![]()
средний
пусковой момент двигателя, ![]()
где
![]()
кратность
среднего пускового момента двигателя, ![]()
.
Время
торможения определяется по формуле ![]()
Компоновка механизма подъема
Рис. 7 Схема компоновки механизма подъема
2. Расчёт механизма передвижения тележки
Приблизительно определим массу тележки полукозлового крана
![]()
,
где
![]()
грузоподъемность
крана, ![]()
.
Выбор количества и диаметра ходовых колес и их расчет на контактную долговечность
Тележка передвигается на четырех колесах.
Максимальная
статическая нагрузка на одно колесо
где
![]()
количество
ходовых колес, ![]()
.
В
соответствии с максимальной статической нагрузкой на колесо, по таблице [2,
стр. 319] выбираем ходовое колесо ![]()
, тип
рельса - Р50 (ГОСТ 6368-82), радиус кривизны головки рельса ![]()
.
Напряжения
в контакте обода колеса и рельса с выпуклой головкой ![]()
где
![]()
коэффициент,
зависящий от отношения радиуса закругления головки рельса R,
![]()
;
![]()
коэффициент,
учитывающий влияние касательной нагрузки на напряжения в контакте, ![]()
;
![]()
коэффициент
динамичности пары колесо-рельс, определяемый по формуле
![]()
,
где
![]()
коэффициент,
зависящий от жесткости кранового пути, ![]()
![]()
номинальная
скорость передвижения, ![]()
Допускаемое
напряжение ![]()
где
![]()
допускаемое
напряжение при ![]()
, для
стали 45 (ГОСТ 1050-74), ![]()
(закалка
и средний отпуск) ![]()
;
![]()
приведенное
число оборотов за срок службы:
![]()
где
![]()
коэффициент
приведенного числа оборотов, ![]()
,![]()
,
выбирается из соотношения минимальной и максимальной нагрузки на колесо
![]()
полное
число оборотов колеса за срок службы ![]()
![]()
где
![]()
машинное
время работы в часах за срок его службы, для режима работы 4М, ![]()
![]()
скорость
передвижения тележки.
Т.к.
![]()
,
проверка на контактную долговечность выполнена.
Статическое сопротивление передвижению найдем по формуле [2, стр. 424]:
![]()
,
где
для механизмов передвижения на рельсовом пути ![]()
где
![]()
диаметр
цапфы колеса, ![]()
![]()
диаметр
колеса, ![]()
![]()
коэффициент
трения подшипников, приведенный к цапфе колеса, ![]()
![]()
коэффициент
трения качения, ![]()
![]()
коэффициент,
учитывающий трение реборд и ступиц колес, ![]()
Сопротивление
![]()
от
уклона пути находят по формуле ![]()
где
![]()
уклон
пути, для крановой тележки ![]()
.
В механизме передвижения будет использован мотор-редуктор.
Выбор двигателя производится по статической мощности [2, стр.427]:
где
![]()
скорость
механизма передвижения тележки, ![]()
;
![]()
Силы
инерции, действующие на тележку при разгоне и торможении
где t - время, за которое тележка разгоняется до номинальной скорости.
Мощность, необходимая тележке в момент трогания
Необходимая
частота вращения колеса для передвижения тележки с заданной скоростью составит
У тележки будет два приводных колеса с приводом в виде мотор - редуктора.
Выбираем мотор редуктор SEW FA 100 DV 225S8/2:
Проверим
сцепление тележки ![]()
где
![]()
- коэффициент
сцепления стальных поверхностей.