Материал: Технология получения полупроводниковых подложек кремния

Внимание! Если размещение файла нарушает Ваши авторские права, то обязательно сообщите нам

Технология получения полупроводниковых подложек кремния

ВВЕДЕНИЕ

полупроводниковый подложка транзистор

В данной курсовой работе будет рассмотрен полупроводниковый материал - кремний, описаны его физические, химические и электрофизические характеристики, и приведен технологический алгоритм получения подложек кремния. Данная работа имеет большую актуальность, так как кремний является ведущим материалом для производства полупроводниковых приборов. Причиной этому множество достоинств данного материала:

.        Кремний второй по распространенности на земле элемент после кислорода: содержание кремния в земной коре составляет 27,6% по массе, поэтому кремний - один из самых дешевых материалов для производства полупроводниковых подложек, [1].

.        Кремний является самым чистым материалом. Содержание примесей в доочищенном кремнии может быть снижено до 10−8-10−6 % по массе.

.        Кремний образует естественную защитную пленку - оксид кремния SiO2, которая защищает от воздействия внешней агрессивной среды и может быть использована как изолятор, и, что очень важно, в качестве маски, в технологических процессах производства микросхем на подложках кремния, [2].

.        Ширина запрещенной зоны кремния 1,12 эВ (при 3000К), что позволяет кремниевым диодам могут работать при температуре вплоть до 200 ºС, [3].

.        Кремний характеризуется меньшей диэлектрической проницаемостью, по сравнению с другими полупроводниками, что обусловливает меньшие значения барьерных емкостей переходов при той же их площади и позволяет увеличить быстродействие ИМС.

.        Кремний нетоксичен в большинстве своих химических соединений, и его производство не сопровождается получением настолько загрязняющих окружающую среду отходов, несопоставимых с масштабами металлургических и химических производств.

Благодаря всем этим уникальным свойствам кремний применяется в очень широком спектре производств. (silicium) - химический элемент 4A подгруппы периодической системы элементов, неметалл. Встречается в природе в основном в виде песка, или кремнезема, который представляет собой диоксид кремния, и в виде силикатов. Концентрация в морской воде 3 мг/л. Чаще всего в природе кремний встречается в виде кремнезёма - соединений на основе диоксида кремния SiO2 (около 12 % массы земной коры). Элементарный кремний в монокристаллической форме является непрямозонным полупроводником. В чистом виде он был впервые выделен в 1811 году французскими учёными Жозефом Луи Гей-Люссаком и Луи Жаком Тенаром. В 1825 году шведский химик Йёнс Якоб Берцелиус действием металлического калия на фтористый кремний SiF4 получил чистый элементарный кремний. Новому элементу было дано название «силиций» (от лат. silex -кремень). Русское название «кремний» введено в 1834 году российским химиком Германом Ивановичем Гессом.

В данной курсовой работе мы рассматриваем кремний в первую очередь как материал для производства полупроводниковых подложек.

Подложка в микроэлектронике - это обычно монокристаллическая полупроводниковая пластина, предназначенная для создания на ней плёнок, гетероструктур и выращивания монокристаллических слоёв с помощью процесса эпитаксии кристаллизации и т. д. В их объеме и на поверхности методами травления, окисления, диффузии, эпитаксии, имплантации, фотолитографии, другими технологическими приемами формируются элементы микросхем электронных приборов и устройств.

Качество поверхности подложки определяется ее микрорельефом (шероховатостью), кристаллическим совершенством поверхностных слоев и степенью их физико-химической чистоты. Поверхность подложки характеризуется неплоскостностью и непараллельностью. Высокие требования предъявляются и к обратной - нерабочей стороне подложки. Неодинаковая и неравноценная обработка обеих сторон подложки приводит к дополнительным остаточным механическим напряжениям и деформации кристалла, что обусловливает изгиб пластин. В процессе обработки и подготовки поверхности подложек полупроводников необходимо создание совершенных поверхностей, имеющих высокую степень плоскопараллельности при заданной кристаллографической ориентации, с полным отсутствием нарушенного слоя, минимальной плотностью поверхностных дефектов, дислокаций и т.д., [4].

1.      ФИЗИКО-ХИМИЧЕСКИЕ СВОЙСТВА МАТЕРИАЛА

Кремний, как и другие элементы, обладает рядом физико-химических свойств, которые позволяют определенным образом обрабатывать его, для получения полупроводниковых подложек.

Основные свойства кремния приведены в таблице 1,[5].

Таблица 1.1 Основные химические свойства кремния

Атомный номер

14

Атомная масса

28,086

Плотность, кг/м³

2330

Температура плавления, °С

1410

Температура кипения, °С

2600

Теплоемкость, кДж/(кг·°С)

0,678

Ширина запрещенной зоны

 1,205-2,84·10−4·T


К физико-химическим свойства кремния относятся так же свойства кремния реагировать с различными веществами: кислотами, щелочами, кислородом.

При реакции с кислородом кремний образует естественный оксид SiO2, что является одним из важнейших химических свойств кремния.

·        Травители, для которых контролирующей стадией является диффузия, называются полирующими. Типичными полирующими травителями для кремниевых пластин являются смеси азотной и фтористоводородной (плавиковой) кислот.

·        Травители, для которых контролирующей стадией является химическая реакция, называются селективными. В качестве селективных травителей пластин кремния используют водные растворы щелочей (например, NaOH, КОН) и гидразин гидрат '.

·        Для щелочных травителей изменение скорости травления соответствует схеме (100) >(110)> (111).

·        Травление с большой разницей скоростей травления в различных кристаллографических направлениях называют анизотропным,[6].

Щелочные реагенты являются в основном анизотропными травителями с преимущественным воздействием на кристаллографические плоскости с малыми индексами. На рис. 1 показан пример преимущественного травления 54о- ой канавки в пересечении 110/100/111 смесью гидроксид калия и изопропанола при 85оС. Гидроксид калия и изопропанол являются травителями с соотношением скоростей травления 55:1 для направлений <100> и <111>, [7]

Рисунок 1 - Анизотропное (а) и изотропное (б) жидкостное

травление эпитаксиального кремния.

Таблица 1.2 Изотропное и анизотропное травление кремния[8]

Травитель

Скорость травления, мкм/мин

Подтравливание (мкм/сторону)1)


PS

ES

BS

PS

ES

BS

Изотропный2) Изотропный3) Анизотропный4)

3 0.8 0.7

4 0.6 0.9

4 0.5 1.1

1.5d 1.0d (0.1-1.0)d

1.5d 1.0d <0.1d

1.5d 1.0d <0.1d


) d- глубина травления. 2) HNO3 (65%)/HF(40%)/NaNO2=95/5 мл/г.

) HNO3(65%)/H2O/HF(40%)=100/40/6мл. 4) KOH/H2O/n-пропанол=15г/50/15 мл.

Таблица 1.3 Изотропные травители для кремния[8]

Травитель

Применение

 HF, HNO3, CH3COOH HF, HNO3, CH3COOH HF, KMnO4, CH3COOH HF, HNO3, H2O2+NH4OH HF, HNO3, CH3COOH HF, HNO3 NH4F, H2O2 HF, HNO3, I2 HF, HNO3, CH3COOH HNO3, HBF4, NH4BF4 NH4F, H2O2, NH4HPO4 KOH+спирт

 Все разновидности Si Низкоомный Si Эпитаксиальный Si Удаление примесей Cu pnp - многослойные структуры pnp - многослойные структуры Минимальное подтравливание Общее травление Подтравливание плоскости (100) Маска из резиста AZ-1350 Скорости травления, Si/ФСС=2/1 Поликристаллический Si


Таблица 1.4 Анизотропные травители для кремния[8]

Травитель

Применение

Этиледиамин, пирокатехин, H7O Этиледиамин, пирокатехин  Гидразин, ИПС, H2O КОН, sec-спирты КОН, этиленгликоль  Диамины, КОН, ИПС КОН, ИПС, H2O R3N+OH, ИПС, H2O R3N+OH, поверхностно-активное ве-щество R3N+OH H3PO4+следы As2O3 CuF2, маска из резиста AZ-1350

100 SiO2, Si3N4, выявление точечных проколов 100, Al-маска 100 Текструрирование элементов солнечных батарей Не разрушается Al 100 100 H2  Устранение Na+ из травителя n-тип Электролитическое травление



2.      ЭЛЕКТРОФИЗИЧЕСКИЕ СВОЙСТВА МАТЕРИАЛА

.1      Кристаллографическая ориентация

Характерные прямые линии, выходящие из точки отсчета, вдоль которых в кристаллической решетке располагаются атомы, называют кристаллографической ориентацией. Точками отсчета могут служить вершины куба, а кристаллографическими направлениями - его ребра и диагонали, а также диагонали граней (рис. 2, а). Для определения индекса какого-либо направления необходимо найти индекс ближайшего к данной точке отсчета атома, находящегося на данном направлении. Например, индекс ближайшего атома вдоль оси ОХ обозначается цифрами 100 (рис. 2,а). Эти цифры представляют собой координаты упомянутого атома относительно точки О, выраженные через количество параметров вдоль осей OX, OY и OZ соответственно. Индексы направления ОХ и параллельных ему направлений обозначаются [100]. Соответственно направления OY и OZ обозначаются [010] и [001]. Кристаллографические направления вдоль диагоналей граней XOZ, XOY и YOZ обозначают [101], [110] и [011]. Пользуясь указанной методикой, можно определить индекс любого направления. Например, индекс направления вдоль диагонали куба выразится так: [111]. Для определения индекса кристаллографической плоскости необходимо вначале найти координаты ближайших точек ее пересечения с осями координат, проведенными из точки отсчета О. Затем взять обратные им величины и записать их в круглых скобках в обычной последовательности. Например, координатами точек пересечения с осями координат ближайшей плоскости, параллельной плоскости XOY, выраженными через параметры решеток, являются числа Ґ, Ґ, 1 (см. рис. 2, б). Поэтому индекс этой плоскости можно записать в виде (001). Индексами плоскостей, параллельных плоскостям XOZ и YOZ, окажутся выражения (010) и (100) (рис. 2, б). Индекс вертикальной диагональной плоскости куба выразится через (110), (рис. 2, в), а индекс наклонной плоскости, пересекающейся со всеми тремя осями координат на удалении одного параметра, примет вид (111) (см. рис. 2, г).[9]

    а                            б                                в                             г

Рисунок 2.1 - Виды кристаллографической ориентации

Методы определения кристаллографической ориентации:

Разрушающие методы - селективное травление.

Неразрушающие методы, [10]:

·        Метод Лауэ.

·        Метод вращения монокристалла

·        Метод порошка (Дебая)

Суть метода селективного травления заключается в следующем:

Когда травление производится продолжительное время, на гранях кристалла образуются правильные фигуры, которые получили название фигур травления. Они легко наблюдаются под микроскопом. Установлено, что фигуры травления на различных кристаллографических плоскостях различны. По геометрии фигур травления можно судить об ориентации кристалла, а также о его монокристалличности. Если образец не представляет собой монокристалла, в различных местах одной и той же грани фигуры травления будут различными. Точность определения ориентации кристалла методом фигур травления составляет 2-3°, [28].

Метод Лауэ - метод исследования структуры кристаллов с помощью рентгеновских лучей, один из методов рентгеновского структурного анализа. Представляет собой усовершенствованную методику опыта, поставленного в 1912 г. В. Фридрихом и П. Книппингом по предложению М. Лауэ, в этом эксперименте была открыта дифракция рентгеновского излучения на кристалле. В методе Лауэ тонкий пучок рентгеновских лучей непрерывного спектра падает на неподвижный монокристалл, закреплённый на гониометрической головке. Излучение, рассеянное кристаллом в направлениях, определяемых условием Брэгга - Вульфа, регистрируется на плоской фотоплёнке, помещённой за кристаллом перпендикулярно падающему пучку лучей; полученное изображение называется лауэграммой. В случае крупных монокристаллов фотоплёнка располагается перед кристаллом, а лауэграмма, полученная таким способом, называется эпиграммой.

Рисунок 2.2 - Суть метода Лауэ

Метод Лауэ применяется для пространственной ориентировки монокристаллов (в особенности неогранённых), определения точечной группы симметрии кристаллов, исследования реальной структуры и совершенства внутреннего строения монокристаллов. Метод Лауэ используется также для исследования процессов старения и распада в метастабильных фазах, перестройки кристаллической структуры под действием температуры, облучения нейтронами или γ - излучением, а также неупругих когерентных процессов рассеяния рентгеновского излучения и др. проблем.

В данной работе кристаллографическая ориентация определена методом селективного травления.

.2      Удельное сопротивление

Удельное электрическое сопротивление, или просто удельное сопротивление вещества - физическая величина, характеризующая способность вещества препятствовать прохождению электрического тока.

Методы определения удельного сопротивления:

·        Метод вихревых токов

·        Четырехзондовый метод

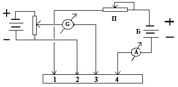
Суть четырехзондового метода показана на рисунке 2.3.

Рисунок 2.3 - Схема измерения поверхностного и удельного сопротивлений четырехзондовым методом: 1-4 - зонды; 5 - источник тока; 6 - пластина

С помощью источника тока по амперметру А в цепи токовых зондов 1-4 устанавливается ток. Вольтметром V с большим входным сопротивлением измеряют напряжение между зондами 2 и 3 при двух противоположных направлениях тока, получают значения U23 и U32. Далее, в расчетах используют среднее значение напряжения. Вычислив среднее значение напряжения между зондами 2 и 3, находят поверхностное сопротивление (кОм/). Удельное сопротивление (Ом·см) вычисляют по формуле:

,

Где S - толщина подложки, а :