|
C
|
Si
|
Mn
|
Ni
|
S
|
P
|
Cr
|
Ti
|
|
|
|
|
Не более
|
|
|
|
до 0,08
|
до 0,08
|
до 2,0
|
9,0 - 11,0
|
0,020
|
0,035
|
17 - 19
|
5. C
- 0,7
|
2.3 Оценка
свариваемости материала штуцера 20-150
Свариваемость - способность материала к образованию, при
данной конструкции и технологии, соединений удовлетворяющих требованиям
эксплуатации.
К числу основных показателей свариваемости относятся:
сопротивление образованию горячих и холодных трещин в сварном
шве и зоне термического влияния;
стойкость металла шва и зоны термического влияния к переходу
в хрупкое состояние;
чувствительность к порообразованию;
соответствие свойств сварных соединений заданным
эксплуатационным требованиям.
Сталь 08Х18Н10Т хорошо сваривается всеми видами ручной и
автоматической сварки.
Основные трудности сварки рассматриваемой стали обусловлена
многокомпонентностью их легирования и разнообразием условий эксплуатации
сварных конструкций. Главной и общей особенностью сварки является склонность к
образованию в шве и околошовной зоне горячих трещин, имеющих межкристаллитный
характер. Они могут наблюдаться как в виде мельчайших микронадрывов, так и
видимых трещин. Горячие трещины могут возникнуть и при термической обработке
или работе конструкции при повышенных температурах. Образование горячих трещин
связано с формированием в зоне сварки крупнозернистой макроструктуры, особенно
выраженной в многослойных швах, когда кристаллы последующего слоя продолжают
кристаллы предыдущего слоя, и наличием напряжений усадки.
В сталях с большим запасом аустенитности получение швов с
аустенитно-ферритной структурой затруднено. Возможность предотвращения в них
горячих трещин достигается ограничением содержания в швах примесей, образующих
легкоплавкие эвтектики (фосфора, серы). Для этого применяют сварочные
материалы, изготовленные из сталей вакуумной выплавки или электрошлакового переплава,
и ограничивают проплавление основного металла. В некоторых случаях можно
улучшить стойкость швов против горячих трещин повышением содержания легирующих
примесей до концентраций, обеспечивающих получение на завершающих стадиях
кристаллизации обильной эвтектики на поверхности кристаллитов, например при
легировании стали бором (0,3-1,5%). При этом уменьшаются деформации,
накапливаемые в металле шва к концу кристаллизации, вследствие понижения
верхней температуры эффективного интервала кристаллизации. Снижение действия
силового фактора (ограничением тока, заполнением разделки валиками небольшого
сечения, рациональной конструкцией соединения и др.) также является фактором
предупреждения горячих трещин.
В околошовной зоне некоторых жаропрочных аустенитных сталей
под действием термического цикла сварки снижаются пластические и прочностные
свойства, что может повести к образованию в этой зоне трещин. Подобные
изменения свойств основного металла вызываются развитием диффузионных
процессов, приводящих к повышенной концентрации в металле околошовной зоны
поверхностно-активных элементов (углерода, кислорода и др.), которые совместно
с другими примесями могут образовывать легкоплавкие эвтектики и в конечном
итоге обусловливать появление горячих третий. Кроме того, при длительной
эксплуатации в этой зоне могут выделяться мелкодисперсные карбиды и
интерметаллиды. Образование непрерывной прослойки карбидов и интерметаллидов по
границам зерен приводит к охрупчиванию шва. При сварке этих сталей для
предупреждения горячих трещин в шве часто получают наплавленный металл, по
составу отличающийся от основного и имеющий двухфазную структуру.
Локальные разрушения характерны для участка перегрева
околошовной зоны и являются межкристаллическими разрушениями вследствие
концентрации деформаций по границе зерен и развития процесса, межзёренного
проскальзывания. Лучшим средством снижения склонности к локальным разрушениям
является получение более пластичного металла шва.
При сварке высокопрочных сталей в околошовной зоне возможно
образование холодных трещин. Поэтому до сварки рекомендуется произвести их
аустенизацию для получения высоких пластических свойств металла, а упрочняющую
термическую обработку проводить после сварки. Предварительный и сопутствующий
нагрев до 350-4500 С также уменьшает опасность образования холодных
трещин.
Высоколегированные аустенитные стали и сплавы наиболее часто
используют как коррозионно-стойкие. Основным требованием, которое предъявляется
к сварным соединениям, является стойкость к различным вида коррозии.
Межкристаллитная коррозия может развиваться как в металле
шва, так и в основном металле у линии сплавления (ножевая коррозия) или на
некотором удалении межкристаллитной коррозии по сравнению с аустенитными.
Возрастание протяженности границ зерен вследствие измельчения
зерен увеличивает площадь поверхности, на которой выделяются карбиды.
Выделяющиеся карбиды более дисперсны, и местное обеднение
объема зерна хромом происходит на меньшую глубину. Кроме того, процессы
диффузии в феррите происходят значительно быстрее, что ускоряет выравнивание
концентрации хрома в обедненных приграничных и центральных участках зерен.
Межкристаллитная коррозия (МКК) основного металла на
некотором расстоянии от шва также вызвана действием термического цикла сварки
на ту часть основного металла, которая была нагрета до критических температур.
Склонность стали и швов к межкристаллитной коррозии
предупреждается /4/:
) снижением содержания углерода до пределов его растворимости
в аустените (до 0,02-0,03%);
) легированием более энергичными, чем хром,
карбидообразующими элементами (стабилизация титаном, ниобием, танталом,
ванадием и др.);
) стабилизирующим отжигом при 850-900 С в течение 2-3 ч или
аустенизацией - закалкой с 1050-1100° С;
) созданием аустенитно-ферритной структуры с содержанием
феррита до 20-25% путем дополнительного легирования хромом, кремнием,
молибденом, алюминием и др. Однако такое высокое содержание в структуре феррита
может понизить стойкость металла к общей коррозии. Эти же меры способствуют и
предупреждению ножевой коррозии.
Ножевая коррозия поражает основной металл. Этот вид коррозии
развивается в сталях, стабилизированных титаном и ниобием па участках, нагретых
при сварке до температур выше 1250° С, где карбиды титана и ниобия растворяются
в аустените. Повторное тепловое воздействие па этот металл критических
температур 500-800° С (например, при многослойной сварке) приведет к сохранению
титана и ниобия в твердом растворе и выделению карбидов хрома.
Общая коррозия, т.е. растворение металла в коррозионной
среде, может развиваться в металле шва, на различных участках или в околошовной
зоне в целом и в основном металле. В некоторых случаях наблюдается равномерная
общая коррозия основного металла и сварного соединения.
Имеется еще один вид коррозионного разрушения - коррозионное
растрескивание, возникающее под совместным действием растягивающих напряжений и
агрессивной среды. Разрушение развивается как межкристаллитное, так и
транскристаллитное. Снижение остаточных сварочных напряжений - одна из основных
мер борьбы с этим видом коррозионного разрушения.
Аустенитные стали не имеют ограничений по свариваемости, для
сварки изделия применимы любые способы сварки.
2.4 Анализ
характера конструкции изделия и выбор неразъемных соединений
При анализе на технологичность конструкции
узла с неразъемными соединениями следует рассмотреть следующие основные
вопросы, такие как количество входящих в узел деталей и технологических
разъемов для выполнения неразъемных соединений; использование листового,
сортового и фасонного проката; наличие и характер концентраторов напряжений в
изделии и др.
Общие принципы создания технологичных конструкций требуют
экономически рационального уменьшения количества входящих в изделие деталей с
целью уменьшения количества неразъемных соединений, что при модернизации
сварного узла требует изменения конструкции и, во многих случаях, технологии
изготовления комплектующих деталей.
Обоснованное назначение технологических разъемов и
конструкции неразъемных соединений во многих случаях позволяет упростить сборочно-сварочные
приспособления, снизить требования к точности собираемых деталей, отказаться от
применения сложных систем слежения или копирования при сварке.
Правильное назначение технологических разъемов и конструкции
неразъемных соединений позволяет существенно снизить затраты на изготовление
изделия за счет широкого использования листового, сортового и фасонного
проката, рациональной организации производства комплектующих деталей и изделия
в целом, более экономичного технологического процесса изготовления изделия.
Концентратами напряжения являются сварные швы. Наиболее
рациональным типом соединения для данной конструкции является стыковое
соединение, выполняемое сваркой плавлением.
Такое соединение обладает
работоспособностью удовлетворяющей условиям и наибольшей экономичностью.
Эскиз изделия и основные конструктивные
размеры сварных соединений представлены, соответственно на рисунках 2.4.1,
2.4.2, 2.4.3, 2.4.4
Рис. 2.4.1 Эскиз изделия
Рисунок - 2.4.2 Конструктивные размеры сварного соединения ГОСТ
14771 - 76-С20
Рисунок - 2.4.3 Конструктивные размеры сварного соединения ГОСТ
14771 - 76-С17
Автор предлагает заменить стыковое соединение с разделкой кромок
(ГОСТ 14771 - 76-С17) на стыковое соединение без разделки кромок на медной
подкладке (ГОСТ 14771 - 76-С4).
Рисунок - 2.4.4 - Конструктивные размеры сварного соединения ГОСТ
14771 - 76-С4.
Рис. 2.4.5 Конструктивные размеры сварного соединения ГОСТ 14771 -
76-С11.
2.5 Анализ
точности изготовления конструкции, характера остаточных сварочных напряжений и
деформации, способов их уменьшения
Требования точности обуславливаются условиями
взаимозаменяемости изделий и эксплуатационными требованиями. Точность изделий
определяется:
отклонением действительных размеров изделий от заданных;
отклонением геометрических форм изделий и отдельных элементов
от заданных чертежом;
отклонениями во взаимном расположении
поверхностей и осей изделий.
Большое влияние на точность изготовления
сварных конструкций оказывает точность их сборки. При изготовлении сварных
конструкций необходимо обеспечить правильную сборку отдельных деталей и узлов,
т.е. правильное их взаимное расположение. Точное и жёсткое пространственное
закрепление деталей относительно друг друга обеспечивается использованием
спецприспособления.
На точность изготовления сварных конструкций также оказывает
влияние способ сварки. В процессе изготовления в сварных конструкциях возникают
сварочные напряжения и деформации. Причинами возникновения сварочных напряжений
и деформаций являются неравномерный нагрев металла при сварке, литейная усадка
расплавленного металла и структурные превращения в металле в процессе его
охлаждения. В случае, когда остаточные сварочные напряжения превышают σт, происходит разрушение сварного соединения. При нагревании все
металлы расширяются, а при охлаждении сжимаются. При наличии жестких связей
между нагретыми и холодными участками металла это приводит к образованию
сжимающих либо растягивающих внутренних сварочных напряжений.
В результате остывания и затвердевания жидкого металла
сварного шва происходит его усадка. Явление усадки обусловлено тем, что при
затвердевании металл становится более плотным, вследствие чего объем его
уменьшается. Ввиду того, что металл шва жестко связан с основным металлом,
остающимся в неизменном объеме и противодействующим этой усадке, в сварном
соединении возникают внутренние напряжения. При сварке происходит продольная и
поперечная усадка расплавленного металла, в результате чего образуются
продольные и поперечные внутренние напряжения, вызывающие деформации сварных
конструкций. Очевидно, что усадка металла влияет на геометрические размеры изделия.
Так как швы получают с минимальной зоной термического влияния можно судить о
том, что изменение геометрических размеров укладывается в допуск и не влияет на
эксплуатационную надёжность изделия. Опыт эксплуатации ёмкости показывает, что
технология базового предприятия обеспечивает получение механических
характеристик, предъявляемых к изделию.
Способы уменьшения сварочных деформаций, напряжений и
перемещений:
1. рациональное конструирование
За счет выбора размеров и расположения сварных швов можно добиться
существенного уменьшения коробления конструкции. Для этого следует назначать
минимальные, найденные из расчета на прочность катеты угловых швов;
обеспечивать максимальную жесткость конструкции к моменту сварки швов;
располагать швы симметрично для взаимной компенсации перемещений от отдельных
швов. В ряде случаев можно компенсировать перемещения при сварке путем
корректировки размеров заготовок с учетом последующей усадки или создания
предварительных искажений формы деталей противоположного знака. В случае
неизбежности перемещений при сварке в конструкции должен быть обеспечен доступ
для последующей правки.
2. рациональная технология сборки и сварки
Сборка в жестком приспособлении или на прихватках перед
началом сварки; рациональной последовательности наложения швов, а также выбора
способа и режима сварки с минимальной погонной энергией. При многопроходной
сварке погонная энергия существенно ниже, чем при однопроходной сварке такого
же шва, а при контактной, лазерной и электронно-лучевой - ниже, чем при
дуговой. Предварительный и сопутствующий подогревы при сварке позволяют
уменьшить пластические деформации и напряжения.
3. пластическое деформирование после
сварки
Этот прием применяется в основном для правки конструкции.
Чаще всего деформация осуществляется за счет сжатия шва и околошовной зоны в
направлении толщины сваренных пластин. При этом уменьшается усадка шва,
образовавшаяся после сварки. Одновременно снижаются продольные остаточные
напряжения в шве. Применяются различные способы деформирования: прокатка
роликами, проковка, обработка взрывом. Обработка может быть осуществлена как
после полного остывания, так и сразу после сварки (например, роликом,
движущимся вслед за дугой, или сварочным электродом при точечной контактной
сварке).
Недостатком всех указанных методов является снижение
пластичности деформируемой зоны.
4. создание неравномерных нагревов или охлаждений
Этот метод широко используют для перераспределения остаточных
напряжений. Для уменьшения напряжений растяжения необходимо создавать нагрев
вблизи зоны с напряжениями растяжения или охлаждение в самой этой зоне. Для
уменьшения напряжений сжатия необходимо греть зоны с такими напряжениями или
охлаждать окружающие зоны. Эффект от местного нагрева определяется его
концентрацией и перепадом температур, поэтому следует создавать небольшие пятна
нагрева и охлаждения. При потере устойчивости листовых элементов местный нагрев
сжатых участков позволяет вызвать их пластическое укорочение после остывания и
исправление деформаций.
. термическая обработка (закалка или отжиг)
При температуре Т >800°С карбиды хрома растворяются, а они
могут привести к потери коррозионных свойств сварными швами. В большинстве
случаев при сварке аустенитных сталей термообработка не требуется. Её применяют
тогда, когда в состоянии после сварки соединения проявляют склонность к
межкристаллитной коррозии.
Отжигом называют термообработку, направленную на получение в
металлах равновесной структуры. Любой отжиг включает в себя нагрев до
определенной температуры, выдержку при этой температуре и последующее медленное
охлаждение. Цель отжига - уменьшить внутренние напряжения в металле, уменьшить
прочностные свойства и увеличить пластичность.
Закалка - это термообработка, направленная на получение в
сплаве максимально неравновесной структуры и соответственно аномального уровня
свойств. Любая закалка включает в себя нагрев до заданной температуры, выдержку
и последующее быстрое резкое охлаждение. /5/
Уменьшение напряжения, коробления, усадочных деформаций
достигается за счет жесткого закрепления изделия в специальном приспособлении.
/6/
2.6 Вывод по
разделу
Наиболее подходящей для изготовления камеры распределительной
будет являться сталь 08Х18Н10Т ГОСТ 5632-72.
1 Коррозионностойкая сталь аустенитного класса
08Х18Н10Т не имеет ограничений по свариваемости, следовательно для сварки
штуцера 20-150 применимы любые способы сварки.
Конструкция штуцера 20-150 позволяет осуществить
свободный доступ к месту сварки и использовать различные методы неразрушающего
контроля неразъёмного соединения.
В качестве проектных вариантов выбрано сварное соединение -
согласно ГОСТ14771-76 С4.
На точность изготовления сварных конструкций
оказывает влияние способ сварки. В процессе изготовления в сварных конструкциях
возникают сварочные напряжения и деформации
Способы уменьшения сварочных деформаций, напряжений и
перемещений:
рациональное конструирование;
рациональная технология сборки и сварки;
пластическое деформирование после сварки;
создание неравномерных нагревов или охлаждений;
термическая обработка (закалка или отжиг).
3. Разработка
технологического процесса изготовления штуцера 20-150
Основной целью разработки технологического процесса является
назначение таких способов и последовательности изготовления изделия, которые
явились бы наиболее технологически и экономически рациональными. Это
подразумевает правильное и полное использование всех технических возможностей
оборудования и оснастки, работу на наиболее выгодных режимах при минимальных
затратах времени, рабочей силы, вспомогательных материалов. Технологический
процесс разрабатывается с учетом двух принципов: технического и экономического.
Технический принцип предусматривает полное соответствие изделия требованиям
чертежа. Экономический принцип предусматривает изготовление изделия с
минимальными затратами материальных, трудовых и энергетических ресурсов. /7/
3.1 Выбор
способов получения неразъемных соединений
Развитие процессов, описанных выше, как правило, может
оказывать отрицательное влияние на свойства и работоспособность сварных
соединений, если эти процессы будут активными. Поэтому, хотя данную сталь можно
сваривать всеми видами сварки, предпочитать следует такие, при которых тепловое
воздействие на свариваемый металл будет наименьшим - сварку в защитных газах,
электроннолучевую и разные способы сварки давлением - шовную, точечную,
диффузионную и др.
Электрошлаковая и сварка под флюсом технически невозможны, в
связи с толщиной металла. Очевидно, что для данного изделия и стали применение
плазменной, лазерной и электронно-лучевой сварки экономически нецелесообразно
из-за дорогостоящего оборудования и вспомогательных материалов. Контактная
сварка не подходит типом соединения.
Таким образом, подходят ручная дуговая сварка, сварка в
защитных газах.
Сварка в защитных газах нашла широкое применение в промышленности.
В качестве защитных газов используют инертные (аргон, гелий) и активные
(углекислый газ, азот), а также различные смеси инертных или активных газов и
инертных с активными. При сварке в инертных газах повышается стабильность дуги
и снижается угар легирующих элементов.
Рациональными способами для данного изделия и стали будут
автоматическая сварка в защитных газах неплавящимся электродом и
полуавтоматическая сварка в защитных газах плавящимся электродом.
Рассмотрим автоматическую сварку в аргоне неплавящимся
электродом с присадочной проволокой как первый проектный вариант и
полуавтоматическую сварку в среде аргона плавящимся электродом как второй.
3.1.1
Автоматическая аргонодуговая сварка неплавящимся электродом с присадочной
проволокой
Сварка вольфрамовым электродом в среде инертных газов
(аргона) является одним из наиболее распространенных способов получения
неразъемных соединений. Основными преимуществами этого способа являются:
минимальное металлургическое влияние на свариваемый материал. Процесс сварки
имеет высокую стабильность горения дугового разряда и формирования шва,
возможность визуального контроля формирования шва. К недостаткам данного
способа можно отнести: использование дорогого защитного газа, а также
дефицитных и дорогих вольфрамовых электродов. Использование аргонодуговой
сварки на форсированных режимах имеет приемлемую производительность, а также
необходимые параметры шва.
Сварку вольфрамовым электродом производят в аргоне и гелии
или их смесях и применяют обычно для материала толщиной до 5-7 мм.
В зависимости от толщины и конструкции сварного соединения
сварку вольфрамовым электродом производят с присадочным материалом или без
него.
В качестве присадочного материала используют холоднотянутую
стальную проволоку по ГОСТ 2246-70.
В первом проектном варианте сварку неплавящимся электродом
выбираем с присадочной проволокой. В связи с тем, что данная коррозионностойкая
сталь подвержена коррозионному разрушению, а именно межкристаллитной коррозии
(МКК) для предупреждения МКК необходимо легировать элементами: титаном,
ниобием, танталом и т.д., обладающими большим сродством к углероду чем хром.
В данном проектном варианте выбираем проволоку Св-07Х19Н10Б.
В таблице 2.3.1 приведён химический состав используемой сварочной проволоки
Таблица 3.1 Химический состав сварочной проволоки
Св-07Х19Н10Б.
|
C
|
Mn
|
Si
|
S
|
P
|
Cr
|
Ni
|
Другие элементы
|
|
0,08
|
1-2
|
0,4-1
|
0,018
|
0,03
|
18-20
|
8-10
|
Процесс сварки осуществляют автоматически, с использованием
специальных сварочных головок, на постоянном токе прямой полярности. Так как
при прямой полярности на изделие выделяется до 70% /8/ теплоты дуги, что
обеспечивает глубокое проплавление основного металла.
Сварку в защитных газах выберем непрерывно горящей дугой. Для
сварки высоколегированных сталей используют аргон высшего (99,99%) или 1-го
(99,98%) сортов по ГОСТ 10157-79. В первом проектном варианте будем
использовать аргон 1-го сорта, так как аргон высшего сорта применяют при сварке
активных металлов (титан, цирконий, ниобий), а первого сорта для сварки коррозионно-стойких
сталей. Также аргон первого сорта с экономической точки зрения выгодней высшего
сорта.
3.1.2
Аргонодуговая сварка плавящимся электродом
В качестве второго проектного варианта используем
полуавтоматическую сварку плавящимся электродом в среде защитных газов. Сварку
плавящимся электродом выполняют в инертных, активных газах или смесях. При
сварке в инертных газах возможен капельный и струйный перенос электродного
металла.
При струйном переносе дуга имеет наиболее высокую
стабильность и значительно улучшается перенос электродного металла в сварочную
ванну и уменьшается разбрызгивание металла.
Для сварки используют электродные проволоки малого диаметра
(до 3 мм). Поэтому швы имеют узкую форму провара и в них может наблюдаться
повышенная зональная ликвация. Применяя поперечные колебания электрода,
изменяют форму шва и условия кристаллизации металла сварочной ванны уменьшают
вероятность зональной ликвации.
Расстояние от сопла горелки до изделия обычно выдерживают в
пределах 8…15 мм. Токоподводящий наконечник должен находиться на уровне краев
сопла.
Сварку плавящимся электродом выберем струйным переносом
электродного металла. При струйном переносе дуга имеет наиболее высокую
стабильность и значительно улучшается перенос электродного металла в сварочную
ванну, практически исключается разбрызгивание металла. Для этого сварку
коррозионных сталей следует выполнять на токе выше критического для диаметра
электрода.
Сварочную проволоку выберем Св - 07Х19Н10Б ГОСТ 2246 - 70
диаметром 1 мм, в качестве защитного газа выберем аргон первого сорта. Выбор
обеспечивается по тем же соображения, что и для сварки неплавящимся электродом.
Защитный газ - аргон - подаётся через сопло
горелки и служит для обеспечения защиты свариваемого металла и легирующих
элементов от взаимодействия с окружающёй атмосферой.
Показатели качества аргона 1-го сорта ГОСТ 10157-79 приведены
в таблице 3.1.1
Таблица 3.2 Показатели качества аргона 1-го сорта
|
Объемная доля,
%
|
|
Аргон, не менее
|
99,987
|
|
Кислород, не
более
|
0,002
|
|
Азот, не более
|
0,01
|
|
Водяной пар, не
более Что соответствует температуре насыщения аргона водяными парами при 760
мм рт. ст.00С, не выше
|
0,001 минус 58
|
|
Сумма
углеродсодержащих соединений в пересчете на СО, не более
|
0,001
|
При обратной полярности напряжение дуги выше, чем при прямой
полярности. На аноде-электроде выделяется большое количество энергии, что
приводит к его оплавлению.
Таким образом, сварка производится на постоянном токе
обратной полярности.
Основные преимущества сварки в среде защитных газов
плавящимся электродом:
широкие технологические возможности по видам материалов и
сварных соединений;
высокая производительность наплавки металла, которая при
полуавтоматической сварке может быть в 2-3 раза выше, чем при сварке покрытыми
электродами, а при автоматической сварке - до 8 раз (по сравнению с РДС
покрытыми электродами);
возможность визуально контролировать формирование сварного
соединения;
практическое исключение в сварном шве неметаллических
включений (т.к. защита только газовая);
высокая стабильность формирования сварных соединений.
Основные недостатки:
значительный уровень разбрызгивания электродного металла,
если на используется специальное дорогостоящее оборудование (потери на
разбрызгивание: обычный процесс - несколько %, в других до 20%). Для обычного
оборудования достаточно узкие диапазоны режима, где достигается
удовлетворительное разбрызгивание;
сварка в активных защитных газах возможна в основном лишь для
углеродистых и низколегированных сталей; в инертных газах - процесс значительно
более дорогостоящий, менее применим. Современное оборудование сложное и
дорогостоящее по сравнению с РДС покрытыми электродами.
3.2
Разработка вариантов маршрутного технологического процесса
Базовый вариант технологического процесс изготовления изделия
начинается с комплектации требуемыми деталями для сборки изделия (005
комплектовочная) на столе комплектовочном. Далее для изготовления патрубков
предусмотрена операция заготовительная (010) выполняемая на станке
трубоотрезном 7-50-046. Затем следует токарная операция (015), где выполняют
подготовки кромок под сварку на станке токарно-винторезном 1К62. При этом
детали перед сваркой должны быть чистыми, без следов ржавчины, масла и грязи.
Для этого в технологии предусмотрена операция слесарная (020), которая включает
в себя зачистку и протирку свариваемых поверхностей. Применяемое оборудование:
машина шлифовальная и металлическая щетка. При протирки детали протираются
салфеткой, смоченной в ацетоне. Следующая операция - сборочная (025). В ней
производится сборка патрубка (2) и фланца (1) при помощи прихваток. Затем
выполняется сварочная операция (030), которая осуществляется ручной
аргонодуговой сваркой неплавящимся электродом с подачей присадочной проволоки.
Используемое оборудование: УДГУ - 501 AC/DC, М11010A. После сварки проводят слесарную операцию (035),
зачищают грубые наплывы сварного шва. Контрольная операция (040) - внешним
осмотром проверяется отсутствие заусенцев, острых кромок, вмятин и других
механических повреждений.
Слесарная операция (045) - зачищаются свариваемые поверхности
сборочных единиц и деталей: штуцер 20 - 150 и патрубок. Затем производится
сборочная операция (050), в процессе которой штуцер 20 - 150 и патрубок
прихватываются и далее свариваются ручной сваркой неплавящимся электродом с
подачей присадочной проволоки - операция 055.
Слесарная операция (060) - зачищают грубые наплывы сварных
швов.
Контрольная операция (065) - внешним осмотром проверяется
отсутствие заусенцев, острых кромок, вмятин и других механических повреждений.
Слесарная операция (070) - зачищаются свариваемые поверхности
патрубка и донышка. Далее производится сварочная операция (075) ручной дуговой
сваркой плавящимся электродом. Затем следует слесарная операция (080) -
зачищают грубые наплывы сварных швов. Контрольная операция (085) - капиллярный
метод и операция (090) - производится визуально измерительный контроль, где
проверяется соответствие геометрических размеров изделия размерам, заданным
чертежом.
Анализ приведенного базового техпроцесса позволяет сделать
вывод, что применение прихваток повышают трудоемкость изготовления штуцера 20 -
150.
Автор предлагает механизировать процесс изготовления путем
введения в технологический процесс сборочно-сварочной технологической оснастки
с пневмоприводом. Эта технологическая оснастка позволяет:
исключить использование прихваток;
повысить точность сборки и производительность;
Таким образом, предлагаемая технологическая оснастка
позволяет упростить технологический процесс изготовления штуцера 20-150.
Модернизированный технологический процесс исключает сборочные
операции (025,050).
В разработанном технологическом варианте Проектный №1 сварку
производят автоматической аргонодуговой сваркой неплавящимся электродом с
присадочной проволокой. В варианте Проектный №2 сварку производят
полуавтоматической сваркой плавящимся электродом в среде аргона.
3.3 Выбор и
расчет режимов сварки
Под режимом обработки понимают значения
регулируемых параметров процесса. Вид и количество параметров определяются
конкретным способом обработки.
Режимы автоматической и полуавтоматической сварки в среде
аргона неплавящимся электродом с присадочной проволокой и плавящимся приведены
в таблице 3.1 и 3.2 соответственно/1/
Одним из основных энергетических элементов режима дуговой
сварки является сварочный ток.
Для расчёта величины сварочного тока при сварке тонколистовых
материалов быстродвижущимся источником можно использовать формулу: /7/
(1)
где V - скорость сварки, см/с;
FПР -
площадь проплавления основного металла, см2;
r - плотность материала, г/см3;
hПЛ -
теплосодержание металла в сварочной ванне, Дж/г;
U - напряжение на дуге, В;
a - коэффициент температуропроводности, см2/с;
d - толщина материала в свариваемом сечении, см.
hU -
эффективный КПД дуги;
ht -
термический КПД процесса проплавления (ht=0,485);
Численные значения параметров V и U подбираются по литературным источникам:
V = 25-30
м/ч, возьмем V=28 м/ч, V=0,78 см/с;
U = 12-15 В, берем U=13 В.
ht = 0,485;
ТПЛ = 1440 °С;
TПЕР
=0,2*TПЛ=0,2*1440=288 °С;
ρ = 7,86 г/см3;
а = 0,05 см2/с;
d = 3 мм;
L = 250 Дж/г;
С = 0,628 Дж/г °С.
Площадь проплавления FПР считается по следующей приближенной
формуле:
(2)
где δ - толщина
свариваемого сечения.
Теплосодержание расплавленного металла hПЛ в
сварочной ванне определяется из соотношения:
(3)
где С - удельная теплоемкость, Дж/г ºС;
ТПЛ - температура плавления металла, ºС;
ТПЕР - температура перегрева металла в сварочной ванне
(обычно принимают ТПЕР = 0,2ТПЛ), ºС;
L - скрытая теплота плавления, Дж/г.
Величина сварочного тока:
Полученное значение сварочного тока не входит в диапазон
литературных данных: 140-180 А. Значения выберем из справочных данных.
Таблица 3.1 - Режимы автоматической в среде Ar неплавящимся электродом
с присадочной проволокой \9\
|
δ, мм
|
Число слоев
|
d непл. эл мм
|
Iсв, А
|
Uсв, В
|
Vсв, м/ч
|
d пр.
|
V пр, м/ч
|
QЗГ, л/мин
|
|
3
|
1
|
2
|
140-180
|
12-15
|
25-30
|
1,6
|
65
|
12-16
|
Для полуавтоматической сварки режимы выберем из справочных
данных
Таблица 3.2 - Режимы полуавтоматической сварки в
среде Ar плавящимся электродом
|
δ, мм
|
Число слоев
|
dэл, мм
|
Iсв, А
|
Uсв, В
|
V пр, м/ч
|
QЗГ, л/мин
|
|
3
|
1
|
1,2
|
230-260
|
24-28
|
100-140
|
6-8
|
3.4 Выбор
оборудования и вспомогательных материалов
К сварочному оборудованию относят основное технологическое
оборудование, обеспечивающее процесс сварки и его регулирование: источники
питания, сварочные головки, сварочные горелки и плазмотроны, машины для
контактной сварки, установки для лазерной и электронно-лучевой сварки, печи и
высокочастотные установки для пайки и т.д., а также механическое оборудование
сварочного производства: вращатели, кантователи, колонны и др.
К сварочным материалам относятся материалы, которые
расходуются при сварке с целью получения неразъемного соединения: сварочная
проволока, сварочные электроды, флюсы и газы
3.4.1
Автоматическая дуговая сварка неплавящимся электродом с присадочной проволокой
Для автоматической сварки неплавящимся электродом (первый
проектный вариант) необходимы источник питания, сварочная головка с подающим
механизмом, вращатель и колонна.
) Головка для аргонодуговой сварки неплавящимся электродом с
системой слежения за длиной дуги "АСГВ-4АРК"
Предназначена для автоматической аргонодуговой сварки
неплавящимся электродом изделий из конструкционных, нержавеющих, жаропрочных
сталей и сплавов, непрерывно горящей и импульсной дугой постоянного и
переменного тока с поперечными колебаниями электрода относительно стыка.
Таблица 3.3 Технические характеристики АСГВ-4АРК
|
Номинальный
сварочный ток при ПВ = 60%, А
|
400
|
|
Номинальное
напряжение питающей сети, В
|
380/220
|
|
Максимальная
потребляемая мощность, кВт
|
19,5
|
|
Диаметр
вольфрамового электрода, мм
|
1 - 5
|
|
Диаметр
присадочной проволоки, мм
|
0,8-2
|
|
Диапазон
регулирования стабилизированной скорости подачи присадочной проволоки, м/ч
|
8-80
|
|
Установочные
перемещения горелки, ручное и механизированное, мм
|
100
|
|
Угол наклона
горелки в плоскости сварки, град.
|
± 90
|
|
Амплитуда
колебаний горелки, мм
|
± 1-4
|
|
Частота
колебаний горелки, колеб/сек
|
0,5-2,5
|
|
Используемый
источник питания
|
ВСВУ-400
<#"866791.files/image013.gif">
1 - горелка; 2 - механизм крепления
горелки; 3, 9 - механизмы соответственно вертикального и поперечного
перемещения; 4, 7 - приводы; 5, 8 - блоки тахогенератора; 6
- катушка; 10 - кронштейн крепления головки; 11 - редуктор подачи
присадочной проволоки; 12 - устройство для крепления индуктивного
датчика; 13 - датчик
Рисунок 3.4.1 - Подвесная сварочная головка АСГВ
) Головка АСГВ-4АРК комплектуется источником питания с
крутопадающей ВАХ - ВСВУ-400
Рисунок 3.4.2 - ВСВУ - 400
Таблица 3.4 - Технические характеристики ВСВУ-400
|
Диапазоны
регулирования сварочного тока при непрерывной и импульсной сварке, А
|
5-400
|
|
Диапазон
регулирования дежурного тока, А
|
5 - 100
|
|
Диапазон
регулирования длительности импульса и паузы, с.
|
0,04 - 2
|
|
Номинальный
сварочный ток при ПВ= 60% (ВСВУ-250 ПВ=100%) и длительности цикла 60 мин, А
|
400
|
|
Номинальное
рабочее напряжение, В
|
30
|
|
Потребляемая
мощность, кВА
|
21
|
|
Номинальное
напряжение трёхфазной питающей сети частотой 50 Гц, В
|
380
|
|
Напряжение
холостого хода, В
|
100
|
|
Габаритные
размеры, мм
|
920х590х800
|
|
Масса, кг
|
240
|
) Сварочная колонна КСА. Предназначена для размещения
сварочных головок.
Технические характеристики КСА
|
Верхний ход
консоли, мм
|
1600
|
|
Вылет консоли,
мм
|
2000
|
|
Угол поворота
консоли вокруг оси колонны, град
|
360
|
|
Маршевая
скорость (шасси), м/с
|
не менее 0,1
|
|
Нагрузка на
конец консоли, кН
|
2
|
|
Электропитание,
В
|
380
|
|
Габариты мм
|
4400х1950х3480
|
|
Масса, кг
|
2850
|
В проектируемых способах сварки для вращения изделия
используем специализированное оборудование, выполненное в виде мотор-редуктора
ЗМВ-63 /9/ с присоединённой к нему сборочно-сварочной оснасткой.
Рисунок 3.4.3 - Мотор-редуктор ЗМВ - 63.
Характеристика мотор-редуктора:
® Передаточное отношение 158
® Крутящий момент 80 Н*м
® Скорость 9 об/мин
Характеристика электродвигателя:
® Мощность 0,12 кВт
® Номинальная скорость 1500об/мин
® КПД редуктора 81%
3.4.2
Полуавтоматическая сварка плавящимся электродом
Для данного способа будем использовать полуавтомат ПДГ-312-5.

Рисунок 3.5 - полуавтомат ПДГ-312-5
Полуавтомат ПДГ-312-5 предназначен для сварки стальной
проволокой изделий из стали в среде защитных газов на постоянном токе.
Полуавтомат состоит из подающего механизма ПДГ-312-5 и
выпрямителя ВДГ-303-3. подающий механизм закрытого типа. Внутри установлен 2-х
роликовый редукторный привод, кассета для сварочной проволоки, тормозное устройство,
плата управления и электромагнитный клапан. На лицевой панели управления
имеются резисторы регулировки длительности режима сварки электродуговыми
точками, скорости подачи сварочной проволоки и напряжения.
Полуавтомат обеспечивает:
Управление газовым клапаном, подающим механизмом и сварочным
источником от кнопки на горелке
плавную регулировку и стабилизацию скорости подачи сварочной
проволоки и плавноступенчатую регулировку напряжения
Регулировку времени продувки защитного газа до и после
сварки, скорости нарастания сварочного тока, времени задержки выключения
источника после прекращения подачи сварочной проволоки
Подключается к любому типу сварочных источников других
производителей через блок питания БП-02.
Комплектуется немецкой горелкой фирмы "Binzel".
Возможность подключения водоохлаждаемой горелки
Обеспечивает установку кассеты (диаметром 300мм) с проволокой
весом 15 кг.
Универсальное тормозное устройство, соответствует
европейскому стандарту.
Обеспечивает стабилизацию скорости подачи сварочной проволоки
и обратную связь по напряжению на двигателе подачи сварочной проволоки, что
позволяет производить качественную сварку на расстоянии до 40 метров от
сварочного источника.
Мобильный в перемещении (на колесиках), возможна установка на
турель.
Полуавтомат имеет следующие технические решения:
работа в двух режимах " длинные" или
"короткие" швы
подключение горелки производится через евроразъём
зубчатое зацепление подающего и прижимного роликов
Технические характеристики
Технические характеристики ВДГ-303-3 ПДГ-312-5 Напряжение
питающей сети, В 380 27 Частота питающей сети, Гц 50 - Номинальный сварочный
ток, А 315 (60) 315 Номинальный режим работы ПВ% 60 60 Пределы регулирования
сварочного тока, А 40-325 - Напряжение холостого хода, В не более 60 - Скорость
подачи электродной проволоки, м/ч - 70-930 Диаметр электродной проволоки, мм -
0,8-1,4 Количество ступеней регулирования рабочего напряжения 3 - Пределы
регулировки рабочего напряжения, В 16-40 - Мощность привода, Вт - 200
Потребляемая мощность, кВт не более 16,8 - Масса полуавтомата, кг 200 12
Размеры (ДхШхВ) 735х605х750 225х650х400
3.5 Выводы по
разделу
а) Разработанный технологический вариант Проектный №1 -
автоматическая аргонодуговая сварка неплавящимся электродом с присадочной
проволокой. Сварочное оборудование - сварочная головка АСГВ-4АРК с источником
питания ВСВУ-400
б) Разработанный технологический вариант Проектный №2 -
полуавтоматическая аргонодуговая сварка плавящимся электродом. Сварочное
оборудование - полуавтомат ПДГ-312-5 с источником питания ВДГ-303-3.
в) Механическое оборудование:
· мотор - редуктор ЗМВ-63 - применяется для
обоих разработанных вариантов
· сварочная колонна КСА - применяется для
проектного варианта №1
4. Разработка
технического предложения на проектирование технологического оснащения
Эффективность технологического процесса определяется в
значительной степени оснащенностью технологической операции, что способствует
повышению производительности, точности, качества изделия.
Конструкция приспособления должна отвечать ряду требований,
которые необходимо учитывать при выборе, как отдельных его элементов, так и
общей компоновки:
- приспособление должно обеспечивать
повышение производительности труда по сравнению с базовым;
- должна обеспечиваться возможность удобного
выполнения операции, простота установки, закрепления и съема изделия;
- проектирование должно осуществляться с
максимальным использованием нормализованных деталей и узлов и их унификацией;
- приспособление должно быть
ремонтопригодным, безопасным в эксплуатации. /7/
4.1
Техническое задание на проектирование технологического оснащения
"Утверждаю"
заведующий кафедрой ОиТСП
___________В.В. Атрощенко
"____"____________2009 г.
ТЕХНИЧЕСКОЕ ЗАДАНИЕ
на проектирование технологического оснащения
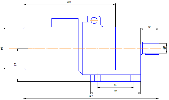
Спроектировать приспособление разжимное для сварки штуцера
20-150
Наименование оснастки: Приспособление сварки штуцера
20-150.
2 Назначение оснастки: Приспособление для сварки
штуцера 20-150.
Технические требования к оснастке
3.1 Спроектировать приспособление согласно эскизу рабочего
чертежа.
3.2 Количество одновременно устанавливаемых изделий -
одно.
.3 Способ установки и съёма изделий - ручной.
.4 Способ закрепления изделий - механизированный.
.5 Вид привода и параметры системы питания
3.5.1 Для вращения изделия - мотор-редуктор ЗМВ-63, подвести
напряжение 380 В от заводской сети частотой 50 Гц.
3.5.2 Для закрепления изделия - устройство с пневмоприводом,
подвести давление воздуха 0,6 МПа от заводской сети.
3.6 Требования по ОТ и ТБ - в соответствии с Правилами
безопасности труда при эксплуатации электросварочного оборудования.
3.7 Дополнительные требования - не предъявляются.
Задание разработал: Мингазов Ф.Ф.
(подпись)
Задание согласовано:
Консультант Яковлев Г.Х.
(подпись)
4.2
Назначение и область применения технологического оснащения
Основным назначением разрабатываемого технологического
оснащения является фиксация и закрепление собираемого сварного узла в заданном
положении. Основными закрепляющими элементами разрабатываемого технологического
оснащения являются цанговый разжимы и прижим. Разрабатываемое приспособление
применяется в операции сварки кольцевых швов штуцера 20-150.
В качестве привода разжимов и прижима используется
пневматический привод. Область и масштабы применения пневматического привода
обусловлены его достоинствами и недостатками, вытекающими из особенностей
свойств воздуха. В отличие от жидкостей, применяемых в гидроприводах, воздух,
как и все газы, обладает высокой сжимаемостью и малой плотностью в исходном
атмосферном состоянии (около 1,25 кг/м 3), значительно меньшей
вязкостью и большей текучестью, причем его вязкость существенно возрастает при
повышении температуры и давления. Отсутствие смазочных свойств воздуха и
наличие некоторого количества водяного пара. В связи с этим в пневмоприводах
имеется потребность кондиционирования воздуха, т.е. придания ему свойств,
обеспечивающих работоспособность и продляющих срок службы элементов привода.
Преимущества пневматического привода:
- простота конструкции и технического
обслуживания;
- пожаро- и взрывобезопасность;
- надежность работы в широком диапазоне
температур, в условиях пыльной и влажной окружающей среды;
- значительно больший срок службы;
- высокое быстродействие;
- возможность передачи пневмоэнергии на
относительно большие расстояния;
- отсутствие необходимости в защитных
устройствах от перегрузки давлением у потребителей;
- безопасность для обслуживающего персонала;
- улучшение проветривания рабочего
пространства за счет отработанного воздуха;
- нечувствительность к радиационному и
электромагнитному излучению.
Несмотря на вышеописанные достоинства, применяемость
пневмопривода ограничивается следующими недостатками:
- относительно большой вес и габариты
пневмомашин;
- трудность обеспечения стабильной скорости
движения;
- высокий уровень шума.
4.3 Описание
и обоснование выбранной конструкции технологического оснащения
В качестве пневмодвигателей широко используют пневмоцилиндры
и пневмокамеры одно - и двухстороннего действия и пневмошланги.
Если в приспособлении для сборки и сварки требуется вращение
пневмопривода с изделием, то применяют вращающиеся пневмодвигатели или
вращающиеся пневмомуфты.
4.3.1
Описание аналогов и прототипа
Аналоги это схемы пневмоцилиндров у которых заимствовали
детали и применили на разрабатываемом технологическом оснащении.
У аналога 1 состоящего из ножек (1), корпуса (2), стяжек (3),
штока (4), гайки (5), крышки передней (6), крышки задней (7), гайки (8), поршня
(9) заимствовали наибольшее число деталей (позиции 1-9).
Рисунок 4.3.2 - схема аналога 1
Для сохранения герметичности между крышками (6,7) и корпусом (2)
пневмоцилиндра следует применить уплотнительные кольца 6.
Аналог 2 это пневмопривод встраиваемый в станочные приспособления,
предназначен для работы на сжатом воздухе при давлении до 1 МПа со скорость
перемещения штока не более 0,5м/с. Аналог 2 состоит из: корпуса (1), штока (2),
поршня (3), отверстий (4,10) для входа и выхода воздуха, а так же крышки (5,8)
передней и задней, и болт (6), гайка (7), манжеты (9). Из этого пневмопривода
взяли корпус (позиция 1), шток (позиция 2), поршень (позиция 3), крышки
(позиции 5,8), гайку (позиция 7).
Рисунок 4.3.2 Схема аналога 2
Недостатком аналога 2 является встраиваемость в станочные
приспособления.
Аналог 3 пневматический цилиндр двустороннего действия с
односторонним штоком предназначен для работы на сжатом воздухе при давлении до
1 МПа и температуре от - 45 до +700С со скоростью перемещения штока
не более 0,5 м/с для диаметров D св.160 мм и не
более 1м/с для цилиндров диаметром D до 160
мм включительно. Аналог состоит из: отверстий для входа и выхода воздуха (1,7),
крышки задней и передней (2,6), а так же корпуса (3), штока (4), поршня (5) и
манжеты (8) предназначенной для плотного соединения что бы предотвратить
пропускания воздуха то есть сделать пневмоцилиндр герметичным, гайка (9.) Из
данного аналога выбрана корпус (позиция 3), шток (позиция 4), поршень (позиция
5), крышки (позиция 6,8), гайка (позиция 9).
Рисунок 4.3.3 - Схема аналога 3
Недостатком этой конструкция является: отверстия для подачи и
выхода воздуха, а также поршень предназначенный для больших давлений.
4.4
Работоспособность, надежность и ремонтопригодность конструкции технологического
оснащения
Разумный подход к получению высокой надежности состоит в
проектировании изделия из простых, по возможности с меньшим числом деталей.
Все детали разработанного приспособления имеют простые
цилиндрические, круговые формы, изготавливаются точением на токарных и фрезерных
станках.
Тяжелонагруженные детали следует изготавливать из
углеродистых и легированных сталей: материал штока - Сталь 45.
Наиболее изнашивающиеся детали - манжеты и уплотнительные
кольца. Эффективной мерой повышения надежности является хорошая система смазки.
Сжатый воздух должен обладать необходимым количеством масла для смазки трущихся
поверхностей. С этой целью в системе пневмопривода следует установить
маслораспылитель В44-23.
Уплотнения подвижных соединений подлежат замене при падении
давления, превышающим на 50% установленную норму для новых цилиндров.
Сжатый воздух, поступающий в пневмоцилиндр, должен быть
очищен от загрязнений и влаги. Для этого в пневмосистеме следует установить
фильтр-влагоотделитель.
Конструкция разработанного приспособления обеспечивает легкую
доступность к деталям для осмотра и замены. В качестве ремонтного узла следует
выделить шток в сборе с валом и крышкой.
4.5 Ожидаемые
технико-экономические показатели
Технико-экономическая эффективность в машиностроении часто
определяется степенью механизации и автоматизации, что объясняется значительным
снижением трудоемкости производства.
Проектный вариант изготовления штуцера 20-150 с применением
технологической оснастки технологически целесообразнее, так как позволяет
избавиться от прихваток деталей изделия. Применение цангового разжимного
приспособления позволяет сваривать кольцевые швы на медных подкладках.
Применение разработанной оснастки в проектном варианте
позволит увеличить производительность в 1,5 раза при меньшем расходе технологической
энергии.
4.6 Уровень
стандартизации и унификации
К числу основных методов стандартизации относятся унификация.
Унификация - это деятельность по рациональному сокращению
числа типов деталей, агрегатов одинакового функционального назначения. К
основным видам унификации относят конструкторскую и технологическую унификацию.
При этом первая предполагает унификацию изделий в целом и их составных частей
(деталей, узлов, комплектующих изделий и т.п.), а вторая - унификацию
нормативно-технической документации (стандартов, технических условий,
инструкций, методик, руководящих документов, конструкторско-технологической
документации и др.).
Унифицированы применяемые болты, винты, гайки - все крепежные
элементы. При общем числе установленных болтов равном 16, типоразмеров 4,
винтов при общем числе 5 типоразмеров 2.
Все применяемые уплотнительные кольца и манжеты исполнены по
ГОСТ 18829-73 и ГОСТ 14896-84.
4.7 Выводы по
разделу
а) Разрабатываемое приспособление применяется в операции
сварки кольцевых швов штуцера 20-150. В качестве привода разжимов используется
пневматический привод.
б) Тяжелонагруженные детали следует изготавливать из
углеродистых и легированных сталей: материал штока - Сталь 45, материал штифтов
- Сталь 45Х.
в) В качестве ремонтного узла следует выделить шток в
сборе с валом и крышкой.
г) Уплотнения подвижных соединений подлежат замене при
падении давления, превышающим на 50% установленную норму для новых цилиндров.
д) Применение разработанной оснастки в проектном
варианте позволит увеличить производительность в 1,5 раза при меньшем расходе
технологической энергии.
5. Разработка
технологического оснащения
5.1 Описание
технологического оснащения и принципа его работы
Проектируемое технологическое оснащение представляет собой
разжимное приспособление с пневмоцилиндром предназначенное для механизации
сварки штуцера 20-150, а именно для центровки и фиксации деталей в требуемом
положении, обеспечивая точность и производительность сборки. Схема
приспособления приведена на рисунке 4.6.
Рисунок 5.1.1 - схема приспособления
Приспособление состоит из пневмоцилиндра с валом 1 на котором
устанавливаются фланец и патрубок. С другой стороны установлен корпус с цангой
2 на которую устанавливается патрубок. После установки осуществляется подача
воздуха в полость цилиндра. Под действием напора воздуха поршень, шток начинают
двигаться. На штоке пневмоцилиндра при помощи винтов установлен вал, на котором
установлены пружина с шайбой. Шайба 14 под действием пружины 12 осуществляет
предварительный зажим деталей. Затем под действием усилия конуса на лепестки
цанги происходит поджатие деталей изделия, по месту стыка.
Далее выполняется настройка параметров режима сварки штуцера
20-150 (ток, напряжение, расход Ar и т.д.), после
чего выполняется сварка. Вращение изделия осуществляется при помощи
мотор-редуктора. Приспособление крепится к столу 3 при помощи болтов.
После сварки изделие извлекают из приспособления кладут в спец.
тару.
5.2 Расчет
силы для прижатия изделий
Расчет силы поджатия
Усилие прижима определяют из условия, что силы прижатия Р
обеспечивают необходимую силу трения между опорными поверхностями
приспособления и свариваемого изделия и препятствуют его выпадению. Тогда
усилие поджатия определяется из выражения /7/:
где К »» 1,5 - коэффициент запаса по отсутствию сдвига;»» 0,2 -
коэффициент трения между опорными поверхностями;= 3,2 - масса изделия, кг.
Тогда усилие предварительного поджатия:
5.3 Расчёт
усилия на штоке и усилия разжатия деталей
Расчет усилия разжатия производится по формуле:

где [s] рас
- расчетное допускаемое напряжение, Па;
S - толщина стенки оболочки, м.;
D - диаметр оболочки, м.
На рисунке 6 приведена расчетная схема.
Рисунок 5.3.1 - Расчетная схема.
Расчетное допускаемое напряжение [s] рас определяется из условия работы материала оболочки
в пределах упругости и не должно превышать предела упругости [s] 0.2 при любых сочетаниях
внешних факторов:
[s] рас =
[s] 0.2/Кзап, (6)
где Кзап - коэффициент запаса (4…10).
Коэффициент запаса Кзап определяется:
Кзап=К1. К2. К3.
К4. К5. К6, (7)
где K1 - коэффициент, учитывающий отклонение толщины
стенки и механических свойств оболочки, K1 =l,l.1,2;2 -
коэффициент, учитывающий несовершенство расчётов и расчётной схемы, К2
=1,1.1,2;
К3 - коэффициент, учитывающий динамические нагрузки при
работе пневмопривода и гидропривода (удары), К3 =1,5.2,0;
К4 - коэффициент, учитывающий неравномерность
распределения нагрузки, передаваемой от секторов разжатия к обечайке, К4
=1,1.1,3;5 - коэффициент, учитывающий снижение допускаемых
напряжений при высоких температурах, возникающих при сварке, К5
=1,5.2,0;
К6 - коэффициент, учитывающий другие факторы,
возникающие при проектировании, изготовлении и эксплуатации приспособления, К6
=1,2.1,4.
Принимаем К1=1,15; К2=1,15; К3=1,75;
К4=1,2; К5=1,75; К6=1,3.
Кзап=1,15*1,15*1,75*1,2*1,75*1,3=6,32;
[s] 0.2=275МПа
[s] рас =
[s] 0.2/Кзап=275/6,32=43,51
МПа.
находим Ррас Pрас
= [σ] рас
· 2·S/D =
43,51·2·3/21=12,43 МПа
По полученному расчётному давлению Ррас, определяем
требуемое суммарное разжимающее усилие, действующее на все сектора по формуле:
(8)
где - bширина разжимных секторов контактирующих
изделий, м (20 мм);- число разжимных секторов (n=3);пр - усилие возвратной пружины одного сектора,

Осевое усилие штока привода с расположенным на нем конусом для
передачи усилия на толкатели секторов, имеющим угол подъёма определяется:
, (9)
где h - коэффициент, учитывающий трение конуса по
толкателям секторов и секторов по направляющим, h=0,8.0,9.
Если кроме радиального разжима требуется предварительный поджим
свариваемых деталей оболочки в осевом направлении, выполняемый от того же
силового цилиндра, то следует установить пружину поджатия и увеличить усилие на
штоке цилиндра на величину усилия этой пружины. Формула (9) примет вид:
5.4 Расчет
штока пневмопривода поджатия
Схема нагружения штока показана на рисунке 5.4.1
Рисунок 5.4.1 - Схема нагружения штока
Согласно условиям сборки длина штока равна L = 500 мм.
В качестве материала штока выберем сталь 45 с sт=560 МПа. Коэффициент
запаса для расчетов примем n=2.
Шток работает на изгиб и сжатие. Рассчитаем диаметр штока из
условия прочности:
Где Р - общее усилие штока, Н;
А - площадь поперечного сечения штока, мм2;
Wx - момент сопротивления изгибу, мм3;
Мmax - максимальный изгибающий момент, Н. м;
F = 15,6 Н - вес штока с подшипником и втулкой.
Допустимое напряжение согласно формуле (6):
Тогда условие прочности принимает вид:
Из условия прочности (10) получаем значение диаметра штока d ≥ 6,4 мм. Принимаем
диаметр шток из стандартного ряда dшт = 16 мм.
5.5 Расчет размеров
пневмопривода
Выбор пневмопривода проводят на основе расчета осевой силы на
штоке поршня (рисунок 5.5.1.)
¾ 1-корпус;
¾ 2-поршень;
¾ 3-шток;
¾ А и Б - каналы для подачи
сжатого воздуха.
Рисунок 5.5.1 - Схема пневмопривода двустороннего действия
Расчет пневмопривода двустороннего действия производится по
формуле /01/
где:
ц ═
0,4…0,6 - давление сжатого воздуха, MПа;
F - осевое усилие на штоке, Н;
ηц = 0,85…0,9 - КПД пневмопривода,
учитывающие потери на трение;п - диаметр поршня пневмопривода, мм;шт
- диаметр штока, мм.
Определим диаметр поршня пневмопривода двустороннего действия
по силе F и давлению сжатого воздуха Pц.
Принимаем Pц =0,5 МПа и F =4,33.103
Н, dшт= 16 мм, найдем Dп по формуле:
Примем диаметр Dп = 63 мм.
5.5 Расчет
толщины стенки пневмоцилиндра
Рисунок 5.51 - Расчетная схема стенки пневмоцилиндра.
Толщину стенки пневмоцилиндра определим из условия:
[s] ³ s ст, (12)
где - напряжение возникающее в стенке, Па;
Р - давление воздуха, Па;
r - внутренний радиус пневмоцилиндра, м;
d - толщина стенки пневмоцилиндра м;
- допускаемое напряжение в стенке
пневмоцилиндра, Па;
s0,2 - предел текучести материала пневмоцилиндра, Па;
n - коэффициент запаса.
Стенки изготовлены из стали 45, для которой s0,2 = 150 МПа. Исходя из
условий работы пневмоцилиндра коэффициент запаса примем равным
n = 1,5, давление воздуха Р = 0,6 МПа.
Диаметр пневмоцилиндра d = 63 мм.
Для того, чтобы стенки выдерживали максимальные напряжения
должно выполняться равенство:
(13)
Толщину стенки примем, с запасом, d = 5мм (для увеличения
срока службы).
5.6
Определение времени срабатывания пневмоцилиндра
Время срабатывания пневмоцилиндра определяется по формуле
/11/:
где
D = 63 мм - диаметр пневмоцилиндра, мм;
L = 480 мм - ход поршня;
dв = 12 мм - диаметр воздуховода;
v = 17 м/с - скорость течения сжатого воздуха при давлении в
системе 0,63 МПа. /20/
Тогда:
5.7
Определение частоты вращения планшайбы вращателя
Исходя из условия, что скорость сварки , диаметр детали , определим частоту вращения выходного вала
мотор-редуктора:
Длина шва:
(16)
Время сварки:
(17)
Частота вращения трубки:
(18)
Аналогично проведём расчёт для второй детали
Длина шва
Время сварки:
Частота вращения трубки:
Частоту вращения мотор-редуктора примем .
Мотор-редуктор ЗМВ-63 удовлетворяет режимам проведения
сварки.
5.8 Вывод по
разделу
Проектируемое технологическое оснащение представляет собой
цанговое разжимное приспособление с пневматическим приводом предназначенное для
механизации сварки штуцера 20-150, а именно для центровки и фиксации его
деталей в требуемом положении. Приспособление устанавливается на столе и
соединяется с мотор-редуктором через муфту. Усилие на штоке пневмопривода
секторных разжимов, согласно расчету составляет 4,33кН, диаметр штока - 16 мм.
Выбор размера пневмоцилиндра проводился на основе расчета осевой силы на штоке
поршня, диаметр пневмоцилиндра, согласно расчетам 63 мм. Время срабатывания
пневмопривода tc = 0,81 с.
6.
Экономическая эффективность конструкторско-технологических разработок
Изготовление практически любого изделия характеризуется
многовариантностью возможных технологических решений. В зависимости от
выбранной последовательности операций, их характера, способа выполнения, применяемого
оборудования и технологической оснастки будут изменяться затраты на
изготовление изделия. Поэтому при разработке новых технических решений
необходимо выявить их экономическую целесообразность.
Наиболее рациональный вариант выбирают, сопоставляя технико-экономические
показатели базового и проектного вариантов.
Задачей выполнения раздела "Экономическая часть"
является разработка и экономический анализ трех различных вариантов
сборочно-сварочных процессов изготовления сварного штуцера, являющегося узлом
колонны сепарации.
Экономическая эффективность выявляется путем сопоставления
трех вариантов технологического процесса:
а) Базовый вариант - частично механизированная аргонодуговая
сварка неплавящимся электродом с присадочной проволокой;
б) Первый проектный вариант - автоматическая аргонодуговая
сварка неплавящимся электродом с присадочной проволокой.
в) Второй проектный - полуавтоматическая сварка плавящимся
электродом в среде Ar
Годовую программу принимаем равной 98 изделий.
6.1 Затраты
на годовую программу выпуска
Из портфеля заказов количество произведенных штуцеров
предприятием ОАО "Уралтехнострой - Туймазыхиммаш" в 2008 году
составила 98 шт. Примем его за годовую программу. Суммы затрат по вариантам на
годовую программу выпуска приведены в таблице 6.1.1, а величина экономии в
таблице 6.1.2.
Себестоимость продукции - это часть затрат общественного
труда, выраженная в денежной форме, на её изготовление и реализацию.
Изменения технологической себестоимости продукции в
результате внедрения нового проекта определяется на основе сравнения
калькуляции себестоимости единиц продукции по базовому и внедряемому вариантам
с учетом необходимых затрат:
затраты на основные и вспомогательные материалы;
затраты на электроэнергию для технологических целей;
затраты но заработную плату основных и вспомогательных
рабочих;
расходы, связанные с эксплуатацией оборудования.
Таблица 6.1.1 - Суммы затрат по вариантам на годовую
программу выпуска, руб.
|
Базовый, руб
|
Проектный №1,
руб
|
Проектный №2,
руб
|
|
Основные
материалы
|
34561,86
|
34561,86
|
34561,86
|
|
Вспомогательные
материалы
|
1714,84
|
421,40
|
420, 20
|
|
Содержание и
экспл. оборудования
|
1378,87
|
4441,07
|
524,86
|
|
Амортизация
|
626,76
|
2112,94
|
249,44
|
|
Содержание и
экспл. технол. оснастки
|
0,00
|
11,47
|
11,48
|
|
Электроэнергия
для технол. целей
|
146, 19
|
2031,83
|
504,77
|
|
Зарплата
|
1864,26
|
1230,16
|
1551,26
|
|
Себестоимость
годовой программы
|
39666,01
|
42697,78
|
37574,43
|
|
Нормативный
коэф. кап. вложений
|
0,15
|
0,15
|
0,15
|
|
Сумма стоимости
кап. вложений
|
229718,00
|
817351,50
|
100197,30
|
|
Суммарная
привед. себестоимость годовой программы
|
74123,71
|
165300,51
|
52604,03
|
|
|
|
|
|
Таблица 6.1.2 - Величина экономии, руб
|
Величина
экономии в рублях
|
Проектный №1,
руб
|
Проектный №2,
руб
|
|
1
|
Основные
материалы
|
0,00
|
0,00
|
|
2
|
Вспомогательные
материалы
|
1293,44
|
1294,64
|
|
3
|
Содержание и
эксплуатация оборудования
|
-3062, 20
|
854,01
|
|
в т. ч
амортизация
|
-1486,18
|
377,31
|
|
4
|
Содержание и
эксплуатация технологической оснастки
|
-11,47
|
-11,48
|
|
5
|
Электроэнергия
для технологических целей
|
-1885,64
|
-358,58
|
|
6
|
Заработную
плату
|
634,10
|
312,99
|
|
Итого годовой
экономический эффект
|
-91176,80
|
21519,68
|
6.2 Затраты
на производство единицы изделия
1. Базовый вариант - частично механизированная аргонодуговая
сварка неплавящимся электродом с присадочной проволокой;
. Первый проектный вариант - автоматическая аргонодуговая
сварка неплавящимся электродом с присадочной проволокой.
. Второй проектный - полуавтоматическая сварка плавящимся
электродом в среде Ar.
6.2.1 Затраты
на основные материалы
Затраты на основные материалы приведены в
таблице 6.2.1.
Таблица 6.2.1 - Затраты на основные
материалы
|
Марка материала
|
08Х18Н10Т
|
08Х18Н10Т
|
08Х18Н10Т
|
|
Плотность
материала кг/м3
|
7900,00
|
7900,00
|
7900,00
|
|
общая масса
всех деталей, кг
|
3, 20
|
3, 20
|
3, 20
|
|
стоимость
материала, руб/кг
|
107,00
|
107,00
|
107,00
|
|
общие затраты
на все детали, руб
|
342,40
|
342,40
|
342,40
|
|
Затраты на
основные материалы, руб
|
352,67
|
352,67
|
352,67
|
|
Величина
экономии, руб
|
|
0,00
|
0,00
|
6.2.2 Затраты
на вспомогательные материалы
Затраты на вспомогательные материалы
приведены в таблице 6.2.2
Таблица 6.2.2 - Затраты на вспомогательные
материалы
|
Сварочная
проволока
|
Базовый, руб
|
Проектный №1,
руб
|
Проектный №2,
руб
|
|
марка
присадочной проволоки
|
Св 07Х19Н10Б
|
Св 07Х19Н10Б
|
Св 07Х19Н10Б
|
|
диаметр
проволоки
|
2,00
|
1,60
|
1, 20
|
|
масса
израсходованного материала, кг
|
0,01
|
0,01
|
0,01
|
|
цена руб/кг
|
150,00
|
150,00
|
150,00
|
|
ИТОГО
|
1,29
|
1,21
|
1,25
|
|
Электрод
неплавящийся
|
|
|
|
|
марка
|
ЭВЛ
|
ЭВЛ
|
0
|
|
диаметр, мм
|
2,00
|
2,00
|
0,00
|
|
норма расхода,
г/м
|
0, 20
|
0,10
|
0,00
|
|
цена,руб/кг
|
3712,00
|
3712,00
|
0,00
|
|
масса
израсходованного материала, кг
|
0,00
|
0,00
|
0,00
|
|
ИТОГО
|
0,07
|
0,03
|
0,00
|
|
Защитный газ
|
|
|
|
|
марка
|
Аргон 1 сорт
|
Аргон 1 сорт
|
Аргон 1 сорт
|
|
норма расхода,
л/мин
|
7,00
|
7,00
|
8,00
|
|
Кдоп
|
1,44
|
1,44
|
1,26
|
|
всего
израсходовано газа м3
|
0,11
|
0,02
|
0,02
|
|
цена, 1м3
|
140,00
|
140,00
|
140,00
|
|
ИТОГО
|
15,64
|
2,82
|
2,81
|
|
Сжатый воздух
|
|
|
|
|
Давление в пневмосистеме,
Мпа
|
0,00
|
1,00
|
1,00
|
|
норма расхода
м3 на1 изделие
|
0,00
|
0,63
|
0,63
|
|
цена, 1м3
|
0,00
|
0,17
|
0,17
|
|
ИТОГО
|
0,00
|
0,11
|
0,11
|
|
Величина
экономии, руб
|
|
13, 20
|
13,21
|
6.2.3 Затраты
на содержание и эксплуатацию оборудования и технологического оснащения
Затраты на содержание и эксплуатацию оборудования
складываются из затрат на его амортизацию и ремонт.
Амортизация оборудования - это процент постепенного переноса
его стоимости на произведенную продукцию. Она отражает:
степень износа оборудования;
определяет степень уменьшения стоимости оборудования;
обеспечивает аккумуляцию денежных средств в виде
амортизационного фонда - на реновацию основных производственных фондов.
Затраты на ремонт оборудования охватывают затраты на все виды
ремонтов (капитальных, средних, малых), на осмотры и все виды межремонтного
обслуживания, предусмотренные системой планово-предупредительных ремонтов
оборудования.
Определим норму амортизации оборудования. Затраты на
содержание и эксплуатацию оборудования приведены в таблице 6.2.3
Таблица 6.2.3 - Затраты на содержание и эксплуатацию
оборудования
|
Оборудование 1:
Источник питания
|
УДГУ-501
|
ВСВУ-400
|
ВДГ 303-3
|
|
колличество, шт
|
1
|
1
|
1
|
|
загрузка
оборудования,%
|
1,64
|
1,56
|
1,57
|
|
мощность, кВт
|
32,00
|
21,00
|
16,80
|
|
срок службы
оборудования, лет
|
6,00
|
6,00
|
6,00
|
|
стоимость
1маш-часа работы, руб
|
17,41
|
15,08
|
9,90
|
|
общая
стоимость, руб
|
92380,00
|
80000,00
|
52516,00
|
|
Оборудование 2:
марка
|
ГР-4
|
АСГВ-4АРК
|
ПДГ 312-5
|
|
количество, шт
|
1
|
1
|
|
загрузка
оборудования,%
|
1,64
|
1,56
|
1,57
|
|
мощность, кВт
|
0,00
|
19,50
|
0, 20
|
|
срок службы
оборудования, лет
|
6,00
|
6,00
|
6,00
|
|
стоимость
1маш-часа работы, руб
|
1,22
|
28,58
|
4,00
|
|
общая
стоимость, руб
|
6500,00
|
151670,00
|
21210,00
|
|
Оборудование 3:
марка
|
М11010А
|
Т22101
|
Мотор-редуктор
|
|
количество, шт
|
1
|
1
|
1
|
|
загрузка
оборудования,%
|
1,64
|
1,56
|
1,57
|
|
мощность, кВт
|
0,25
|
1,65
|
0,09
|
|
срок службы
оборудования, лет
|
6,00
|
6,00
|
6,00
|
|
стоимость
1маш-часа работы, руб
|
24,66
|
98,95
|
3,34
|
|
общая
стоимость, руб
|
130838,00
|
525060,00
|
17700,00
|
|
Оборудование 4:
марка
|
0
|
Мотор-редуктор
|
0
|
|
количество, шт
|
0
|
1
|
0
|
|
загрузка
оборудования,%
|
0,00
|
1,56
|
0,00
|
|
мощность, кВт
|
0,00
|
0,09
|
0,00
|
|
срок службы
оборудования, лет
|
0,00
|
6,00
|
0,00
|
|
стоимость
1маш-часа работы, руб
|
0,00
|
3,34
|
0,00
|
|
общая
стоимость, руб
|
0,00
|
17700,00
|
0,00
|
|
Суммарная
стоимость оборудования, руб
|
229718,00
|
776430,00
|
93426,00
|
|
Суммарная
стоимость одного машино-часа, руб
|
43,29
|
145,95
|
17,23
|
|
Нормативный
коэффициент кап. вложения
|
0,15
|
0,15
|
0,15
|
|
Коэффициент
затрат на транспортировку и установку
|
1,00
|
1,05
|
1,05
|
|
Затраты на
содержание и эксплуатацию оборудования, руб
|
14,07
|
45,32
|
5,36
|
|
Величина
экономии, руб
|
|
-31,25
|
8,71
|
|
Затраты на
содержание и эксплуатацию техоснастки, руб
|
0,00
|
0,12
|
0,12
|
|
Величина
экономии, руб
|
|
-0,12
|
-0,12
|
|
Затраты на кап
вложение, руб
|
229718,00
|
817351,50
|
100197,30
|
|
Величина
экономии, руб
|
|
-587633,50
|
129520,70
|
6.2.4 Затраты
на технологическую оснастку
Так как в сравниваемых вариантах используется оснастка,
необходимо учесть затраты на ее содержание и эксплуатацию.
Коэффициент затрат на проектирование, Кпр=
1.3.
Коэффициент затрат на эксплуатацию 0,2
Затраты на содержание и эксплуатацию технологической оснастки
приведены в таблице 6.2.4
Таблица 6.2.4 - Затраты на содержание и эксплуатацию
технологической оснастки
|
Технологическая
оснастка
|
|
|
|
|
название
|
0
|
Приспособление
|
Приспособление
|
|
колличество, шт
|
0
|
1
|
1
|
|
загрузка тех
оснастки,%
|
0,00
|
1,56
|
1,57
|
|
мощность, кВт
|
0,00
|
0,00
|
0,00
|
|
срок службы
техоснастки, лет
|
0,00
|
6,00
|
6,00
|
|
стоимость
1маш-часа работы, руб
|
0,00
|
0,38
|
0,38
|
|
общая
стоимость, руб
|
0,00
|
2000,00
|
2000,00
|
6.2.5 Затраты
на электроэнергию
Затраты на электроэнергию по сварочной операции приведены в
таблице 6.2.5
Таблица 6.2.5 - Затраты на электроэнергию
|
Средний
сварочный ток, А
|
100,0
|
160,0
|
220,0
|
|
Среднее
напряжение на дуге, В
|
11,0
|
23,0
|
20,0
|
|
КПД источника
питания
|
0,7
|
0,7
|
0,7
|
|
Суммарная
мощность оборудования, кВт
|
1,8
|
26,5
|
6,6
|
|
Стоимость 1
КВт/час электроэнергии, руб
|
2,52
|
2,52
|
2,52
|
|
Затраты на
электрэнергию для технологических целей, руб
|
1,5
|
20,7
|
5,2
|
|
Величина
экономии, руб
|
|
-19,2
|
-3,7
|
6.2.6 Затраты
на заработную плату основных производственных рабочих
Затраты на заработную плату основных
производственных рабочих приведены в таблице 6.2.6
Таблица 6.2.6 - Затраты на заработную плату
основных производственных рабочих
|
Разряд рабочего
|
5
|
3
|
4
|
|
Часовая
тарифная ставка, руб
|
26,93
|
18,60
|
23,43
|
|
Коэффициент
учитывающий дополнительную зарплату (премии)
|
1,50
|
1,50
|
1,50
|
|
Коэффициент
учитывающий отчисления на соц. страх
|
1,26
|
1,26
|
1,26
|
|
Районный
коэффициент
|
1,15
|
1,15
|
1,15
|
|
Затраты на
заработную плату, руб
|
19,02
|
12,55
|
15,83
|
|
Величина
экономии, руб
|
|
6,47
|
3, 19
|
6.2.7
Определение капитальных вложений по сравниваемым вариантам
Капитальные вложения, принимаемые к расчету при определении
сравнительной экономической эффективности спроектированного технологического
процесса равны:
К = Кпр + Ксопр + Ксопут+ Книр,
(19)
где Кпр - прямые капвложения в предприятие -
изготовитель, руб.;
Ксопр - сопряженные капвложения, руб.;
Ксопут - капвложения в сопутствующие отрасли,
руб.;
Книр - капвложения, обусловленные выполнением
научно-исследовательских работ, руб.
Прямые - охватывают вложения в основные фонды и оборотные
средства предприятия-изготовителя, на размер которых влияет внедрение новой
техники, технологии.
Сопряженные - вложения в предприятия, обеспечивающие
предприятие постоянно возобновляемыми элементами оборотных фондов. Рассчитываются
в случае если применение средств и способов на предприятии вызывает изменение
основных и оборотных фондов на других предприятиях.
Сопутствующие - вложения в объекты, связанные территориально
и функционально с предприятием - изготовителем продукции.
Капитальные вложения на выполнение научно-исследовательской
работы охватывают вложения в лабораторное оборудование, экспериментальные
установки, приборы, здания и сооружения лабораторий.
Последние три составляющих капвложений не рассчитываем т.к.
они не требуются. Прямые капвложения определяются методом прямого счета
отдельных элементов вложений:
Кпр = Ко + Кзд + Ку +
Косн + Кинв + Км + Кз + Кб,
(20)
где Ко - кап. вложения в требуемое оборудование,
руб.; Кзд - в здания; Ку - в сооружения и устройства; Косн
- в оснастку; Кинв - в инвентарь; Км - в запасы
материалов; Кз - в заделы изделий; Кб - в оборотные
средства по составляющей расходов будущих периодов. Капвложения в здания,
сооружения, инвентарь, капвложения в запасы материалов, в заделы и оборотные
средства по составляющей расходов будущих периодов не рассчитываются, т.к. они
одинаковы по всем вариантам.
Суммарная стоимость капитальных вложений приведены в таблице
6.1.1
6.3
Определение экономической целесообразности внедрения проектных технических
решений
Расчеты экономической целесообразности внедрения
предлагаемого (отобранного) технического решения в современных условиях
дополняются (с определенной степенью условности) калькулированием полной
себестоимости сварного изделия, определением возможной отпускной цены (с учетом
и без учета НДС), балансовой и чистой прибыли (с учетом налога на прибыль).
Перечень этих показателей и методика их расчета дается в таблице 6.3.1
Таблица 6.3.1 - Калькуляция на изготовление узла изделия для
базового и проектного вариантов, руб.
|
№
|
Наименование
статей калькуляции
|
Базовый
|
Проектный №2
|
|
1
|
Основные
материалы
|
352,67
|
352,67
|
|
2
|
Вспомогательные
материалы
|
17,5
|
4,29
|
|
3
|
Покупные
полуфабрикаты
|
0
|
0
|
|
4
|
Прочие прямые
материальные затраты
|
0
|
0
|
|
5
|
Итого прямые
материальные затраты
|
370,17
|
356,96
|
|
6
|
Основная
заработная плата производственных рабочих,
|
43,36
|
37,72
|
|
в том числе:
|
|
|
|
6,1
|
а) по тарифу
(расценкам)
|
26,93
|
23,43
|
|
6,2
|
б) премия
[0,4хстр.6.1]
|
10,77
|
9,37
|
|
6,3
|
в) районный
коэффициент [0,15х (стр.6.1+6.2)]
|
5,66
|
4,92
|
|
7
|
Дополнительная
заработная плата производственных рабочих [0,1хстр.6]
|
4,34
|
3,77
|
|
8
|
Отчисления на
соц. Нужды - ЕСН 0,26х [стр (6 + 7)]
|
12,40
|
10,79
|
|
9
|
Расходы по
содержанию и эксплуатации оборудования
|
14,07
|
5,36
|
|
10
|
Затраты на
технологич. энергию
|
1,5
|
5,2
|
|
11
|
Технологическая
себестоимость изделия (Ст)
|
445,83
|
419,80
|
|
12
|
Цеховые расходы
[1.2хстр.6]
|
52,03
|
45,27
|
|
13
|
Цеховая
себестоим. (стр. с 1 по 12) (Сцех)
|
497,86
|
465,07
|
|
14
|
Общезаводские
расходы [1,4хстр.6]
|
60,70
|
52,81
|
|
15
|
Прочие
производственные расходы
|
|
|
|
[0,175х (стр.6
+ 7 + 8 + 10 + 12)]
|
19,88
|
17,98
|
|
16
|
Производственная
себестоимость
|
|
|
|
[стр.13+ 14 +
15] (Спр)
|
578,45
|
535,86
|
|
17
|
Внепроизводственные
(ком.) расходы
|
|
|
|
[0,02хстр.16]
|
11,57
|
10,72
|
|
18
|
Полная
себестоим. (стр.16+17) (Сп)
|
590,01
|
546,58
|
|
19
|
Оптовая цена
изд. без НДС
|
|
|
|
(из расчета
сложивш. в отрасли рентаб. в 25%) * (стр.18х0,25) +стр.18
|
737,52
|
683,22
|
|
20
|
НДС (18%) =
[0,18х (стр.5-стр. 19)] /1,18
|
56,04
|
49,77
|
|
21
|
Отпускная цена
изделия с НДС (стр. 19+стр. 20)
|
793,55
|
732,99
|
Оптовая цена без НДС и свободная отпускаемая цена получились
меньше по сравнению с базовым вариантом связи с изменением технологии сварки.
Снижение цен не рационально, поэтому оптовую цену без НДС и отпускаемую цену
оставляем на прежнем уровне.
Таблица 6.3.2 - Расчет прибыли и рентабельности
|
№
|
|
Базовая
|
Проектный №1
|
|
п/п
|
|
На 1 изд.
|
Прогр.
|
На 1 изд.
|
Прогр.
|
|
1
|
2
|
3
|
4
|
5
|
6
|
|
1
|
Расчетная
программа выпуска в шт.
|
1
|
98
|
1
|
|
2
|
Отпускная цена
изделия без НДС (табл.2 стр. 19), руб.
|
737,52
|
737,52
|
737,52
|
737,52
|
|
3
|
Выручка (возможная)
от реализации (стр.1×
стр.2), руб.
|
737,52
|
72276,83
|
737,52
|
72276,83
|
|
4
|
Полная
себестоимость изделия (табл.2 стр.18), руб.
|
590,01
|
57821,47
|
546,58
|
53564,80
|
|
5
|
Баланс. Прибыль
от реализации (стр.2 и стр.3 минус стр.4), руб.
|
147,50
|
14455,37
|
190,94
|
18712,04
|
|
6
|
Налог на
прибыль (24%), (стр.5×0,24),
руб.
|
35,40
|
3469,29
|
45,83
|
4490,89
|
|
7
|
Чистая прибыль
(стр.5 минус стр.6 соответственно), руб.
|
112,10
|
10986,08
|
145,11
|
14221,15
|
|
8
|
Рентабельность
изделия
|
|
|
|
|
|
- по общей
(баланс.) прибыли стр.5/4
|
0,25
|
0,25
|
0,35
|
0,35
|
|
- по чистой
прибыли стр.7/4
|
0, 19
|
0, 19
|
0,27
|
0,27
|
|
9
|
Распределение
чистой прибыли, руб.
|
|
|
|
|
|
- фонд
накопления (около 60%)
|
67,26
|
6591,65
|
87,07
|
8532,69
|
|
- Фонд
потребления (около 30%)
|
33,63
|
3295,82
|
43,53
|
4266,34
|
|
- прочие фонды
(около 10%)
|
11,21
|
1098,61
|
14,51
|
1422,11
|
Оценка экономической эффективности целесообразности внедрения
предложенного технического решения с учетом фактора времени (дисконтирования) и
влияния внешних факторов включает расчет и оценку показателей.
6.4 Определение
экономической целесообразности предлагаемого технологического процесса
Экономия в производстве достигается за счет совершенствования
технологического процесса. Внедрение новой, более совершенной технологии
позволяет повысить производительность труда, повысить его качество - за счет
комплексной механизации и автоматизации производства.
. Коэффициент экономии определяется по формуле:
, (21)
где ЗПА - затраты на изготовление деталей по
базовой технологии,
ЗПР
- затраты на изготовление деталей по проектируемой технологии.
. Коэффициент суммы дисконтирования равен:
(22)
где, Е = 13% банковская ставка; t =3 года, срок
морального старения разрабатываемого технологического процесса,
. Коэффициент аннуитета равен
(23)
КАН - распределяет
дисконтированную сумму, для которой наступил срок погашения, как равные суммы
платежей (аннуитет) с учетом процента на 3 года.
. Приведенная стоимость экономии равна:
(24)
. Чистый дисконтированный доход равен:
, (25)
где
- разность кап. вложений.
. Ежегодные платежи в счет расхода на приобретение равны:
(26)
. Аннуитет равен:
(27)
. Внутренняя норма доходности определяется по формуле:
(28)
При ставках Е1=13% и Е2=14%
коэффициент суммы дисконтирования КД будет равен
соответственно 2,361 и 2,321;
тогда ЧДД1=180328,66 руб. и ЧДД2= 179466,7
руб.
Внутренняя норма доходности равна:
Норма амортизации без учета фактора времени
(29)
Годовые амортизационные отчисления:
А=DК× а=-129521×0,33=42741,83
руб. (30)
Норма амортизации с учетом времени:
(31)
Амортизационные отчисления с учетом фактора времени
(32)
Норма амортизации с учетом инфляции:
, (33)
где
, (34)
где r = 4% уровень инфляции, тогда
Амортизационные отчисления с учетом инфляции:
Выбор оптимального варианта техники обязательно должен
сопровождаться расчетом срока окупаемости дополнительных капитальных вложений Ток:
(35)
6.5
Определение критического объема производства
Удельные переменные затраты (Зперем) равны
сумме материальных затрат и затрат на заработную плату:
Зперем= Зом+Звсп+Ззпо+Зплд+Зрсэо=352,67+4,29+15,83+3,77+5,36=381,92
руб.
Где Зом - затраты на основные материалы,
руб.;
Звсп - затраты на
вспомогательные материалы, руб.;
Ззпо - затраты на зарплату по
тарифу производственных рабочих, руб.;
Зплд - затраты на дополнительную
зарплату производственных рабочих, руб.;
Зрсэо - расходы на содержание и
эксплуатацию оборудования, руб.
Доля переменных затрат (Зпост), погашение,
которых должно быть произведено за счет выручки от продаж изделия, равно сумме
затрат на маркетинг и условно-постоянных затрат в себестоимости выпуска.
Зпост= Зм + Сп
- Зпер ·N (36)
где Зм - затраты на маркетинг (продвижение
товара на рынки сбыта, принимается 0,05 ), руб.;
Сп - полная себестоимость на выпуск продукции, руб.;
N - программа
выпуска, шт.
Зпост= Зм + Сп - Зпер ·N = 0,05×52604,03+ 52604,03 - 381,92·98 = 17806
руб.
Критический объем определим по формуле:
(37)
Минимальное количество выпускаемых штуцеров должно быть не ниже 43
шт. В противном случае предприятие будет нести убытки.
6.6 Вывод по
разделу
Таким образом, на основе сравнительного экономического
анализа установлено, что наиболее рациональным технологическим вариантом
изготовления сварного штуцера является проектный вариант второй -
полуавтоматическая сварка в среде аргона газа сплошной проволокой.
Организация производства штуцера 20-150 по варианту Проектный
№2 при годовом плане выпуска 98 шт. экономически целесообразна, критический
объем выпуска, согласно результатам расчетов, составляет 43 шт.
7.
Обеспечение безопасных условий труда оператора сварочного полуавтомата
При проектировании и эксплуатации предприятий со сварочным
производством необходимо принять меры по профилактике производственного
травматизма и профессиональных заболеваний, в первую очередь по уничтожению
вредных и опасных производственных факторов, а если ликвидация опасных и
вредных факторов затруднена технически или эконо-мически, по их нейтрализации и
защите от них.
Санитарно-гигиенические условия и обязательные мероприятия по
охране труда в сварочном производстве регламентируются "Системой
стандартов безопасности труда" (ССБТ), "Строительными нормами и
правилами" (СНиП), правилами техники безопасности и производственной
санитарии при выполнении отдельных видов работ, правилами устройства и
безопасной эксплуатации отдельных видов оборудования, едиными требованиями
безопасности к конструкциям оборудования, нормами технологического
проектирования, различными инструкциями, указаниями, правилами и другими
документами.
Задачами выполнения раздела "Безопасность и
экологичность проекта" являются анализ возможных опасных и вредных
факторов на рабочем месте сварщика, разработка мероприятий по снижению уровней
ОВПФ с приведением необходимых расчетов.
Цель выполнения раздела "Безопасность и экологичность
проекта" - обеспечение безопасных и комфортных условий труда сварщика на
посту полуавтоматической сварки в среде защитных газов на основе разработанных
мероприятий.
7.1
Идентификация и анализ опасных и вредных факторов на рабочем месте
При выполнении сварки, наплавки, резки, напылении и пайки
металлов на работающих могут воздействовать вредные и опасные производственные
факторы.
Изготавливаемое изделие штуцер 20-150.
На базовом предприятии сварное изделие изготавливается ручной
аргонодуговой сваркой, что требует от сварщика постоянной концентрации внимания
во время проведения сварки для поддержания длины дуги и наведения электрода на
стык свариваемых кромок, что вызывает быстрое переутомление, перенапряжение
зрительных анализаторов и возникновению нервно - эмоционального напряжения.
Такие нагрузки могут привести к ухудшению зрения, нарушению
функционального состояния сердечно-сосудистой системы и центральной нервной
системы. В связи с вышеизложенным, в данном дипломном проекте для изготовления
изделия ответственного характера было предложено применить полуавтоматическую
сварку плавящимся электродом в среде Ar.
Ниже приведена схема помещения, в котором
располагается рабочее место (рисунок 7.1)
1- подающий механизм ПДГ-312-5
2- спецприспособление
3- стол слесарный
4- стеллаж для заготовок
5- источник питания ВДГ303-3
6- вытяжка местная
Рисунок 7.1 - Схема помещения, в котором располагается
рабочее место
Согласно ГОСТ 12.0.003-74 "Опасные и вредные
производственные факторы. Классификация" идентифицированы следующие
факторы [1]:
· повышенная запылённость и загазованность
воздуха рабочей зоны;
· повышенный уровень шума на рабочем месте;
· повышенное значение напряжения в
электрической цепи, замыкание которой может пройти через тело человека;
· повышенный уровень инфракрасной радиации;
· недостаточная освещённость рабочей зоны.
7.1.1
Повышенная запыленность и загазованность воздуха рабочей зоны
При сварке воздушная среда
производственных помещений загрязняется сварочным аэрозолем, содержащим пыль,
вредные газы и пары.
Количество и состав сварочных аэрозолей,
их токсичность зависят от химического состава сварочных материалов и
свариваемых металлов, вида технологического процесса. Воздействие на организм
выделяющихся вредных веществ может явиться причиной острых и хронических
профессиональных заболеваний и отравлений.
Согласно ГОСТ 12.1.005-88 "Общие санитарно-гигиенические
требования к воздуху рабочей зоны" установлены предельно допустимые
концентрации вредных веществ в рабочей зоне производственных помещений.
В дипломном проекте рассматривается полуавтоматическая сварка
стали 08Х18Н10Т в среде Ar сварочной проволокой 07Х19Н10Б.
В таблице 7.1 представлены предельно допустимые концентрации
(ПДК) вредных веществ в воздухе сварочных цехов, выделяющихся при сварке [2]
Таблица 7.1 - ПДК вредных веществ в воздухе рабочей зоны
сварочных цехов
|
Вещество
|
ПДК (мг/м3)
|
Класс опасности
|
Агрегатное
состояние
|
|
озон
|
0,1
|
1
|
пары
|
|
марганец
|
0,2
|
2
|
аэрозоль
|
|
окись хрома
|
1
|
2
|
аэрозоль
|
|
окись никеля
|
0,5
|
2
|
аэрозоль
|
Скорость движения воздуха у источников
выделения вредных веществ должна быть в пределах, указанных в таблице 7.2 [3]
Таблица 7.2 - Скорость движения воздуха,
создаваемого местными отсосами
|
Технологическая
операция
|
Скорость
воздуха, м/с
|
|
Ручная
электродуговая сварка
|
≥0,5
|
|
Автоматическая
и полуавтоматическая: в углекислом газе в среде аргона
|
≤ 0,5 ≤
0,3
|
|
Резка: газовая
плазменная
|
≥1,0 ≤1,4
|
|
Плазменное
напыление
|
≥1,3
|
Оксид хрома оказывает токсическое воздействие, вызывая
тяжелые ожоги кожи, дерматит, желтуху, бронхиальную астму, язву желудка,
поражение почек.
Марганец оказывает токсичное воздействие на человека. Самое
распространенное заболевание - это болезнь Паркинсона. Также следствием
действия этого токсина являются заболевания центрально-нервной системы,
пневмония.
Озон оказывает раздражающее воздействие вызывающее
раздражение дыхательного тракта и слизистых оболочек.
Никель и его соединения оказывает канцерогенное воздействие,
вызывающее развитие всех видов раковых заболеваний.
С целью обеспечения безопасных условий труда для сварочных
работ с повышенной запыленностью и загазованностью рабочей зоны выполняются
следующие мероприятия:
· механизация и автоматизация сварочных
процессов;
· применение технологических процессов и
оборудования, исключающих или уменьшающих количество вредных веществ,
выделяющихся в рабочей зоне;
· применение общеобменной и местной
вентиляции;
· применение средств индивидуальной защиты;
7.1.2
Повышенный уровень шума рабочей зоны
Шумом называют всякий нежелательный звук.
Вследствие непрерывного воздействия на слух людей шума на производстве может
возникнуть профессиональная глухота или резкая потеря слуха - тугоухость.
Патологические изменения в организме, возникающие в
результате действия шума, классифицируются как шумовая болезнь.
Источниками шума являются сварочная дуга, сварочный источник
питания, установки вентиляции, плазматроны, пневмоприводы, генераторы,
вакуумные насосы и т.д.
Допустимые уровни шума по ГОСТ 12.1.003-83 "Система
стандартов безопасности труда. Шум. Общие требования безопасности" на
рабочих местах производственных помещений и на территории предприятий приведены
в таблице 7.3 Для установок вентиляции допустимые уровни следует принимать на 5
дБ меньше уровней, указанных в таблице 7.3 [1]
Таблица 7.3 - Допустимы уровни шума [4]
|
Вид трудовой
деятельности, рабочие Места
|
Уровни
звукового давления, дБ, в октавных полосах со среднегеометрическими частотами
в Гц
|
Уровни звука и
эквивалентные уровни звука, дБ А
|
|
31,5
|
63
|
125
|
250
|
500
|
1000
|
2000
|
4000
|
8000
|
|
|
Для всех видов
работ на постоянных рабочих местах в производственных помещениях и на
территории предприятий
|
107
|
95
|
87
|
82
|
78
|
75
|
73
|
71
|
69
|
80
|
7.1.3
Повышенное значение напряжения в электрической цепи, замыкание которой может
пройти через тело человека
Неправильная эксплуатация электрического оборудования создает
опасность поражения электрическим током.
Основными причинами поражения электрическим током являются:
воздействие электрического тока, проходящего в сварочной цепи; касание открытых
токоведущих частей и проводов (случайное, не вызванное производственной
необходимостью, или из-за ошибочной подачи напряжения во время ремонтов и
осмотров); касание токоведущих частей через предметы с низким сопротивлением
изоляции; прикосновение к металлическим частям оборудования, случайно
оказавшимися под напряжением и др.
Опасность поражения электрическим током создает также
разнообразное оборудование: источники сварочного тока, электрический привод
(включая пускорегулирующую аппаратуру), электрооборудование
подъемно-транспортных устройств, высокочастотные и осветительные установки и
т.д.
Проходя через живой организм электрический ток производит
действие [5]:
. Термическое - ожоги определённых участков, нагрев
кровеносных сосудов, крови, нервов.
. Электролитическое - разложение крови и других органических
жидкостей.
. Биологическое - раздражение и возбуждение живых тканей организма,
что сопровождается непроизвольными судорожными сокращением мышц, в том числе
мышц сердца и лёгких.
. Механическое - расслоение, разрыв различных тканей
организма.
Все электрооборудование сварочных и сборочно-сварочных цехов
и участков должно соответствовать "Правилам устройства электроустановок
ПУЭ-76" [6] и действующему ГОСТ 12.1.019-79 "ССБТ.
Электробезопасность. Общие требования и номенклатура видов защиты" [5].
7.1.4
Повышенный уровень инфракрасной радиации
Источниками инфракрасного излучения при сварочных работах
являются сварочная дуга, предварительно нагретые тела и нагревательные
устройства.
Воздействие инфракрасного излучения может быть общим и локальным.
При длинноволновом излучении повышается температура поверхности тела, а при
коротковолновом - изменяется температура лёгких, головного мозга, почек и
некоторых других органов человека. При воздействии на глаза наибольшую
опасность представляет коротковолновое излучение. Возможное последствие
воздействия инфракрасного излучения на глаза - появление инфракрасной катаракты
<#"866791.files/image080.gif">
Рисунок 7.2 - Конструкция вытяжных панелей
равномерного всасывания
Эффективность местных отсосов по улавливанию ВВ должна быть
не менее 75%. Оставшееся количество вредных веществ (25%) должно разбавляться
до ПДК общеобменной вентиляцией.
Общеобменная вентиляция предназначена для
ассимиляции избыточной теплоты, влаги и вредных веществ во всем объеме рабочей
зоны помещений.
Она применяется в том случае, если вредные выделения
поступают непосредственно в воздух помещения, рабочие места не фиксированы, а
располагаются по всему помещению. Обычно объем воздуха Lпр, подаваемого в помещение
при общеобменной вентиляции, равен объему воздуха LB, удаляемого из
помещения. Однако в ряде случаев возникает необходимость нарушить это равенство
(рисунок 7.3) [1]. Так, в особо чистых цехах электровакуумного производства,
для которых большое значение имеет отсутствие пыли, объем притока воздуха
делается больше объема вытяжки, за счет чего создается некоторый избыток
давления в производственном помещении, что исключает попадание пыли из соседних
помещений. В общем случае разница между объемами приточного и вытяжного воздуха
не должна превышать 10.15%.
Рисунок 7.3 - Принципиальная схема вентиляции для выбора
соотношения объемов приточного и удаляемого воздуха: а - LB>Lnp. Р1<P2; б - Lв<Lпр, p1>p2
7.2.2 Защита
от повышенного уровня шума рабочей зоны
К средствам звукоизоляции относятся звукоизолирующие
ограждения 1, звукоизолирующие кабины и пульты управления 2, звукоизолирующие
кожухи 3 и акустические экраны 4 (рисунок 7.4) [1].
Их применяют, когда нужно существенно снизить интенсивность
прямого звука на рабочих местах.
Для снижения шума в помещении цеха сварочные трансформаторы,
вращающиеся генераторы, многопостовые генераторы необходимо звукоизолировать,
либо вынести их за пределы рабочего места, участка или помещения.
Рисунок 7.4 - Средства звукоизоляции
7.2.3 Защита
от повышенного значения напряжения в электрической цепи, замыкание которой
может пройти через тело человека
Повышение электробезопасности в установках достигается
применением [1]:
· систем защитного заземления;
· зануления;
· защитного отключения и других средств и
методов защиты, в том числе знаков безопасности и предупредительных
плакатов и надписей.
В системах местного освещения, в ручном электрофицированном
инструменте и в некоторых других случаях применяют пониженное напряжение.
Защитное заземление представляет собой преднамеренное
электрическое соединение металлических частей электроустановок с землей или ее
эквивалентом (водопроводными трубами и т.п.). Схема защитного заземления
представлена на рисунке 7.5:
- трансформатор, 2 - сеть, 3 - корпус
токоприемника, 4-обмотка электродвигателя, 5 - заземлитель, 6 - сопротивление
заземления нейтрали (условно)
Рисунок 7.5 - Схема защитного заземления в сети с
изолированной нейтралью
При наличии заземления вследствие отекания тока на землю
напряжение прикосновения уменьшается и, следовательно, ток, проходящий через
человека, оказывается меньше, чем в незаземленной установке. Чтобы напряжение
на заземленном корпусе оборудования было минимальным, ограничивают сопротивление
заземления. В установках 380/220 В она должна быть не более 4 Ом, в установках
220/127 В-не более 8 Ом. Если мощность источника питания не превышает 100 кВА,
сопротивление заземления может быть в пределах 10 Oм.
Зануление состоит в преднамеренном соединении металлических
нетоковедущих частей оборудования, которые могут оказаться под напряжением
(рисунок 7.6):
- корпус;
- предохранители, которые плавятся;о - сопротивление нейтрали
источника тока;п - сопротивление посторного заземления;к - ток короткого
замыкания.
Рисунок 7.6 - Принципиальная схема зануления
При замыкании любой фазы на корпус образуется контур
короткого замыкания, характеризуемый силой тока весьма большой величины,
достаточной для "выбивания" предохранителей в фазных питающих
проводах. Таким образом электроустановка обесточивается. Предусматривается
повторное заземление нулевого проводника на случай обрыва нулевого провода на
участке, близком к нейтрали. По этому заземлению ток стекает на землю, откуда
попадает в заземление нейтрали, по нему во все фазные провода, включая имеющий
пробитую изоляцию, далее на корпус. Таким образом образуется контур короткого
замыкания.
Защитное отключение электроустановок обеспечивается путем
введения устройства, автоматически отключающего оборудование - потребитель тока
при возникновении опасности поражения током. Схемы отключающих автоматических
устройств весьма разнообразны. Во всех случаях система срабатывает на
превышение какого-либо параметра в электрических цепях технологического
оборудования (силы тока, напряжения, сопротивления изоляции).
Повышение электробезопасности достигается также путем
применения изолирующих, ограждающих, предохранительных и сигнализирующих
средств защиты.
Электросварочный инструмент (электрододержатели,
электрогорелки, электрорезки) не должны иметь открытых токоведущих частей, а
рукоятки их необходимо изготовлять из токоизолирующих материалов.
Запрещается оставлять на рабочем месте электросварочный
инструмент, находящийся под напряжением. Передвижные электросварочные установки
во время их передвижения необходимо отключать от сети.
7.2.4 Защита
от повышенного уровня инфракрасной радиации
Если по техническим причинам невозможно достигнуть указанных
плотностей потока излучения, то должны быть проведены защитные мероприятия:
¾ экранирования источника
излучения;
¾ воздушное душирование;
¾ использование средств
индивидуальной защиты.
Экранирование достигается применением защитной камеры. Для
защиты глаз и лица применяют очки со светофильтрами по ГОСТ 12.4.080-79
"ССБТ. Светофильтры стеклянные для защиты глаз от вредных излучений на
производстве. Технические условия" [9]: темное стекло, тип С7 - С8.
Также, для защиты лица и глаз сварщики используют щитки или
маски по ГОСТ 12.4.035-78 " ССБТ Щитки защитные лицевые для
электросварщиков. Технические условия" [10]. Выбор щитка или маски
определяется характером работы (когда по условиям сварки требуется свобода рук,
применяется маска). Защита поверхности тела осуществляется с помощью
спецодежды, предназначенной для электродуговой сварки в инертных газах, из
облегченного брезента с защитными накладками из ткани фенилом, стойкой к
излучению.
7.2.5 Защита
от недостаточной освещённости рабочей зоны
При освещении производственных помещений используют естественное
освещение, создаваемое прямыми солнечными лучами и рассеянным светом небосвода
и меняющемся в зависимости от географической широты, времени года и суток,
степени облачности и прозрачности атмосферы; искусственное освещение,
создаваемое электрическими источниками света, и совмещенное освещение, при
котором недостаточное по нормам естественное освещение дополняют искусственным.
Конструктивно естественное освещение подразделяют на
боковое (одно - и двухстороннее), осуществляемое через световые проемы в наружных
стенах; верхнее - через аэрационные и зенитные фонари, проемы в кровле и
перекрытиях; комбинированное - сочетание верхнего и бокового освещения.
Искусственное освещение по конструктивному
исполнению может быть двух видов - общее и комбинированное. Систему общего
освещения применяют в помещениях, где по всей площади выполняются
однотипные работы (литейные, сварочные, гальванические цехи), а также в
административных, конторских и складских помещениях. Различают общее
равномерное освещение (световой поток распределяется равномерно по всей площади
без учета расположения рабочих мест) и общее локализованное освещение (с учетом
расположения рабочих мест).
При выполнении точных зрительных работ (например, слесарных,
токарных, контрольных) в местах, где оборудование создает глубокие, резкие тени
или рабочие поверхности расположены вертикально (штампы, гильотинные ножницы),
наряду с общим освещением применяют местное.
Совокупность местного и общего освещения называют
комбинированным освещением. Применение одного местного освещения внутри
производственных помещений не допускается, поскольку образуются резкие тени,
зрение быстро утомляется и создается опасность производственного травматизма.
По функциональному назначению искусственное освещение
подразделяют на рабочее, аварийное и специальное, которое может быть охранным,
дежурным, эвакуационным, эритемным, бактерицидным и др.
Источники света, применяемые для искусственного освещения,
делят на две группы - газоразрядные лампы и лампы накаливания.
При выборе и сравнении источников света друг с другом
пользуются следующими параметрами: номинальное напряжение питания U (В), электрическая
мощность лампы Р (Вт); световой поток, излучаемый лампой Ф (лм), или
максимальная сила света J (кд); световая отдача ψ == Ф/Р (лм/Вт),
т.е. отношение светового потока лампы к ее электрической мощности; срок службы
лампы и спектральный состав света.
По распределению светового потока в пространстве различают
светильники прямого, преимущественно прямого, рассеянного, отраженного и
преимущественно отраженного света. Конструкция светильника должна надежно
защищать источник света от пыли, воды и других внешних факторов, обеспечивать
электро-, пожаро- и взрывобезопасность, стабильность светотехнических
характеристик в данных условиях среды, удобство монтажа и обслуживания,
соответствовать эстетическим требованиям. В зависимости от конструктивного
исполнения различают светильники открытые, защищенные, закрытые,
пыленепроницаемые, влагозащитные, взрывозащищенные, взрывобезопасные На рисунке
7.7 приведены некоторые наиболее распространенные типы светильников (а-д - для
ламп накаливания, е-ж - для газоразрядных ламп) [1].
а - "Универсаль"; б -
"Глубокоизлучатель"; в - "Люцета"; г -
"Молочный шарик"; д - взрывобезопасный типа ВЗГ; е -
типа ОД; ж-типа ПВЛП
Рисунок 7.7 - Основные типы светильников
7.3
Инженерное обеспечение безопасных условий труда
7.3.1
Обеспечение электробезопасности
Для данного способа сварки будем использовать полуавтомат
ПДГ-312-5, предназначенный для сварки стальной проволокой изделий из стали в
среде защитных газов на постоянном токе.
Полуавтомат состоит из подающего механизма ПДГ-312-5 и
выпрямителя ВДГ-303-3.
Рабочий ток 220 А, номинальное рабочее напряжение 26 В,
первичная мощность 21 кВА.
Для обеспечения электробезопасности предлагается применение
контурного заземления.
Проведём расчёт заземления.
Сначала, согласно ПУЭ, выбирается допустимое сопротивление
заземляющего устройства, Rзд = 10 Ом.
После этого определяется расчётное удельное сопротивление (r):
(38)
Где rr =100 - удельное сопротивление грунта, Ом
· м;
y - климатический коэффициент, в зависимости от вида грунта и
степени влажности. Примем y = 1,3
[11]
Таким образом:
.
Следующий этап расчёта - определение сопротивления заземлителей RЗ (Ом).
При использовании искусственных заземлителей вначале выбирают
материал, тип и размеры заземлителей. Чаще всего применяют угловые и трубчатые
металлические электроды, размещаемые в земле вертикально и соединяемые
горизонтальной металлической полосой (рисунок 7.8).
а) б)
а - трубчатый стержневой; б - уголковый.
Рисунок 7.8 - Схематическое изображение заземлителей
При использовании в качестве искусственного заземлителя
вертикально расположенного уголка с размерами, представленными на рисунке 7.8 б
Rв составит [11]:
(39)
(при условии, что длина заземлителя больше ширины заземлителя
(l ›› b)),
где - удельное сопротивление грунта;
l - длина вертикально расположенных электродов;
t - величина заглубления оси заземлителя относительно поверхности
земли.
Ориентировочное количество вертикальных электродов определим по формуле:
(40)
Согласно таблице 7.6 n=6
Сопротивление, Ом, горизонтального проводника связи в виде
стальной полосы шириной b, соединяющего
верхние концы вертикальных электродов, можно определить по формуле:
(41)
где L=1,05· n·a=1,05·6·3=19м - длина горизонтального
проводника
С учётом расположения электродов по контуру коэффициенты
использования вертикальных электродов и горизонтальных электродов соответственно
равны 0,61 и 0,4
Результирующее сопротивление контура вычислим по формуле:
(42)
Результирующее сопротивление заземляющего устройства при
использовании естественных и искусственных заземлителей должно соответствовать
требованиям:
(43)
Условие выполняется.
Для обеспечения электробезопасности было предложено применение
контурного заземления. Из расчётов видно, что для обеспечения
электробезо-пасности необходимо 6 вертикальных заземлителей и горизонтальые
заземли-тели общей длиной 19 м при расстоянии между вертикальными заземлителями
3м.
7.3.2
Обеспечение необходимого воздухообмена
Предельно допустимые концентрации озона - 0,1 мг/м3,
а экспери-ментальное количество выделяющегося озона при сварке - 0,08…0,137
г/кг [1]. Если взять приближенно массу выделившегося озона на один шов (время
сварки - 2,4 мин.) в количестве 0,137 г/кг, а количество швов, выполняемых за
один час - 4, то максимальное количество выделяющегося озона приближенно равно
0,04 г/ч.
Требуемый воздухообмен в производственных помещениях для
растворения вредных газов и аэрозолей до ПДК:
м3 ∕ч, (44)
где qu - количество выделяющихся вредных
веществ, г/ч;
qпдк
- предельно допустимая концентрация вредных веществ в рабочей зоне, мг/м3;
Площадь всасывающего отверстия отсоса определим из формулы (8):
(45)
Где vо - скорость воздуха во всасывающем отверстии отсоса примем в
пределе 3…4 м/с.
Воздухоприемники должны быть максимально приближены к источнику
вредных выделений, поскольку скорость движения воздуха при удалении от
всасывающего отверстия падает обратно пропорционально квадрату расстояний (так
как реальные конструкции воздухоприемников не являются точечными стоками). Но
слишком близкое расположение отсоса может нарушить газовую защиту сварных швов,
что при сварке в защитных газах недопустимо.
Расстояние от источника выделения вредных веществ до отсоса
определяется по формуле:
(46)
Где d - диаметр круглого отверстия, м. Для
сечения Fo=0,03м2, d принимаем 0,2м,
vx - скорость воздуха в отверстии, м/с.
Примем vx = 0,3 м/с.
Таким образом, расстояние от выделения вредных веществ до отсоса
должно быть не менее 0,17 м, а требуемый воздухообмен в процессе сварки 400 м3/ч.
Для того, чтобы обеспечить эффективную очистку зоны сварки
загрязнённый воздух улавливается конусно-радиальным газоприёмником и
отсасывается одним вентилятором, который подаёт этот воздух через патрубок в
вытяжной канал. Второй вентилятор отсасывает загрязнённый воздух из данного
канала и выбрасывает его через шахту в атмосферу. В качестве вентилятора может
быть использован любой вентилятор низкого давления.
Произведены расчеты обеспечения электробезопасности и
необходимого воздухообмена. По итогам расчетов установлено:
· что в производственном помещении необходимо
6 вертикальных заземлителей и горизонтальные заземлители общей длиной 19м при
расстоянии между вертикальными заземлителями 3м.
· расстояние от выделения вредных веществ до
отсоса должно быть не менее 0,17 м, а требуемый воздухообмен в процессе сварки
400 м3/ч при использовании конусно - радиального газоприёмника.
Список
использованной литературы
1. Сварка
в машиностроении. Справочник в 4-х томах. Том 2 под ред.А.И. Акулова. м.:
"Машиностроение", 1978, 362 с.
2. Сварка
и свариваемые материалы: Справочник. Т.1/Под редакцией Э.Л. Макарова. - М.:
Металлургия, 1991. - 528 с.: ил.
. Лившиц
Л.С. Металловедение для сварщиков (сварка сталей). - М.: Машиностроение, 1979.
- 253 с.; ил.
. Технология
металлов. Кнорозов Б.В., Усова Л.Ф., Третьяков А.В. и др.М., "Металлургия",
1974.648с.
5. <http://xmt-holding.ru/sprtermin>
. Винокуров, В.А.
Сварочные деформации и напряжения: методы и их устранения / В.А. Винокуров. -
М.: Машиностроение, 1968. - 235 с.
. Методические
указания к выполнению курсового проекта по дисциплине "Производство
сварных конструкций" / Уфимск. гос. авиац. техн. ун-т; Сост.: Б.Л.
Груздев, В.М. Бычков. - Уфа УГАТУ, 2002, - 34 с.
. Технология и
оборудование сварки плавлением и термической резки. Учебник для вузов. - 2-е
изд. испр. и доп. /А.И. Акулов, В.П. Алехин, С.И. Ермаков и др. / Под редакцией
А.И. Акулова. - М. Машиностроение, 2003. - 560с.
. Анурьев В.И.
Справочник конструктора-машиностроителя. В 3-х т. Т.3 - 5-е изд., перераб. и
доп. - М.: Машиностроение, 1979. - 557с., ил.
. Иванов М.Н. Детали
машин: Учебник для студентов втузов/Под ред.В.А. Финогенова. - 6-е изд.,
перераб. - М.: Высшая шк., 2000. - 383с.: ил.
. Герц Е.В., Крайнин
Г.В. Расчет пневмоприводов. - М.: Машиностроение, 1975 - 272 с.
. Безопасность
жизнедеятельности. Учебник для вузов/С.В. Белов, А.В. Ильницкая, А.Ф. Козъяков
и др.; Под общ. ред. С.В. Белова.2-е изд., испр. и доп. - М.: высш. шк., 1999.
- 448 с.: ил.
. ГОСТ 12.1.005-88.
"Система стандартов безопасности труда. Общие санитарно-гигиенические
требования к воздуху рабочей зоны"
. Справочник сварщика/
Под ред.В. В. Степанова. - 4-е изд. перераб. и доп. - М.: Машиностроение, 1982.
- 560 с., ил.
. ГОСТ 12.1.003-83
"Система стандартов безопасности труда. Шум. Общие требования
безопасности".
. ГОСТ 12.1.019-79
"ССБТ. Электробезопасность. Общие требования и номенклатура видов
защиты"
. Правила устройства
электроустановок ПУЭ-76
. СН 2527-82
"Санитарные правила для предприятий чёрной металлургии”
. СНиП 23-05-95
"Естественное и искусственное освещение”
. ГОСТ 12.4.080-79
"ССБТ. Светофильтры стеклянные для защиты глаз от вредных излучений на
производстве. Технические условия"
. ГОСТ 12.4.035-78
" ССБТ Щитки защитные лицевые для электросварщиков. Технические
условия"
. Средства защиты в
машиностроении: Расчёт и проектирование: Справочник/ Под ред. С.В. Белова. -
М.: Машиностроение, 1989.
. СТП УГАТУ 002-98
Графические и текстовые конструкторские документы: требования к построению,
изложению, оформлению. Дата введения 23.02.98. Взамен СТП УфАИ 002-88.
. Экономика
предприятия (фирмы): Учебник/Под ред. проф.О.И. Волкова и доц. О.В. Девяткина.
- 3-е изд., перераб. и доп. - М.: ИНФРА-М, 2002. - 601 с.
. Методические
указания по выполнению экономической части выпускных квалификационных работ
выпускниками специальности 120500 (150202)"Оборудование и технология
сварочного производства"/Уфимск. гос. авиац. техн. ун-т; Сост. Багаутдинов
Г.Г. - Уфа, 2009. - 47 с.
|