Материал: Технологические основы процесса объемной штамповки

Внимание! Если размещение файла нарушает Ваши авторские права, то обязательно сообщите нам

Технологические основы процесса объемной штамповки

Министерство образования и науки Российской Федерации

Федеральное государственное бюджетное учреждение

высшего профессионального образования

"Саратовский государственный технический университет имени Гагарина Ю.А. "

Кафедра "Сварка и металлургия"



Курсовая работа

по дисциплине "Теория обработки металлов давлением"

на тему

"Технологические основы процесса объемной штамповки"

Направление 150400.62 - Металлургия (МЕТЛ)



Выполнил:

студ. гр. б2МЕТЛ-31

Щуркин Д.О.

Проверил:

к. т. н., доц. Фомин А.А.



Саратов 2015

Содержание

Введение

1. Физические основы объемной штамповки

2. Оборудование

2.1 Высокоскоростные молоты

2.2 Горизонтально-ковочные машины

2.2.1 Пресс однокривошипный горячештамповочный КБ8042

2.3 Ротационные способы изготовления поковок

2.4 Штамповка жидкого металла

3. Оснастка и инструменты

3.1 Матрицы для горячей объемной штамповки

3.2 Матрицы для горячей объемной штамповки на прессах

3.3 Марки штамповых сталей

4. Режимы работы

4.1 Отделочные операции после объемной горячей штамповки

4.2 Смазочные материалы для штампов

4.3 Схема процесса штамповки на горизонтальноковочной машине

5. Материалы и изделия

5.1 Конструкции поковок

5.2 Геометрическая точность поковок

6. Патентное исследование

7. Расчет усилия штамповки

7.1 Определение усилия штамповки

7.2 Построение графика зависимости усилия штамповки от площади проекции разъема штампа

Вывод

Заключение

Список литературы

Приложение

Введение

Штамповка является одним из наиболее прогрессивных видов обработки металла давлением, при котором течение металла принудительно ограничивается поверхностями ручьев и выступов штампов.

Объемная штамповка делится на открытую, при которой по периметру поковки образуется заусенец, или облой, и закрытую, когда заусенца, или облоя, не образуется. В конечный момент открытой штамповки ручьи образуют единую замкнутую форму, соответствующую конфигурации поковки с заусенцем (заусенец занимает от 50 до 80% объема заусеночной канавки). При закрытой штамповке в конечный момент образовавшаяся форма соответствует конфигурации поковки без облоя или заусенца.

Штамповка по сравнению со свободной ковкой имеет ряд достоинств: высокая производительность; однородность и точность получаемых поковок; высокое качество поверхностей штампуемых поковок, в связи, с чем они обрабатываются только в местах сопряжений с другими деталями; возможность получения поковок сложной конфигурации.

Закрытая штамповка обеспечивает получение поковок без заусенца, благодаря чему заготовка может быть уменьшена на объем этого заусенца, а отсутствие заусенца по периметру поковки ведет к сокращению цикла технологического процесса и экономии электроэнергии и штамповой стали.

Объемная штамповка имеет и недостатки: ограниченность штампованных поковок по весу (200 кг); высокая стоимость штампа; заусенец, вес которого составляет значительную долю от веса поковки у открытой штамповки; утяжеление поковок, полученных закрытой штамповкой, за счет увеличения напусков, образуемых односторонними штамповочными уклонами по высоте поковки.

В целях получения поковок большого веса применяют комбинированные методы ковки и штамповки. Из-за высокой стоимости штампа штамповку наиболее выгодно применять в массовом и крупносерийном производстве.

В производстве крупных поковок типа коленчатых валов применяется секционная штамповка.

Объемная штамповка осуществляется на штамповочных молотах, кривошипных ковочно-штамповочных прессах, горизонтально-ковочных машинах, гидравлических и фрикционных прессах, горизонтально-гибочных машинах, ротационных машинах, ковочных вальцах и др.

Основная задача горячей штамповки, как и других видов обработки, формоизменение заготовки с максимальным приближением ее формы к форме готовой детали. Это формоизменение обусловлено пластичностью металлов, то есть их способностью формоизменяться без разрушения.

1. Физические основы объемной штамповки


Горячая объёмная штамповка (ГОШ) - это вид обработки металлов давлением, при которой формообразование поковки из нагретой до ковочной температуры заготовки осуществляют с помощью специального инструмента - штампа. Течение металла ограничивается поверхностями полостей (а также выступов), изготовленных в отдельных частях штампа, так что в конечный момент штамповки они образуют единую замкнутую полость (ручей) по конфигурации поковки. В качестве заготовок для горячей штамповки применяют прокат круглого, квадратного, прямоугольного профилей, а также периодический. При этом прутки разрезают на отдельные (мерные) заготовки, хотя иногда штампуют из прутка с последующим отделением поковки непосредственно на штамповочной машине.

Применение объемной штамповки оправдано при серийном и массовом производстве. При использовании этого способа значительно повышается производительность труда, снижаются отходы металла, обеспечиваются высокие точность формы изделия и качество поверхности. Штамповкой можно получать очень сложные по форме изделия, которые невозможно получить приемами свободной ковки [1].

Холодная объёмная штамповка (ХОШ) металла - разновидность обработки металлов давлением. Отличие её от обработки горячей штамповкой в том, что её выполняют при температуре сплава ниже точки рекристаллизации. Различают несколько видов холодной штамповки: холодная высадка, холодное выдавливание и штамповка в открытых штампах.

Такая обработка осуществляется в несколько операций, что обеспечивает постепенное и последовательное изменение формы: от изначальной формы заготовки до требуемой формы изделия. В процессе металлообработки происходит упрочнение материала и снижение его пластичности. Для увеличения пластичности и уменьшения сопротивления последующим деформациям применяют межоперационные отжиги, особенно в случаях, когда осуществляется большое число переходов.

Детали, изготовленные способом объёмной холодной штамповки, характеризуются высокой точностью: полые изделия, изготовленные этим способом, могут иметь толщину стенки, измеряемую в десятых и сотых долях мм. Технически, применение этой технологии позволяет изготавливать детали особо сложных форм, которые невозможно получить, используя другие методы обработки. Формовка металла без разрушения его целостности позволяет увеличить коэффициент использования материала до 95 % даже для деталей сложной конфигурации. Холодное выдавливание осуществляется методом давления, по своей сути схожим с прессованием металла. Отличие заключается в образовании трёхосного неравномерного сжатия в области деформации, что приводит к повышению пластичности обрабатываемого материала и позволяет получать большое формоизменение заготовки. Процесс формования детали заключается в следующем: под влиянием давления, создающегося при обжимании заготовки до состояния текучести, металл вытекает через отверстия матрицы соответствующей формы. Течения металла относительно к движению пуансона может иметь разную направленность и в зависимости от этого направления различают типы выдавливания.

1. Прямое выдавливание характеризуется совпадением движения пуансона и направления течения металла. Он применяется для получения сплошных удлинённых поковок: деталей значительной длины.

. Боковое выдавливание характеризуется вытеканием металла через боковые отверстия, под углом к движению пуансона. Применяется для получения поковок с отростками: деталей сложной формы.

. Обратное выдавливание характеризуется направлением вытекания, противоположным движению пуансона. Применяется для пустотелых поковок: деталей полых внутри.

объемная штамповка материал оснастка

4. Комбинированное выдавливание характеризуется одновременным течением в нескольких направлениях и применяется для производства деталей сложной формы.

Процесс штамповки заключается в принудительном перемещении металла заготовки в полости специализированного инструмента - штампа. Две полости штампа (ручьи) при совмещении образуют форму штампуемой поковки. Заготовку приближают к форме поковки в предварительных (подготовительных) ручьях и оформляют затем в окончательных (черновых) ручьях.

Так как силы трения препятствуют заполнению угловых элементов штампа и приводят к значительному увеличению усилия деформации, то при штамповке, как правило, применяют смазку. В соответствии с используемым для деформации оборудованием выделяют три основных разновидности штамповки: штамповку на молотах; штамповку на прессах (кривошипных горячештамповочных, гидравлических, винтовых); штамповку на горизонтально-ковочных машинах [2].

Формоизменение характеризуют с помощью трех основных видов штамповки: штамповки в открытых штампах; штамповки в закрытых штампах и штамповки выдавливанием. На рис.1 представлена схемы штамповки в открытых штампах.

Верхняя половина штампа 1 перемещается под действием усилия Р и давит на торцевые поверхности заготовки 5. Металл при этом деформируется в ручьях 6-го штампа, образованного верхней 1 и нижней 2 половинами, и, заполняя его, вытекает в заусенечную канавку 3. Сформированная таким образом поковка 4 имеет по периметру заусенец (облой) 7. Для извлечения поковки из штампа служат штамповочные уклоны α, величина которых составляет 5-10°.

Рис. 1 схема штамповки в открытых штампах: 1 - верхняя половина штампа, 2 - нижняя половина штампа, 3 - заусенечная канавка, 4 - поковка, 5 - заготовка, 6 - деформирующий ручей штампа, 7 - заусенечный облой.


а                     б             в                     г

Рис. 2. Три основные стадии течения металла: а - свободная осадка, б - заполнение рабочего пространства штампа, в - выдавливание заусенца в облойную канавку, г - зависимость усилия штамповки от перемещения молота штампа.

Схема штамповки в открытых штампах осесимметричной, поковки, имеющей плоскость симметрии (рис. 3). Обычно процесс штамповки состоит из двух этапов: одновременного деформирования ступицы и дисковой части поковки и выдавливания заусенца. Рассмотрим формоизменение металла на первом этапе.

Рис. 3 Схема штамповки в открытых штампах осесимметричной поковки.

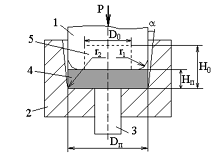
Положение свободных поверхностей будем определять по среднему внешнему диаметру 2Ri и средней высоте ступицы 2zi. Штамповку в закрытых штампах (безоблойную штамповку) применяют для получения поковок несложной формы с небольшой разницей в размерах сечений. Заготовка 5 диаметром D0 и высотой H0 помещается в штамп, основными частями которого являются пуансон 1, матрица 2 и выталкиватель 3 (рис.4). При перемещении пуансона происходит последовательное осаживание заготовки и заполнение полости штампа с образованием поковки заданных размеров и формы. При этом инструмент не обеспечивает свободного удаления цилиндрической поковки 4 из ручья штампа. Для удаления поковки из полости штампа применяют штамповочные уклоны α и выталкиватель 3. Для горизонтально-ковочных машин штамп может быть выполнен разъемным и состоять из трех частей (пуансон и разъемная матрица). Практически некоторая часть металла затекает в зазоры между разъемными частями закрытого штампа, образуя незначительный заусенец. Объем последнего зависит от колебаний объема заготовки и износа штампа.

Большой объем заготовки из-за отсутствия возможности фиксировать момент заполнения ручьев (окончание процесса штамповки) приводит к распору штампа, что отрицательно сказывается на его долговечности. Поэтому основным соотношением, принятым для технологических расчетов при штамповке в закрытых штампах.

Рис. 4. Штамповка в закрытых штампах: 1 - пуансон, 2 - матрица, 3 - выталкиватель, 4 - цилиндрическая поковка, 5 - заготовка.

Штамповка в закрытых штампах характеризуется значительной экономией металла, отсутствием дополнительной операции обрезки облоя, благоприятной схемой всестороннего сжатия, меньшей величиной уклонов (α =1-3°), чем при открытой штамповке. Особенно эффективна схема штамповки в закрытых штампах для малопластичных сплавов, так как боковой подпор стенок полости штампа значительно повышает гидростатическое давление, в результате чего пластичность металла возрастает. Кроме того, макроструктура поковок характеризуется тем, что волокна металла получают очертания контура поковки и не перерезаны.

Основным недостатком способа штамповки в закрытых штампах являются его неуниверсальность. Например, круглый контур поковки при штамповке в закрытых ручьях неприемлем из-за нетехнологичности конструкции инструмента, что характеризуется низкой стойкостью кромок штампа. Существенно снижают область применения закрытых штампов ограниченность рациональных форм штампуемых поковок и необходимость точной дозировки металла, кроме того, точность поковки по высоте ниже, чем при штамповке в открытом штампе. Во избежание перегрузки штампов и оборудования при нарушении условия равенства объемов заготовки и поковки применяют компенсаторы. Это специальный приемник излишков металла, расположенный в месте наиболее трудного заполнения металлом штампа, в который выдавливается лишний металл после оформления поковки. В отдельных случаях компенсатор выполняет те же функции, что и заусенечная канавка, при этом металл тормозится при выходе из полости штампа, обеспечивая заполнение всех его углов, и в то же время излишки металла поступают в компенсатор, не создавая перегрузки инструмента и оборудования. Так как при закрытой штамповке не предусматривается заусенец и реализуются только 2 стадии формоизменения (осадка и заполнение штампа), то усилие при всех других одинаковых параметрах всегда меньше усилия штамповки в открытых штампах. Штамповка выдавливанием устраняет один из недостатков закрытой штамповки - необходимость точной дозировки металла за счет конструктивно нового решения формы штампа (рис. 5). Поковка в таком штампе состоит из двух основных частей: корпуса и стержневой части, а штамп выполнен закрытым с двумя плоскостями разъема, причем имеется основная полость штампа, характеризующаяся диаметром D (рис. 5, а), и полость выдавливания диаметром d. В качестве разновидностей данного процесса выделяют прямое, обратное, комбинированное и боковое выдавливание, отличающиеся направлением перемещения металла относительно направления перемещения инструмента.

При штамповке выдавливанием можно выделить несколько преимуществ. Одно из них - это возможность получения поковок из малопластичных сплавов с точными размерами и качественной поверхностью, пластическая деформация которых облегчается в условиях всестороннего неравномерного сжатия. Вторым достоинством является возможность выдавливания в стержневую часть поковки излишка металла и его последующее удаление. Таким образом, при штамповке выдавливанием по сравнению с закрытой штамповкой нет необходимости в точной дозировке объема металла. Процесс штамповки характеризуется уменьшением металла в основной полости инструмента, высоким качеством поковок, а также отсутствием отхода металла в заусенец.

а                                    б

Рис.5. Штамповка в закрытых штампах выдавливанием

Наиболее важными недостатками процесса являются высокие удельные усилия деформации и как следствие относительно низкая стойкость инструмента, ограниченность форм поковок, сложная конструкция рабочего