Материал: Техника и технологии в животноводстве

Внимание! Если размещение файла нарушает Ваши авторские права, то обязательно сообщите нам

Техника и технологии в животноводстве

МИНИСТЕРСТВО СЕЛЬСКОГО ХОЗЯЙСТВА РОССИЙСКОЙ ФЕДЕРАЦИИ

ФЕДЕРАЛЬНОЕ ГОСУДАРСТВЕННОЕ БЮДЖЕТНОЕ ОБРАЗОВАТЕЛЬНОЕ УЧРЕЖДЕНИЕ

ВЫСШЕГО ПРОФЕССИОНАЛЬНОГО ОБРАЗОВАНИЯ

«ИЖЕВСКАЯ ГОСУДАРСТВЕННАЯ СЕЛЬСКОХОЗЯЙСТВЕННАЯ АКАДЕМИЯ»

КАФЕДРА «ТЕХНОЛОГИИ И МЕХАНИЗАЦИИ ПРОИЗВОДСТВА ПРОДУКЦИИ ЖИВОТНОВОДСТВА»



«Техника и технологии в животноводстве»

Проверил: Надеев В.А.

Выполнил: студент 1 курса

направление Агроинженерия Павлов С.В.









Ижевск 2014

Содержание

1.    Зоотехнические требования и технология обработки корнеклубнеплодов, используемые машины

.      Электромобильные раздатчики кормов на животноводческих фермах (комплексах)

.      Обработка неразделенного бесподстилочного навоза: способы и применяемое оборудование

.      Устройство и работа вакуумной системы. Ротационный и водокольцевой вакуумные насосы: особенности конструкции и рабочего процесса

.      Пастеризационная установка ОПФ-1, устройство, рабочий процесс, обслуживание

.      Водоподъемники: устройство и работа

Список используемой литературы

.       
Зоотехнические требования и технология обработки корнеклубнеплодов, используемые машины

Корнеклубнеплоды относятся к объемистым, влажным, сочным кормам. К корнеплодам относят кормовую, полусахарную, сахарную свеклу, брюкву, турнепс, морковь. К клубнеплодам принадлежат картофель, земляная груша или топинамбур; к бахчевым - кормовые сорта тыквы, кабачков, арбуза. По сбору питательных веществ с единицы площади корнеклубнеплоды занимают одно из первых мест среди кормовых культур. Корнеклубнеплоды скармливают всем видам сельскохозяйственных животных. Удельный вес корнеклубнеплодов в рационах разных животных неодинаков. Высоко значение этих кормов для молочного скотоводства. В зимних рационах коров корнеплоды занимают от 7 до 12 %. В рационы свиней корнеклубнеплоды включают до 30-35 %. По химическому составу корнеклубнеплоды характеризуются высоким содержанием воды (72-92 %), низким содержанием протеина и клетчатки (1-2 %), жира (до 1 %). Сухое вещество их состоит в основном из углеводов: сахаров, крахмала, гемицеллюлоз, пектиновых веществ. Из-за высокого содержания воды питательность корнеклубнеплодов невысокая и находится в пределе 0,09-0,3 кормовой единицы в 1 кг корма.

Корнеклубнеплоды характеризуются невысоким содержанием минеральных веществ, из которых больше всего солей калия и очень мало кальция и фосфора. Богаты корнеклубнеплоды витамином С, желто окрашенные сорта содержат каротин, особенно много его в моркови (120-180 мг/кг).

Корнеклубнеплоды хорошо поедаются животными, переваримость питательных веществ их высокая: органическое вещество корнеклубнеплодов жвачными и свиньями переваривается на 85-90 %. Корнеклубнеплоды отличаются высокой концентрацией энергии в сухом веществе (1-1,2 к. ед. в 1 кг сухого вещества). Корнеклубнеплоды активизируют рубцовое пищеварение жвачных животных, так как поставляют микрофлоре необходимые крахмал и сахар. В практике животноводства их именуют молокогонными кормами, так как они способствуют молочной продуктивности. Однако положительное действие корнеклубнеплоды проявляют только в составе сбалансированных рационов, а при одностороннем избыточном кормлении они могут вызвать ряд нарушений в деятельности желудочно-кишечного тракта и обмене веществ. Кроме того, некоторые корнеклубнеплоды содержат специфические вещества, отрицательно влияющие на физиологическое состояние животных. Так, сахарная свекла и ее ботва содержит щавелевую кислоту, корни свеклы - соланин, нитраты, клубни картофеля на свету накапливают соланин. К кормовым недостаткам корнеплодов следует отнести и их невысокую питательность: это односторонние, углеводистые корма, бедные протеином и минеральными веществами. Из-за высокого содержания воды корнеклубнеплоды плохо хранятся, особенно при повышенных температурах. Оптимальной температурой хранения корней и клубней является температура от 0 до 2°С. При повышении температуры свыше 3-4°С в корнеплодах усиливается дыхание и испарение влаги, что ведет к прорастанию и порче их гнилостными бактериями и плесневыми грибами. К недостаткам корнеплодов можно отнести их способность накапливать нитраты, особенно при повышенных количествах азотных и органических удобрений.

Подготовка корнеклубнеплодов к скармливанию сводится прежде всего к очистке их от земли. Особенно много почвы остается на корнях брюквы, сахарной свеклы и моркови. Систематическое скармливание высокопродуктивным коровам загрязненных землей корнеплодов через 5-6 месяцев приводит к нарушению пищеварения, потери упитанности и резкому снижению молочной продуктивности. После убоя у таких животных в преджелудках обнаруживают до 16-18 кг земли и песка. От загрязненных корнеплодов у животных быстрее отираются зубы, поэтому важно проводить очистку корнеплодов от земли, лучше посредством мойки.

Для свиней картофель скармливают в запаренном виде, что улучшает его переваримость и продуктивное действие. Корнеплоды являются хорошим компонентом для приготовления полнорационных кормовых смесей, предварительно их моют, измельчают и смешивают с силосом, соломой и другими кормами, что обеспечивает лучшую поедаемость смеси.

Наилучшая сохранность питательных веществ корнеклубнеплодов обеспечивается при их высушивании. Этот прием позволяет вводить сушеные корнеклубнеплоды в состав комбикормов. Сохранить корнеплоды можно и в засилосованном виде. Сырой и вареный картофель хорошо силосуется как в чистом виде, так и в смеси с морковью, измельченным зерном. При ранних заморозках во время уборки корнеплоды могут быть замороженными. В таком состоянии они способны храниться, но при оттаивании очень быстро портятся и не подлежат хранению.

Экономически выращивание корнеклубнеплодов пока остается менее выгодным, чем производство зеленого корма или зерна. Если принять себестоимость 1 корм. ед. в траве за единицу, то в зерновых кормах 1 к. ед. будет дороже в 1,5-2,5 раза, а в корнеклубнеплодах в 5-7 раз. Высокая себестоимость корнеклубнеплодов связана с большими затратами ручного труда при их возделывании и уборке, а также высокой энергоемкостью этих процессов. Хранить корнеклубнеплоды можно в траншеях, буртах, специальных хранилищах. Хранение в буртах практикуется в районах с близким залеганием грунтовых вод. После загрузки корнеклубнеплодов в бурты их укрывают соломой из расчета 30 кг соломы на 1 тонну корней, а затем укрывают землей слоем 40-50 см с боков и 20-25 см сверху. При всех способах хранения необходима вентиляция. При плюсовой температуре наружного воздуха вентиляционные короба держат открытыми, а при похолодании укрывают соломой. В сильные морозы бурты дополнительно укрывают толстым слоем снега.

Технологические схемы приготовления корнеклубнеплодов включают мойку, измельчение, запаривание, дрожжевание, разминание и смешивание.

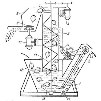
Для подготовки корнеклубнеплодов к скармливанию в виде монокорма и кормовых смесей применяют корнеклубнемойки (рис.1), мойки-корнерезки, измельчители, запарники-смесители, варочные котлы и другие машины.

Рис.1. Схемы дисковой (а), шнековой (б), кулачковой (в) и барабанной (г) корнеклубнемоек

Корнеклубнемойки по конструкции рабочих органов делятся на дисковые, шнековые, кулачковые и барабанные (рис.1). Во всех корнеклубнемойках процесс очистки корней и клубней от земли и других примесей происходит в воде за счет трения клубней друг о друга и о рабочие органы машины. Грязь и примеси удаляются потоком воды.

Мойка-корнерезка ИКС-0,5М применяется для мойки и измельчения корнеклубнеплодов. Она состоит из рамы, бункера, шнекового транспортера, ванны, измельчающего аппарата, двух электродвигателей и пусковой аппаратуры. Машина поставляется в двух вариантах: с бункером для загрузки измельчителя автосамосвалом или с транспортером-питателем. Корнеклубнеплоды загружают в бункер, моют, а затем шнеком подают в измельчающий аппарат. Степень измельчения 10... 20 мм. Мойка-корнерезка приводится в действие от электродвигателя мощностью 9 кВт. Производительность машины 5 т/ч, расход воды на мойку 1 т корнеклубнеплодов составляет 65 л.

Приводную корнерезку КПИ-4 используют для измельчения корнеклубнеплодов на корм крупному рогатому скоту и свиньям. Она состоит из рамы, загрузочного бункера, измельчающего аппарата, камеры измельчения и электрооборудования. Машина приводится в движение от электродвигателя мощностью 5,5 кВт и имеет производительность 4 т/ч.

Рис.2. Технологическая схема ИКМ-5

- рама, 2 - транспортёр-камнеудалитель, 3, 6, 10 - электродвигатели, 4 - вентиль, 5 - кожух мойки, 7 - выбрасыватель, 8 - кожух измельчителя, 9 - измельчитель, 11 - шнековая мойка, 12 - моечная ванна, 13 - крылач, 14 - люк

Измельчитель-камнеуловитель ИКМ-5 (рис.2) предназначен для мойки, измельчения корнеклубнеплодов и очистки их от камней. Мойка измельчителя имеет шнековый рабочий орган.

Рабочий процесс осуществляется так. Корнеклубнеплоды с транспортера загрузки поступают в моечную ванну 12, где под действием водного потока, создаваемого крылачом 13, отмываются, захватываются шнеком мойки 11 и транспортируются вверх в камеру измельчителя 9. По мере движения вверх клубни обмываются в шнеке встречным потоком воды, подаваемой через вентиль 4. Очищенные корнеклубнеплоды измельчаются горизонтальными ножами верхнего диска и под действием центробежных сил поступают к деке, где окончательно измельчаются вертикальными ножами и выбрасываются лопатками «нижнего диска через направляющий рукав наружу. Камни отделяются от корнеклубнеплодов в моечной ванне 12, крылачом 13 направляются на транспортер-камнеудалитель 2 и выбрасываются наружу. Вода по мере загрязнения спускается через люк 14. Привод транспортера-камнеудалителя, шнека мойки и измельчающего аппарата независимый от электродвигателей 3, 6 и 10. Производительность машины 7 т/ч, мощность электродвигателей 10,5 кВт. Ее можно использовать для мойки картофеля (без измельчения), для чего удаляют деку и верхний диск, а на их место устанавливают диск-выбрасыватель.

Расчет производительности (т/ч) линии приготовления корнеклубнеплодов ведут по формуле:

л=G1/t

где G, - масса корнеклубнеплодов на разовую дачу, т; t - допустимое время переработки и хранения корнеклубнеплодов, ч (не более 2 ч).

Производительность (т/ч) шнековой мойки-измельчителя:

м = 47(D2-d2) Sp ?1?2

где D - диаметр шнека, D = 0,25... 0,35 м; d - диаметр вала шнека, d = = 0,08 м; S - шаг винта (S = 0,35... 0,4 м); р - плотность корнеклубнеплодов, т/м3; ?1 - коэффициент заполнения рабочего пространства шнека (?1 = 0,4); ?2 - коэффициент, учитывающий влияние угла наклона шнека к горизонту (?2= 0,44).

По полученной производительности QM выбирают марку шнековой мойки-измельчителя, сравнивая расчетные данные с технической характеристикой моек, выпускаемых промышленностью.

Для переработки нескольких видов кормов промышленность выпускает машины комбинированного или универсального назначения.

Комбинированные измельчители различают нескольких марок: Измельчители ДЗК-1, ИЗК-1, КЗЭ-1 служат для дробления зерна и измельчения корнеклубнеплодов; измельчители ИКБ-1, ЭКР-1, ЭКОР-1, И7-КУ, ИК-1 предназначаются для измельчения грубых и сочных кормов.

Измельчитель зерна и корнеклубнеплодов ДЗК-1 рис. 3 эксплуатируется с приставкой для измельчения зерна; Рис. 3б или с приставкой для измельчения корнеклубнеплодов, рис.3в (на рис.3а измельчитель показан в сборе с приставкой для измельчения корнеклубнеплодов 5 и отсоединенным бункером 9). Приставки сменные, они легко устанавливаются и снимаются.

Интенсивность подачи зерна на измельчение регулируется изменением просвета загрузочного окна 12 с помощью устройства 10 (рис.3б). Зерно измельчается, попадая под Удары молотков 3 и об острые края отверстий решета 14. Решето цилиндрическое, сварное, трехсекционное. На одной из секций просверлены отверстия диаметром 3 мм, на втором - 4 мм и на третьем - 5 мм. В зависимости от требуемой степени измельчения зерна решето легко устанавливается секцией с соответствующим диаметром отверстий против выгрузной горловины 16.

Корнеплоды из бункера 5 попадают на ножи ножевого диска 4 и в измельченном виде выбрасываются наружу по лотку 14. Корнеплоды поджимают к ножевому диску с помощью поджимного устройства, состоящего из рукоятки 8 и прижима 10. Высота вылета ножей устанавливается при измельчении корнеплодов для свиней на 8-10 мм, для КРС - на 10-15 мм.

Возможны следующие основные неисправности при работе измельчителя.

Двигатель не включается при нажатии на кнопку «Пуск». Причина - «завал» зерном ротора. Необходимо удалить зерно.

При сильном засорении зерна крупными примесями оно может не поступать в дробильную камеру. Следует очистить забившееся этими примесями загрузочное окно.        

Повышенная запыленность наблюдается при неплотном прилегании резиновой прокладки под крышкой или плохом креплении мешка для приема продукта измельчения. Необходимо подтянуть крышку маховичками 6 (рис.3а) или плотнее закрепить горловину мешка на лотке 11.

Наличие в продукте измельчения большого количества целых зерен объясняется неправильной установкой решета или наличие зазора между крышкой и торцом решет. Следует проверить установку решета и при необходимости обновить его или уплотнение.

Ухудшение качества дробления появляется при большом износе молотков. Необходимо переставить молотки другими рабочими ребрами.

Дробилка зерна и травы ДЗТ-1 снабжена загрузочным бункером для зерна и воронкой для подачи травы на измельчение. Измельчаемое сырье подается на комбинированный ротор, размещенный в камере измельчения: зерно поступает в отделение камеры с молотковым ротором, трава пучками - в отделение камеры с двуплечим цожом. Производительность при дроблении зерна 50- 100 кг/ч, при измельчении травы 30 кг/ч, модуль помола зерна - не более 2,6 мм, длина сечки травы - до 15 мм, мощность электродвигателя 0,6 кВт, габаритные размеры 630X592X1240 мм, масса 35 кг.

Рис.3. Измельчитель зерна и корнеклубнеплодов ДЗК-1:

а-общий вид; 1-пусковое устройство; 2- амперметр контроля загрузки; 3 - индикатор; 4 - электродвигатель; 5 - корпус приставки для измельчения корнеклубнеплодов; 6 - маховичок; 7 - крышка бункера; 8 - прижим; 9 - съемный бункер приставки; 10- направляющая; И-лоток; 12 - нож;

б - приставка для дробления зерна: 1 - переходной фланец; 2 - молотковый ротор; 3, 13 - молотки; 4-корпус приставки; 5 - стопор решета; 6 - уплотнение крышки корпуса; 7- фиксатор; 8 - съемная крышка; 9 - загрузочный буикер зериа; 10 - устройство регулировки подачи зерна; 11 - крепление ротора; 12 - загрузочное окно; 14 - чрех-секционное решето; 15 - кольцо; 16 - выгрузная горловина; 17 - лоток;

в - приставка длй измельчения корнеклубнеплодов: 1 - переходной фланец; 2 - корпус приставки; 3 - нож 4 -ножевой диск; 5 - бункер; 6 - петля; 7 - крышка бункера; 8 - рукоятка; 9 - упор; 10 - прижим; 11 - крепление ротора с ножевым диском; 12 - уплотнение крышки корпуса; 13 - кольцо; 14 - лоток

Корнерезка-зернодробилка КЗЭ-Т-1 (рис.4) состоит из объединенных конструктивно дробилки зерна и измельчителя корнеплодов. Дробилка зерна и электродвигатель находятся под кожухом 11 (рис.4), диск с ножами для измельчения корнеплодов закрыт кожухом 8, который может открываться для доступа к рабочим органам. При эксплуатации измельчителя корнеплодов кожух надежно фиксируется ручкой-замком 10. Органы дробления зерна и измельчения корнеплодов размещены на одном валу, приводимом во вращение от электродвигателя 13 через ведущий 15 и ведомый 2 шкивы, соединенные клиновым ремнем 16.

В корпусе 1 зернодробилки размещены измельчающие зерно рабочие органы - барабан и дека. Интенсивность подачи зерна на измельчение регулируется с помощью шибера 3. Дробленый продукт высыпается по скатному лотку 14. Зазор между барабаном и декой 0,5 мм устанавливают во время заводской сборки. При изнашивании рабочих органов зазор увеличивается. Для регулирования указанного зазора ставят соответствующие прокладки под лапки 12. За счет этого корпус, в котором закреплена дека, поднимается вверх и зазор между декой и закрепленным на валу барабаном уменьшается.

Рис.4.Корнерезка-зернодробилка КЗЭ-Т-1: 1-корпус зернодробилки; 2-ведомый шкив; 3-шибер; 4-приемный бункер для зерна; 5-шнек; 6-нож; 7-загрузочная гор-ловина корнеплодов; 8-откры-ваемый кожух; 9-выгрузное окно;10-ручка-замок; 11-кожух; 12-лапка для крепления дробилки зерна;13-электродвигатель; 14-скатной лоток; 15-ведущий шкив; 16-клиновой ремень

Корнеплоды подаются на измельчение через горловину 7 и измельчаются ножами 6, закрепленными болтами к диску 5. Измельченный продукт падает вниз через выгрузную течку 9. Для заточки ножей кожух 8 открывается, с вала снимается барабан, а с барабана - ножи. После их заточки, все ставится на свои места в обратном порядке. При перегрузке электродвигателя срабатывает тепловое реле.