,
(12)
где
-
удельная ТЭДС данной пары металлов -
считалась постоянной величиной, зависящей
только от природы металлов. В дальнейшем
выяснилось, что
зависит от температуры и закон (12),
справедлив лишь в небольшом интервале
температур, поэтому
.
(13)
Основной причиной
возникновения ТЭДС в цепи является
наличие контактной разности потенциалов
(рис. 4) на границе их раздела. Отметим,
что при
,
в верхнем и нижнем контактах равны по
величине и имеют противоположные знаки,
поэтому тока в такой цепи не будет.
Термо-ЭДС не равна нулю, если контакты
металлов поддерживаются при различных
температурах. Учитывая, что суммарная
внешняя разность потенциалов при обходе
по замкнутому контуру независимо от
разности температур согласно формуле
(11) равна нулю, значение
с учетом (10) определится выражением:
![]()
Учитывая, что химический потенциал является функцией от температуры, а также равенство (13), последнее выражение можно записать в виде:
.
(14)
Найдем
используя формулу (9), и получим
.
Учет диффузии более быстрых электронов
к холодному концу проводника и более
медленных – к теплому вследствие наличия
градиента температуры, а также увлечение
электронов фононами, приводит к
образованию избытка электронов вблизи
холодного конца и недостатка их вблизи
горячего.
В результате
значение
имеет вид:
.
После подстановки значения
в выражение (14) получим
Учитывая, что
и
отличаются одно от другого менее чем
на порядок, произведем следующее
преобразование:
![]()
где
средняя температура контактов, а
разность
температур контактов. В результате
получим расчетную формулу для
термоэлектродвижущей силы
в виде (12):
где
.
(15)
Для большинства
пар металлов
имеет порядок
В/К.
Явление Зеебека используется для измерения температур. Соответствующее устройство, представляющее себой цепь из двух разнородных проводников, концы которых электрически соединены сваркой, называется термопарой. Один слой термопары поддерживают при постоянной температуре, другой – помещают в среду, температуру которой необходимо измерить. О величине температуры можно судить по силе возникающего термотока, измеряемой гальванометром. Более точный результат получится при измерении возникающей ТЭДС по методу компенсации.
Термопара
используется для измерения температуры
после предварительной градуировки,
т.е. экспериментального определения
зависимости
,
при разных температурах рабочего конца
и постоянной температуры свободного
конца. Зависимость
приближается к линейной. Температуры
можно измерять с точностью порядка до
сотых долей градуса.
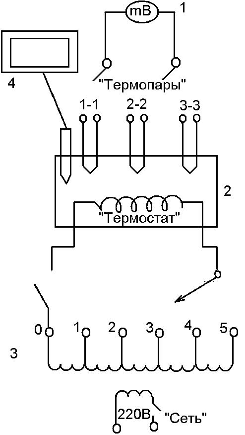
Рис. 5

Принципиальная схема экспериментальной
установки приведена на рис. 5
Установка позволяет измерять термо-ЭДС всех трех термопар при заданной температуре при помощи цифрового вольтметра (мультиметра 1), замыкая его поочередно на контакты отдельных термопар 1–1; 2–2; 3–3. Как следует из схемы экспериментальной установки, напряжение на нагревателе термостата 2, а, следовательно, и его температуру, можно изменять ступенями. Для этого замыкают контакты нагревателя термостата (3) поочередно в положение 0–1, 0–2, 0–3, 0–4, 0–5 (рис. 5) Соответственно температура контактов термопар (термостата) изменяется ступенями, и ее величина определяется по показаниям электронного термометра (4) в Кельвинах. Нагреватель термостата подключается к электрической сети 220 В. Экспериментальная установка изображена на
рис. 6.


Рис. 6
Лабораторная установка, выполнена в виде настольного прибора (рис. 6), на лицевой панели которого находятся:1 – тумблер «Сеть»; 2 – лампочка; 3 – тумблер включения термометра; 4 – табло термометра; 5 – тумблер включения нагревателя; 6 – регулятор нагрева; 7 –переключатель термопар различной природы; 8 – цифровое табло мультиметра (в mB).
Включить тумблер 1 «Сеть». При этом на панели прибора должна загореться лампочка 2.
При помощи тумблера
3 включить цифровой термометр. В
результате на табло 4, расположенном
на панели прибора, появятся цифровые
значения температуры термостата в
градусах Цельсия. Справа на шкале
указано значение температуры
.
Поставить в верхнее положение «Вкл» тумблер 5 «нагреватель».
Регулятор нагрева термостата 6 повернуть по часовой стрелке до щелчка. Далее увеличение нагрева термостата происходит непрерывно, автоматически.
Переключатель 7 термоЭДС последовательно переводить в положение 1, 2, 3, замыкая мультиметр соответственно на контакты термопар из: 1 - хромель-копеля (ХК), 2 – из хромель-алюмеля (ХА), 3 – из алюмель-копеля (АК).
Значения ТЭДС высвечиваются на цифровом табло 8 мультиметра в мВ.
Величины ТЭДС с
табло 8 записывать в таблицу I
в мВ при изменении температуры калориметра
от
до
С через каждые
С.
Выключить тумблер 5 нагревателя термостата, а ручку 6 регулятора нагрева повернуть против часовой стрелки до щелчка.
Процесс измерений ТЭДС в зависимости от температуры повторить при остывающем нагревателе в обратном порядке записывая значения ТЭДС для 1, 2, 3 термопар в таблицу I.
За погрешность
измерений принимать разброс значений
в процессе нагрева и охлаждения.
Таблица I.
|
№ опыта |
|
Хромель-копель
|
Хромель-алюмель
|
Алюмель-копель
|
||||||
|
нагр |
ост |
|
нагр |
ост |
|
нагр |
ост |
|
||
|
|
|
|
|
|
|
|
|
|
|
|
|
1 |
|
|
|
|
|
|
|
|
|
|
|
2 |
|
|
|
|
|
|
|
|
|
|
|
3 |
|
|
|
|
|
|
|
|
|
|
|
4 |
|
|
|
|
|
|
|
|
|
|
|
… |
|
|
|
|
|
|
|
|
|
|
По данным измерениям
построить график зависимости
для трех пар термопар, принимая за
погрешность измерений разброс значений
в процессе нагрева и охлаждения. Величину
определяют по шкале термометра (ее
значение справа)
Определить по
полученному в эксперименте графику
(приблизительный график дан на рис. 7)
значение
для каждой термопары. Зависимость
считать линейной, тогда значение
для каждой термопары определяется как
тангенс угла наклона прямой:
,
![]()

Рис. 7
Значения
можно рассчитывать методом наименьших
квадратов. Значения
для разных термопар и разных диапазонов
температур записать в таблицу 2.
Таблица II.
|
№ п/п |
|
|
|
||||
|
Для термопары Х-К |
Для термопары Х-А |
Для термопары А-К |
Х-К |
Х-А |
А-К |
||
|
1 |
|
|
|
|
|
|
|
|
2 |
|
|
|
|
|
|
|
|
3 |
|
|
|
|
|
|
|
|
4 |
|
|
|
|
|
|
|
|
5 |
|
|
|
|
|
|
|