Материал: Современное состояние вопроса по производству и термической обработке холоднокатаного листового проката

Внимание! Если размещение файла нарушает Ваши авторские права, то обязательно сообщите нам

Таблица 2.2 - Дефекты Холоднокатанного листового проката

Шифр дефекта

Термин

Определение

Причина возникновения

Способы устранения дефектов

22811505228

Вкатанные инородные частицы

Остатки подмоточной бумаги, кусочки дерева или гуммировки роликов на поверхности холоднокатаного листа или ленты.

1 Дрессировка полосы с наличием на поверхности частиц песка попавшего из затвора печи после отжига. 2 Дрессировка полосы с наличием на поверхности полосы неметаллических частиц. 3 Не произведен обдув торцов рулона сжатым воздухом.

1 Проверять наличие песчинок на поверхности полосы и не задавать на дрессировку металл с наличием песка. 2 Не задавать на дрессировку с наличием на поверхности полосы неметаллических частиц. 3 Произвести обдув торцов рулона сжатым воздухом.

01811505018

Пятна ржавчины

Дефект поверхности в виде пятен или полос с рыхлой структурой окисной пленки, образовавшихся в результате попадания влаги и недостаточной промывки металла от травильных растворов.

1 Нарушение межоперационных сроков хранения металла после прокатки. 2 Попадание воды на поверхность полосы или торцы рулонов.

1 Соблюдать межоперационные сроки хранения металла между прокаткой и упаковкой. 2 Не допускать попадание воды на поверхность полосы или торцы рулонов.

00811505008

Излом

Дефект поверхности в виде темно-серых линий дугообразной формы, образовавшихся при разматывании слипшихся или сварившихся участков полос рулона

1 Впресспроводке первой клети четырехклетевого стана установлены ролики с острыми краями. 2 Ролики в пресспроводке 1 клети установлены в одну линию. 3 Большое натяжение на моталке стана холодной прокатки. 4 Сильное слипание или сварка витков рулонов при отжиге из-за низкой шероховатости рабочих валков. 5 Заворот кромок витков рулонов конвекторными кольцами.

1 Заменить ролики с острыми краями на ролики с заваленными краями. 2 Установить верхние и нижние ролики пресспроводки перед первой клетью в шахматном порядке. 3 Уменьшить натяжение на моталке стана. 4 Отжиг рулонов по специальному режиму с удлиненным режимом охлаждения. 5 Отжиг рулонов производить на недеформированных конвекторных кольцах.

03811505038

Полосы-линии скольжения*

Дефект поверхности в виде темных полосок и разветвленных линий на поверхности листа или ленты, образовавшихся вследствие местных напряжений, превышающих предел текучести металла, вызванных нарушением технологии обработки давлением.

1 Большая продолжительность отжига при высокой температуре; 2 Смятие кромки рулона конвекторными кольцами. 3 Загрузка в печи, для проведения отжига рулонов с дефектом «телескопичность».

1 Соблюдение режимов отжига рулонов в соответствии с требованиями ТИ; 2 Не допускать к работе конвекторные кольца с неравномерной выработкой и деформацией. 3 Не допускать к загрузке рулоны с дефектом «телескопичность».

10611505106

Несоответствие химического состава *

Химический состав не удовлетворяет требованиям НД и условиям заказа.

1 Нарушения технологии выплавки стали; 2 Допущенного смешивания плавок

1 Не допускать нарушение технологии выплавки стали. 2 Обеспечение правильной маркировки рулонов по всем переделам.

06111505061

Пятна слипания сварки

Дефект поверхности в виде темно-серых участков налипания или отрыва металла, образовавшихся при разматывании слипшихся или сварившихся участков полос рулона, горячекатаных или отожженных холоднокатаных листов в пакетах

1 Сильное слипание или сварка витков рулонов при отжиге из-за высокой температуры и завышенной продолжительности; 2 Заворот кромок витков рулонов конвекторными кольцами; 3 Неравномерная температуры по сечению рулонов и высоте садки в период нагрева металла при отжиге.

1 Соблюдение режимов отжига рулонов в соответствии с требованиями ТИ; 2 Не допускать к работе конвекторные кольца с неравномерной выработкой и деформацией. 3 Соблюдение режимов отжига рулонов в соответствии с требованиями ТИ.

10511505105

Несоответствие механических свойств

Механические и технологические свойства не соответствуют требованиям НД и условиям заказа.

1 Несоблюдение температурных режимов отжига 2 Смесь марок сталей из-за неверной или отсутствующей маркировки; 3 Неправильные показания приборов 4 Недостаточное охлаждение металла перед дрессировкой; 5Нарушение циркуляции защитного газа из-за перекрытия конвекторных колец свисающими витками рулонов или неверно подобранного диаметра конвекторного кольца. 6 Остановка стендовых вентиляторов

1 Соблюдение температурных режимов отжига в соответствии с требованиями ТИ и технологических писем; 2 Обеспечение правильной маркировки по всем переделам; 3 Замена приборов 4 Соблюдение температурных режимов охлаждения в соответствии с требованиями ТИ и технологических писем; 5 При формировании садки контролировать свисания витков, не допускать упаковку рулонов с неприпакованными витками. Подбирать диаметр конвекторных колец в соответствии с диаметром рулона. 6Следить за работой стендовых вентиляторов и за исправностью их блокировок

06411505064

Пятнистое науглероживание*

Дефект поверхности в виде черных пятен или полос, выявившихся после травления, образовавшихся при длительном нагреве стальных изделий в науглероживающей среде.

1 Недостаточная горячая продувка садки; 2 Окисление садки или окисление металла с последующим восстановлением в процессе отжига; 3 Наличие эмульсии, грязи на холоднокатаном металле; 4 Высокая скорость нагрева.

1 Соблюдать требовании ТИ при горячей продувки защитным газом; 2 Откорректировать состав и давление защитного газа в соответствие с требованиями ТИ, проверить исправность магистрали трубопровода защитного газа; 3 Своевременно производить корректировку параметров эмульсии на станах холодной прокатке, в соответствии с требованиями ТИ, проверить работу коллекторов сдува перед моталкой;

10211505102

Желтый налет*

Дефект поверхности в виде змеевидных полос или скоплений пятен различной формы желтого цвета полимеризованной пленки, образовавшейся на поверхности металла

1 Наличие эмульсии, грязи на холоднокатаном металле; 2 Окисление металла при рекристаллизационном отжиге.

1 Своевременно производить корректировку параметров эмульсии на станах холодной прокатке, в соответствии с требованиями ТИ; проверить работу коллекторов сдува перед моталкой; 2 Соблюдение режимов отжига рулонов в соответствии с требованиями ТИ.

Примечание: знаком «*» отмечены дефекты, возникшие на предыдущих, до отжига, переделах, но проявившиеся при термической обработке

В процессе сдачи готовой продукции согласно ГОСТ и ТУ проводят окончательные механические, технологические и физико-химические сдаточные испытания, металлографический анализ. При этом объем испытаний готовой продукции зависит от состава стали, ее назначения и требований, предъявляемых к продукции.

Наиболее распространенным методом испытания механических свойств ли-стопрокатной продукции является испытание на растяжение. При этом к стан-дартному образцу, представленному на рисунке 2.1, прикладывают два равных, противонаправленных усилия и определяют временное сопротивление при растяжении σв, предел текучести σт, относительное удлинение δ и относительное поперечное сужение. Кроме того, при растяжении образца определяют предел пропорциональности σпц, предел упругости σу, модуль упругости Е.

Рисунок. 2.1 Стандартный образец для испытания на растяжение [10]

Испытание на растяжение производится на специальных машинах. Имеется большое количество различных моделей таких машин с ручным и механическим приводом. Из числа машин с механическим приводом применяются универсальные рычажно-маятниковые машины Р-5 (усилие до 5 т), ИМ-4 (усилие до 4 т), прессы Гагарина и др. Более мощными являются машины с гидравлическим приводом Р-20 (усилие до 20 т), ГМС-50 и ГМС-100, развивающие усилия соответственно 50 и 100 т. Универсальные машины ГМС-50 и ГМС-100 служат для испытания образцов металла на растяжение, сжатие и изгиб, для определения на образцах прочности сварного соединения и наплавленного металла сварного шва, для испытания на разрыв стальных канатов и т. п.

К более современным машинам можно отнести такие машины как: УТС 110М-50, УТС 110М-100. Это электромеханические универсальные двузонные испытательные машины напольного исполнения с номинальной нагрузкой 50 и 100 кН соответственно, предназначены для проведения механических испытаний материалов на растяжение, сжатие, изгиб, осадку, сплющивание, остаточную деформацию, отслаивание, расслоение, скалывание, раздирание и других в пределах технических возможностей машины. Испытательные машины УТС 110М-50 и УТС 110М-100 оснащены микропроцессорной системой управления машиной и регистрации силовых и деформационных параметров испытания.

Принципиальная схема разрывной машины представлена на рисунке 2.2.

Рисунок 2.2 Принципиальная схема электромеханической машины [10]

- основание; 2 - колонны; 3 - винты, передающие нагрузку образцу; 4 - тверса; 5 - цилиндр; 6 - поршень; 7 - верхняя поперечина; 8, 16 - червячные передачи; 9, 15, 19 - электродвигатели; 10 - вал; 11 - опоры; 12 - подвижная тверса; 13 - гайки тверсы; 14 - зажимы; 17 - винт нижнего зажима; 18 - шкала динамометра; 20 - масляный насос

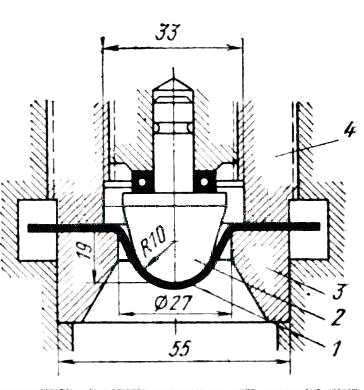
Проба на выдавливание, изображенная рисунке 2.3, служит для определения способности металла к холодной штамповке и вытяжке. Проведение испытаний готовой прокатной продукции рассмотренными способами требует отбора проб от листов или партии листов, изготовления образцов и испытаний, что вызывает дополнительные потерн металла, иногда до 0,5-1 % и большого объема трудоемких работ. Поэтому в последнее время все шире находят применение неразрушающие методы контроля [10].

Рисунок 2.3. Схема испытания на выдавливание: 1 - листовой металл; 2 пуансон; 3 - матрица; 4 - прижим

Химический анализ готовой прокатной продукции осуществляется методом отбора стружки от всего поперечного сечения не менее чем от трех штук готового проката. Причем, стружка берется прострожкой или сверлением в определенном месте на определенную глубину. Полученная стружка должна быть тщательно перемешана в рентгеноспектрометр, представленный на рисунке 2.4, для определения химического состава [11].

Рисунок 2.4 Схемы спектрометров: а - Соллера; б - Иоганна; в - Кошуа

2.3    Предмет и методы исследования


Предметом исследования является нестареющая сталь марки 08Ю, предназначенная для холодной штамповки. Основная часть производимого металла предназначена для штамповки облицовочных деталей кузовов, такие как крылья, двери, крышка капота, багажника и т.д. Другая часть производимого металла задействована в других отраслях, чаще всего бытовых.

Холодная штамповка предполагает определенные требования к качеству поставляемого металла, он должен быть мягким, за счет малого количества атомов внедрения, и углерод в данном случае не является исключением. Помимо малой твердости, потребитель предъявляет очень жесткие требования к качеству поверхности, не должно быть вкатанных в поверхность инородных частиц, должны отсутствовать цвета побежалости и т.д. Относительное удлинение, в зависимости от способности к вытяжке должно лежать в пределах 26 - 34 %. Все требования предъявляемые стали 08Ю регламентированы ГОСТ 9045-93 « Прокат тонколистовой холоднокатаный из низкоуглеродистой качественной стали для холодной штамповки».

Объектом исследования послужили колпаковые печи периодического действия, в которых производится рекристаллизационный отжиг металла. Термическая обработка является финальной стадией в производстве холодного проката, поэтому она оказывает большое влияние на качество и свойства получаемой продукции. Основным недостатком данных печей является их периодичность и, как следствие, время, затрачиваемое на проводимую обработку. В данных условиях приходится выбирать между производительностью печей и качеством продукции. Целью исследования послужило устранение недостатков уже имеющейся технологии для обеспечения оптимального соотношения производительности и качества.

Методом исследования послужил анализ и переработка списка литературы, подбор оптимальных технологических параметров с учетом достоинств и недостатков.

3       Структуры холоднокатаного металла


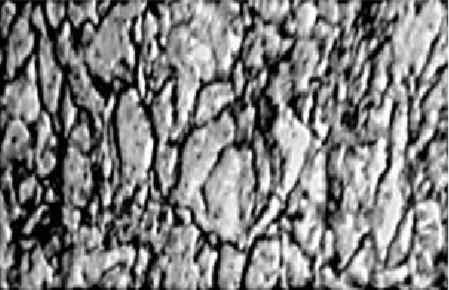
После холодной прокатки структура и свойства металла меняются: временное сопротивление разрыву и твердость увеличиваются, в то время как уменьшается предел текучести. Как видно из рисунка 3.1 структура металла приобретает текстуру деформации. Такая структура характеризуется анизотропией свойств, высокими прочностными и малыми пластическими характеристиками [5].

Рисунок 3.1 Структура холоднокатаной стали 08Ю

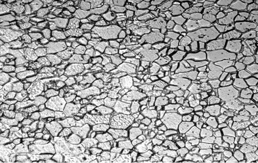
Для восстановления свойств металла применяли рекристаллизационный отжиг одностопной в колпаковой печи периодического действия по температурному режиму, указанному в таблице 1.5, при этом был получена полностью рекристаллизованная структура металла, показанная на рисунке 3.2.

Представленные структура, показанная на рисунке 3.2, получена в результате отжига в колпаковых печах. Режим отжига показан на рисунке 3.3.

Х500

Рисунок 3.2 Микроструктура холоднокатанных отожженых образцов в колпаковой печи

Рисунок 3.3 Режим отжига стали 08Ю в колпаковой печи

Помимо нагрева, выдержки и охлаждения, на графике присутствует, так называемая, операция перестаривания. Суть перестаривания заключается в том, что металл при регулируемом охлаждении, быстро охлаждается от температуры 500 до 300 °C, после чего снова нагревается, но уже до 450 °C, после чего охлаждается по обычному режиму. При быстром охлаждении из стали выделяются нитриды и карбиды, влияющие на свойства стали не благоприятно. Последующий нагрев и охлаждение уменьшает размеры избыточных фаз, что снижает их вредное влияние [2, 8].

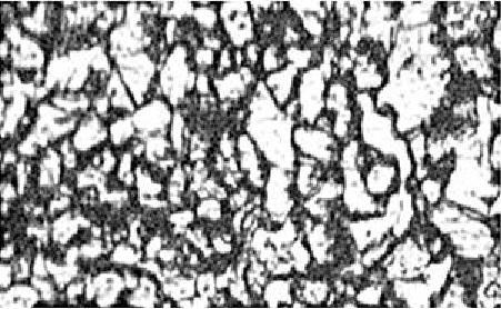
Также рекристаллизационный отжиг проводят в агрегате непрерывного отжига по температурному режиму, указанному в таблице 1.6, при этом была получена полностью рекристаллизованная структура, с балом зерна 5 - 7, показанная на рисунке 3.4.

X500

Рис 3.4 Микроструктура холоднокатанных отожженых образцов в АНО. При увеличении

Представленныая структура, показанная на рисунке 3.4, получена в результате отжига в АНО. Режим отжига показан на рисунке 3.5.

В данном режиме отжига присутствует также процесс перестаривания, проходящий при 370 ± 20 oС. Это связанное с тем, что если температура перестаривания превышает 500 oС, растворимость углерода при этом сравнительно велика и эффект перестаривания получается незначительным. В то же время при температурах ниже 350 oС скорость диффузии углерода оказывается низкой и требуется большое время для выдержки. Выдержка при температуре 350-450 oС в течение первых 60 секунд вызывает заметное снижение твердости; дальнейшее увеличение времени перестаривания не приводит к существенному изменению указанной характеристики. При оптимальных температурах и времени перестаривания карбиды выделяются в высокодисперсной форме, в результате чего наблюдается обеднение феррита углеродом и, как следствие этого, повышение пластичности.

В ходе технологического процесса свойства стали меняются, как показано в таблице 3.1 [2,5].

Рис 3.5 Режим отжига стали 08Ю в АНО

Таблица 3.1 - Изменение свойств стали в ходе технологического процесса


Временное сопротивление разрыву σв, Н/мм2

Предел текучести σт, Н/мм2

Относительное удлинение δ4, %

Относительное сужение Ψ, %

Горячекатаный металл

290

175

35

60

Холоднодеформированный металл

666,4

530

1,5

2,6

Металл, отожженый в колпаковой печи*

250 - 390

195 - 205

26 - 34

53 - 61

Металл, отожженый в АНО*

240 - 385

192 - 203

29 - 36

56 - 64

Примечание: знаком «*» отмечены характеристики, варьируемые в зависимости от способности к вытяжке

Заключение


. В процессе производства холоднокатаной стали возникает необходимость в светлом рекристаллизационном отжиге листового проката. Наиболее распространенным способом термической обработки такого проката, является отжиг в колпаковых печах. Положительными качествами данного оборудования являются надежность, неприхотливость к температурным режимам и контролируемым атмосферам. К недостаткам следует отнести неравномерность прогрева садки, сваривание витков, длительность обработки, доходящую до 50 часов, применения для их обслуживания мостовых кранов большой грузоподъемности.

. Другим, не менее распространенным, инструментом отжига является агрегат непрерывного отжига. К преимуществам агрегатов непрерывного отжига можно отнести краткость цикла отжига, высокую производительность, равномерность прогрева, исключение многих вспомогательных и транспортных операций, относительно низкую себестоимость процесса. К недостаткам АНО можно отнести их габариты, что достаточно сильно удлиняет здание цеха, ограничения по толщине отжигаемой полосы.

. Учитывая вышеизложенное, следует отметить, что агрегат непрерывного отжига, лишенный множества недостатков колпаковых печей, является более прогрессивным и производительным инструментом для проведения рекристаллизационного отжига холоднокатаного листового металла. Металл после термообработки в АНО имеет лучшее механические свойства, что безусловно отразится на качестве конечного продукта. Однако непрерывный отжиг требует более тщательной подготовки технологии и ее контроля.

. В настоящей работе разработаны эффективные режимы рекристаллизационного отжига как в колпаковых печах, так и в АНО заключающиеся в следующем:

Для колпаковой печи:

Нагрев до 690 oС с замедленным нагревом от 450 до 550 oС;

Выдержка ~ 17 часов;

Замедленное охлаждение, со скоростью 0,21 oС/мин до 640 oС и со скоростью 0,22 oС/мин до 600 oС.

Выдержка под колпаком в течении 5 часов.

Для АНО: