Материал: Система импульсного газа

Внимание! Если размещение файла нарушает Ваши авторские права, то обязательно сообщите нам

СПБГУАП группа 4736 https://new.guap.ru/i03/contacts

5. Система импульсного газа

Назначение и состав системы импульсного газа

Система импульсного газа КС должна обеспечивать подготовку и подачу газа к узлам управления и пневмоцилиндрам для перестановки кранов технологического, топливного и пускового газа, а также к контрольно-измерительным приборам и устройствам для передачи командных импульсов.

Система импульсного газа включает в себя: трубопроводы и коллектор импульсного газа; запорную и предохранительную арматуру, свечи для стравливания газа; адсорберы, фильтры осушители, вымораживатели, емкости хранения импульсного газа; трубные проводки гибкие резиновые шланги.

Трубопроводы и трубные проводки импульсного газа не должны иметь неплотностей, резких перегибов и местных сужений и обеспечивать свободное прохождение импульсного газа.

Импульсный газ в систему отбирается из двух различных участков технологических коммуникаций компрессорного цеха:

из входного коллектора после пылеуловителей;

из выходного коллектора цеха.

Для обеспечения бесперебойной работы узлов управления кранами технологического, топливного и пускового газа, импульсный газ должен быть предварительно очищен и осушен. Степень очистки и осушки импульсного газа должна исключать заедания и обмерзание работы исполнительных органов при температуре окружающего воздуха до -50°С (-60°С для районов Крайнего Севера).

Очистка и осушка импульсного газа

В настоящее время широкое применение получили фильтры - осушители импульсного газа на жидком абсорбенте.

Фильтры - осушители

Назначение

Фильтры предназначены для очистки от механических примесей и осушки природного газа, подаваемого в узел управления краном - индивидуальный фильтр - осушитель или группы кранов - централизованный фильтр - осушитель.

Фильтры предназначены для работы с природным газом, содержащим до 10 г. воды в 1 н.м3 газа, рассчитаны для работы в индивидуальном режиме, т. е. во время перестановки кранов на принципе барботирования газа через смесь чистых гликолей: диэтиленгликоля и этиленгликоля с последующей очисткой взвешенных частиц в фильтре тонкой очистки.

Индивидуальный фильтр - осушитель (Ф)

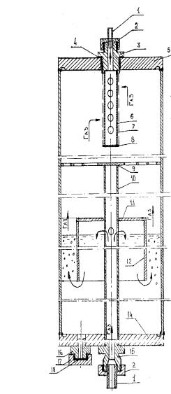
Индивидуальный фильтр - осушитель состоит из следующих основных частей: (Рис.2.6.1.)

СПБГУАП группа 4736 https://new.guap.ru/i03/contacts

Рис. 2.6.1. Фильтр - осушитель импульсного газа.

цилиндрический корпус 13;

верхней 5 и нижней 14 заглушек (днищ);

штанга 10 из трубы с четырьмя отверстиями, приваренной к нижней заглушке 14;

кольцо 11;

стакан 12 приварен к штанге 10;

брызгоотбойная решетка 9;

штуцер 15 приварен к нижней заглушке 14, для подвода газа;

штуцер 16, для слива абсорбента.

Вверней части фильтра установлен фильтр - патрон, состоящий из перфорированной трубы 6 один конец которой приварен к штуцеру 3, который ввинчивается в заглушку 5, другой конец заглушен донышком 8, перфорированная труба 6 обвернута металлической сеткой 7.

Фильтр устанавливается вертикально штуцерами 15,16 вниз.

 

Основные технические данные фильтра - осушителя импульсного газа.

Рабочее давление Мпа (кг/см2)

7,5 (75)

Температура окружающей среды

233 -253 К

Рабочий реагент:

 

диэтиленглиголь % не менее

85

этиленгликоль % не менее

15

СПБГУАП группа 4736 https://new.guap.ru/i03/contacts

Влагосодержание очищаемого

 

природного газа г/Нм3, не более

10

Ориентировочная заправочная

 

емкость абсорбента, м3

0,02

Принцип работы фильтра

При поступлении газа через нижний штуцер 15 в стакан 12 - давление внутри последнего будет увеличиваться и вытеснять жидкий сорбент в щель между стаканом 12 и корпусом 13. Газ вытеснив абсорбент из стакана 12 будет вырываться из нижней части и барботироваться через абсорбент, очищаясь от влаги и механических примесей. Решетка 9 служит для отбоя брызг и пены жидкости. Очищенный газ из фильтра через верхний штуцер 3 поступает на крановый узел.

Для предотвращения выброса жидкого абсорбента в узел управления крана при среднем часовом расходе более 18 м/час необходимо в штуцере для подвода газа устанавливать диафрагму d = 4,3 - 4,5 мм.

Индивидуальные фильтры - осушители устанавливаются для отдельно стоящих кранов. Схема подключения индивидуального фильтра - осушителя представлена на рис.2.6.2. Фильтры индивидуальной осушки для кранов 1 и 2 подключаются по схеме,

представленной на рис. 2.6.3.

Рис. 2.6.3. Установка фильтра - осушителя для кранов № 1 и № 2.

Отбор импульсного газа для предотвращения открытия кранов 1 и 2 при производстве ремонтных работ необходимо брать из контура нагнетателя.

Централизованный фильтр - осушитель (ФЦ)

Для обеспечения осушенным импульсным газом групп кранов (кранов «гитары», кранов узла подключения, группы линейных кранов и перемычек) применяются установки

СПБГУАП группа 4736 https://new.guap.ru/i03/contacts

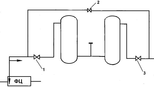
централизованной осушки импульсного газа (ФЦ). Рис. 2.6.4.

Рис. 2.6.4. Установка централизованной осушки импульсного газа.

Установка состоит из двух емкостей d = 800 мм. l= 2000 мм. установленных вертикально, соединенных в нижней части трубопроводом Ду= 50 мм., емкости заполняются смесью растворов диэтиленгликоля (ДЭГа) и этиленгликоля (ЭГа) на 1/4 части объема емкостей. В одной из емкостей устанавливается в нижней части барботажное устройство, а верхней части решетка - успокоитель и фильтр тонкой очистки газа. Другая емкость служит для удержания жидкого абсорбента и выброса его в подводящие трубопроводы при резких падениях давления газа на входе.

Основные технические данные установки осушки импульсного газа

 

1.

Рабочее давление МПа (кг/см2)

7,5

(75)

2.

Температура окружающей среды

233 - 353 К

3.

Параметры стружки фильтра тонкой очистки: стружка

 

1 - 1,5

 

стальная витая без требования к маркам сталей с

 

 

 

толщиной среза в мм. не более

 

 

4.4. Рабочий реагент:

а)

диэтиленгликоль % не менее

85

 

этиленгликоль % не более

15

б)

диэтиленгликоль % не менее

75

 

вода % не более

25

5.

Влагосодержание очищаемого природного газа в г/нм3,

10

 

не более

 

6.

Заправочная емкость абсорбента, м3

6. 0,5

7.Производительность максимальная в момент 0,108 открытия кранов, м3/сек. (при Р = 75 кг/см2)

СПБГУАП группа 4736 https://new.guap.ru/i03/contacts

Принцип работы установки (ФЦ)

Газ поступает в первую емкость через верхний штуцер и передавливает жидкий абсорбент через нижний штуцер и трубопровод во вторую емкость. Газ проходя через барботажное устройство второй емкости проходит очистку от механических примесей и воды барботируя через жидкий абсорбент, собирается в верхней части емкости, попадает в фильтр тонкой очистки, где происходит окончательная очистка от распыленных частиц абсорбента путем осаждения их на поверхности металлической стружки и войлока и поступает в коллектор импульсного газа.

Для уменьшения выброса абсорбента через фильтр тонкой очистки в импульсный трубопровод необходимо:

а) установить диафрагму d = 7 мм. не более при входе газа в 1ю емкость;

б) предусмотреть установку дополнительной емкости очищенного газа равной общему объему цилиндров всей группы кранов.

Диафрагма подбирается из расчета заполнения дополнительной емкости газом до рабочего давления за 15 минут.

Отборы газа на фильтры производится через обратные клапана 1 для резервирования импульсного газа на случай разрыва газопровода.

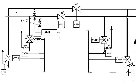
На рис.2.6.5. представлена схема подключения емкостей централизованной осушки (ФЦ) узла подключения КЦ.

Рис. 2.6.5. Установка фильтров - осушителей для обеспечения осушенным импульсным газом кранов узла подключения цеха.

На рис.2.6.6. представлена схема обеспечения осушенным импульсным газом группы линейных кранов и перемычек.

Схема обеспечения осушенным импульсным газом кранов «гитары» компрессорного цеха представлена на рис. 2.6.7. Объем импульсного газа, резервируемый в системе осушенного газа, должен обеспечивать перестановку всех кранов ГПА (кроме кранов 1 и 2). Осушка (рис. 2.6.7.) устанавливается на каждый цех.