Объем находится по формуле:
получаем, что масса находится из выражения:
Из формулы:
найдем необходимую мощность для разогрева:
Найдем потери мощности на нагрев элементов преобразователя, а
также потери в индукторе, вымываемые охлаждающей водой, из выражения:
где
η - КПД преобразователя. Как правило,
транзисторные преобразователи имеют КПД приблизительно 90%, а учитывая потери
на нагрев воды и окружающей среды, примем значение КПД ![]()
Исходя из рассчитанной мощности и напряжения сети, найдем ток в
индукторе:
где Ud - выпрямленное напряжение, которые равно:
где n - число фаз.
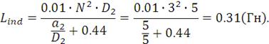
Из конструкции индуктора определим его индуктивность из выражения
[11]:
где N - количество витков. Количество витков
возьмем из отношения высоты индуктора к диаметру провода. К установке примем
провод толщиной 1.5 см, тогда количество витков будет равно:
Оставшиеся 0.5 см будут составлять лаковое покрытие и воздушный зазор между витками.
Зная нужные нам параметры, вычислим индуктивность индуктора:
Для обеспечения резонанса в колебательном контуре нагрузки,
необходимо, чтобы собственная частота RC-контура
была равна (или близка) частоте преобразования. Это можно записать выражением:
следовательно, можем найти емкость, необходимую для установки в
колебательный контур, из этого выражения:
Для более точного подбора значения емкости, примем в качестве конденсатора нагрузки C составной конденсатор, состоящий из двух - C1 и C2, как показано на рисунке 2.2.
Тогда суммарное значение емкости конденсаторов будет равно:
Путем подбора значений, определим, что емкости конденсаторов
должны быть равны:
Рисунок 2.2 - Распределение энергии между двумя конденсаторами
загрузки
К установке примем конденсаторы DCT3UF4102KB8B и DCT3UF4472KB8B фирмы muRata [12]. Технические характеристики конденсатора представлены в
таблице 2.1.
Таблица 2.1 - Технические характеристики конденсаторов
колебательного контура.
Параметр
Значение
Максимальное напряжение высокой частоты, В
30 · 103
Номинальная реактивная мощность, ВАр
300 · 103
Максимальное значение тока, А
60
К расчету собственной частоты колебательного контура подходят
с особой тщательностью, т.к. пропускная способность последовательного контура
будет ограничена очень малым диапазоном частот из-за конденсатора, который для
остальных частот будет иметь сопротивление, стремящееся к бесконечности.
Приведем структурную схему преобразователя на рисунке 3.1.
Рисунок 3.1 - Структурная схема установки индукционного
нагрева
Неуправляемый выпрямитель служит преобразователем переменной
энергии питающей сети в постоянное напряжение для последующего преобразования.
Постоянное напряжение подается на вход преобразователя частоты, где и
инвертируется с заданными параметрами. Компенсатор реактивной мощности - конденсаторная установка,
уменьшающая влияние преобразователя на питающую сеть, замыкая реактивную
энергию на себя. Компенсатор играет в мощных установках большое значение, т.к.
во-первых, это обусловлено относительной дороговизной электроэнергии, а также
ее большим дефицитом. Во-вторых, установки, потребляющие реактивную мощность,
снижают качество энергии, а также обуславливают создание электромагнитных
полей, что влияет на здоровье обслуживающего персонала. К тому же, реактивная
энергия со стороны извлекаемой из нее пользы является бесполезной, но иногда
даже превышает активную, что прямо влияет на работоспособность и обслуживание
таких установок [13]. В нашей схеме компенсатор позволит разгрузить силовые
ключи от реактивных токов.
Рисунок 3.2 - Зависимость мощности в колебательном контуре от
частоты
Для выбора устанавливаемых конденсаторов в качестве
компенсаторов реактивной мощности, необходимо вычислить количественное значение
этой мощности. По методике [14] определим значение реактивной мощности по
формуле:
где φ1 - угол коэффициента
нагрузки без компенсации реактивной мощности, эл. град.;
φ2 - планируемый угол
коэффициента нагрузки с компенсацией, эл. град.
Исходя из опытных данных [9,15], коэффициент мощности без
компенсации реактивной мощности (особенно на высоких частотах или при больших
мощностях) очень мал, порой способен достигать значения cos (φ) = 0.2, но обычно принимается в пределах 0.5.0.6. В данном курсовом
проекте примем наихудшее значение из заданного предела, т.е. cos (φ1) = 0.5. Как отмечают современные издания,
коэффициент мощности современных транзисторных установок довольно таки высок и
варьируется в окрестности значения cos (φ) = 0.9. Однако для расчетов
примем менее хороший результат и допустим, что полученный коэффициент нагрузки
равен cos (φ1) = 0.8.
Итак, получаем значение:
Затем нам необходимо определить суммарную емкость
компенсирующего устройства. Это значение мы вычислим из выражения:
Выражая из равенства параметр C и подставляя известные
данные, получаем:
В качестве конденсаторов для установки примем ряд параллельно
включенных специальных конденсаторов E50. N23-344N50-320 и E50. N23-344N50-60 производителя Electronicon [16] номиналами 320 и
60мкФ соответственно. Конденсаторы предназначены на напряжения 900В, не создают
паразитных высокочастотных связей с индуктивной нагрузкой и имеют диапазон
рабочих частот, охватывающий мегагерцовую отметку.
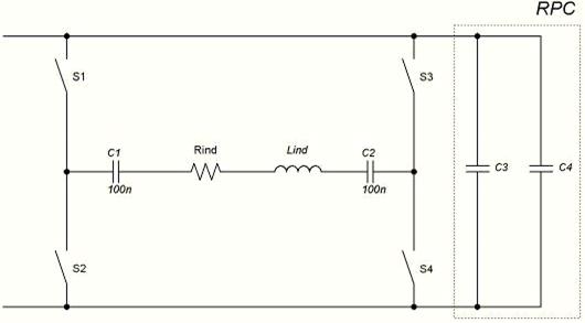
Так как преимущественно реактивная энергия проходит через
электронные ключи, а не циркулирует в колебательном контуре, конденсаторную
установку подключим параллельно преобразовательному мосту, как показано на
рисунке 3.3.
Рисунок 3.3 - Подключение компенсатора реактивной мощности
Выберем силовые транзисторы для преобразователя частоты.
Важными параметрами для выбора вентилей являются: напряжение, прикладываемое к
ключу, значение тока коллектора, а также частота переключения.
В предлагаемой нами схеме выпрямленное напряжение и ток
делится между двумя силовыми приборами, но для исключения сбоя работы
компенсатора реактивной мощности или в случае протекания неучтенных по
каким-либо причинам реактивных токах, выберем транзисторы с большим запасом.
К установке выберем транзисторы IRGS30B60K фирмы International Rectifier [17] и проверим, сможет
ли он работать в проектируемых условиях. Технические характеристики приведены в
таблице 3.1.
Таблица 3.1 - Технические характеристики силовых
транзисторов.
Параметр
Значение
Максимальное напряжение перехода
коллектор-эмиттер, В
600В
Действующее значение тока при температурах 25°
и 100°С, А
78, 50
Максимальная мощность рассеивания корпусом, Вт
370
Максимальное время задержки выключения, с
200 · 10-9
Максимальное время спада, с
40 · 10-9
Диапазон рабочих температур,°С
-55.175
Паразитная индуктивность перехода, Гн
7.5 · 10-9
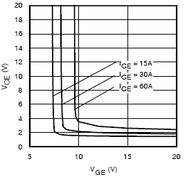
Определим из графика на рисунке 3.4 зависимости падение
напряжения на транзисторе от напряжения затвор-эмиттер.
Падение напряжения равно: Эти значения равны:
- - Также, для определения температуры кристалла во время работы
транзистора, определим термический коэффициент в установившемся режиме из
зависимости.
Рисунок 3.4 - Зависимость падения напряжения на транзисторе
от напряжения затвор-эмиттер
Рисунок 3.5 - Зависимость энергий включения и выключения от
тока коллектора
Получаем значение: Определим динамическую и статическую мощности, выделяемую на
транзисторе:
Рисунок 3.6 - Зависимость температурного коэффициента от времени
Суммарная мощность будет равна:
Тогда температура кристалла с учетом максимальной температуры
окружающей среды будет равна:
Как видно, мощность, рассеиваемая в транзисторе, меньше значения,
которое корпус транзистора может рассеять без принудительного охлаждения, а
температура кристалла меньше допустимого максимального значения. Однако, для
исключения возможных выбросов мощности переключения, желательно применить радиатор.
Транзистор IRGS30B60K не содержит в
корпусе обратного диода, поэтому выберем для установки силовой диод RHRG75120 фирмы Fairchild Microsemi
[18], характеристики которого указаны в таблице 2.3.
Таблица 3.2 - Технические характеристики силового диода RHRG75120.
Параметр
Значение
Максимальное обратное напряжение, В
1200
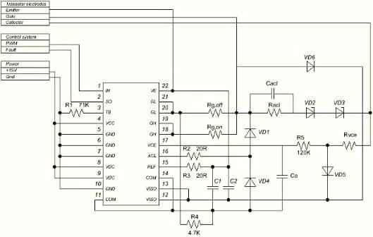
Максимальный прямой ток, А Элементы разместим так, как показано на рисунке 3.7.
Рисунок 3.7 - Мостовая схема преобразователя частоты
Вместо транзисторов подключены силовые диоды для облегчения
работы системы управления, а также из-за возможной рассогласованности при
работе накрест лежащих ключей из-за разброса параметров. На противоположном
плече подключим диоды такие же, что и на снабберных цепях - RHRG75120.
Так как нагрузка у частотного преобразователя индуктивная,
создаваемая противо-эдс во время выключения пары транзисторов в сумме с
напряжением питания может превысить допустимое значение для силового ключа и
вывести его из строя. Для этих целей применяют снабберы - устройства,
позволяющие ключу быстро восстановить свои запирающие свойства или принять
большую нагрузку переключения на себя.
Простейшая реализация снабберов - RC-цепочка, подключенная
параллельно силовому ключу. Для расчета параметров RC-цепи воспользуемся
методикой [19].
Емкость снаббера рассчитывается из соображений:
где Ls - паразитная индуктивность шины, Гн;
Upeak - максимально допустимое напряжения для
транзистора, В.
Номинал снабберного резистора рассчитывается выражением:
а мощность резистора:
Используя рассчитанные раннее данные, найдем номиналы
снабберов:
Принцип установки снабберов указан на рисунке 3.8.
Рисунок 3.8 - Снабберная цепочка для транзистора
Основные критерии для выбора ключей неуправляемого
выпрямителя - это максимальный прямой ток фазы и обратное напряжение.
В качестве ключей неуправляемого выпрямительного моста
выберем диодный модуль KBPC5006W производителя DC Components [20]. Их
характеристики представлены в таблице 3.3.
Для уменьшения пульсаций в первичной обмотке трансформатора
питающей сети в качестве нагрузки неуправляемого выпрямителя примем фильтрующую
индуктивность. Тогда конденсатор будет одновременно являться источником
напряжения для преобразователя частоты, что соответствует решениям, описанным
раннее.
Таблица 3.3 - Технические характеристики выпрямительного
моста KBPC5006W.
ПараметрЗначение
Максимальное обратное напряжение, В
600
Максимальный прямой ток, А
50
Для расчета фильтра воспользуемся методикой, указанной в
[21]. Индуктивность дросселя должна быть больше, чем:
где Rload - эквивалентное
сопротивление нагрузки, Ом. Можно найти его из соотношения:
m - пульсность выпрямительного устройства. Для
мостовой трехфазной схемы m = 6;
ω - круговая частота
выпрямляемого напряжения:
Подставляем найденные данные в выражение:
Емкость фильтрующего конденсатора находится из выражения:
где S - коэффициент фильтрации. Для простоты расчетов
можем задаться этим значением: S = 0.1.
Тогда:
Для установки в качестве фильтрующих элементов примем:
конденсатор B25620B0707K822 фирмы Epcos [22] номиналом 660мкФ.
Его параметры указаны в таблице 2.4; индуктивность STP561 фирмы Schmid-Multitech [23] номиналом 560мГн.
Для улучшения качества фильтрования, перед нагрузкой
установим электролитический конденсатор номиналом приблизительно на порядок
меньше основного. Примем к установке алюминиевый электролитический конденсатор B43699 номиналом 47мкФ
производителя Epcos [22].
Принципиальная схема выпрямителя и сглаживающего фильтра
представлена на рисунке 3.9.
Рисунок 3.9 - Принципиальная схема неуправляемого выпрямителя
и сглаживающего фильтра
Полная принципиальная схема преобразователя частоты представлена
в графической части.
Существует множество способов управления частотными
преобразователями. К наиболее часто применяющимся относят широтно-импульсный и
частотно-импульсный. Частотно-импульсный и фазово-импульсный способы,
применительно к системам индукционного нагрева, пересекаются и можно сказать,
что для таких преобразователей метод является одинаковым, так как за подстройкой
фазы управляющих импульсов, начинает изменяться частота, что ведет к изменению
мощности в нагрузке.
Также существует различное множество реализаций данных
способов управления, начиная от узкофункциональных блоков на дискретных
элементах, заканчивая огромным выбором микропроцессорных систем, позволяющие
решать так много задач и вычислений, насколько это позволяют доступные
средства, а также требует техническое задание.
В последнее время очень широко применяются системы на ПЛИС
как аналог микропроцессора из-за своей функциональности, а также как
микроконтроллер из-за широты своих возможностей. Спроектируем систему
управления преобразователем на базе ПЛИС и разработаем блок-схему управления
частотным преобразователем.
Блок-схема управления представлена на рисунке 4.1.
Рассмотрим детальней принцип работы системы управления: после
подачи команды старта процесса нагрева, система подает тестовые два импульса на
силовые ключи, т.е. происходит один период процесса преобразования. Далее
происходит анализ колебательного контура (или силовых ключей, в зависимости от
принципа защиты). В нашем случае можно фиксировать состояния с драйверов
транзисторов или фиксировать ток с шунта колебательного контура напрямую. Это
дает нам предварительную оценку о состоянии готовности системы в целом, а также
предупреждает о возможном аварийном состоянии. Например, срабатывание защиты по
току может быть из-за причины отсутствия в индукторе заготовки, либо в
индукторе находится слишком маленькая деталь, либо какой-то транзистор уже
выведен из строя.
В случае срабатывания защиты, на индикаторы будет выведена
необходимая информация, а система снова вернется в режим ожидания. Если система
прошла проверку успешно, начнется работа инвертора, причем, начальное значение
частоты коммутации будет равно 1КГц. Это делается для предотвращения разрушения
металла, когда энергия резко вводится в нагрузку.
По мере работы преобразователя частота коммутации будет
увеличиваться, т.е. сравниваться с заданием, мощность, отдаваемая в нагрузку,
будет повышаться либо наоборот, уменьшаться.
Предполагается, что программироваться ПЛИС будет на
современном языке высокого уровня VHDL, в котором возможны параллельные
вычисления [24]. Поэтому, по мере работы преобразователя будут сканироваться
данные с датчиков, а также проверяться, не была ли отключена система
пользователем. Более детальное сканирование драйверов транзисторов будет
произведено после выхода преобразователя в установившийся режим и при
отсутствии команды об окончании процесса.
В случае нажатия кнопки окончания процесса нагрева, мощность
в нагрузке будет постепенно контролируемо уменьшаться, что даст возможность
уберечь индуктор от возможных разрушений.
Любой аварийный режим в ходе работы преобразователя будет
зафиксирован системой. В этом случае питание для силовых транзисторов будет
отключено и система будет заблокирована до принятия команды, которая оповестит
ПЛИС об устранении неисправности.
Возможности ПЛИС делают доступным управление преобразователем
удаленно. Для этого целесообразно установить мост USB-UART, связывающий сервер
и систему нагрева. Это удобно в случае, когда оператор находится далеко от
преобразователя, либо в случае, когда высокие частоты могут оказать ущерб
здоровью обслуживающего персонала.
Важной особенностью проектирование системы управления
является подбор согласующего звена между системой и силовым ключом.
Особое распространение получили драйверы, т.к. являются не
только согласующим звеном, а и распределителем импульсов, средством защиты от
аварийных ситуаций, а в некоторых случаях - индикация данных на внешние
устройства. Все это зависит от функциональности драйвера.
В нашей системе применим одноканальный драйвер 1SC2060P фирмы Concept [25], который способен
управлять транзисторами IBGT или MOSFET большой мощности, обеспечивая при этом
как высокое быстродействие, так и надежность отпирания ключей. Схема
подключения рекомендована в информации об устройстве и представлена на рисунке
4.2.
USB-мост необходим для связи ПЛИС с удаленным
устройством для управления преобразователем на расстоянии.
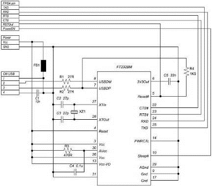
В качестве драйвера USB-UART выберем микросхему FT232BM производителя FTDI Chip [26]. В информации о
продукте представлена рекомендуемая схема подключения к микросхеме. Отобразим
ее на рисунке 4.3.
Рисунок 4.1 - Блок-схема работы системы управления
преобразователем частоты
Рисунок 4.3 - Принципиальная схема подключения USB-моста к
ПЛИС
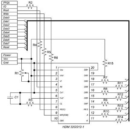
Особых требований к ЖК индикатору не предъявляется, поэтому
остановимся на одном из экономичных с точки зрения питания, а также времени
обработки информации. Выберем для подключения индикатор HDM 32GS12-1 фирмы Hantronix [27].
Исходя из данных из информации о продукте, отобразим схему
подключения индикатора к микросхеме на рисунке 4.4.
Рисунок 4.4 Принципиальная схема подключения ЖКИ-индикатора
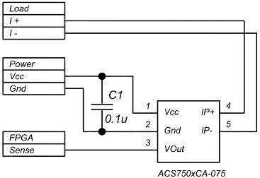
Измерить ток в индукторе дискретными элементами представляет
большую сложность, так как логические устройства не предназначены для входящего
тока в несколько десятков ампер, а понижение даст существенную погрешность и
само по себе будет энергоемким, воспользуемся специальными датчиками тока,
основанными на эффекте Холла.
Для установки примем датчик ACS750xCA-075 фирмы Allegro Microsystems Inc. [28], способный
измерять токи величиной до 75А.
Принципиальная схема подключения устройства указана на
рисунке 4.5.
Рисунок 4.5 Принципиальная схема подключения датчика тока
Полная принципиальная схема системы управления представлена в
графической части.
Для моделирования силовой части схемы воспользуемся пакетом
автоматического проектирования OrCAD.
Принципиальная схема, работа которой моделировалась в ходе
исследования работы преобразователя частоты, представлена на рисунке 5.1.
За неимением в базе OrCAD необходимых нам моделей силовых
ключей, воспользуемся аналогами, имеющими похожие электрические характеристики,
а именно: вместо силовых транзисторов - APT75GL60BN фирмы Advanced Power Technologies [29], а вместо всех
диодов - HFA25TB60 фирмы International Rectifier [17].
Диаграммы напряжения нагрузки представлена на рисунках 5.2 и
5.3 Диаграммы тока нагрузках - на рисунке 5.4 и 5.5.
Для опредления среднего значения мощности, выделямой в
нагрузке, воспользуемся командой avg (x) в пакете симуляции PSpice.
График изменения мощности от времени указан на рисунке 5.6 Как видно из
графика, преобразователь выходит на необходимую нам мощность в нагрузке за 2.25×10-3с.
Рисунок 5.1 - Принципиальная схема моделируемого преобразователя
Рисунок 5.2 - Диаграмма напряжения нагрузки
Рисунок 5.3 - Диаграмма напряжения нагрузки на коротком периоде
Рисунок 5.4 - Диаграмма тока нагрузки
Рисунок 5.5 - Диаграмма тока нагрузки на коротко периоде
Рисунок 5.6 - График роста средней мощности в нагрузке
Результатом курсового проекта стала разработанная силовая
часть преобразователя частоты для индукционного нагрева средней мощности и средней
частоты.
При проектировании учитывались не только электрические
параметры, а еще и тепловые процессы в ключах и нагрузке. Также, после изучения
рынка силовых полупроводниковых приборов, помимо предельных характеристик
компонентов при их выборе, был сделан акцент на надежность продукции
производителей, что играет ключевую роль при реальном проектировании
преобразователей.
Также при проектировке было учтено внимание наличию высших
гармонических составляющих в цепи преобразователя, которые так или иначе, могут
повлиять на его работу или на питающую сеть. Для подавления реактивной мощности
был предложен емкостной компенсатор реактивной мощности.
Была сделана попытка представить оригинальную, но весьма
надежную и точную систему управления, однако конечное заключение в выборе
остается за проектировщиком.
Более того, было произведено моделирование спроектированной
системы в пакете автоматического проектирования OrCAD, что позволило определить
правильность расчетов, а также увидеть недостатки идеальной модели для
последующего их устранения.
1. Забродин
Ю.С. - Промышленная электроника: Учебник для вузов. - М.: Высш. школа, 1982. -
496с., ил.
2. Преобразователи
частоты Веспер, устройства плавного пуска, станции управления электроприводом,
Украина. URL: http://www.vesper.com.ua/downloads/chrp. doc
(дата обращения 1.12.2010).
. Особенности
работы высокочастотного силового трансформатора в схеме последовательного
резонансного инвертора / С. Земан, А. Осипов, О. Сандырев // Силовая электроника,
2007г., вып.1 [Электронный ресурс]. URL: http://www.power-e.ru/2007_01_67. php (дата обращения 1.12.2010).
. Силовые
биполярные транзисторы с изолированным затвором (IGBT). URL:
http://www.gaw.ru/html. cgi/txt/publ/igbt/transistor. htm (дата обращения 1.12.2010).
5. Электронная
лампа - Википедия. URL: http://ru. wikipedia.org/wiki/Электронная_лампа (дата обращения 1.12.2010).
. Вестник
старого радио - выпуск 502. URL: http://www.amradio.ru/issues/issue502. htm
(дата обращения 1.12.2010).
. Индукционный
нагрев - Википедия. URL: http://ru. wikipedia.org/wiki/Индукционный_нагрев (дата обращения
1.12.2010).
8. An
overview of solid-state power supplies for induction heating / Don L. Loveless
// Proceedings
of the 17th Heat Treating Conference, 1.01.1997.
9. Богданов
В.Н., Рыскин С.Е. - Применение сквозного индукционного нагрева в
промышленности.М. - Л., Машиностроение, 1965. - 96с., ил.
. Слухоцкий
А.Е. - Индукторы/Под ред.А.Н. Шаманова - 5-е изд., перераб. и доп. - Л.:
Машиностроение. Ленингр. отд-ние, 1989. - 69с.: ил. - (Б-чка
высокочастотника-термиста: Вып.12).
11. Russian Hamradio - О некоторых закономерностях
пересчета параметров катушек индуктивности. URL: http://qrx. narod.ru/spravka/zp_pki. htm
(дата обращения 1.12.2010).
12. Murata
Manufacturing Co., Ltd. URL: http://www.murata.com/ (дата обращения 1.12.2010).
13. Реактивная
мощность, компенсация реактивной мощности, косинус фи, коэффициент мощности,
конденсаторная установка, батарея. URL: http://utek.com.ua/reactive-power-about.html (дата обращения 1.12.2010).
. Компенсация
реактивной энергии - Выбор компенсатора реактивной мощности или ФКУ. URL:
http://www.enkordis.com.ua/index. php?
option=com_sobi2&sobi2Task=sobi2Details&catid=25&sobi2Id=11&Itemid=143
(дата обращения 1.12.2010).
15. Слухоцкий
А.Е., Рыскин С.Е. - Индукторы для индукционного нагрева. - Л., Энергия, 1974. -
264с., ил.
16. Electronicon::
ELECTRONICON Kondensatoren GmbH. URL: http://www.electronicon.com/ (дата обращения 1.12.2010).
. International
Rectifier - The Power Management Leader. URL: http://www.irf.com/ (дата обращения 1.12.2010).
18. Fairchild
Semiconductor | Power Management & Mobile IP Solutions. URL:
http://www.fairchildsemi.com/ (дата обращения 1.12.2010).
19. Y.
Zhang, S. Sobhani, R. Chokhawala - Snubber Considerations for IGBT
Applications. - Kanzas St., International Rectifier Applications Engineering.
. DC
COMPONENTS CO., LTD. URL: http://www.dccomponents.com/ (дата обращения 1.12.2010).
21. Методические
указания к выполнению курсового проекта по дисциплине "Электронные
преобразовательные системы" / Сост.: А.Ф. Бондаренко - Алчевск: ДонГТУ,
2007 - 20с.
22. Epcos
- Electronic Components, Modules and Systems. URL: http://www.epcos.com/web/generator/Web/Sections/Home/Homepage,templateId=render,locale=en.html (дата обращения 1.12.2010).
23. Home
- Schmid-Multitech GmbH. URL:
. http://www.schmid-multitech. de/ (дата обращения 1.12.2010).
. Бибило
П.Н. - Основы языка VHDL - М.: СОЛОН-Р, 2002. - 224с.: ил.
26. Concept
Electronics. URL: http://www.conceptelectronics. ro/index.html (дата обращения 1.12.2010).
. FTDI
Chip Home Page. URL: http://www.ftdichip.com/ (дата обращения 1.12.2010).
28. HANTRONIX,
INC. - TFT LCD, OLED, Graphic, Character displays. URL: http://www.hantronix.com/ (дата обращения 1.12.2010).
29. Allegro
MicroSystems, Inc. URL: http://www.allegromicro.com/en/ (дата обращения 1.12.2010).
. Advanced
Power Technologies. URL: http://www.advpowertech.com/ (дата обращения 1.12.2010).
31. Методически
указания по оформлению курсовых проектов и работ / Сост.: Ю.Э. Паэранд, П.В.
Охрименко - Алчевск: ДГМИ, 2002. - 50с.
3. Структурная схема преобразователя, расчет и выбор
элементов силовой части схемы
3.1
Разработка и описание структурной схемы силовой части
3.2
Расчет компенсатора реактивной мощности
3.3
Расчет и выбор элементов преобразователя частоты
![]()
Далее, определим из графика на рисунке 3.5 энергию включения и
выключения транзистора.
![]()
![]()
![]()
3.4 Расчет и
выбор элементов снабберных цепочек для силовых транзисторов
3.5
Расчет и выбор элементов неуправляемого выпрямителя и сглаживающего фильтра
4. Выбор и
описание системы управления частотным преобразователем
4.1
Синтез и описание функциональной схемы работы системы управления
4.2
Выбор драйвера для силовых транзисторов
4.3
Выбор USB-моста

4.4 Выбор
ЖКИ.
4.5 Выбор
датчика тока
5.
Моделирование силовой части
Заключение
Список
использованной литературы