Материал: Шерстюк ДЗ

Внимание! Если размещение файла нарушает Ваши авторские права, то обязательно сообщите нам

Министерство науки и высшего образования Российской Федерации

Федеральное государственное бюджетное образовательное

учреждение высшего образования

ТОМСКИЙ ГОСУДАРСТВЕННЫЙ УНИВЕРСИТЕТ СИСТЕМ

УПРАВЛЕНИЯ И РАДИОЭЛЕКТРОНИКИ (ТУСУР)

Кафедра промышленной электроники (ПрЭ)

Контрольная работа

по дисциплине «Методы анализа и расчета электронных схем»

Вариант 25

Выполнил

студент гр. з-66

________ П.В. Шерстюк

Проверил

Старший преподаватель кафедры ПрЭ

________ К.В. Четвергов

2020

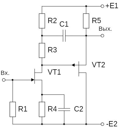
Задание

1. Определить значения параметров элементов.

2. Сформировать систему узловых уравнений методом эквивалентных схем.

3. Сформировать систему узловых уравнений обобщённым матричным методом.

4. Определить коэффициент передачи по напряжению, построить для него АЧХ и ФЧХ.

Рисунок 1 – Схема исследуемого усилителя

Решение

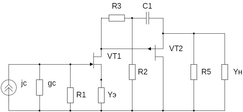
1. При составлении схемы замещения по переменному току из принципиальной схемы рис. 1 исключаем путем закорачивания источники питания Е1 и E2, так как это источники постоянной ЭДС. Источник входного сигнала в схеме замещения по переменному току представляем ветвью, содержащей параллельно включенные идеальный источник переменного тока и внутреннюю проводимость .

Для формирования математической модели в полном диапазоне частот в схеме замещения по переменному току учитываются все реактивные компоненты исходной схемы. Параллельно включенные конденсатор C2 и резистор R4 представлены одной ветвью с эквивалентной проводимостью

.

Нагрузка в схеме замещения по переменному току представлена ветвью с проводимостью .

Схема замещения по переменному току для полного диапазона частот представлена на рис. 2.

Рисунок 2 – Схема замещения по переменному току

для полного диапазона частот

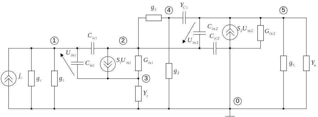
2. Для реализации метода эквивалентных схем полевые транзисторы в схеме замещения заменяются эквивалентными схемами (рис. 3).

Рисунок 3 – Линейная малосигнальная высокочастотная

физическая эквивалентная схема полевого транзистора

В эквивалентной схеме – ёмкость затвор-исток, – ёмкость затвор-сток, – крутизна характеристики полевого транзистора, – выходная проводимость.

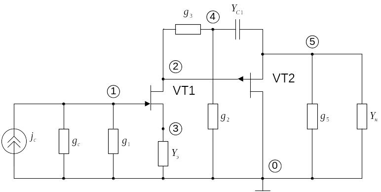
Замещая полевые транзисторы эквивалентными схемами, получим схему замещения, содержащую только двухполюсные компоненты (рис. 4).

Рисунок 4 – Схема замещения, содержащая только

двухполюсные компоненты

Сформируем укороченную матрицу проводимостей непосредственно по схеме замещения, содержащей двухполюсные компоненты и зависимые источники:

.

Для реализации обобщённого матричного метода сформируем схему замещения с многополюсными компонентами (рис. 5).

Рисунок 5 – Каноническая система независимых сечений

Укороченная матрица эквивалентных проводимостей пассивной части схемы имеет вид:

.

Неопределенная матрица проводимостей полевого транзистора имеет вид:

з с и

,

Матрицы независимых сечений для узлов полевых транзисторов:

з с и

.

з с и

.

Укороченная матрица проводимостей схемы формируется по выражению:

;

.

Таким образом, матрицы, полученные разными методами, одинаковые.

3. Выражение передаточной схемной функции:

Для выбранной системы сечений , , поэтому

4. Выражения для частотных характеристик могут быть получены из выражений для соответствующих схемных функций через формальную замену оператора Лапласа на оператор Фурье: .

Основными для оценки свойств усилителя являются амплитудно-частотная характеристика и фазо-частотная характеристика:

, .

Частотные характеристики, построенные при помощи MathCAD, приведены на рис. 6 и 7.

Рисунок 6 – Амплитудно-частотная характеристика

коэффициента передачи напряжения

Рисунок 7 – Фазочастотная характеристика коэффициента

передачи напряжения