
рис.
відповідає генератору з мостом Віна,
який часто застосовується.
При R3/R4>R1/R2+C2/C1 в пристрої виникають
автоколивання, частота яких визначається
формулою
.
Зазвичай використовують в частото-залежному
колі моста Віна рівні опори і
ємності R1=R2=R, C1=C2=C, а частоту
автоколивань знаходять з співвідношення
,
причому автоколивання виникають за
умови, що коефіцієнт підсилення
підсилювача, складеного з ОП і резисторів
R3 і R4, більше трьох. Іншими словами,
повинна виконуватись умова R3/R4>2.
Коливання що встановились у замкненому колі можливі лише за умови точної рівності одиниці коефіцієнта підсилення одиниці на частоті f0. Але для виникнення коливань потрібно, щоб на початку коефіцієнт підсилення був більше одиниці. Після виникнення автоколивань їх амплітуда стабілізується на такому рівні, при якому за рахунок нелінійного елементу в петлі коефіцієнт підсилення знижується до одиниці. Якщо не робити спеціальних заходів, то ця не лінійність проявляється в амплітудній характеристиці ОП, в цьому випадку форма автоколивань може помітно відрізнятись від синусоїди.
Для отримання гармонійних коливань з малим спотвореннями використовують інерційно-нелінійне коло негативного зворотного зв‘язку ОП. Потрібний характер не лінійності забезпечується тоді, коли із зростанням амплітуди сигналу зменшується опір R3 або збільшується опір R4. Тому замість R3 можна включити мініатюрний терморезистор або замість R4 – металевий терморезистор (наприклад мініатюрну лампочку накалювання). Малі розміри терморезистора в даному випадку потрібні для того, щоб забезпечити його розігрів відносно малопотужним сигналом.
Випрямлячем називається пристрій, в якому змінна напруга перетворюється в однополярну пульсуючу напругу, яку шляхом згладжування і стабілізації перетворюють в напругу постійного струму.
Розрізняють два види випрямлячів: трансформаторні і імпульсні (безтрансформаторні), структурні схеми яких наведено на рис.12.2.
а)

б)

Рисунок 12.2 – Структурні схеми трансформаторного (а) і імпульсного(б) випрямлячів:
– трансформатор силовий низькочастотний; – схема випрямляння вторинної напруги; – згладжувальні фільтри; – стабілізатор напруги; – завадо- загороджувальний фільтр; – схема випрямляння напруги мережі; – пусковий генератор; – система керування, захисту і стабілізації; – електронний ключ; – трансформатор імпульсний; – схема випрямляння імпульсів Т СВ 3Ф СН 33Ф СВм ПГ СКЗС ЕК ТІ СВІ
Випрямлячі класифікують за числом фаз - однофазні та багатофазні (останні - найчастіше трифазні). За потужністю випрямлячі бувають малої потужності (до 100 Вт), середньої (до 10 кВт) і великої (понад 10 кВт).
Є некеровані випрямлячі та керовані. Перші будуються на некерованих вентилях - на діодах, другі - на керованих - наприклад, на тиристорах.
За принципом дії випрямлячі поділяються на однотактні та двотактні.
Однотактими називають випрямлячі, у яких по вторинній обмотці трансформатора струм протікає один раз за період напруги мережі і лише у одному напрямку.
Важливим параметром випрямляча є кратність пульсацій випрямленої напруги m - відношення частоти пульсацій випрямленої напруги до частоти мережі. У однотактних випрямлячів він відповідає числу фаз мережі.
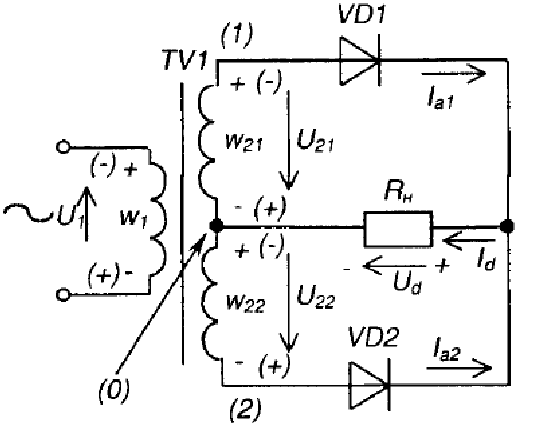
Двотактними (двопівперіодними) називають випрямлячі, у яких по вторинній обмотці трансформатора струм за період напруги мережі протікає двічі і у різних напрямках. Кратність пульсацій у двотактних випрямлячів дорівнює подвоєному числу фаз.
Робота випрямляча фактично полягає у тому, що навантаження за допомогою ключів так підмикається до джерела енергії напруги змінного струму, щоб за час кожного півперіоду його напруги (позитивного і негативного) струм у навантаженні протікав у 3 одному напрямку. Виходячи з цього, найважливішим вузлом випрямляча є вентильна схема - схема випрямлення.
Експлуатаційні характеристики випрямлячів
1) Основними експлуатаційними характеристиками є середня напруга на навантаженні Ud та його середній струм Id. Опір навантаження становить RH= Ud /Id
а його потужність Pd= Ud Id
2) Коефіцієнтом пульсації називається відношення амплітуди першої гармоніки Um1 випрямленої напруги, розкладеної в ряд Фур’є, до середнього значення Ud, Кn=Um1/Ud
3) Зовнішня (навантажувальна) характеристика Ud f (d)
4) Регулювальна характеристика и Ud f (d) е - - - кут керування
тиристорів (лише для керованих випрямлячів).
5) Частота пульсацій fn визначається кількістю випрямлених напівсинусоїд за
період 2п.
6) Середнє значення струму через вентиль Ia .
7) Амплітудне значення струму через вентиль Iam .
8) Амплітудне значення зворотної напруги, що прикладається до вентиля Uзв
9) Коефіцієнт корисної дії
10) Надійність.
Схеми випрямляння поділяться на однопівперіодні і двопівперіодні. Вони
характеризуються середнім значенням випрямленої напруги Ud , коефіцієнтом пульсації
Кп , частотою пульсацій fn і зворотною напругою Uзв .

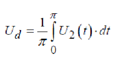
Середнє значення випрямленої напруги визначається формулою
і
чисельно дорівнює висоті прямокутника
з площею S2, яка рівна площі випрямленої
синусоїди, тобто Ud≈0,9U2.
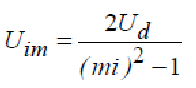
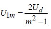
Коефіцієнт пульсації випрямленої напруги

де,
бо,
згідно з розвиненням у ряд Фур’є,
амплітуда i-ї
гармоніки
становить






