Материал: Сегнетоэлектрики, их свойства и применение

Внимание! Если размещение файла нарушает Ваши авторские права, то обязательно сообщите нам

Сегнетоэлектрики, их свойства и применение

Содержание

Введение

1. Механизм переполяризации

2. Фазовые переходы

2.1 Фазовые переходы в сегнетовой соли

2.2 Фазовые переходы в титанате бария

3. Керамические текстуры

4. Антисегнетоэлектрики

5. Сосуществование спонтанной поляризации и намагниченности

6. Применение

Заключение

Список использованных источников

сегнетоэлектрик спонтанная поляризация намагниченность

Введение

Есть целый класс кристаллов, в которых в результате собственной асимметрии электрических зарядов, поляризация существует и в отсутствие внешнего электрического поля. Такая поляризация называется спонтанной. Спонтанная поляризация  описывается полярным вектором, и следовательно, ее точечная симметрия есть ∞m. Вектор, параллельный вектору спонтанной поляризации сегнетоэлектрика, называется его полярным вектором. В соответствии с принципом Неймана спонтанная поляризация может реализоваться только в кристаллах, принадлежащих к десяти полярным группам: 1, 2, 3, 4, 6, m, mm2, Зmm, 4mm, 6mm. Во многих пироэлектрических кристаллах, таких как турмалин или сульфат лития, направление спонтанной поляризации нельзя изменить никакими внешними воздействиями.

Однако есть целый класс кристаллов, направление поляризации которых можно изменить внешним электрическим полем. Такие кристаллы в отечественной литературе принято называть сегнетоэлектриками, а само физическое явление - сегнетоэлектричеством. Это термин ввел в отечественный физический лексикон выдающейся физик И. В. Курчатов, который на заре своей научной деятельности занимался изучением этого класса кристаллов.

Курчатов назвал этот класс кристаллов по имени первого его представителя - сегнетовой соли, двойного тартрата калия и натрия - , моноклинные кристаллы которого принадлежат к классу 2. Сегнетову соль впервые получил в 1672 г. аптекарь из французского города Ла Рошели Пьер де ла Сегнет, который использовал ее как эффективное слабительное.

В 1920 г. американский физик Д. Валашек показал, что зависимость поляризации сегнетовой соли от напряженности внешнего электрического поля, приложенного вдоль [100] имеет вид петли гистерезиса, аналогичной найденной у ферромагнитных материалов. Поэтому в западной литературе это явление называют ферроэлектричеством.

Сегнетоэлектрики являются разновидностью твердых диэлектриков.


1. Механизм переполяризации

Механизм изменения знака спонтанной поляризации (переполяризация) физически довольно прост. В отсутствии внешнего электрического поля сегнетоэлектрики, как правило, имеют доменную структуру, то есть разбиваются на микроскопические области, обладающие спонтанной поляризацией. Образование доменов в кристаллах сегнетоэлектриков связано с тем, что в том случае, когда все соседние элементарные ячейки кристалла поляризованы в одном и том же направлении, вокруг кристалла появляется внешнее электрическое поле. Наличие электрического поля повышает энергию системы и для снижения энергии кристалл самопроизвольно разбивается на домены. Кристалл сегнетовой соли представляет собой полидвойниковое образование - он разбит на макроскопические области, называемые доменами.

Рисунок 1 - Микрофотография доменной структуры (а) и схема ориентации оптических индикатрис в соседних доменах (б) кристаллов сегнетовой соли

Они хорошо видны в поляризованном свете в виде темных и светлых полос (рисунок 1 а), потому что оптические индикатрисы в соседних доменах повернуты относительно друг друга на небольшой угол (рисунок 1 б). Совмещая плоскость поляризации света с главной осью индикатрис доменов одного знака, мы «гасим» домены другого знака и наоборот. Каждый домен имеет симметрию 2 и в нем спонтанная поляризация направлена вдоль этой полярной оси. Но в соседних доменах направления спонтанной поляризации антипараллельны. Поэтому в целом суммарная спонтанная поляризация кристалла сегнетовой соли равна нулю: поляризация доменов одного знака компенсируется поляризацией доменов другого знака.

При приложении к кристаллу слабого внешнего электрического поля, не способного переориентировать ни один домен, зависимость поляризации Р от напряженности поля Е будет линейной, как в обычных диэлектриках (участок ОА на рисунке 2).

Рисунок 2 - Петля диэлектрического гистерезиса

При увеличении напряженности поля домены, поляризации которых противоположны его направлению, начинают изменять свою полярность (переполяризовываться), суммарная поляризация возрастает (участок АВ). С ростом напряженности поля все новые и новые домены вовлекаются в процесс переполяризации, что приводит к росту суммарной поляризации кристалла до тех пор, пока все домены ни выстроятся по направлению поля (участок ВС). С уменьшением напряженности поля, в силу наличия трения между доменами, процесс переполяризации не проходит по первоначальной кривой, а идет с некоторым отставанием. Аналогично происходит переполяризация и в электрическом поле противоположного знака. Величина спонтанной поляризации  определяется экстраполяцией ветви насыщения петли гистерезиса к нулевому значению напряженности электрического поля. Поле, необходимое для уменьшения величины  до нуля называется коэрцитивным полем . [1,5]

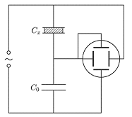
Петлю гистерезиса легко воспроизвести на осциллографе. С этой целью два конденсатора  и  соединяются последовательно и питаются переменным током от одного и того же генератора (рисунок 3). Конденсатор  заполнен обычным «линейным» диэлектриком с постоянной диэлектрической проницаемостью , а конденсатор  - сегнетоэлектриком. Ясно, что напряжение на конденсаторе  пропорционально полю  в сегнетоэлектрике. Поскольку конденсаторы соединены последовательно, они имеют одинаковые заряды, а следовательно, и одинаковые индукции: . А так как величина  постоянна, то напряжение на конденсаторе  будет пропорционально индукции . Если подать на горизонтально отклоняющие пластины осциллографа напряжение с конденсатора , а на вертикально отклоняющие - с конденсатора , то на экране осциллографа будет воспроизведена зависимость , т.е. петля гистерезиса. [2]

Рисунок 3 - Схема Сойера и Тауэра для наблюдения петель диэлектрического гистерезиса

2. Фазовые переходы

2.1 Фазовые переходы в сегнетовой соли

Спонтанная поляризация в кристаллах сегнетовой соли существует только в интервале температур от -18 до +24 °С. Эта область называется сегнетоэлектрической фазой. Выше и ниже этих температур спонтанная поляризация исчезает. Низкотемпературная и высокотемпературная фазы называются параэлектрическими. В этих фазах кристалл сегнетовой соли принадлежит к классу 222. При температурах -18 и +24 °С, которые называются (по аналогии с ферромагнетизмом) температурами или точками Кюри , имеют место фазовые переходы 2-го рода с изменением симметрии и аномалиями основных физических параметров таких, как диэлектрическая проницаемость, электропроводимость, теплоемкость и т.п. Изменение типа кристаллической решетки при переходе через точку Кюри принято называть фазовым переходом. При достижении температуры Кюри сегнетоэлектрики переходят в параэлектрическое состояние. Величина спонтанной поляризации  обычно сильно изменяется с температурой вблизи фазового перехода. Она исчезает в самой точке Кюри , либо скачком (фазовый переход 1-го рода, например в титанате бария), либо плавно уменьшаясь (фазовый переход 2-го рода, например в сегнетовой соли). [6,5]

На рисунке 4 приведена температурная зависимость спонтанной поляризации  сегнетовой соли в сегнетоэлектрической фазе. Она имеет колоколообразный вид.

Рисунок 4 - Температурная зависимость спонтанной поляризации кристаллов сегнетовой соли

Максимальное значение 0,27  спонтанная поляризация имеет при температуре 3°С. Коэрцитивное поле Ек при этой температуре равно 200

Характер температурной зависимости спонтанной поляризации сегнетовой соли и других сегнетоэлектриков можно легко понять из простых термодинамических соображений, основанных на подробной теории, разработанной в 1945 г. отечественным физиком В. Л. Гинзбургом. Его рассмотрение базируется на теории фазовых переходов Л. Д. Ландау, в основе которой лежит понятие параметра порядка. Он должен быть равен нулю выше температуры перехода и его симметрия должна соответствовать симметрии низкотемпературной фазы.

При рассмотрении сегнетоэлектрического фазового перехода в качестве параметра порядка логично выбрать спонтанную поляризацию, которая определяет все особенности физических свойств сегнетоэлектрического кристалла.

Рассмотрим фазовый переход 2-го рода в кристаллах сегнетовой соли. В его окрестности спонтанная поляризация мала и поэтому термодинамический потенциал кристалла  можно разложить по степеням параметра порядка:

 (1)

где - термодинамический потенциал параэлектрической фазы,  и  - коэффициенты.

Исследуем изменение термодинамического потенциала  вблизи верхней точки Кюри вследствие возникновения спонтанной поляризации. Оно должно отражать следующую ситуацию: существует точка перехода , по одну сторону от которой  функция  имеет минимум при , а по другую сторону  - при . В первом минимуме коэффициенты  и . Во втором минимуме, а коэффициент . Тогда ясно, что в самой точке  коэффициент . Поэтому в первом приближении можно считать, что коэффициент  линейно зависит от температуры

 (2)

Графически эта ситуация иллюстрируется рисунком 5. Выше точки Кюри, в параэлектрической фазе, термодинамический потенциал кристалла имеет один минимум при . В самой точке Кюри кристалл имеет тоже один минимум при , но более пологий, что говорит о неустойчивости состояния. Ниже точки Кюри, в сегнетоэлектрической фазе, кристалл имеет два минимума при , которые соответствуют состоянию кристалла с двумя противоположными направлениями поляризации.

Рисунок 5 - Схематическая зависимость термодинамического потенциала от поляризации при фазовых переходах 2-го рода

Условие термодинамического равновесия кристалла, как известно, определяется следующими соотношениями

  (3)

Используя первое условие с учетом уравнения (3), получим

  (4)

Это уравнение имеет два решения. Первое решение тривиальное:  при , что соответствует параэлектрической фазе. Второе решение при  описывает, с учетом уравнения (2), поведение спонтанной поляризации в сегнетоэлектрической фазе:

  (5)

Выражение (5) хорошо описывает температурное поведение спонтанной поляризации сегнетовой соли, причем решение со знаком плюс, описывает поведение спонтанной поляризации в области нижней точки Кюри, а решение со знаком минус - в области верхней точки Кюри. Уравнение (5) хорошо описывает температурную зависимость спонтанной поляризации и других сегнетоэлектрических кристаллов, испытывающих фазовые переходы 2-го рода.

Одной из главных особенностей сегнетоэлектрических кристаллов является аномальное поведение основных физических параметров в окрестностях фазовых переходов. Аномалии испытывают диэлектрическая проницаемость, коэффициент теплового расширения, коэффициенты упругости и т. п.

При переходе из параэлектрической фазы в сегнетоэлектрическую кристалл, в силу небольшой величины спонтанной деформации, стремиться сохранить свою сплошность. Поэтому в сегнетоэлектрической фазе домены, имеющие симметрию 2, должны упаковываться таким образом, чтобы сохранить симметрию параэлектрических фаз. Изобразим (рисунок 6 а) кристалл сегнетовой соли в параэлектрической фазе в виде параллелепипеда (группа 222). При возникновении спонтанной поляризации, симметрия которой ∞m, вдоль кристаллографической оси , в соответствие с принципом Кюри, симметрия кристалла понизится до моноклинной (группа 2). Понижение симметрии произойдет в результате сдвиговой спонтанной деформации. Эта деформация очень мала, порядка . Деформированный параллелепипед будет представлять симметрию и форму домена. Такие домены должны упаковываться в полидоменном образце так, чтобы его симметрия осталась ромбической (222).

Рисунок 6 - Схема, иллюстрирующая спонтанную деформацию (а) и упаковку доменов (б) кристаллов сегнетовой соли

Один из вариантов такой упаковки показан на рисунке 6 б. Здесь четыре домена: два домена одной полярности и два - противоположной, упакованы через один так, что полученная фигура имеет симметрию 222. Конечно, это только симметрийная модель, показывающая принцип упаковки доменов. Реальная доменная структура лишь похожа на эту модель. Но такие модели, как показал в 1956 г. И. С. Желудев, позволяют выяснить особенности доменной структуры рассматриваемого кристалла и других сегнетоэлектриков (см. ниже).

2.2 Фазовые переходы в титанате бария