Материал: Розрахунок силової частини імпульсної системи керування тяговими двигунами вагонів метрополітену

Внимание! Если размещение файла нарушает Ваши авторские права, то обязательно сообщите нам

Середнє значення напруги яка подається на тягові електричні двигуни дорівнює:

 (2.5)


де Uд - напруга на тягових електричних двигунах;

γ - відносна довжина імпульсу напруги яка прикладається до тягового двигуна;- напруга контактної мережі.

Змінюючи γ можна регулювати на виході транзисторно-імпульсного перетворювача середнє значення напруги на двигуні.

Максимальне значення струму двигуна на першій позиції, коли проти Е.P.С. дорівнює нулю, рівняється:

  (2.6)

де Uc - напруга контактної мережі, В;д - загальний опір ланцюга тягових двигунів, Ом;

γ - відносна довжина імпульсу напруги яка прикладається до двигуна;

Т - період транзисторно-імпульсного перетворювача, с.

Для находження часу Тд необхідно визначити сумарний індуктивний опір ланцюга Lд і активний опір Rд.

, (2.7)

де Rя - опір обмотки якоря, 0,0285 Ом;гп - опір обмотки головних полюсів, 0,0312 Ом;дп - опір обмотки додаткових полюсів з вивідними дротами, 0,0103 Ом.

Значення опорів відповідають технічним даним тягового двигуна ДК-117.

 Ом.

Індуктивний опір ланцюга знайдемо за формулою:

, (2.8)

де р = 2 - число пар полюсів тягового електричного двигуна ДК-117А;

Фн - номінальний магнітний потік тягового електричного двигуна ДК-117А, 0,052 Вб;оз = 26 - кількість витків обмотки збудження тягового електричного двигуна ДК-117А;

Ін - номінальний струм тягового електричного двигуна ДК-117А, 330 А.  Гн.

, (2.9)  с.

При широтно-імпульсному регулюванні змінюється величина періоду γ від мінімального значення до максимального. Для мінімального викривлення тягових характеристик електропоїзда метрополітену, існуючих при використовуванні пускових резисторів під час розгону по позиціям, приймаємо відносну довжину імпульсу заповнення γ = 0,03. Виходячи з цього, напруга прикладена до тягових двигунів буде дорівнювати:

; (2.10)

 В.

Розрахована напруга прикладена до чотирьох двигунів з'єднаних послідовно при рушенні з місця. Період повного циклу Т буде рівнятися зворотному значенню частоти,

,  (2.11)

де f - частота роботи транзисторно-імпульсного перетворювача, Гц.

с.

.

Використовуючи отримані результати для находження Іmах струму двигуна при зрушенні з місця, у момент коли проти Е.Р.С. дорівнює нулю, згідно формули 2.6 одержтваю:

 А.

Для находження мінімального струму двигуна використовуємо формулу:

; (2.13)

 А.

Середнє значення струму транзистора знайдемо по формулі:

 (2.14)


Середнє значення струму зворотного діода знайдемо по формулі:

 (2.15)

 А.

Середнє значення струму тягового електричного двигуна знайдемо з формули

;

;

;

;

,4 А = 88,4 А.

Струм у навантаженні не залежить ні від частоти переключення транзистора VТ, ні від постійної часу ланцюга двигуна, а повністю визначається середнім значенням напруги контактної мережі і активним опором послідовно з'єднаних тягових електричних двигунів.

Амплітуда пульсацій струму в ланцюзі тягових двигунів дорівнює:

; (2.16)

;

 А.

З приведеної формули випливає, що амплітуда пульсацій досягає максимуму при у рівної 0,5.

.2 Розрахунок імпульсного перетворювача у режимі тяги з безперервним струмом тягових двигунів

Такий режим являється основним режимом роботи імпульсного перетворювача, так як характеристики для середніх швидкостей руху електропоїзда.

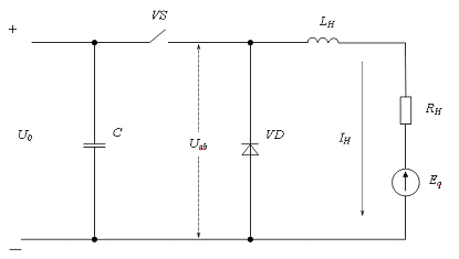
Розрахункова схема імпульсного перетворювача приведена на рисунку 2.3

Часові діаграми, які характеризують даний режим роботи імпульсного перетворювача відображені на рисунку 2.4

Максимальне значення струму тягових двигунів знайдемо за формулою

 (2.17)

де Uc - напруга контактної мережі, В;д - опір тягових двигунів, Ом.- проти Е.Р.С. тягових двигунів, В.

Для находження проти Е.Р.С. тягового двигуна використаємо підведену до тягових електродвигунів напругу яка урівноважується проти Е.Р.С. та падіння напруги на обмотках

  (2.18)

де Е - проти Е.Р.С. тягових двигунів,

Ід - струм тягового двигуна,

 - опір обмоток тягового двигуна.

Рисунок 2.3 - Розрахункова схема імпульсного перетворювача у режимі тяги

Для находження проти Е.Р.С. тягового двигуна Е необхідно задатися рядом струмів і підставити у формулу відомі дані. Напруга для вибраного режиму дорівнює 375 В, опір двигунів  дорівнює 0,07 Ом.

У результаті з формули (2.18) отримаємо значення проти Е.Р.С. тягового двигуна і отримані значення занесемо у таблицю 2.2

Таблиця 2.2 - Результати розрахунків значень проти Е.Р.С. тягового двигуна

Ід, А

50

100

150

200

250

300

330

Е, В

371

368

364

357

354

352


Рисунок 2.4 - Алгоритм переключення транзисторного перетворювача і часові діаграми струмів та напруги.

Максимальне значення струму двигуна в установленому режимі при частоті 400 Гц та коефіцієнтом заповнення γ рівному 0,5 знайдемо за формулою:

 (2.19)

де Uc = 750 В, напруга контактної мережі;

γ = 0,5, коефіцієнт заповнення;

 A.

Мінімальне значення струму тягових двигунів знайдемо за формулою

; (2.20)

 A.

Амплітуда пульсацій струму тягових двигунів

 (2.21)

 A.

Середнє значення струму транзистора VT знайдемо за формулою:

 (2.22)


Середнє значення струму діода VD знайдемо по формулі

 (2.23)


Середній струм двигуна у установленому режимі буде рівнятися

 (2.24)

 А.

Параметри граничного режиму який розділяє безперервний перерваний струм тягових двигунів знайдемо з формули:

 (2.25)

 В.

 (2.26)

 А.

.3 Вибір силових елементів імпульсного перетворювача

.3.1 Вибір керованого ключового елемента імпульсного перетворювача

У якості керованого ключового елемента імпульсного перетворювача вибираємо IGBT модуль СМ1200НА-66Н.

По технічним характеристиках IGBT модуль СМ1200НА-66Н транзистор ТЗ 253 - 2400 призначений для використовування у статичних перетворювачах електроенергії, а також у різних силових установах постійного та змінного струму, де виникає потреба великої швидкості зростання струму і напруги.

Керовані транзистори (IGBT), які в порівнянні з тиристорами, що замикаються, мають наступні переваги:

незначну потужність, затрачувану на управління силовими транзисторами;

низькі комутаційні втрати, так що частота спрацьовувань може досягати 2000 Гц;

можливість реалізації захисту простими засобами.

Транзистори мають велику навантажену здібність до струму на високих частотах.

Параметри IGBT модуля СМ1200НА-66Н:

Напруга колектор-емітер  3300 В

Напруга затвор-емітер ± 20 В

Струм колектора  1200 А

Струм емітера  1200 А

Робочий діапазон температури -40 +150 ºС

Маса  2.2 кг.

.3.2 Розрахунок вхідного фільтра

Неперервність струму у контактній мережі при транзисторному регулюванні навантаження забезпечується Г-подібним фільтром LфСф. Незалежно від стану поривача, струм у контактній мережі має контур для замикання: по ланцюгу тягових двигунів або по ланцюгу фільтруючого конденсатора. У інтервалі 1 - γ, не залежно від того, що тягові двигуни відключені від контактної мережі, відбувається споживання енергії від джерела живлення, яка не витрачається, а накоричується у фільтруючому конденсаторі. У інтервалі періоду γ в ланцюзі тягових двигунів поступає енергія як від джерела живлення, так і від фільтруючого конденсатора. Шляхом підбору параметрів фільтра LфСф максимальні пульсації струму обмежуються на рівні 1-2 % струму Іср, так в любий момент часу значення струму у контактній мережі незначно відрізняється від середнього Іср.

Виходячи з балансу потужностей


з врахуванням виразу  можна визначити стан між контактною мережею та ланцюгом тягових двигунів .

Так як при роботі імпульсного перетворювача коефіцієнт заповнення γ менше одиниці, то струм у контактній мережі, який споживається, завжди менший струму ланцюга тягових двигунів. Таким чином

 

Струм у ланцюзі тягових двигунів пульсує, ці пульсації обмежуються умовами нагрівання тягових двигунів і їх комутацією. Впливання пульсацій струму на нагрівання тягових двигунів можна визначити по ефективному струму Іе обмотки якоря тягового двигуна


де Si - коефіцієнт пульсацій стуму.

При коефіцієнті пульсацій струму Si менше 0,3 ефективний струм незначно відрізняється від середнього значення (всього на 4%), з цього випливає, що вплив пульсуючого струму на нагрівання двигунів малий. Для обмеження змінних складових Е.Р.С. у комутуючій секції необхідно обмежувати пульсацією струму у колі тягових двигунів, у зоні роботи його з середніми та високими частотами обертання якоря, чому відповідає робота перетворювача.

У процесі імпульсного регулювання напруги при зміні 0 ≤ γ ≤ 1, і частоти f постійна з максимальною пульсацією струму має місце при γ рівне 0,5.

 (2.27)

де Іmax - значення струму пульсації максимальне, А;- мінімальне значення струму пульсації, А

 (2.28)

де Uc - напруга контактної мережі, В;

Іяср - середнє значення струму двигуна, А;- індуктивність кола тягових двигунів, Гн;частота, Гц.

Індуктивність реактора, який згладжує, вибирають так, що при γ рівною максимальному значенню коефіцієнт пульсацій струму не перевищує допустимих значень 0,05 - 0,1. Індуктивність кола тягових двигунів

  (2.29)

 Гн.

.

 А.

Параметри вхідного фільтра Lф та Сф вибирають таким чином, щоб змінна складова тягового струму електропоїзда метрополітену не перевищувала значень, які допускаються умовами надійної роботи приладів СЦБ та зв'язку.

При живленні від фільтра групи тягових двигунів з індивідуальними перетворювачами, які роблять кожний з частотою f та струмом Іяср та змішаним по моменту на 1/р періоду, максимум пульсації напруги на конденсаторі фільтра

 (2.30)

де ΔUmax - максимальна пульсація напруги на конденсаторі, В;

Сф - ємність конденсатора вхідного фільтра, Ф.

  (2.31)

 B.

Ємність на конденсаторі буде дорівнювати:

 (2.32)

 Ф.

Коефіцієнт фільтрації вхідного фільтра буде рівнятися відношенню коефіцієнта пульсації перетворювача до коефіцієнта пульсації на вході у контактну мережу Sc

  (2.33)