Міністерство освіти і науки України
Сумського
Державного Університету
Розрахунково-графічна
робота
прес гвинт болт деформація
Студент Кремнєв О.В.
Перевірив
Некрасов С.С.
Суми 2014
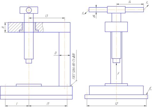
Завдання 16 Варіант 6
Розрахунок ручного преса
. Знайти:
а) діаметр гвинта d’
б) діаметр болтів d кріплячи прес до металевої основи
в) діаметр d4 і довжину l4 воротка, враховуючи Fp=100 H.
. Розрахувати зварний шов у основи стійки.
Примітка: матеріал гайки - бронза Бр А9ЖЗЛ
. Матеріал гвинта - Сталь 45, матеріал останніх деталей преса - Ст 3 пс.
. При розрахунку зварного шва моментом сили тертя в різі можна знехтувати.
. Прийняти: l4=15d4; l=1,5d’; l1=5d’; l2=3D; l3=4d’.= 20 kH; D=130 mm.
Розв’язання
Розраховуємо діаметр гвинта:
З умови міцності на змяття:
![]()
Приймаємо діаметр ∅10;
З умови міцності на зріз:
H=100мм; Km=0,6; ξ=0,75
d=15,7 мм
Приймаємо діаметр ∅16 і цей діаметр оберемо як конструкторський для гвинта.
Розраховуємо розміри воротка
d4 та l4

Знаходження сили діючої на
один болт
![]()
Знаходимо діаметри болтів що кріплять прес до основи:
З умови міцності на змяття:
З умови міцності на зріз:
Приймаємо мінімальний допустимий діаметр з конструктивних розумінь М10
Перевіряємо зварне з’єднання
на виконання умов міцності на згин та зріз:

Принцип роботи
Забезпечує цей процес та створення даного зусилля упорна різь.
Види деформацій прес гвинт болт
Гвинт працює на стискання та на зріз різі.
Болти працюють на зріз та змяття.
Зварне з’єднання працює на зріз та розтяг.
Вороток працює на згин.
Критерії роботоспроможності
Міцність
Жорсткість
Зносостійкість
Надійність
Корозостійкість