МИНИСТЕРСТВО ОБРАЗОВАНИЯ И НАУКИ РОССИЙСКОЙ ФЕДЕРАЦИИ
ФЕДЕРАЛЬНОЕ ГОСУДАРСТВЕННОЕ БЮДЖЕТНОЕ ОБРАЗОВАТЕЛЬНОЕ УЧРЕЖДЕНИЕ ВЫСШЕГО ОБРАЗОВАНИЯ
«УФИМСКИЙ ГОСУДАРСТВЕННЫЙ НЕФТЯНОЙ
ТЕХНИЧЕСКИЙ УНИВЕРСИТЕТ»
Институт дополнительного профессионального образования
Кафедра технологии нефти и газа
РАСЧЕТНО-ГРАФИЧЕСКОЕ ЗАДАНИЕ
Материальный баланс нефтеперерабатывающего завода
Студент группы БТПп-16-01
Д.А. Корнаухова
Преподаватель .. Амирханов
Уфа
2018
Задание
Составить материальный баланс нефтеперерабатывающего завода. Определить:
сумму светлых нефтепродуктов;
соотношение ДТ/Б;
долю деструктивных процессов;
долю гидрокаталитических процессов;
фактическую глубину переработки нефти.
Исходные данные:
|
Вариант |
Номер схемы НПЗ |
Мощность НПЗ, млн т/год |
Объём производства, % масс, на нефть |
|
|
котельного топлива |
битума |
|||
|
6 |
1.3 |
24 |
7 |
3 |

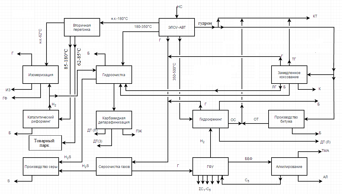
Рис. 1. Поточная схема НПЗ 3
Исходные данные: мощность НПЗ – 10 млн тонн в год, количество котельных топлив, получаемых на НПЗ – 7 %, битумов – 3 % на перерабатываемую нефть.
Решение: Принимаем технологическую схему НПЗ, указанную на рисунке 1. Составим материальный баланс отдельных процессов в тоннах, начиная с АВТ.
Таблица 3.1
Материальный баланс установки АВТ
|
Наименование |
% |
Тонн в год |
|
Взято: - обезвоженной и обессоленной нефти |
100,0 |
24000000 |
|
Итого: |
100,0 |
24000000 |
|
Получено: - сухого газа - головки стабилизации - фракции (н.к. – 180 °С) - фракции (180 – 350 °С) - фракции (350 – 500 °С) - фракции (выше 500 °С) - потерь |
0,5 1 15 27,5 25,7 29,6 0,7 |
120000 240000 3600000 6600000 6168000 7104000 168000 |
|
Итого: |
100,0 |
24000000 |
Далее составляем материальный баланс процессов, сырьем для которых являются нефтяные фракции, полученные на АВТ.
Таблица 3.2
|
Наименование |
% |
Тонн в год |
|
Взято: - фракции (н.к.–180 °С) |
100,0 |
3600000 |
|
Итого: |
100,0 |
3600000 |
|
Получено: - фракции НК–62°С - фракции 62–85°С - фракции 85–180°С - потерь |
16 9.3 74,0 0,7 |
576000 334800 2664000 25200 |
|
Итого: |
100,0 |
3600000 |
Для составления материального баланса установки замедленного коксования необходимо произвести распределение гудрона между технологическими потоками, согласно выбранной технологической схеме НПЗ (рис. 1.2). Гудрон, получаемый на АВТ, служит сырьем для производства битумов, сырьем для процесса замедленного коксования, процесса термического крекинга, является компонентом котельного топлива. В соответствии с заданием выбранная технологическая схема НПЗ должна обеспечить получение битумов и котельных топлив соответственно в объеме 3 и 7 % на перерабатываемую нефть.
Как видно из материального баланса установок вторичной перегонки бензина и технологической схемы НПЗ на установку каталитического риформинга (облагораживания бензина) подаётся фракция 85 - 180 °С.
Таблица 3.3
|
Наименование |
% |
Тонн в год |
|
Взято: - фракции (85–180°С) |
100,0 |
2664000 |
|
Итого: |
100,0 |
2664000 |
|
Получено: - дебутанизированного бензина - водородосодержащего газа, (в т.ч. водорода) - головки стабилизации - потерь |
84,5 11,0 (0,8) 4,0 0,5 |
2251080 293040 (21312) 106560 13320 |
|
Итого: |
100,0 |
2664000 |
Количество водорода, получаемого на установке каталитического риформинга (0,8%) рассчитывается от количества сырья установки.
|
Наименование |
% |
Тонн в год |
|
Взято: - фракции НК–62 °С - водорода |
99,7 0,3 |
576000 1733.2 |
|
Итого: |
100,0 |
577733.2 |
|
Получено: - газа - изомеризата - гексановой фракции - потерь |
15,0 78,0 6,0 1 |
86659.98 450631.9 34663.99 5777.33 |
|
Итого: |
100,0 |
577733.2 |
Таблица 3.4
|
Наименование |
% |
Тонн в год |
|
Взято: - вакуумного газойля (350 – 500 °С) - водорода |
98,5 1,5 |
6168000 93928.9 |
|
Итого: |
100,0 |
6261928.9 |
|
Получено: - газа - сероводорода - бензина - дизельной фракции - крекинг-остатка - потерь |
3,0 2,0 4,5 82,0 7,8 0,7 |
187857,87 125238,6 281786,8 5134781,7 488430.45 43833.5 |
|
Итого: |
100,0 |
6261928.9 |
Составим материальный баланс процесса производства битума. В соответствии с заданием на НПЗ должно производиться следующее количество битумов различных марок: 24000000*0.03=720000 тонн/год
Количество
гудрона, необходимого для получения
7200000 т/год битумов определим с учетом
материального баланса процесса
производств битумов. Из 100 % гудрона
получается 96 % битумов, тогда:
т/год.
По найденному количеству гудрона можно составить материальный баланс установки получения битумов.
Таблица 3.5
|
Наименование |
% |
Тонн в год |
|
Взято: - гудрона |
100 |
750000 |
|
Итого: |
100,0 |
750000 |
|
Получено: - битума - отгона - потерь |
96,0 3,0 1,0 |
720000 22500 7500 |
|
Итого: |
100,0 |
750000 |
В соответствии с заданием на НПЗ должно производиться следующее количество котельных топлив:
Котельных
топлив должно в соответствии с заданием
получаться 7 % или
т/год. КТ
Количество гудрона,
Составляем уравнения для расчета
ГАВТ = ГКТ + ГЗК + ГПБ; отсюда ГКТ = ГАВТ – ГЗК – ГПБ (2.9)
КТ = ГКТ + ТГЗК + ОТПБ + ОСГК (2.10)
где ГКТ – гудрон – компонент котельного топлива с ЭЛОУ-АВТ;
ТГЗК – тяжелый газойль установки замедленного коксования;
ОТПБ – отгон с установки производства битумов;
ОСГК – остаток гидрокрекинга.
Учитывая, что ТГЗК= 0,24ГЗК, подставим его в уравнение выше и решаем его относительно ГЗК, получим
КТ = ГАВТ – ГЗК – ГПБ + 0,24ГЗК + ОТПБ (2.11)
ГЗК
= (ГАВТ
– КТ – ГПБ
+
ОТПБ
+ ОСГК)
/ 0,76=7104000-
-750000+22500
+/0.76= (2.12)
ГКТ = ГАВТ – ГЗК – ГПБ=7104000-…-750000=
Таким
образом, для получения
т/г котельных топлив потребуется
2535792,9 т/год гудрона.
На установку замедленного коксования поступает 1876207,1 т/год гудрона.
Теперь составим баланс установки замедленного коксования.
Таблица 3.6