Материал: ременной передачи

Внимание! Если размещение файла нарушает Ваши авторские права, то обязательно сообщите нам

СПБГУАП группа 4736 https://new.guap.ru/i03/contacts

n = nσ nτ /[ (nσ)2 + (nτ)2]1/2

n = 1,83∙9,21 /[1,832 + 9,212]1/2 = 1,81

Проверка соблюдения условия прочности:

nmin ≥ [n], где [n] = 1,5..3,5

1,81≥ 1,5

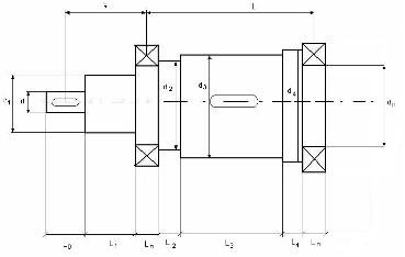
5.2 Тихоходный вал.

Проведем подборку диаметров составляющих вала:

Момент на тихоходном валу:

T2 = T1∙Uред∙ηред = 270∙5,6∙0,97 = 1466,64 Н∙м ≈ 1500 Н∙м d = (T2∙103/0,2[τ])1/3 = (1500∙103/0,2∙20)1/3 = 72,1 мм.

Выбираем из стандартного ряда чисел:

d = 71 мм

d1 = d1+ (4..5) мм = 75 мм dп ≥ d2+ (4..5) мм = 80 мм d2 = dп+ 5 мм = 85 мм

d3 = d2+ 2 мм = 87 мм

d4 = d3+ (6..10) мм = 95 мм

Проведем подборку длин составляющих вала:

L0 = (1,6..2) d = 142 мм

L1 = 20..25 мм = 25 мм

Lп ≈ 0,5 dп = 40 мм

L2 = 10..12 мм = 12 мм

L3 = b1 = 100 мм

СПБГУАП группа 4736 https://new.guap.ru/i03/contacts

L4 = L2 = 12 мм

Тогда:

L = 164 мм а = 115 мм

Окружная сила

Ft = 2T2∙103/d1 = 2∙1500∙103/71 = 40000 Н

Осевое усилие

Fa = Ft ∙ tg β = 40000 ∙ tg 10,23 = 7219 Н

Радиальная нагрузка

Fr = Ft ∙ tg α / cosβ = 40000∙tg20/cos10,23 = 14794 Н

Построение эпюр:

Fa

R

b

A

Fr

R

b

B

l

M

1

 

M

RbA = 0,5∙ Fr + Fa∙d1/2L RbB = 0,5∙ Fr - Fa∙d1/2L

RbA = 0,5∙14794 + 7219/2∙164 = 7419 Н

RbB = 0,5∙14794 – 7219/2∙164 = 7375 Н

Проверка: RbA + RbB - Fr = 0

 

7419+7375 - 14794 = 0

Верно.

М1

= RbA∙ L/2

 

М = RbB ∙ L/2

 

М1

= 7419∙164/2∙1000 = 608,4 Н∙м

 

М = 7375∙164/2∙1000 = 604,8 Н∙м

 

СПБГУАП группа 4736 https://new.guap.ru/i03/contacts

R

Г

F

Г

 

A

R

B

 

 

t

 

 

 

M

2

 

 

 

 

 

 

RГА = RГВ = 0,5∙Ft

М2 = Ft∙ L/4

RГА = RГВ = 0,5∙ 40000 = 20000 H

М2 = 40000∙164/4∙1000 = 1640 Н

Проверка: RГА + RГВ - Ft = 0

20000+20000 - 40000 = 0 Верно.

FM

R

AM

 

R

BM

 

а

l

RAM = FM∙(L+a)/L RBM = FM∙a/L

FM = 125 (T2)1/3

FM = 125∙(1500)1/3 = 1430,9 Н

RAM = 1430,9∙(164+115)/164 = 2434,3 Н

RBM =1430,9∙ 115/164 = 1003,4 Н

Мм = FM ∙ а

Мм = 1430,9∙115/1000 = 164,6 Н

Найдем общий момент:

MОБЩ = [(M1)2 + (M2)2]1/2 + 0,5∙Мм

MОБЩ = [(608,4)2 + (1640)2]1/2 + 0,5∙164,6 = 1831,5 Н

Проверочный расчет ведомого вала.

Сталь 40х улучшенная.

Шестерня НВ1 = 270 НВ σв = 900н/мм2, σг =750 н/мм2

СПБГУАП группа 4736 https://new.guap.ru/i03/contacts

Колесо НВ2 = 240 НВ σв = 780н/мм2, σг =540 н/мм2

Коэффициент запаса для нормальных напряжений:

nσ = σ-1/(Kσpσa + ψσσm),

где σ-1 – предел выносливости гладкого образца при симметричном цикле напряжений изгиба. σ-1 = 410 МПа

σa – амплитуда номинальных напряжений изгиба, σa ≈ МОБЩ/0,1dп3 = 1831,5/0,1∙803

=

= 35 МПа

σm – среднее значение номинального напряжения, σm = 0.

Kσp – эффективный коэффициент концентрации напряжений для детали.

БЕРЕМ ИЗ ТАБЛИЦЫ 3,0

Тогда:

nσ = 410/(3,0∙ 35,77) = 3,82

Коэффициент запаса для касательных напряжений:

nτ = τ-1/(Kτpτa + ψττm),

где τ -1 – предел выносливости гладкого образца при симметричном цикле напряжений кручения. τ -1 = 240 МПа

τa – амплитуда номинальных напряжений кручения,

τm – среднее значение номинальных напряжений, τa = τm = 1/2∙τ = 10,1 Kτp – эффективный коэффициент концентрации напряжений для детали.

БЕРЕМ ИЗ ТАБЛИЦЫ 2,3

ψτ = 0,1

Тогда:

nτ = 240/(2,3∙10,1 + 0,1∙ 10,1) = 9,9

Общий коэффициент запаса прочности на совместное действие изгиба и

кручения:

n = nσ nτ /[ (nσ)2 + (nτ)2]1/2

n = 3,82∙9,9 /[3,822 + 9,92]1/2 = 3,56

СПБГУАП группа 4736 https://new.guap.ru/i03/contacts

Проверка соблюдения условия прочности:

nmin ≥ [n], где [n] = 1,5..3,5 3,56 ≥ 1,5