Материал: Реконструкция сетей внешнего электроснабжения верхней зоны города (ГПП-2Г)

Внимание! Если размещение файла нарушает Ваши авторские права, то обязательно сообщите нам

Реконструкция сетей внешнего электроснабжения верхней зоны города (ГПП-2Г)

Введение

Актуальность темы дипломной работы. Эффективность и надежность функционирования электротехнического оборудования электрических подстанций зависит от его технического состояния. Современное электротехническое оборудование имеет достаточно высокие расчетные показатели надежности. Однако в процессе эксплуатации под воздействием различных факторов, условий и режимов работы исходное состояние оборудования непрерывно ухудшается, снижается эксплуатационная надежность и увеличивается опасность возникновения отказов. В связи с этим остро стоит вопрос правильной эксплуатации и своевременной реконструкции оборудования подстанций.

Научная новизна и практическая значимость дипломной работы. При реконструкции необходимо учитывать все современные требования к системам электроснабжения и нормы на показатели качества электрической энергии (ПКЭ). Очень важно выбрать наиболее целесообразные схемы электроснабжения и средства коррекции ПКЭ. И в том, и в другом случае должны быть учтены экономические критерии и обеспечена надежность систем электроснабжения.

Все изложенные выше требования, предъявляемые к системе электроснабжения, могут быть удовлетворены при различных технических решениях. Окончательная оценка этих решений осуществляется сопоставлением технических и экономических их качеств, т.е. по степени надежности решения и по затратам. В затратах определяют как капитальные, так и ежегодные эксплуатационные расходы. Все эти задачи возникают не только при проектировании, но и в процессе эксплуатации при развитии системы электроснабжения при постоянном росте потребителей и их нагрузок. Ни одно техническое решение не может быть достаточно обоснованным без соответствующей экономической оценки.

Основные требования при модернизации систем электроснабжения сводятся к следующему:

·      необходимо стремиться к минимальным объемам реконструкции подстанций и сетей;

·              не должно быть нарушено электроснабжение потребителей;

·              на всех подстанциях следует заменить морально и физически устаревшее оборудование на новое, отвечающее всем требованиям надежности;

·              модернизация существующих сетей должна осуществляться с сохранением сложившихся систем электроснабжения.

Задачей дипломной работы является исследование проекта реконструкции ГПП-2Г-110/10 г. Актау.

Проект "Корректировка проектно-сметной документации по проекту "Реконструкция сетей внешнего электроснабжения верхней зоны города (ГПП-2Г)".

Объектом дипломного исследования является главная понижающая подстанция 110/10 кВ «ГПП-2Г» находиться в оперативном управлении ГКП «АУЭС» и ТОО «МАЭК-Казатомпром». Ремонтно-эксплуатационное обслуживание ПС осуществляется ЦСП «МАЭК- Казатомпром».

Энергоснабжающая организация (ТОО «МАЭК-Казатомпром») должна обеспечить в точке присоединения к энергосистеме, т. е. на шинах 110 кВ качество отпускаемой электроэнергии в соответствии с ГОСТ 13109-97 «Нормы качества электрической энергии в системах электроснабжения общего назначения».

Главная понижающая подстанция ГПП-2г напряжением 110/10 кВ находится в городской черте города Актау и питает близлежащие нагрузки по сетям 10 кВ. Мощность подстанции составляет 2х25000 кВА. Трансформаторы имеют расщепленную обмотку низкого напряжения.

1.   Краткая характеристика и организационная структура исследуемого объекта

.1 Организационная структура ГПП-2Г-100/10

Главная понижающая подстанция 110/10 кВ «ГПП-2Г» находиться в оперативном управлении ГКП «АУЭС» и ТОО «МАЭК-Казатомпром». Ремонтно-эксплуатационное обслуживание ПС осуществляется ЦСП «МАЭК- Казатомпром».

Энергоснабжающая организация (ТОО «МАЭК-Казатомпром») должна обеспечить в точке присоединения к энергосистеме, т. е. на шинах 110 кВ качество отпускаемой электроэнергии в соответствии с ГОСТ 13109-97 «Нормы качества электрической энергии в системах электроснабжения общего назначения».

Нормируемое отклонение напряжения у потребителей ПС «ГПП-2Г» в пределах ±5% от Uн (требование ГОСТ 13109-97 и ПУЭ, I п. 1.2.22) обеспечивается проектными решениями путем применения на понижающей подстанции 110/10 кВ - трансформаторов с автоматическим регулированием напряжения под нагрузкой. На шинах 10 кВ ПС 110/10 кВ «ГПП-2Г» поддерживается стабилизированное напряжение на уровне +5% от Uн . Это позволяет обеспечить оптимальный режим работы распределительной сети 10 кВ и выдержать нормированный уровень напряжения у потребителей ПС, требуемый ГОСТ (т.е. ± 5% от Uн).

Главная понижающая подстанция ГПП-2г напряжением 110/10 кВ находится в городской черте города Актау и питает близлежащие нагрузки по сетям 10 кВ. Мощность подстанции составляет 2х25000 кВА. Трансформаторы имеют расщепленную обмотку низкого напряжения.

Питание подстанция получает по двум ВЛ-110 кВ от ТЭЦ-1 и ЦРП-110 кВ. Имеется отпайка на ГПП-16.

Ниже приведены характеристики и параметры существующего основного оборудования:

Схема ОРУ-110 кВ №110-4Н с комплектом ОД-КЗ;

Схема ЗРУ-10 кВ - одинарная система шин, секционированная выключателем;

количество и мощность трансформаторов на ПС - ТРДН-25000/110-1, 2х25,0 МВ-А, с РПН ± 9х1,78%;

шкафы 10 кВ типа К-47.

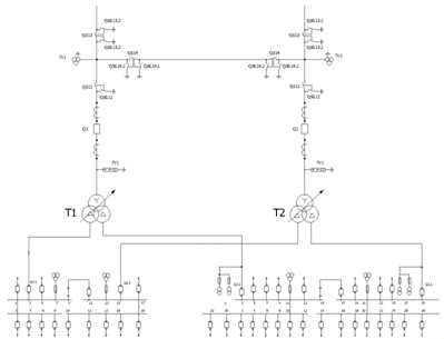
Схема главных электрических соединений приведена на рисунке 1.1.

Рисунок 1.1 Схема главных электрических соединений ПС 110/10 кВ «ГПП-2Г»

2.   Проблемные вопросы по теме дипломной работы

.1   Реконструкция подстанции 110/10 кВ «ГПП-2г»

Согласно схеме электрических соединений проектируемой ПС 110/10 кВ «ГПП-2Г» на подстанции предусматривается установка 2-х трансформаторов типа ТРДН-25000/110 напряжением 110/10/10 кВ с расщеплённой вторичной обмоткой, мощностью 2х12500 кВА, с автоматическим регулированием напряжения под нагрузкой в пределах 115±9х1,78 % кВ.

Вновь проектируемое распределительное устройство 10 кВ разработано по схеме 10 - 1 «одна секционированная выключателем система шин с двумя вводами». Эта схема соответствует указаниям работы 407-03-456.87 «Схемы принципиальные электрические распределительных устройств 6 - 750 кВ подстанций».

В ЗРУ устанавливается комплектное распределительное устройство типа D-12P, изготавливаемое ООО «Круэлта» (Россия-Польша), на 18 ячеек, в том числе 14 линейных.

Нормальный режим работы подстанции предусматривает раздельную работу трансформаторов на напряжении 10 кВ. В случае отключения одного из трансформаторов автоматический ввод резерва (АВР) обеспечивает включение секционных выключателей 10 кВ в двух КРУ.

Оборудование подстанции принято с изоляцией класса ХЛ1 и У1 и по техническим данным удовлетворяет требованиям МЭК и ГОСТ.

Питание потребителей собственных нужд подстанции осуществляется от 2-х существующих трансформаторов типа ТМ-63/10. Напряжение потребителей собственных нужд подстанции - 380/220 В переменного тока; оперативный ток - выпрямленный 220 В с применением устройства фильтрации выпрямленного тока.

Защита оборудования подстанции от грозовых волн, набегающих с линий, выполняется с помощью ограничителей перенапряжения, присоединяемых к выводам силовых трансформаторов и к шинам распредустройства 10 кВ.

Все оборудование подстанции присоединяется к существующему заземляющему устройству.

План и разрезы подстанции представлены на рисунках 2.1 и 2.2.

Рисунок 2.1 План ПС 110/10 кВ «ГПП-2г»

Рисунок 2.2 Разрез ОРУ-110 кВ ПС 110/10 кВ «ГПП-2г»

Внутреннее освещение вновь устанавливаемых шкафов КРУ 10 кВ и здания ЗРУ, осуществляется на напряжении 220 В.

Для предотвращения ошибочных действий при оперативных переключениях на подстанции предусматривается электромагнитная и механическая блокировка элементов распредустройств.

Защита подстанции от прямых ударов молнии осуществляется с помощью молниеотводов, установленных на линейных порталах 110 кВ.

Устройства РЗиА. Релейная защита оборудования подстанции выполнена на микропроцессорных устройствах.

В соответствии с нормами технологического проектирования подстанций аппаратура управления, сигнализации, автоматики и релейной защиты трансформатора располагается в помещении щита управления.

В соответствии с ПУЭ, в проекте для защиты трансформатора предусмотрены следующие виды защит:

дифференциальная токовая защита;

максимальная токовая защита с пуском по напряжению;

газовая защита трансформатора и устройства РПН с действием на сигнал и отключение;

защита от перегрузки с действием на сигнал.

Для реализации вышеуказанных защит в проекте применены микропроцессорные устройства фирмы Schneider Electric (Франция):

Sepam 2000 D32 (дифференциальная защита);

Sepam 1000+ Т40 (МТЗ, защита от перегрузки);

Sepam 1000+ S20 (резервная защита).

Для обмена информацией между человеком и устройством имеются следующие интерфейсы:

интегрированная местная панель управления;

интерфейс персонального компьютера (ПК);

интерфейс связи.

Дифференциальное реле устройства имеет повышенную чувствительность. Блокировка током второй гармоники предназначена для обеспечения отстройки дифзащиты от броска тока намагничивания при подаче напряжения. Благодаря наличию блокировки ток срабатывания дифференциальной защиты может быть задан значительно меньшим номинального тока трансформатора.

Выравнивание вторичных токов по величине и по фазе производится защитой расчетным путем, для чего при задании общих характеристик задаются параметры силового трансформатора и трансформаторов тока. При этом трансформаторы тока со всех сторон собираются в «звезду», что снижает нагрузку вторичных цепей.

Реле имеет тормозную характеристику пропорционального типа - ток срабатывания защиты увеличивается пропорционально увеличению тока КЗ.

Функции измерения:

токи в первичной и вторичных обмоток трансформатора и сдвиг их фаз;

ток нулевой последовательности;

дифференциальные и сквозные токи;

запоминание дифференциальных и сквозных токов в момент возникновения неисправности;

Для резервирования основной защиты трансформатора и защиты от внешних КЗ на стороне 110 кВ предусмотрена МТЗ с пуском по напряжению.

В устройстве Sepam 1000+ Т40 имеются четыре ступени токовой защиты. Для МТЗ трансформатора используется первая ступень.

Для защиты от перегрузки трансформатора используется вторая ступень токовой защиты устройства Sepam 1000+ Т40. Защита от перегрузки действует с выдержкой времени на сигнал. Третья ступень используется для блокировки работы РПН. Четвёртая ступень используется для подачи сигнала на включение обдува трансформатора.

Для модернизации существующих КРУ предназначен монтажный комплект деталей (комплект адаптации). Настоящим проектом запроектирована замена масляных выключателей на вакуумные серии BB/TEL. Простота и универсальность комплекта позволяет легко установить выключатели BB/TEL на выдвижном элементе КРУ.

При модернизации КРУ используются элементы ошиновки и втычные контакты главных цепей демонтированного выключателя, его рама, а также сохраняются механизмы доводки и фиксации выдвижного элемента.

После монтажа выключателя BB/TEL, выкатной элемент сохраняет свои габаритные и присоединительные размеры.

.2   Модернизация подстанции

Модернизация электрических подстанций подразумевает замену высоковольтного оборудования: выключатели, разъединители и изоляторы, трансформаторы тока и напряжения, ограничители перенапряжения и пр.

В целях установки на подстанциях самого современного оборудования специалистами должны быть разработаны технические требования, соответствующие мировым стандартам, ко всем видам заменяемого на подстанциях оборудования.

В настоящее время на действующих подстанциях (ПС) находятся в эксплуатации масляные (маломасляные) выключатели. Выключатели выработали свой ресурс, сняты с производства; запасные части к ним серийно не производятся, а изготовление их по индивидуальным заказам крайне дорого. подстанция электрический соединение трансформатор

Современные выключатели производятся в основном двух видов - вакуумные на напряжение 6 - 35кВ и элегазовые на напряжение 35кВ и выше.

Элегазовые выключатели принадлежат к группе газовых выключателей. Основными преимуществами элегазовых выключателей перед другими являются:

простота конструкции и, как следствие, высокая надежность;

меньшее число дугогасительных разрывов на фазу - на напряжение 220кВ, как правило, один.

периодичность ремонтов составляет около 20 - 25 лет.

нормативный срок эксплуатации до 45 лет.

малые габариты оборудования; к примеру, вес трехфазного бакового элегазового выключателя 220кВ составляет около 5 тонн; для сравнения в выключателях 220кВ У-220, МКП-220 вес масла составляет 48 тонн.

Самый тяжелый режим для всех типов высоковольтных выключателей и элегазовых в т.ч. - коммутации токов короткого замыкания. И хотя эти режимы достаточно редки в ходе эксплуатации выключателя, он должен эффективно с ними справляться. Рост мощностей и классов напряжений энергосистем привел к увеличению значений токов коротких замыканий и скорости восстановления напряжения в них. Как следствие, разработчики и производители высоковольтных выключателей стремились снизить время отключения токов короткого замыкания для повышения устойчивости работы сетей. И если первым моделям баковых масляных выключателям требовалось 10-20 периодов тока промышленной частоты для отключения короткого замыкания, то в настоящее время существуют модели высоковольтных выключателей, которым требуется в десять раз меньше времени чтобы справиться с отключением короткого замыкания.

Один из существенных факторов такого прогресса - использование элегаза, вместо трансформаторного масла, в качестве среды для гашения электрической дуги. Шестифтористая сера SF6 (элегаз), обладает не только гораздо большей электрической прочностью, которая быстро восстанавливается при переходе тока через ноль, но и лучшими дугогасящими свойствами. Кроме того элегаз не токсичен, не воспламеняется, не имеет цвета, запаха, химически инертен вплоть до температур 150°С, и не оказывает вредного воздействия на металлы, пластики и другие конструкционные материалы, как правило, применяемые в выключателях высокого напряжения. Поэтому применение элегазовых выключателей, во многих случаях, является наиболее удачным и оправданным техническим решением.

Рассмотрим устройство и принципы работы современных высоковольтных элегазовых выключателей на примере российских элегазовых выключателей ВГТ-110 (220).

Элегазовые выключатели серии ВГТ предназначены для коммутации электрических цепей при нормальных и аварийных режимах, а также для работы в циклах АПВ в сетях трехфазного переменного тока частоты 50 Гц с номинальным напряжением 110 и 220 кВ. Они могут эксплуатироваться как в открытых (ОРУ), так и в закрытых (ЗРУ) распределительных устройствах в районах с умеренным и холодным климатом (от -55 до +40°С) при условии, что окружающая среда невзрывоопасная и не содержит агрессивных газов и паров в концентрациях, разрушающих металлы и изоляцию. Элегазовые выключатели серии ВТГ соответствуют требованиям ГОСТ 687-78 «Выключатели переменного тока на напряжение свыше 1000 В. Общие технические условия».

Элегазовые выключатели серии ВГТ представляют собой электрические коммутационные аппараты высокого напряжения, в которых гасящей и изолирующей средой является: элегаз (климатическое исполнение У1) , либо смесь газов - элегаз + тетрафторметан (CF4), для климатического исполнения ХЛ1 - смесь газов (элегаз + тетрафторметан).