Министерство образования и науки Российской Федерации
Федеральное государственное бюджетное образовательное учреждение высшего профессионального образования
"Уфимский государственный авиационный технический университет"
Кафедра автоматизации технологических процессов.
КУРСОВАЯ РАБОТА
по дисциплине: "Автоматизация
технологических процессов и производств"
Выполнила: студент группы АТП - 508У
Ильясова Г.Ф.
Руководитель: профессор кафедры АТП
Загидуллин Р.Р.
Уфа, 2016
Содержание
Задание
Разработка укрупненного технологического процесса и определение объекта автоматизации
Параметры пластины
Параметры державки
Выбор оборудования
Выбор станка
Выбор промышленного робота
Выбор загрузочно-накопительного устройства
Анализ временной структуры
Компоновка РТК
Блок схема
Циклограмма работы РТК
Сеть Петри
Список контролируемых параметров
Управляющая программа
Вывод
Список литературы
АТП-508У, задания по курсовой работе, АТП и П
№
Фамилия И.О.
№ вар
Поверхности
Размеры
1
2
3
4
5
6
l1
l2
l3
l4
6
Ильясова Г.Ф.
6
+
+
+
+
+
200
140
70
20
Рис. 1 - Чертеж детали
Исходя из задания, необходимо обработать все поверхности, кроме 6
Так как наша деталь является телом вращения, то для обработки
выбираем токарный станок. Для обработки 1, 2, 3, 4, 5 поверхности используется
проходной резец.
деталь токарный станок робот
Рис. 2 - Пластина для точения
L
Длина режущей
кромки S
Толщина
пластины
4.7625 mm
IC
диаметр
вписанной окружности
12.7 mm
LE
эффективная
длина режущей кромки
12.0959 mm
RE
радиус при
вершине
0.8 mm
D1
диаметр
отверстия под винт
5.156 mm
HAND
направление
N
TSYC
тип инструмент
CNMG-MM
GRA
сплав
2025
Рис.3 - державка для пластины
h
b
l1
l2
f
Ga°
Gr°
R/L
20.0
20.0
125.00
30.0
25.0
-6
-6
R
Порядок операций можно представить следующим образом:
. Установка заготовки в приспособление металлорежущего
станка.
2. Точение контура 3.4.5
. Точение контура 2
. Точение контура 1
. Съем детали
Рис. 4 - чертеж детали
Обработку всего контура можно провести одним инструментом,
проходным резцом
Для комплексной автоматизации данного участка необходимо
выбрать:
металлорежущий станок с ЧПУ;
промышленный робот;
загрузочно-накопительное устройство
Рис.5 - Токарный станок с ЧПУ RAIS T700 CNC Siemens 802D
Токарный станок с ЧПУ RAIS T700 CNC Siemens 802D предназначен
для мелкосерийного и среднесерийного производства, позволяет обрабатывать
наружные и внутренние поверхности деталей типа тел вращения, нарезания резьб,
для различных токарных работ: обтачивания, растачивания цилиндрических и
конических поверхностей, а также сверления, зенкерования, развертывания и др.
Применение ЧПУ значительно снизит время на наладку станка, а также исключит
необходимость подбора высококвалифицированного и высокооплачиваемого персонала
на сложные токарные операции. При использовании соответствующего
металлорежущего инструмента возможна обработка как конструкций из алюминия и
других низколегированных сплавах, так и высокопрочных материалов высокой
твёрдости, прошедших термическую обработку.
Револьверная головка
Токарные станки оснащается 4-х позиционными резцедержателями
и 8-и, 12-и позиционными револьверными головками, обладающие массивной
конструкцией и большой жёсткостью, что позволяет работать на повышенных режимах
и обрабатывать "тяжёлые" материалы.
Рис. 6 - револьверная головка станка RAIS T700
Станки оснащаются револьверными головками, которые за счет своего
крепления инструментальной системы и простоты обращения, позволяют сократить
вспомогательное время, до минимальных показателей.
Вращение диска осуществляется как по, так и против часовой
стрелки, по кратчайшему пути к следующей позиции, которая будет осуществлять
следующую операцию обработки детали.
Данная револьверная головка имеет малое время индексации от одной
позиции к ближайшей, всего 0,35 с.
Возможность применения приводного инструмента, позволяет сверлить,
фрезеровать детали на станке, исключая дополнительное оборудование, экономя
время, снижая погрешности установа, увеличивая экономический эффект оборудования.
Шпиндель
Преднастроенный на заводе шпиндель, оснащённый прецизионными
подшипниками P4 от таких известных фирм как SKF, NSK, FAG, имеют минимальное
радиальное биение и осевой люфт, что в сочетании с высокой жёсткостью
шпиндельной бабки позволяет достигать высоких скоростей вращения, отсутствия
вибраций и прецизионной точности при обработке тяжёлых материалов.
Рис. 7 - шпиндель станка RAIS T700 · Мягкое переключение между
механизмами
· Все колеса механизма
сделаны из легированной стали
· Гарантируемая
устойчивость при больших нагрузках
· Минимальное трение,
легкость скольжения по направляющим.
· Высокая точность
позиционирования
· Точные шариковые винты
(класс P5) с двойной маточной гайкой и минимальной обратной реакцией
Рис. 8 - Задняя бабка станка RAIS T700
Система ЧПУ
МРС T700 стандартно оснащаются системой ЧПУ Sinumerik 802D, но
пожеланию клиента можно установить и системы FANUC 0i-MB, FANUC 18i-MB,
Heidenhain TNC410M, TNC425M.
Привода
В качестве исполнительных приводов используются цифровые привода
серии Simodrive 611Ue.
Связь между устройством управления и приводами осуществляется
посредством шины PROFIBUS.
Технические характеристики токарного станка с ЧПУ RAIS T700:
Параметры
Высота центров,
мм
360
Диаметр
обработки над станиной, мм
720
Диаметр
обработки над суппортом, мм
460
Диаметр над
выемкой в станине, мм
900
Ширина
направляющих, мм
560
Расстояние
между центрами, мм
1000, 1600,
2100, 3100
Шпиндель
Передний конус
DIN 55027/отверстие
8/Metric 90
Диаметр
отверстия шпинделя, мм
83 (105)
Передняя бабка
Диаметр
переднего подшипника, мм
110
Количество
диапазонов скоростей шпинделя
3
Обороты в
диапазонах, оборотов/минуту
20-100,
100-400, 500-2000
Мощность
главного привода, кВт
11 (15)
Подачи
Мощность
сервопривода оси "Z", кВт
1,8
Мощность
сервопривода оси "X", кВт
1,8
Быстрый ход по
осям "X" и "Z", метров/минуту
6/8
(максимально)
Диаметр / шаг
ШВП оси "Z", мм
50 х 10
Диаметр / шаг
ШВП оси "X", мм
32 х 5
Ход
Ход по оси
"X", мм
280
Пиноль
Диаметр пиноли,
мм
105
Конус пиноли,
Морзе
№ 6 (5)
Ход пиноли, мм
180
Резцедержатель
Револьверная
голова, штук
8/12
Деталь
Максимальный
вес детали в патроне, кг
150
Вес детали с
2-мя люнетами на направляющих, кг
1000 Система ЧПУ
Siemens (Fanuc,
Heidenhain)
Габариты
Для РМЦ 2000
мм, мм
3795 х 2090 х
1920
Вес
Для РМЦ 2000
мм, кг
4800
Для увеличения производительности производства данного типа
деталей, без ухудшения качества, целесообразно использовать элементы
автоматизированного производства, в частности использование промышленных
роботов.
Достоинства использования робототехники очевидны: повышение
точности выполнения технологических операций и, как следствие, улучшение
качества; возможность использования технологического оборудования в три смены,
365 дней в году; рациональность использования производственных помещений;
исключение влияния человеческого фактора на поточных производствах, а также при
проведении монотонных работ, требующих высокой точности; исключение воздействия
вредных факторов на персонал на производствах с повышенной опасностью;
достаточно быстрая окупаемость.
В настоящее время большой популярностью пользуются роботы
фирмы KUKA. Для нашего решения подойдет робот с легкой и средней
грузоподъемностью, достаточной зоной сервиса и по возможности малыми
габаритами. Этим требованиям соответствует промышленный робот KR 30-3
Рис. 9 - промышленный робот KR 30-3
Полезная
нагрузка
30 kg
дополнительная
нагрузка
35 kg
Рабочая зона
Макс. радиус действия
2033 mm
Количество осей
6
Стабильность
повторяемости
<±0,06 mm
Вес
665 kg
Монтажное
положение
На полу,
потолке
Система управления
KR C4
Рис. 10 - рабочее пространство робота, вид справа
Рис. 11 - Рабочее пространство робота, вид сверху
Рис. 12 - структурная схема робота KR 30-3
В данной работе удобнее всего использовать ЗНУ роликового
типа.
Преимущества: Простая, быстрая установка конвейера.
Редкое плановое обслуживание
Область применения: Производственные области
с высоким уровнем стружкообразования после механической обработки. Сухая
механическая обработка. Заготовки с наплывами или литые
Заготовки: Заготовки с максимальным весом до 80 кг.
Утяжеленная версия для заготовок выше 80 кг
Свойства: Очень прочная долговечная стальная транспортная
цепь. Стойкость к стружкам, а также к агрессивным стальным и чугунным осколкам.
Технические
характеристики:
Скорость
перемещения:
макс.0,3 м/с
Приводная цепь:
10B-1
(5/8" x 3/8" Simplex) DIN 8187
Мощность:
макс.0,55 kW
Привод:
трехфазный
двигатель
Длина
конвейера:
от 720 до 4 500
мм
Ном. ширина
роликового полотна:
от 880 до 1280
мм
Ширина
роликового полотна:
+ 200 мм
Высота
конвейера:
75 мм
Диаметр ролика:
60 мм
Толщина стенки
ролика:
Высота ролика:
3 мм
Высота ролика:
120 - 200 мм (с
шагом в 20 мм)
Рис. 13,14 - загрузочно-накопительное
устройство роликового типа
Анализ временной структуры предназначен для четкого
определения затрат времени работы РТК на определенную операцию, с целью
согласования работ, дальнейшего улучшения характеристик РТК, и выполнения
альтернативных приемов автоматизации
Т= t уд + t сд + t обр + t пр + t пк+ tзпр
где
t уд - время установки детали в приспособление станка; t од. - время обработки детали;
t пр. - время перемещения робота;
t пк. - время перемещения конвейера.
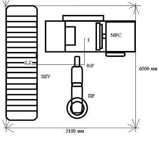
Рис. 15 - Компоновка РТК. Вид сверху
Рис. 16 - Компоновка РТК. Вид справа
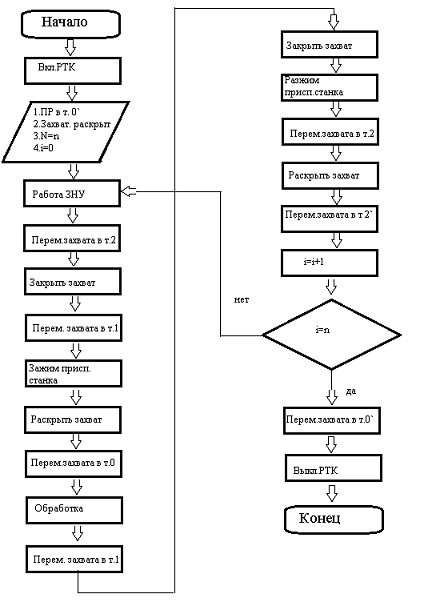
Рис. 17 - блок схема алгоритма работы РТК
Рис. 18 - Циклограмма работы РТК
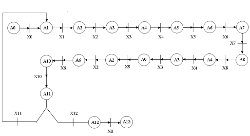
Рис. 19 - сеть Петри
Контрольные точки выполнения условий:
X0 - захват. уст-во в т.0’
X1 - деталь на ЗНУ в зоне захвата
X2 - захват. уст-во в т.2
X3 - захват закрыт
X4 - захват. уст-во в т.1
X5 - деталь зажата приспособлением станка
X6 - захват раскрыт
X7 - захват. уст-во в т.0
X8 - конец обработки
X9 - деталь разжата приспособлением станка
X10 - захват. уст-во в т.2’
X11 - количество обработанных деталей меньше заданного (i<n)
X12 - количество обработанных деталей равно заданному (i=n)
Действия:
А0 - включение РТК
А1 - работа ЗНУ
А2 - перем. захвата в т.2
А3 - закрытие захвата
А4 - перем. захвата в т.1
А5 - зажим детали приспособлением станка
А6 - разжим захвата
А7 - перем. захвата в т.0
А8 - обработка детали на станке
А9 - разжим детали в приспособлении станка
А10 - перем. захвата в т.2’
A11-увеличение счетчика на 1
A12 - перем. захвата в т.0’
А13 - выключение РТК
Данная программа была получена в САПР УП SprutCam. Был выбран
постпроцессор для стойки Sinumerik 802D
Detal1;;F1.5(0)=0F1.5(2)
; CHistоvаya tоkаrnаyaT="T1"M6;
Rezec D=0mmG19G0G90G54
; Plаstinа tip C 80° Rhombic l16,
Ti1.98, Re0.2, Kr95, Qr5
N4SETMS (0)S600M4Z342.268X-61.109SETMS
(0)G96S600LIMS=600M8G1G95F0.1X-58.987Z340.147X-59.972Z339.973F0.05G18G2X-61.835Y0Z339.638I=AC
(0.201) K=AC (-0.2)X-61.999Y0Z339.441I=AC (-61.799) K=AC
(339.441)G1Z339.087G3X-83.094Y0Z310.764I=AC (-91.798) K=AC
(339.265)X-89.8Y0Z310I=AC (-89.8) K=AC (339.8)G2X-89.856Y0Z309.992I=AC (-89.8)
K=AC (309.8)X-91.679Y0Z309.457I=AC (0.2) K=AC (-0.2)X-91.822Y0Z309.265I=AC
(-91.622) K=AC (309.265)G1Z234.15G3X-107.104Y0Z212.84I=AC (-121.21) K=AC
(239.09)X-117.382Y0Z210.098I=AC (-119.8) K=AC
(239.8)G1X-119.804Z210G2X-137.15Y0Z204.519I=AC (-119.8) K=AC
(179.8)X-151.057Y0Z179.091I=AC (-120.857) K=AC (179.091)
N29G1Z139.075X-153.178Z141.196F0.1M9G0
N33Z480SETMS (0)M5M2
%
Рис. 20 - Скриншот моделирования обработки на ПК
Вывод: В ходе выполнения курсового проекта мною был
разработан технологический процесс обработки детали на станке с погрузкой и
разгрузкой на загрузочно-накопительное устройство. Для автоматизации процесса
применены:
токарный металлорежущий станок;
промышленный робот;
загрузочно-накопительное устройство.
Оборудование выбиралось из соображений распространенности и
производительности, а так же возможности непрерывной работы без участия
человека. Компоновка РТК при этом занимает не много места, а напольный робот
более мобилен с точки зрения переналадки РТК под другие задачи.
Управляющая программа разрабатывалась в САПР УП SprutCam.
1. <http://www.kuka-robotics.com/russia/ru/>
- производитель и дистрибьютор "Kuka"
. <http://www.kbh-automation.com>
- сайт производителя загрузочно-накопительных устройств
. <http://rustan.ru/> - сайт дистрибьютора станков
. Р.Р. Загидуллин
"Автоматизация технологических и производственных процессов в
машиностроении" - методические указания по выполнению курсового проекта:
Учебно-методическое пособие - Уфа: УГАТУ, 2008 - 30с
Разработка
укрупненного технологического процесса и определение объекта автоматизации
Параметры
пластины
Параметры
державки
<javascript:openIllust();>
Выбор
оборудования
Выбор станка
Выбор
промышленного робота
Выбор
загрузочно-накопительного устройства

Анализ
временной структуры
Компоновка
РТК
Блок схема
Циклограмма
работы РТК
Сеть Петри
Список контролируемых
параметров
Управляющая
программа
Вывод
Список
литературы