Дипломная (вкр): Разработка технологии изготовления высоковольтной опоры СВО 110 в условиях завода КЗ ЭЛТО г. Караганда

Внимание! Если размещение файла нарушает Ваши авторские права, то обязательно сообщите нам

Разработка технологии изготовления высоковольтной опоры СВО 110 в условиях завода КЗ ЭЛТО г. Караганда

Министерство образования и науки Республики Казахстан

Карагандинский государственный технический университет











ДИПЛОМНЫЙ ПРОЕКТ

Разработка технологии изготовления высоковольтной опоры СВО 110 в условиях завода КЗ ЭЛТО г. Караганда

Введение

В современном машиностроении сварочное производство, т.е. совокупность процессов, образующая самостоятельную законченную технологию изготовления сварной продукции, является одним из ведущих областей техники. Во всех отраслях машиностроения широко применяют высокопроизводительные и экономически эффективные технологические процессы сварки, наплавки, пайки, термической резки и металлизации, позволяющие успешно обрабатывать почти все конструкционные материалы толщиной от десятков микрометров до нескольких метров. При проектировании новых или реконструкции действующих сварочных производств достигнутый высокий уровень развития сварочной техники служит прочной базой для значительного дальнейшего увеличения производительности труда, экономики материалов и энергии в народном хозяйстве, повышения качества и снижения себестоимости сварной продукции.

Экономическая эффективность производства существенно зависит от объема выпускаемой однотипной продукции, поскольку высокий уровень концентрации производства позволяет с большей отдачей использовать производственные площади и технологическое оборудование. Наиболее эффективна экстенсивная форма концентрации сварочного производства, когда размеры производства сварных конструкций наращиваются не за счет увеличения числа единиц оборудования и расширения производственных площадей, а благодаря повышению мощности заготовительных, металлообрабатывающих и сборочно-сварочных машин и агрегатов.

В настоящее время на многих предприятиях, заводах созданы специализированные сборочно-сварочные цеха, пролеты, участки, удовлетворяющие в основном нужды собственного производства в сварных конструкциях. Каждое производственное подразделение организуют в составе завода для изготовления заданной продукции, являющейся результатом целеустремленного процесса труда.

Технология изготовления металлоконструкций и организация производства в сборочно-сварочных цехах разрабатываются на основе анализа и обобщения опыта зарубежного и отечественного сварочного производства. Так, при постройке новых или реконструкции старых сборочно-сварочных цехов, многие зарубежные конструктора осуществляют их планировку и оборудование по направлениям, способствующим последовательному расположению рабочих мест по ходу изготовления узлов, секций и блоков секций, прямоточному и непрерывному движению их от мест хранения или изготовления к местам дальнейшей обработки, сборки или монтажа, максимальной механизации производственных операций, созданию специализированных поточных линий, изготовлению деталей, сборке узлов и секций в системе жестких допусков, максимальной механизации и автоматизации внутризаводского и цехового транспорта, внедрению способов односторонней сварки и рационализации технологии сварки.

Предприятия по производству сварных конструкций включают в себя следующие отдельные цеха или участки:

склад металла;

заготовительное производство;

промежуточный склад заготовок (склад комплектации);

отделение сборки и сварки узлов конструкции;

отделение общей сборки и сварки конструкций;

склад готовой продукции.

В зависимости от конкретных условий производства эти участки могут быть либо самостоятельными подразделениями, либо объединены в состав нескольких или даже одного цеха. Старые заводы строились отдельными разрозненными цехами, иногда далеко расположенными друг от друга. Более новые заводы построены по принципу блока цехов, объединенных под одной крышей и расположенных в последовательности, соответствующей основному направлению грузопотоков от склада металла к складу готовой продукции.

1. Назначение, конструктивные особенности и условия работы

1.1   Назначение, область применения и условия работы конструкции

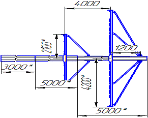
Рисунок 1-Силовая высоковольтная опора СВО110

Металлические стойки предназначены для эксплуатации в населенной и ненаселенной местности в 2 - 4 ветровых районов и во 2 особом районах по гололеду при расчетной температуре наиболее холодной пятидневки минус 65 оС и выше. Стойка опоры линии электропередачи выполняется из двух листовых гнутых профилей, имеющая по высоте переменное поперечное сечение, при этом профили соединены между собой, а поперечное сечение имеет форму многоугольника, отличающаяся тем, что поперечное сечение стойки опоры линии электропередачи имеет форму вытянутого шестиугольника, образованного из двух половин правильного шестиугольника, разделенного по середине его противоположных сторон, которые соединены между собой планками или раскосами, при этом расстояние в свету между половинами правильного шестиугольника выбирается из условия, что отношение моментов сопротивления сечения составного стержня стойки по осям декартовых координат, лежат в пределах 1,2…..2,0.

.2 Требования, предъявляемые к конструкции и сварным
соединениям

При изготовлении высоковольтной опоры используется ручная и механизированная сварка в среде защитных газов.

Сварка выполняется с применением проволоки марки Св08Г2С ГОСТ 2246-80. По всей длине шва нужно обеспечить равномерное проплавление, не должно быть: разрывов швов или соединительного материала, пробела в швах, перегревов, газовой раковины, а лицевую поверхность необходимо очистить от окалины, ржавчины и других загрязнений. Швы по толщине металла свыше 6 мм должны быть получены наложением слоев с целью уменьшения сварочных напряжений.

Для каждого отправляемого подузла или конструкции прикладывается сертификат качества, который содержит:

·   наименование изготовителя;

·   обозначение подузла;

·   номер и дату заказа;

·   номер и дату выдачи сертификата;

·   подпись заведующего контролем качества.

Для изготовления конструкций применяется листовой прокат марки ст3 ГОСТ 16523.

1.3 Конструктивное оформление, основные размеры, элементы
конструкции высоковольтной опоры СВО 110

Высоковольтная опора СВО 110 включает в себя перечень деталей (17шт.) с различными конфигурациями. Большая часть из них это детали, сделанные из листов металла с толщинами от 6 до 20 мм. Также в данной конструкции имеются профильные элементы (уголок), гнутый профиль. Все эти элементы при сборке и сварке дают неповоротные стыки, но применение деталей другого сечения или замена их более простыми не целесообразна.

Таблица 1.1

Раздеталировка высоковольтной опоры

Позиция

Наименование

Конфигурация

Габариты, мм.

Материал

Кол-во в изд., шт.

1

Секция

6х350(300)х6000Ст32




2

Секция

6х425(350)х5000

Ст3

2


3

Секция

6х500(425)х5000

Ст3

2


4

Секция

6х560(500)х3000

Ст3

2


5

Секция

6х670(560)х6000Ст32




6

Уголок

6х50х1950

Ст3

12

7

Уголок

6х50х4000

Ст3

4

8

Уголок

6х80х1800

Ст3

8

9

Уголок

6х80х39006х50х1000

Ст3

10

10

Косынка

6×150×620

Ст3

6


11

Косынка

6х100х100

Ст3

4


12

Косынка

20×700×7006 отв. Ø381 отв. Ø400Ст3

1



13

Кронштейн

6х50х700

Ст3

1

14

Заглушка

20х260Ст31




15

Ребро

НестандартныйшовСт312




16

Хомут

26х200

Ст3

6

17

Ребро

 20х520(160)х1300Ст34




18

Основание

20×1500×150016 отв. Ø22Ст31




1.4 Разработка технологической схемы изготовления конструкции

Под технологичностью конструкции изделия понимается совокупность свойств конструкции изделия, проявляемых в возможности оптимальных затрат труда, средств, материалов и времени при технической подготовке производства, изготовлении, эксплуатации и ремонте по сравнению с соответствующими показателями однотипных конструкций изделий того же назначения при обеспечении установленных значений показателей качества и принятых условий изготовления, эксплуатации и ремонта.

Разбивка на узлы дает возможность производить сварку на специализированных рабочих местах, оборудованных специальными приспособлениями. Места сварки доступны, сварка производится в удобном нижнем положении. Сварка - механизированная в среде защитного углекислого газа.

Узел №1. Опора нижняя. Данный узел состоит из 3-х подузлов (№1.1; 1.2; 1.3), которые в свою очередь состоят из деталей позиций 7, 8, 9, 10, 11, 12, 13, 14, 15. Количество изделий в конструкции 1.

Рисунок 2 - Опора нижняя

Подузел №1.1Полустойка. Данный подузел состоит из деталей позиций 1,2. Количество изделий в конструкции 1.

Рисунок 3 - Полустойка

Подузел №1.2Полустойка. Данный подузел состоит из деталей позиций 3,4. Количество изделий в конструкции 1.

Рисунок 4 - Полустойка

Подузел №1.3 Стойка нижней опоры. Данный подузел состоит из подузлов №1.1 и 1.2. Количество изделий в конструкции 1.

Рисунок 5 - Стойка нижней опоры

Узел №2. Опора средняя. Данный узел состоит из 5 подузлов, которые в свою очередь состоят из деталей позиций 4,6,7,10,11,12,15,16.

Рисунок 6 - Опора средняя

Подузел №2.1Полустойка. Данный подузел состоит из деталей позиций 5,6. Количество изделий в конструкции 1.

Рисунок 7 - Полустойка

Подузел №2.2Полустойка. Данный подузел состоит из деталей позиций 7,8. Количество изделий в конструкции 1.

Рисунок 8 - Полустойка

Подузел №2.3Стойка средней опоры. Данный подузел состоит из подузлов №2.1 и 2.2. Количество изделий в конструкции 3.

Рисунок 9 - Стойка средней опоры

Подузел №2.4 Траверса. Данный подузел состоит из деталей позиций 8,9,16. Количество изделий в конструкции 4.

Рисунок 10 - Траверса

Узел № 3. Опора верхняя. Данный узел состоит из подузлов №3.1 и 3.2

Рисунок 11 - Опора верхняя

Подузел № 3.1Стойка верхней опоры. Количество изделий в конструкции 3.

Рисунок 12 - Стойка верхней опоры

Подузел №3.2 Траверса. Данный подузел состоит из деталей позиций 8,9,16. Количество изделий в конструкции 4.

Рисунок 13 - Траверса

1.5 Материалы, применяемые при изготовлении высоковольтной опоры СВО 110

При изготовлении высоковольтных опор применяют углеродистые стали. Для самой стойки применяют сталь Ст3.

СтЗ ГОСТ 380-94- это наиболее дешёвая сталь, которую производят в большом количестве. Обычно её применяют без упрочняющей термической обработки. Эта сталь относится к сталям углеродистым обыкновенного качества. Они в свою очередь различаются по группам:

·   А - по механическим свойствам;

·   Б - по химическому составу;

·   В - по механическим свойствам и химическому составу[1.2].

Ст-З относится к группе А. Стали группы А применяют в горячекатаном состоянии для конструкций, изготовление которых связано с горячей деформацией и термической обработкой. Поэтому структура и механические свойства сохраняются такими, как по стандарту.

Полуспокойные стали с номерами марок 1-5 выпускают как с нормальным, так и с повышенным примерно до 1% содержанием марганца. В последнем случае после номера марки ставят букву Г.

Характеристика, химический состав, механические и технологические свойства стали Ст3 приведены ниже в таблицах 1, 2, 3[1].

Таблица 1.2

Характеристика стали ВСт3сп

Марка:

Ст3

Классификация:

Сталь конструкционная углеродистая Обыкновенногокачества

Применение:

несущие элементы сварных и не сварных конструкций и деталей, работающих приположительных температурах; фасонный и листовой прокат (5-й категории) - для несущих элементов сварных конструкций, работающих при переменных нагрузках: при толщине проката до 25 мм в интервале температур от -40 до +425°С; при толщине проката свыше 25 мм в интервале от -40 до +425°С при условии поставки с гарантируемой свариваемостью.


Таблица 1.3

Химический состав в % стали ВСт3сп

C

Si

Mn

Ni

S

P

Cr

N

Cu

As

0.14-0.22

0.15 -0.3

0.4-0.65

до 0.3

до 0.05

до 0.04

до 0.3

до 0.008

до 0.3

до 0.08


Таблица 1.4

Механические свойства при Т=20oС стали ВСт3сп