Материал: Разработка технологического процесса производства изделий из термопластов, армированных стекловолокном

Внимание! Если размещение файла нарушает Ваши авторские права, то обязательно сообщите нам

Разработка технологического процесса производства изделий из термопластов, армированных стекловолокном

Содержание

Введение

1. Современное состояние в области переработки армированных термопластов

1.1 Существующие подходы при создании композиционных материалов

1.2 Армированные термопласты

2. Изделия силового назначения

2.1 Номенклатура разрабатываемых изделий

2.2 Конструктивно-технологическая характеристика изделий

2.2.1 Анализ исходных данных

2.2.2 Технические требования. Технические условия

2.2.3 Качественный анализ технологичности изделия

3. Разработка технологического процесса

3.1 Разработка технологического процесса получения стеклонаполненного полуфабриката

3.1.1 Разработка маршрутной карты получения стеклонаполненного полуфабриката

3.1.2 Разработка линии получения армированного гранулята

3.2 Разработка технологического процесса изготовление изделий из термопластов

4. Экология и безопасность производства

4.1 Безопасность процессов производства стеклонаполненных термопластов и изделий из них

.2 Устойчивость производства в чрезвычайных ситуациях (ЧС)

5. Организация и экономика производства

5.1 Технико-экономическое обоснование проектирование и изготовления

.2 Себестоимость изготовления типовой детали

.3 Оценка технико-экономического эффекта от применения проектируемого оборудования

Заключение

Список использованных источников

Введение

С целью открытия новых и более совершенных областей применения полимеров или расширения старых, непрерывно продолжается улучшение механических, физических и химических свойств этих материалов, необходимых в промышленности и народном хозяйстве. Это достигается путём химической модификации полимера, либо введением различных модифицирующих добавок.

Существенное улучшение механических свойств достигается введением в полимерный материал стеклянного волокна. Волокно можно вводить в небольшом количестве -20 % иногда и до 40% от массы полимерного материала. При таком соотношении компонентов, сохраняется возможность для промышленной переработки материала.

Целью данного проекта является: разработка технологического процесса производства изделий из термопластов, армированных стекловолокном и разработка линии по производству изделий из них, производительностью до 100 кг/час.

На основании литературного обзора проанализирована текущая ситуация с переработкой армированных термопластов, учтены уже существующие способы и технологии. Этому посвящен анализ эксплуатационных, технологических и других свойств обычных и армированных полимерных материалов, применяемых в настоящее время в промышленности. В работе также исследованы основные принципы создания композиционных материалов на основе термопластичных полимеров, армированных стекловолокном.

Разрабатываемый технологический процесс представляет процесс производства изделий из армированных термопластов, на примере изделий из полиамида. На примере конкретного изделия сделан конструктивно-технологический анализ конструкции, произведён выбор марки материала и технологических параметров процесса формования.

В специальной части проекта представлено техническое предложение по усовершенствованию оборудования для формования и технологии процесса наполнения. Особое внимание уделено повышению износостойкости изделий.

1. Современное состояние в области переработки армированных термопластов

Композиционный материал - сложный материал на основе двух или более компонентов: наполнителя (инертного или армирующего) и совместимого с ним связующего матрицы. После отверждения такой композиции получают материалы, обладающие специфическими свойствами. Во всех случаях - это система разных материалов, каждый из которых имеет своё конкретное назначение.

Совместная работа разнородных материалов даёт эффект равносильный созданию нового материала, свойства которого и качественно и количественно отличаются от свойств каждого из его составляющих. Композиционные материалы представляют собой гетерофазные системы [5].

1.1    Существующие подходы при создании композиционных материалов

Компоненты композиции различны по геометрическому признаку. Один из компонентов, обладающий непрерывностью по всему объёму называется матрицей. Компонент, распределённый в объёме матрицы, считается усиливающим или армирующим. Армирующими компонентами могут быть разные дисперсные или волокнистые материалы различной природы.

В зависимости от вида армирующего компонента композиционные материалы могут быть дисперсно-упрочнённые и волокнистые, которые отличаются структурой, механизмами образования высокой прочности [5].

Можно выделить следующие признаки, характеризующие композиционные материалы:

компоненты присутствуют в количествах, обеспечивающих заданные свойства материала;

состав и форма компонентов материала заранее определены;

компоненты различаются по свойствам, между ними существует граница раздела фаз;

У волокнистых композитов матрица (чаще всего пластичная) армирована высокопрочными волокнами, проволокой, нитевидными кристаллами. Идея создания волокнисто-армированных структур состоит не в том, чтобы исключить пластическое деформирование, а в том, чтобы при его деформации обеспечивалось нагружение волокон и использовалась бы их высокая прочность [5].

Матрица, заполняющая межволоконное пространство обеспечивает совместную работу отдельных волокон за счёт собственной жёсткости.

Композиционный материал характеризуется следующими механическими свойствами:

высокая прочность армирующих волокон;

жесткость матрицы;

прочность связи на границе раздела фаз.

В зависимости от соотношения этих свойств в материале, будет зависеть весь комплекс механических свойств композиции и механизм его разрушения.

О дисперсно-упрочнённых композитах можно сказать, что они представляют собой материал, в матрице которого равномерно распределены мелкодисперсные частицы наполнителя. При нагружении таких материалов всю нагрузку воспринимает матрица, в которой с помощью частиц второй фазы происходит процесс эффективного сопротивления пластической деформации.

Можно сказать, что при разработке термопластичных волокнитов необходим рациональный типа армирующих волокон, которые должны удовлетворять комплексу эксплуатационных и технологических требований.

К этим требованиям относятся:

требования по прочности, жёсткости;

требования по стабильности размеров;

требования по стабильности свойств при определённых условиях эксплуатации (температурный режим и т.д.);

требования по химической стойкости;

Также особое внимание нужно уделить матрице, которая обеспечивает монолитность изделия и фиксирует его форму, распределяет действующее напряжение по объёму материала, обеспечивая равномерную нагрузку на волокна и её перераспределение. От выбора материала матрицы будет зависеть метод изготовления изделий и вследствие этого параметры технологического процесса. Механические свойства материала матрицы должны обеспечить работу волокон при различных видах нагружения. Прочностные характеристики будут определяющими при сдвиговых нагрузках, циклическом нагружении. Также выбор материала для матрицы определит диапазон рабочих температур, характер изменения свойств при воздействии атмосферных и других факторов.

Свойства создаваемого композита будут зависеть не только от свойств волокон и матрицы и их адгезионного взаимодействия, но и от способов армирования. Адгезионное взаимодействие волокна и матрицы определяет уровень свойств волокнитов и их сохранение. Граница раздела должна иметь определённые свойства, чтобы обеспечить эффективную передачу механической нагрузки от материала на волокно. Адгезионная связь по границе раздела не должна разрушаться под действием термических и усадочных напряжений, возникающих вследствие различия в температурных коэффициентах линейного расширения матрицы и волокон или в результате химической усадки связующего при его отверждении.

Итак, можно выделить следующие основные примеры композитов:

композиты, образованные из слоев, армированных параллельными непрерывными волокнами;

композиты, армированные тканями;

композиты с хаотическим и пространственным армированием.

В зависимости от природы материала матрицы различают композиты с полимерной матрицей, металлической матрицей, керамической и матрице на основе углерода. Отметим, что композиты на основе полимерной матрицы разделяются на композиты с термопластичной и композиты на основе термореактивного связующего. В зависимости от природы армирующих волокон, композиты на основе полимерной матрицы делятся на стеклопластики, углепластики, органопластики, боропластики и т.д.

Изготовление изделий из композитов, армированных тканями, слоистых пластиков в значительной степени повышает себестоимость изготавливаемых изделий, усложняет технологический процесс их производства и будет неэффективным с точки зрения рационального подбора типа материала для производства данных изделий.

Наиболее предпочтительным будет применение композитов с хаотически армированной структурой коротковолокнистым наполнителем.

Примером подобных материалов являются термопласты, наполненные коротким стеклянным волокном. Производство изделий из этих материалов требует обычного оборудования для переработки. Кроме того, себестоимость таких изделий значительно ниже, по сравнению с изделиями из армированных тканями и слоистых материалов.

1.2 Армированные термопласты

В настоящее время промышленностью предлагается большой ассортимент композиционных материалов, необходимых для производства изделий силового назначения к которым предъявляются повышенные (относительно изотропных не наполненных пластмасс) требования по прочности и деформационной теплостойкости. Остановимся на композитах на основе термопластичных связующих, армированных коротким волокном. Использование таких материалов в качестве материала изделия силового назначения, обеспечивает требуемый уровень эксплуатационных свойств, если в качестве упрочняющих волокон используется стекловолокно. Введение в состав полимера наполнителя придаёт изделию более высокую устойчивость к длительному нагружению, повышает прочность при циклическом нагружении, стойкость к расстрескиванию. В таблице (лист) приведены значения коэффициентов возрастания показателей физико-механических свойств термопластов при наполнении стеклянными волокнами (степень наполнения ט=20%). Èç òàáëèöû âèäíî, ÷òî ðàçðóøàþùåå íàïðÿæåíèå ïðè ðàñòÿæåíèè ïîëèàìèäîâ; ïîëèñòèðîëà, ïîëèôåíèëåí îêñèäà, ñîïîëèìåðîâ ïðîïèëåíà è ýòèëåíà âîçðàñòàåò â 2 ðàçà, ïðè àðìèðîâàíèè ýòèõ òåðìîïëàñòîâ ñòåêëîâîëîêíîì. Ðàçðóøàþùåå íàïðÿæåíèå ïðè èçãèáå ýòèõ òåрмопластов увеличивается в среднем в 1,5 раза; ударная вязкость (по Изоду) значительно увеличивается только при наполнении полистирола (в 8 раз), полиамидов и полиэтилена ВП (в 5 раз). С введением стекловолокна, термический коэффициент линейного расширения уменьшается в 0,15 раза при наполнении полиамидов, в 0,23 раза при наполнении поликарбоната. При введении стекловолокон возрастает теплостойкость (под нагрузкой 1,8 МПа) полиамидов в 2раза, полиэтилена ВП в 2 раза.

В [1] отмечается, что возрастание жесткости и прочности незначительно, по сравнению с отверждёнными смолами. Это объясняется тем, что:

- термопласт, наполненный стекловолокном до 30% веса, трудно перерабатывается. Вязкость расплава велика;

ïðè ïåðåðàáîòêå òåðìîïëàñòè÷íûõ âîëîêíèòîâ ýêñòðóçèåé èëè ëèòü¸ì ïîä äàâëåíèåì òðóäíî ñîõðàíèòü äëèíó êîðîòêèõ âîëîêîí è ðàâíîìåðíî ðàñïðåäåëèòü âîëîêíà ïî îáú¸ìó ìàòåðèàëà;

ïîâåðõíîñòü áîëüøèíñòâà íàïîëíèòåëåé ÿâëÿåòñÿ ãèäðîôîáíîé è ïëîõî ñìà÷èâàåòñÿ ìíîãèìè òåðìîïëàñòè÷íûìè ïîëèìåðàìè.

Ïðè èñïîëüçîâàíèè íåêîòîðûõ òåðìîïëàñòîâ (ïîëèêàðáîíàò) ïðîèñõîäèò ñíèæåíèå óäàðíîé âÿçêîñòè.  [1] ýòî ïîÿñíÿåòñÿ êàê ñëåäñòâèå íåóïîðÿäî÷åííîñòè ñòðîåíèÿ ïîëèìåðà è åãî íàïðÿæ¸ííîñòüþ íà ãðàíèöå ðàçäåëà ïîëèìåð-âîëîêíî.

Ïðî÷íîñòü íàïîëíåííîãî òåðìîïëàñòà ïî ìåðå ïîâûøåíèÿ ñòåïåíè íàïîëíåíèÿ âîçðàñòàåò ëèøü äî îïðåäåë¸ííîãî ïðåäåëà, ïîñëå ÷åãî íàáëþäàåòñÿ çàìåäëåíèå ðîñòà ïîêàçàòåëåé è äàëåå äàæå èõ ñíèæåíèå. Ðàâíîâåñíàÿ ñòåïåíü íàïîëíåíèÿ (àðìèðîâàíèÿ) ñòåêëîâîëîêíîì äëÿ áîëüøèíñòâà òåðìîïëàñòîâ ñîñòàâëÿåò íå áîëåå 25-30%âåñà. Ïðè ïðåâûøåíèè äàííîãî ïðåäåëà ïðîèñõîäèò ðåçêîå óâåëè÷åíèå âÿçêîñòè ðàñïëàâà ïîëèìåðà. Ýòî íåèçáåæíî ïðèâîäèò ê óõóäøåíèþ ôèçèêî-ìåõàíè÷åñêèõ ñâîéñòâ àðìèðîâàííîãî òåðìîïëàñòà.

Äàëåå ïðåäñòàâëåíû ãðàôèêè çàâèñèìîñòè îñíîâíûõ ìåõàíè÷åñêèõ õàðàêòåðèñòèê îò ñîäåðæàíèÿ ñòåêëîâîëîêíà:

Ðèñóíîê 1.1 - Çàâèñèìîñòü ìîäóëÿ óïðóãîñòè ïðè ðàñòÿæåíèè èçîòðîïíûõ ñòåêëîâîëîêíèòîâ íà îñíîâå ïîëèàìèäîâ, îò ñòåïåíè íàïîëíåíèÿ [1]: 1. ÏÀ-6,6; 2. ÏÀ-6; 3. ÏÀ-6,6 + ÏÀ-6

Ðèñóíîê 1.2 - Çàâèñèìîñòü ðàçðóøàþùåãî íàïðÿæåíèÿ ïðè èçãèáå èçîòðîïíûõ ñòåêëîâîëîêíèòîâ íà îñíîâå ïîëèàìèäîâ, ïðè 25°Ñ (1-3) è 73°Ñ (4,5) îò ñòåïåíè íàïîëíåíèÿ [1]: 1. ÏÀ-6,6; 2. ÏÀ-6; 3. ÏÀ-6,6 + ÏÀ-6; 4. ÏÀ-6,6; 5. ÏÀ-6

Ðèñóíîê 1.3 - Çàâèñèìîñòü ðàçðóøàþùåãî íàïðÿæåíèÿ ïðè ðàñòÿæåíèè òåðìîïëàñòè÷íûõ èçîòðîïíûõ ñòåêëîâîëîêíèòîâ, îò ñòåïåíè íàïîëíåíèÿ [1]: 1 - ÏÊ; 2 - ÏÀ-6,6; 3 - ñîïîëèìåð ñòèðîëà è àêðèëîíèòðèëà; 4 - ñîïîëèìåð ñòèðîëà, àêðèëîíèòðèëà è áóòàäèåíà; 5 - ÏÑ; 6 - ÏÏ

Ïî äàííûì ãðàôèêàì ìîæíî ñäåëàòü âûâîä, ÷òî íàïîëíåíèå ïîëèàìèäîâ ÿâëÿåòñÿ íàèáîëåå ýôôåêòèâíûì, ñ òî÷êè çðåíèÿ âîçðàñòàíèÿ ïîêàçàòåëåé ìåõàíè÷åñêèõ ñâîéñòâ. Ýòî â îñîáåííîñòè âàæíî äëÿ èçãîòîâëåíèÿ äåòàëåé ñèëîâîãî íàçíà÷åíèÿ.

Èòàê, ïîêàçàòåëè ïðî÷íîñòè ìîíîòîííî óâåëè÷èâàþòñÿ (â òðè ðàçà) è ìîäóëü óïðóãîñòè (â âîñåìü ðàç) âïëîòü äî ñòåïåíè íàïîëíåíèÿ 40%. Òàêèì îáðàçîì, ïîëèàìèäû (ÏÀ-6,6; ÏÀ-6) ìîãóò èñïîëüçîâàòüñÿ â êà÷åñòâå ìàòåðèàëîâ, ðàçðàáàòûâàåìûõ èçäåëèé â äàííîì ïðîåêòå, òàê êàê òîëüêî ñòåêëîíàïîëíåííûè ïîëèàìèä îáëàäàåò ïðè ðàñòÿæåíèè áîëåå 20êãñ/ìì2; ìîäóëåì óïðóãîñòè ïðè ðàñòÿæåíèè áîëåå 10,0 êãñ/ìì2; òåïëîñòîéêîñòüþ ïîä íàãðóçêîé 18,2 êãñ/ñì áîëåå 2000 Ñ.

Ïîâûøåííàÿ, ïî ñðàâíåíèþ ñ íåíàïîëíåííûìè òåðìîïëàñòàìè òåïëîñòîéêîñòü, ÿâëÿåòñÿ îäíèì èç ñóùåñòâåííûõ äîñòîèíñòâ òåðìîïëàñòîâ, àðìèðîâàííûõ ñòåêëîâîëîêíîì, íàïðèìåð ïîëèàìèäîâ.  [1] ýòî îáúÿñíÿåòñÿ çíà÷èòåëüíî áîëüøîé æ¸ñòêîñòüþ ïîëèìåðà, âñëåäñòâèå êîòîðîé óìåíüøàåòñÿ åãî äåôîðìèðóåìîñòü ïðè ïîâûøåííûõ òåìïåðàòóðàõ ñòåêëîâàíèÿ (Òñ). Ìîëåêóëÿðíàÿ ïîäâèæíîñòü â ïîãðàíè÷íûõ ñëîÿõ çàìîðàæèâàåòñÿ ïðè ââåäåíèè ñòåêëîâîëîêíà. Åñëè ïîëèìåð îáëàäàåò õîðîøåé ñìà÷èâàåìîñòüþ, ýòî ïðèâîäèò ê óâåëè÷åíèþ Òñ.

Ïðè íàïîëíåíèè òåðìîïëàñòîâ âîëîêíèñòûìè ñòðóêòóðàìè (ñòåêëîâîëîêíàìè) ñóùåñòâåííîå âëèÿíèå íà Òñ îêàçûâàåò ïëîùàäü êîíòàêòà ïîëèìåðà ñ ïîâåðõíîñòüþ íàïîëíèòåëÿ: ïî ìåðå âîçðàñòàíèÿ ñìà÷èâàíèÿ ïîëèìåðîì ñòåêëîâîëîêîí, ýôôåêò ïîâûøåíèÿ òåìïåðàòóðû ñòåêëîâàíèÿ áîëåå çíà÷èòåëåí [1].

Äëÿ îöåíêè âîçìîæíîñòè ïðèìåíåíèÿ ìàòåðèàëà â êà÷åñòâå ìàòåðèàëà äëÿ èçäåëèé â ïðîåêòå, íåîáõîäèìî ïðîàíàëèçèðîâàòü çàâèñèìîñòè ïðî÷íîñòíûõ õàðàêòåðèñòèê îò òåìïåðàòóðû.

Ñ óâåëè÷åíèåì ñòåïåíè íàïîëíåíèÿ ïîëèàìèäîâ ïðîèñõîäèò çàìåòíîå ïîâûøåíèå ïðî÷íîñòè è æ¸ñòêîñòè. Ïîëó÷åííûå äàííûå ïîçâîëÿþò ñäåëàòü âûâîä î âîçìîæíîñòè ïðèìåíåíèÿ àðìèðîâàííîãî ïîëèàìèäà ïðè òåìïåðàòóðàõ äî 200°Ñ. Íî ïðè äåéñòâèè íàïðÿæåíèé è âûñîêèõ òåìïåðàòóð, èíòåíñèâíåå ðàçâèâàþòñÿ òåðìîäåñòðóêòèâíûå ïðîöåññû, îãðàíè÷èâàþùèå îáëàñòü ïðèìåíåíèÿ òàêèõ ìàòåðèàëîâ òåìïåðàòóðîé â 120°Ñ.

Ðèñóíîê 1.4 - Òåìïåðàòóðíûå çàâèñèìîñòè ìîäóëÿ ñäâèãà ïðè êðó÷åíèè ÏÀ-6, íàïîëíåííîãî ñòåêëîâîëîêíîì [1]

Ðèñóíîê 1.5 -Òåìïåðàòóðíûå çàâèñèìîñòè ðàçðóøàþùåãî íàïðÿæåíèÿ ïðè ðàñòÿæåíèè ÏÀ-6,6, íàïîëíåííîãî ñòåêëîâîëîêíîì [1]

Ââåäåíèå ñòàáèëèçàòîðîâ ìîæåò çàìåòíî ðàñøèðèòü òåìïåðàòóðó ýêñïëóàòàöèè. Ýòî ïðèâîäèò ê ñíèæåíèþ îêèñëèòåëüíîé äåñòðóêöèè. Òàê ñòåêëîâîëîêíèò íà îñíîâå òåðìîñòàáèëèçèðîâàííîãî ÏÀ-6,6 ìîæåò íàõîäèòñÿ ïðè Ò=180°Ñ â 200 ðàç äîëüøå, ÷åì íåíàïîëíåííûé [1].

Ââåäåíèå â òåðìîïëàñò ñòåêëîâîëîêíà ïîâûøàåò ïîêàçàòåëè äëèòåëüíîé ïðî÷íîñòè, äèíàìè÷åñêîé âûíîñëèâîñòè, ñíèæàåò ïîëçó÷åñòü. Ïðè ñðàâíèòåëüíûõ èñïûòàíèÿõ íà äèíàìè÷åñêóþ óñòàëîñòü ÏÊ è ÏÀ â [1] ïîêàçàíî, ÷òî ñ ââåäåíèåì â íèõ ñòåêëîâîëîêîí ÷èñëî öèêëîâ äî ðàçðóøåíèÿ óâåëè÷èâàåòñÿ íà äâà ïîðÿäêà.

Ðèñóíîê 1.6 -Òåìïåðàòóðíî-âðåìåííûå ãðàíèöû ïðèìåíåíèÿ ÏÀ-6,6 [4]: 1 -áåç ñòàáèëèçàòîðà; 2 - òåðìîñòàáèëèçèðîâàííûé; 3 òåðìîñòàáèëèçèðîâàííûé + 30% ñòåêëîâîëîêíà.

Ðèñóíîê 1.7 - Óñòàëîñòíàÿ ïðî÷íîñòü íåíàïîëíåííûõ (1,3) è íàïîëíåííûõ ñòåêëîâîëîêíîì (2,4) ÏÀ (1,2) è ÏÊ (3,4) [1].

Ñòåïåíü óïðî÷íåíèÿ ïîëèìåðà ïðîïîðöèîíàëüíà ïëîùàäè êîíòàêòà åãî ñ íàïîëíèòåëåì, òî åñòü ñìà÷èâàåìîñòè ïîëèìåðîì ïîâåðõíîñòè ÷àñòèö. Àäãåçèîííîå âçàèìîäåéñòâèå ìåæäó íàïîëíèòåëåì è òåðìîïëàñòè÷íûì ñâÿçóþùèì, â çíà÷èòåëüíîé ñòåïåíè çàâèñèò îò êà÷åñòâà îáðàáîòêè ïîâåðõíîñòè è äëèíû âîëîêîí. Ñ ýòîé öåëüþ ïðèìåíÿþò àïïðåòû. Íàèáîëåå ýôôåêòèâåí â ïîëèàìèäîâ àïïðåò, ñîäåðæàùèé àìèíîãðóïïû, íàïðèìåð àìèíîñèëàí. Ïðèìåíåíèå àïïðåòîâ ïîçâîëÿåò ñíèçèòü ñòåïåíü íàïîëíåíèÿ èëè äëèíó âîëîêîí, ñîõðàíÿÿ ïðè ýòîì äîñòèãíóòûé óðîâåíü ôèçèêî-ìåõàíè÷åñêèõ ñâîéñòâ. Îãðîìíîå âëèÿíèå íà ôèçèêî-ìåõàíè÷åñêèå ñâîéñòâà àðìèðîâàííûõ òåðìîïëàñòîâ îêàçûâàåò äëèíà ââîäèìîãî âîëîêíà, ñîõðàíåíèå ðàçìåðîâ ÷àñòèö íàïîëíèòåëÿ ïîñëå ïåðåðàáîòêè òåðìîïëàñòà â èçäåëèå. Äëèíó âîëîêíà, ïðè êîòîðîé äîñòèãíóò çàäàííûé è äî êîíöà îïòèìàëüíûé óðîâåíü ñâîéñòâ íàçûâàþò êðèòè÷åñêîé äëèíîé.

Äëÿ îïðåäåëåíèÿ êðèòè÷åñêîé äëèíû âîëîêîí è ñðåäíåãî íàïðÿæåíèÿ íà âîëîêíå â [1] ïðåäëîæåíû ñëåäóþùèå ôîðìóëû:

Lêð/d= sâ/ 2 t,màõ (1.1)

sâ(ñð) =sâ (1-Lêð/ 2L) (1.2)

ãäå: d-äèàìåòð âîëîêíà;

sâ - ðàçðóøàþùåå çíà÷åíèå ïðè ðàñòÿæåíèè âîëîêíà, íà êîíöàõ êîòîðîãî êàñàòåëüíîå íàïðÿæåíèå t, ïåðåäàííîå ÷åðåç ñâÿçóþùåå, äîñòèãàåò ìàêñèìóìà.

Ïî äàííûì ôîðìóëàì ìîæíî îïðåäåëèòü, ïðè êàêèõ çíà÷åíèÿõ Lêð /d âîëîêíî ìîæíî íàãðóæàòü äî ïðåäåëüíîãî ðàçðóøàþùåãî çíà÷åíèÿ íàïðÿæåíèÿ. Íàïîëíåíèå âîëîêíàìè òåðìîïëàñòîâ ñîïðîâîæäàåòñÿ èõ èíòåíñèâíûì èçìåëü÷åíèåì èç-çà âûñîêîé âÿçêîñòè ïîëèìåðà. Òàêèì îáðàçîì, âûäâèãàåòñÿ çàäà÷à ïîëó÷åíèÿ ñòåêëîâîëîêíèòà ñ çàäàííîé äëèíîé âîëîêíà èëè åãî ðàñïðåäåëåíèåì ïî äëèíàì. Ýòî ïîçâîëèò ïðîèçâîäèòü ìàòåðèàë ñ çàðàíåå ñïðîãíîçèðîâàííûìè ôèçèêî-ìåõàíè÷åñêèìè ñâîéñòâàìè.

Ñëåäóåò ñêàçàòü îá ýêîíîìè÷åñêîé ýôôåêòèâíîñòè îò èñïîëüçîâàíèÿ àðìèðîâàííûõ òåðìîïëàñòîâ. Óëó÷øåíèå ñâîéñòâ òåðìîïëàñòîâ ïðè àðìèðîâàíèè ñîïðîâîæäàåòñÿ ìíîãèìè ïðåèìóùåñòâàìè:

ñíèæåíèå ñòîèìîñòè ìàòåðèàëà;

óñêîðåíèå ïðîöåññîâ ôîðìîâàíèÿ âñëåäñòâèå ïîâûøåíèÿ òåïëîïðîâîäíîñòè è óìåíüøåíèÿ óñàäîê è êîðîáëåíèÿ. Íèæå â òàáëèöå 2.2 ïðèâåäåíû ïðèáëèçèòåëüíûå ïîêàçàòåëè ñòîèìîñòè íåêîòîðûõ ïîëèìåðîâ.

Òàáëèöà 1.1

Îðèåíòèðîâî÷íàÿ Ñòîèìîñòü íåêîòîðûõ êîíñòðóêöèîííûõ òåðìîïëàñòîâ (2005 ã.)

Òåðìîïëàñò

ÏÝ

ÏÀ6,6

ÏÀ 6,6ÍÑ30

ÏÊ

ÏÔ

ÏÏ

Ñòîèìîñòü ðóá./òîííà

4500

6000-8000

10000

12000

8000

3000


Èç òàáëèöû âèäíî, ÷òî àðìèðîâàíèå ñòåêëîâîëîêíîì ïîëèàìèäîâ íåñóùåñòâåííî óâåëè÷èâàåò ñòîèìîñòü ìàòåðèàëîâ îòíîñèòåëüíî ñòîèìîñòè ÏÊ, íî îäíîâðåìåííî óâåëè÷èâàåò óðîâåíü ìåõàíè÷åñêèõ ñâîéñòâ. Ñòîèìîñòü íàïîëíèòåëåé íà îñíîâå ñòåêëîâîëîêíà òîæå ðàçëè÷íà. Íåïðåðûâíîå ñòåêëîâîëîêíî â ñðåäíåì èìååòñÿ â ïðîäàæå ïî öåíå 1,5-2 òûñ. ðóá. çà òîííó. Öåíû íà êîíñòðóêöèîííûå ìàòåðèàëû â äâà-òðè ðàçà âûøå öåí íà íåíàïîëíåííûå ÏÊ, ÏÀ. Òåðìîóñòîé÷èâûå àðìèðîâàííûå òåðìîïëàñòû îòå÷åñòâåííîé ïðîìûøëåííîñòüþ íå ïðîèçâîäÿòñÿ, à èõ èìïîðò íå îïðàâäûâàåò ñåáÿ. Ìîæíî ñêàçàòü, ÷òî ñòîèìîñòü íåíàïîëíåííûõ òåðìîïëàñòîâ áëèçêà ê ñòîèìîñòè òåðìîïëàñòè÷íûõ ñòåêëîâîëîêíèòîâ, à ñòîèìîñòü òåðìîóñòîé÷èâûõ àðìèðîâàííûõ ïëàñòìàññ ãîðàçäî âûøå ñòîèìîñòè òðàäèöèîííûõ òåðìîïëàñòîâ. Î÷åâèäíî, ÷òî ïðèìåíåíèå òåðìîïëàñòè÷íûõ ñòåêëîâîëîêíèòîâ ïîçâîëèò ïîëó÷èòü çàìåòíûé ýêîíîìè÷åñêèé ýôôåêò (èç-çà îòíîñèòåëüíî íèçêîé ñòîèìîñòè ìàòåðèàëà), ïî ñðàâíåíèþ ñ ïðèìåíåíèåì òåðìîóñòîé÷èâûõ äîðîãîñòîÿùèõ ïëàñòìàññ.

2. Èçäåëèÿ ñèëîâîãî íàçíà÷åíèÿ

Òåðìîïëàñòû, àðìèðîâàííûå ñòåêëîâîëîêíîì, ïðîíèêàÿ â íîâûå îáëàñòè ïðîìûøëåííîñòè è òåõíîëîãèè, ýôôåêòèâíî çàìåíÿþò äåòàëè èç ìåòàëëè÷åñêèõ ìàòåðèàëîâ. Ïðè ýòîì äîñòèãàåòñÿ çíà÷èòåëüíàÿ ýêîíîìèÿ, îáóñëîâëåííàÿ ñíèæåíèåì ñòîèìîñòè èçäåëèé èëè öåëûõ óçëîâ.

.1 Íîìåíêëàòóðà ðàçðàáàòûâàåìûõ èçäåëèé

Ðàçðàáàòûâàåìîå èçäåëèå ñèëîâîãî íàçíà÷åíèÿ «êîðîìûñëî» èç àðìèðîâàííûõ ñòåêëîâîëîêíîì òåðìîïëàñòîâ, èñïîëüçóåòñÿ â ñëåäóþùèõ îáëàñòÿõ íàðîäíîãî õîçÿéñòâà:

. Îáùåå ìàøèíîñòðîåíèå: ðû÷àãè, îïîðíûå óçëû, ðàáîòàþùèå â áîëåå øèðîêîì äèàïàçîíå òåìïåðàòóð, ÷åì íåíàïîëíåííûå òåðìîïëàñòû.  ñî÷åòàíèè ñ âûñîêîé òåïëîñòîéêîñòüþ è ôèçèêî-ìåõàíè÷åñêèìè ñâîéñòâàìè ïðèìåíåíèå íàõîäÿò è äèýëåêòðè÷åñêèå ñâîéñòâà òàêèõ ïîëèìåðîâ.  êà÷åñòâå ïðèìåðà ìîæíî ïðèâåñòè ðóêîÿòêè è êíîïêè ðàäèîýëåêòðîííîé àïïàðàòóðû è ò.ä.

. Ñòåêëîíàïîëíåííûå òåðìîïëàñòû íàøëè ñâî¸ ïðèìåíåíèå â ñèëîâûõ êîíñòðóêöèÿõ - ñèëîâûå êðîíøòåéíû, ïðîôèëè è äðóãèå óñèëèâàþùèå ýëåìåíòû.

Èç ýòèõ ìàòåðèàëîâ èçãîòîâëÿþò ðàçëè÷íûå øåñòåðíè, îïîðû òðåíèÿ, âòóëêè, êóëà÷êè è ïóñêàòåëè. Èçãîòîâëÿþò âðàùàþùèåñÿ äåòàëè, áëàãîäàðÿ íèçêîìó êîýôôèöèåíòó è àíòèôðèêöèîííûì ñâîéñòâàì íåêîòîðûõ ïîëèìåðîâ. Ñóùåñòâóþò íåíàïîëíåííûå òåðìîïëàñòû, êîòîðûå ïðåâîñõîäÿò íàïîëíåííûå ïî òåïëîñòîéêîñòè, ïðî÷íîñòè è äðóãèì ñâîéñòâàì, íî ïðèìåíåíèå äàííûõ ìàòåðèàëîâ çàòðóäíèòåëüíî ââèäó èõ âûñîêîé ñòîèìîñòè.  êà÷åñòâå ïðèìåðà ìîæíî ïðèâåñòè ñëîæíûå ïîëèýôèðû ÏÝÝÊ, ÏÝÝÑó è ò.ä.

.2 Êîíñòðóêòèâíî-òåõíîëîãè÷åñêàÿ õàðàêòåðèñòèêà èçäåëèÿ

Êîíñòðóêöèÿ ïëàñòìàññîâîé äåòàëè äîëæíà îòâå÷àòü òðåáîâàíèÿì ïî: ñâîéñòâàì ïðèìåíÿåìîãî ìàòåðèàëà, îñîáåííîñòÿì ïðîöåññà èçãîòîâëåíèÿ, óñëîâèÿì ñáîðêè è äàëüíåéøåé ýêñïëóàòàöèè. Ïîýòîìó êîíñòðóèðîâàíèå äåòàëè îñóùåñòâëÿåòñÿ îäíîâðåìåííî ñ àíàëèçîì å¸ òåõíîëîãè÷íîñòè [7].

 ýòîì ðàçäåëå áóäåò äàíà õàðàêòåðèñòèêà è àíàëèç êîíñòðóêöèè èçäåëèÿ, à òàêæå êà÷åñòâåííàÿ îöåíêà òåõíîëîãè÷íîñòè èçäåëèÿ «êîðîìûñëî». Ìîæíî ñêàçàòü, ÷òî äàííîå èçäåëèå ÿâëÿåòñÿ îòâåòñòâåííûì êîíñòðóêöèîííûì èçäåëèåì è òèïè÷íûì ïðåäñòàâèòåëåì èçäåëèé èç ïëàñòìàññ ïîâûøåííîé ïðî÷íîñòè.

2.2.1 Àíàëèç èñõîäíûõ äàííûõ

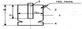
Äàííîå èçäåëèå - «êîðîìûñëî», ÿâëÿåòñÿ êîíñòðóêöèîííûì, è ñëóæèò äëÿ ïåðåäà÷è îêðóæíîãî óñèëèÿ íà ìåõàíèçì âîçâðàòà êàðåòêè ñàìîïèøóùåãî ïðèáîðà. Ïî êëàññèôèêàöèè [4] èçäåëèå îòíîñèòñÿ ê îòâåòñòâåííûì ñîïðÿãàåìûì äåòàëÿì.

×åðò¸æ äåòàëè, â ñîîòâåòñòâèè ñ ÃÎÑÒ 2.101-68 (ÅÑÊÄ) ñîäåðæèò äîñòàòî÷íîå êîëè÷åñòâî ïðîåêöèé, ðàçðåçîâ è ñå÷åíèé, íåîáõîäèìûõ äëÿ åãî èçãîòîâëåíèÿ è ïðîåêòèðîâàíèÿ îñíàñòêè äëÿ ïðîèçâîäñòâà. Íà ÷åðòåæå òàêæå óêàçàíû íåîáõîäèìûå äîïóñêè è ïîñàäêè ïî îñíîâíûì ðàáî÷èì ðàçìåðàì, îáåñïå÷èâàþùèå òî÷íîå ñîïðÿæåíèå ñ ìóôòîé, âûïîëíåííîé èç ñòàëè. Óêàçàí êëàññ ÷èñòîòû ïîâåðõíîñòè èçäåëèÿ.

2.2.2 Òåõíè÷åñêèå òðåáîâàíèÿ. Òåõíè÷åñêèå óñëîâèÿ

Êîðîìûñëî â ñîïðÿæåíèè ñ ìóôòîé ðàáîòàþò â ïðèáîðå ïðè ñëåäóþùèõ óñëîâèÿõ:

ìàêñèìàëüíàÿ ðàáî÷àÿ òåìïåðàòóðà + 150°Ñ

ìèíèìàëüíàÿ ðàáî÷àÿ òåìïåðàòóðà - 20°Ñ

õèìè÷åñêèå ñðåäû îòñóòñòâóþò.

Èçäåëèå ðàáîòàåò â íîðìàëüíûõ àòìîñôåðíûõ óñëîâèÿõ, âíóòðè ïðèáîðà è äîëæíî îòâå÷àòü ñëåäóþùèì òðåáîâàíèÿì:

. ×èñëî öèêëîâ äî ðàçðóøåíèÿ ïðàâîãî è ëåâîãî êðûëà - N=106 öèêëîâ;

. Òâ¸ðäîñòü îïîðíûõ ïîâåðõíîñòåé, ðàáîòàþùèõ â ñîåäèíåíèè - íå ìåíåå 100 ïî Ðîêâåëëó;

. Óäàðíàÿ âÿçêîñòü ïî Èçîäó áåç íàäðåçà - íå ìåíåå 550 Äæ/ì;

. Äåôîðìàöèîííàÿ òåïëîñòîéêîñòü ïðè íàãðóçêå 0,46 ÌÏà, íå ìåíåå 180°Ñ;

Òåõíè÷åñêèå óñëîâèÿ èçãîòîâëåíèÿ èçäåëèÿ, îáåñïå÷èâàþùèå òåõíè÷åñêèå òðåáîâàíèÿ ê èçäåëèþ ðàññìîòðåíû äàëåå.

Îñíîâíûì ýêñïëóàòàöèîííûì ôàêòîðîì ÿâëÿåòñÿ ïðî÷íîñòü è æ¸ñòêîñòü ðàáî÷èõ ïîâåðõíîñòåé èçäåëèÿ, íèçêàÿ äåôîðìèðóåìîñòü, ñòîéêîñòü ê óäàðíûì íàãðóçêàì è äîñòàòî÷íî âûñîêàÿ óñòàëîñòíàÿ ïðî÷íîñòü. Òàêæå î÷åíü âàæíûì ôàêòîðîì äëÿ îöåíêè êîíñòðóêöèè èçäåëèÿ è ïðàâèëüíîãî âûáîðà ïîëèìåðà äëÿ åãî èçãîòîâëåíèÿ, ÿâëÿåòñÿ: ñòàáèëüíîñòü ðàçìåðîâ ðàáî÷èõ ïîâåðõíîñòåé äåòàëè, ñîõðàíåíèå çàäàííîé òî÷íîñòè â ïðîöåññå ýêñïëóàòàöèè, ñòîéêîñòü ê èñòèðàíèþ.

Î÷åâèäíî, ÷òî äëÿ îáåñïå÷åíèÿ òî÷íîñòè ðàçìåðîâ èçäåëèÿ íåîáõîäèìî ó÷åñòü òåõíîëîãè÷åñêèå ñâîéñòâà ìàòåðèàëà - ëèòüåâóþ óñàäêó, å¸ ñòàáèëüíîñòü, ðåîëîãè÷åñêèå ñâîéñòâà ðàñïëàâà ïîëèìåðà è äðóãîå.

.2.3 Êà÷åñòâåííûé àíàëèç òåõíîëîãè÷íîñòè èçäåëèÿ

Êà÷åñòâåííûìè ïîêàçàòåëÿìè òåõíîëîãè÷íîñòè êîíñòðóêöèè èçäåëèÿ ÿâëÿþòñÿ:

. Ôîðìà èçäåëèÿ

Êîðîìûñëî åñòü ïëàñòèíà 60x85 ìì, íà ëèöåâîé ïîâåðõíîñòè êîòîðîé âûïîëíåíû òðè îòâåðñòèÿ: äâà îäèíàêîâîãî äèàìåòðà Ø 05ìì. ïîä ñòàëüíûå òÿãè è îäíî öåíòðàëüíîå Ø 08ìì. ïîä ñòàëüíóþ ìóôòó. Âñå îòâåðñòèÿ âûïîëíåíû ñ ó÷¸òîì îêðóæíûõ âûñòóïîâ, äèàìåòðû êîòîðûõ ðàâíû Ø 04ìì. Ýòî óïðî÷íÿþùèå ýëåìåíòû.  öåíòðàëüíîì îòâåðñòèè âûïîëíåíî ïîñàäî÷íîå ãíåçäî ïîä øïîíî÷íîå ñîåäèíåíèå. Òîëùèíà ïëàñòèíû Ø 4ìì. áåç ó÷¸òà òåõíîëîãè÷åñêèõ âûñòóïîâ ïîä îòâåðñòèÿ. Òî åñòü èçäåëèå ìîæíî îòíåñòè ê òîíêîñòåííûìè.

Ôîðìà èçäåëèÿ íå äîëæíà ïðåïÿòñòâîâàòü ïðîöåññó ôîðìîâàíèÿ, ò.å. ñâîáîäíîìó òå÷åíèþ ðàñïëàâà ïðè çàïîëíåíèè ôîðìîîáðàçóþùåé ïîëîñòè; ïîýòîìó ïðè ðàçðàáîòêå èçäåëèÿ ó÷èòûâàëàñü åãî ðàçíîòîëùèííîñòü.

Ðèñóíîê 2.1 - Ðàçëè÷íûå âàðèàíòû çàïîëíåíèÿ ôîðìû ïðè ëèòüå

Îáà âàðèàíòà çàïîëíåíèÿ ðàñïëàâîì îôîðìëÿþùåé ïîëîñòè èñêëþ÷àþò ïîÿâëåíèå äåôåêòîâ èçäåëèÿ, ñâÿçàííûõ ñ ðàçíîòîëùèííîñòüþ, à òàêæå ïîçâîëÿåò ðàâíîìåðíî çàïîëíèòü ôîðìó.

Âàðèàíò á) ÿâëÿåòñÿ ìåíåå æåëàòåëüíûì, òàê êàê ïðè òàêîì çàïîëíåíèè ôîðìû îáðàçóåòñÿ ñïàé, êîòîðûé ìîæåò íåãàòèâíî ñêàçàòüñÿ íà ðàáîòå èçäåëèÿ. Äàííîå èçäåëèå ðàáîòàåò íà ðàñòÿæåíèå è ñæàòèå, ïîýòîìó îñîáåííî âàæíî ñîõðàíèòü ìîíîëèòíîñòü ñòðóêòóðû â îñîáåííî íàãðóæåííûõ ÷àñòÿõ.

Âàðèàíò à) èñêëþ÷àåò ïîÿâëåíèå ñïàåâ ïðè ëèòüå. Ñáàëàíñèðîâàííàÿ ñèñòåìà âïóñêíûõ êàíàëîâ çîíòè÷íîãî òèïà ïîçâîëÿåò ïîëó÷èòü áîëüøóþ òî÷íîñòü èçãîòîâëåíèÿ èçäåëèÿ, ÷òî áóäåò âûçâàíî ðàâíîìåðíûì îòâåðæäåíèåì ìàòåðèàëà â ôîðìå.

Âûáîð ïëîñêîñòè ðàçú¸ìà òàêæå ïðåäîïðåäåëÿåò òî÷íîñòü ðàçìåðîâ ðàçëè÷íûõ ýëåìåíòîâ èçäåëèÿ. Íà ðèñóíêå 2.1 ïëîñêîñòü ðàçú¸ìà îáîçíà÷åíà À-À.

. Òåõíîëîãè÷åñêèå óêëîíû

Äëÿ îáåñïå÷åíèÿ ñâîáîäíîãî (áåç ïîâðåæäåíèé) èçâëå÷åíèÿ îòëèâêè èç ôîðìû íà âíåøíåé è âíóòðåííåé ïîâåðõíîñòÿõ èçäåëèé, ð¸áðàõ, îòâåðñòèÿõ, ïàçàõ.  íàïðàâëåíèè ðàçú¸ìà îôîðìëÿþùèõ ýëåìåíòîâ ôîðìû ïðåäóñìàòðèâàåòñÿ íàëè÷èå òåõíîëîãè÷åñêèõ óêëîíîâ [8].

Ç. Äëÿ óïðî÷íåíèÿ òîðöà èçäåëèÿ ñî ñòîðîíû êðûëà êîðîìûñëà ïðåäóñìîòðåí áóðòèê, èìåþùèé òîëùèíó h=2ìì. Òîðöû èçäåëèÿ ïðåäîõðàíÿþò êðàÿ îò ïîëîìêè, òðåùèí, ïðåäîòâðàùàþò êîðîáëåíèå.

. Îôîðìëåíèå îòâåðñòèé

Ïðè êîíñòðóèðîâàíèè äàííîãî èçäåëèÿ ó÷èòûâàëèñü ñëåäóþùèå òðåáîâàíèÿ: îôîðìëåíèå çàâèñèò îò äèàìåòðà îòâåðñòèÿ, âèäà îòâåðñòèÿ (ãëóõîå èëè ñêâîçíîå), ìåñòà åãî ðàñïîëîæåíèÿ, ìåñòà ïîäâîäà ëèòíèêà. Âñå òðè îòâåðñòèÿ ó èçäåëèÿ «êîðîìûñëî» - ñêâîçíûå, ðàñïîëîæåííûå ïî äóãå èçäåëèÿ. Îòíîøåíèå äèàìåòðà îòâåðñòèÿ ê åãî ãëóáèíå ïîçâîëÿåò â ñîîòâåòñòâèå ñ [8] ôîðìîâàòü èçäåëèå.

. Òåõíîëîãè÷åñêèå âûñòóïû

Äàííîå èçäåëèå ÿâëÿåòñÿ òîíêîñòåííûì è ïîýòîìó â [8] îòìå÷àåòñÿ, ÷òî ó òàêèõ èçäåëèé âûñòóïû æåëàòåëüíû, ïîýòîìó äëÿ ðàçìåùåíèÿ âûòàëêèâàòåëåé ïðåäóñìàòðèâàþòñÿ âûñòóïû äî 0,5 ìì.

3. Ðàçðàáîòêà òåõíîëîãè÷åñêîãî ïðîöåññà

.1 Ðàçðàáîòêà òåõíîëîãè÷åñêîãî ïðîöåññà ïîëó÷åíèÿ ñòåêëîíàïîëíåííîãî ïîëóôàáðèêàòà

 äàííîé ÷àñòè áóäóò ðàññìîòðåíû ñëåäóþùèå âîïðîñû:

ðàçðàáîòêà ëèíèè ñìåøåíèÿ òåðìîïëàñòà ñî ñòåêëîâîëîêíîì;

ðàçðàáîòêà òåõíîëîãè÷åñêîãî ïðîöåññà ãðàíóëèðîâàíèÿ òåðìîïëàñòîâ, àðìèðîâàííûõ ñòåêëîâîëîêíîì;

âûáîð è ðàñ÷¸ò ïàðàìåòðîâ îáîðóäîâàíèÿ.

Äëÿ ïðîèçâîäñòâà òåðìîïëàñòè÷íûõ ñòåêëîâîëîêíèòîâ áóäóò ïîëåçíûìè ñëåäóþùèå ìàòåðèàëû:

âñå òåðìîïëàñòè÷íûå ïîëèìåðû, èìåþùèå ÏÒÐ=10-25 ã/ìèí è ïîñòàâëÿåìûå â âèäå ãðàíóë ðàçìåðîì 3-5 ìì;

àðìèðóþùèå íàïîëíèòåëè - ðîâèíãè (æãóòû) èç ñòåêëîíèòåé (ìàãíèé-àëþìîñèëèêàòíîå ñòåêëî), íàïðèìåð ìàðêà ÐÂÍ 10-2520-78 è äð.;

ñòàáèëèçèðóþùèå äîáàâêè, ââîäèìûå â êîëè÷åñòâå äî 2% òàêèå, êàê ñóëüôèä ìîëèáäåíà, òðèõëîðâèíèëñóëüôàò íàòðèÿ è äð.

Ïðèìåíÿåìûé íàïîëíèòåëü äîëæåí ñîäåðæàòü íå áîëåå 0,3% âëàãè, òåðìîïëàñò íå áîëåå 0,2% âëàãè. Ïðè íåîáõîäèìîñòè íàäî ïðîèçâåñòè ñóøêó ìàòåðèàëà.

3.1.1 Ðàçðàáîòêà ìàðøðóòíîé êàðòû ïîëó÷åíèÿ ñòåêëîíàïîëíåííîãî ïîëóôàáðèêàòà

Òåõíîëîãè÷åñêèé ïðîöåññ ïîëó÷åíèÿ àðìèðîâàííîãî ãðàíóëÿòà ñîñòîèò èç îòäåëüíûõ îïåðàöèé, êîòîðûå âûïîëíÿþòñÿ â îïðåäåë¸ííîé ïîñëåäîâàòåëüíîñòè è èìåþò çàäàííóþ ïðîäîëæèòåëüíîñòü. Íàðóøåíèå ðåãëàìåíòà íåèçáåæíî ïðèâîäèò ê áðàêó è ïîð÷å îáîðóäîâàíèÿ. Ýòè îïåðàöèè ïîäðàçäåëÿþòñÿ ïî î÷åð¸äíîñòè íà ïîäãîòîâèòåëüíûå, îñíîâíûå, çàêëþ÷èòåëüíûå. Íà êàæäîì ýòàïå âûáèðàåòñÿ îáîðóäîâàíèå, ðàññ÷èòûâàþòñÿ îñíîâíûå ïàðàìåòðû. Îáîðóäîâàíèå âûáèðàåòñÿ ñ ó÷¸òîì çàäà÷ ïðîèçâîäñòâà. Èñïîëüçóåìîå áàçîâîå îáîðóäîâàíèå ïðè íåîáõîäèìîñòè ìîäåðíèçèðóåòñÿ.

Ðàçðàáîòêà òåõíîëîãè÷åñêîãî ïðîöåññà (ÒÏ) ïðîèçâîäñòâà ñòåêëîíàïîëíåííîãî ãðàíóëÿòà ïðîèçâîäèòñÿ ñîãëàñíî ÃÎÑÒ 14.301-83 (ÅÑÒÏÏ), ðàçðàáîòêà ìàðøðóòíîé êàðòû ïðîèçâîäèòñÿ ñîãëàñíî ÃÎÑÒ 31121-84.Âûáîð îáîðóäîâàíèÿ îñíîâûâàåòñÿ íà çàäàííîé ïðîèçâîäèòåëüíîñòè (3=130 êã/÷àñ), ëèòåðàòóðíûõ äàííûõ î ïðèìåíÿåìûõ òåðìîïëàñòàõ è èõ òåõíîëîãè÷åñêèõ ñâîéñòâàõ.

Îïèñàíèå òåõíîëîãè÷åñêèõ îïåðàöèé

. Ïðè¸ì ñûðüÿ

Ñêëàäñêèå ïîìåùåíèÿ äîëæíû áûòü îáîðóäîâàíû ïîäúåçäíûìè ïóòÿìè, àâòî ðàçãðóç÷èêàìè, òðàíñïîðò¸ðàìè, îáåñïå÷èâàþùèìè áûñòðóþ è óäîáíóþ ðàçãðóçêó ïîñòóïèâøåãî ñûðüÿ, è ñîîòâåòñòâóþùèìè òðàíñïîðòíûìè ñðåäñòâàìè äëÿ ìàòåðèàëîâ, ïîñòóïàþùèõ íà æåëåçíîäîðîæíîì òðàíñïîðòå èëè àâòîòðàíñïîðòå.

Ñêëàäñêîé ó÷¸ò ñûðüÿ îáÿçàòåëåí è îñóùåñòâëÿåòñÿ ñ ïîìîùüþ ðàñõîäîìåðîâ, ñèñòåì ïíåâìîòðàíñïîðòà è âåñîâ. Âèçóàëüíûé êîíòðîëü ïðîèçâîäèòñÿ äëÿ ìåøêîâ ìàññîé 30-50 êã îáû÷íûì ñ÷¸òîì èëè îáùèì âçâåøèâàíèåì.

Ïðè ïðè¸ìå ëþáîãî ìàòåðèàëà òðåáóåòñÿ ïàñïîðò íà ìàòåðèàë, â êîòîðîì óêàçàíû óñëîâèÿ õðàíåíèÿ è ìåðû ïðåäîñòîðîæíîñòè ïðè îáðàùåíèè ñ íèì, à òàêæå íåîáõîäèìûå íàêëàäíûå äîêóìåíòû.  ñëó÷àå íåñîîòâåòñòâèÿ ìàòåðèàëà òðåáóåìûì õàðàêòåðèñòèêàì èëè â ñëó÷àå åãî ïîëíîé íåïðèãîäíîñòè, ìàòåðèàë íå äîïóñêàåòñÿ â ïðîèçâîäñòâî è ïîäëåæèò íåìåäëåííîìó âîçâðàòó. Íåîáõîäèìî íåìåäëåííî ñâÿçàòüñÿ ñ ïîñòàâùèêîì è äîãîâîðèòüñÿ î çàìåíå ïàðòèè èëè î âîçâðàòå ñ âîçìåùåíèåì óáûòêîâ.

. Òðàíñïîðòèðîâêà ñûðüÿ

Äëÿ òðàíñïîðòèðîâêè ñûðüÿ - ãðàíóëèðîâàííîãî òåðìîïëàñòà, óïàêîâàííîãî â ìåøêè, ñ àâòîìàøèí èëè æåëåçíîäîðîæíûõ âàãîíîâ ïðèìåíÿåòñÿ ëåíòî÷íûé òðàíñïîðò¸ð.  ñëó÷àå áîëüøîãî ðàññòîÿíèÿ ìåæäó ñêëàäîì õèìè÷åñêîãî ïðåäïðèÿòèÿ è ìåñòîì ðàçãðóçêè, èñïîëüçóþò âíóòðè ñêëàäñêèå òðàíñïîðòíûå ñðåäñòâà - ýëåêòðîêàðû. Åñëè ñûðü¸ ïîëó÷åíî îò ïîñòàâùèêîâ â âèäå ñûïó÷åãî ìàòåðèàëà òî ïðèìåíÿþò ïíåâìîòðàíñïîðò.

Äëÿ ïîäà÷è è ïðåäâàðèòåëüíîãî äîçèðîâàíèÿ ãðàíóëÿòà, ïîðîøêîâîãî ìàòåðèàëà íà âåñû èëè ãðàíóëÿòà ñìåøàííîãî ñ äîáàâêàìè â ýêñòðóäåð, ïðèìåíÿþò ãîðèçîíòàëüíûå øíåêîâûå ïèòàòåëè.

Ðàñ÷¸ò ïðîèçâîäèòåëüíîñòè øíåêîâîãî ïèòàòåëÿ [11]

Ìt= ðD·2/4·t·n·Ø·ð  (3.1)

ãäå: D-äèàìåòð ñåðäå÷íèêà øíåêà;

t - øàã âèíòà;

ð-íàñûïíàÿ ïëîòíîñòü ìàòåðèàëà;

Ø =0,2-0,3 - êîýôôèöèåíò çàïîëíåíèÿ ïðè ïîäà÷å êóñêîâûõ (ãðàíóëèðîâàííûõ) ìàòåðèàëîâ. Äëÿ ïîðîøêà Ø =1 ,

n - ÷àñòîòà âðàùåíèÿ âàëà.

Ðàññ÷èòàåì ïðîèçâîäèòåëüíîñòü ïèòàòåëÿ ïî ïîëèìåðíîìó ãðàíóëÿòó ñ

ñ=500 êã/ì3 , n=10 îá/ìèí, t=0,07 , Ø=0,2 ,D=0,05ì

Ìt = 3,14· 0,05·2/4 ·0,07·0Ä66·0,2·500 =0/0027êã/ñ = 8êã/÷àñ.

Ïðè ìàêñèìàëüíîì ÷èñëå îáîðîòîâ øíåêà n = 1500 îá/ìèí

Ìt = 3,14·0,05·2/4·0,07·25·0,2·500=0,343êã/ñ = 1235,5êã/÷àñ.

Äëÿ òðàíñïîðòèðîâêè ãðàíóëÿòà [12] îïòèìàëüíîå ÷èñëî îáîðîòîâ n, ïðè

Ìt=130 êã/÷àñ=0/0416 êã/ñ áóäåò ðàâíî:



Åñëè ïëîòíîñòü ñûïó÷èõ ïîðîøêîâ è ãðàíóëÿòà, ñìåøàííîãî ñ äîáàâêàìè ìåíåå 500êã/ì3 èëè áîëåå, òî ïðîèçâîäèòåëüíîñòü ïî òðàíñïîðòèðîâêå ìîæíî îïðåäåëèòü îáû÷íûì ïóò¸ì, âçâåøèâàÿ ìàòåðèàë âûøåäøèé èç ïèòàòåëÿ çà åäèíèöó âðåìåíè.

Ìîùíîñòü ïðèâîäà îðèåíòèðîâî÷íî ìîæíî îïðåäåëèòü ïî ôîðìóëå [12]:

Ð= G/368·ç(Í + Ê·L) (3.2)

ãäå Ñ -ïðîèçâîäèòåëüíîñòü (130êã/÷)

L-ðàññòîÿíèå ïåðåìåùåíèÿ ìàòåðèàëà ïî ãîðèçîíòàëè, ì;

Ê-êîýôôèöèåíò ïîòåðü, îïðåäåëÿåìûé êîýôôèöèåíòîì òðåíèÿ äîçèðóåìîãî ìàòåðèàëà (Ê= 1,3...4,0)

Òîãäà ìàêñèìàëüíàÿ ìîùíîñòü ïðèâîäà áóäåò:

Ð=130/368·0,5(0+4,0·0,6) = 1,9 êÂò

. Õðàíåíèå ñûðüÿ

Òåìïåðàòóðà íà ñêëàäå êîëåáëåòñÿ â ïðåäåëàõ 10-30°Ñ â çàâèñèìîñòè îò âðåìåíè ãîäà, îòíîñèòåëüíàÿ âëàæíîñòü äîñòèãàåò 75%. Êîíòðîëü ýòèõ ïàðàìåòðîâ îñóùåñòâëÿåòñÿ ïðèáîðàìè: æèäêîñòíîé òåðìîìåòð è ÐÂ-6.

Îáîðóäîâàíèå äëÿ õðàíåíèÿ-áóíêåðà, ¸ìêîñòüþ îò 100ì3 è áîëåå. Èõ êîëè÷åñòâî äîëæíî îáåñïå÷èòü 10-15 ñóòî÷íûé çàïàñ ñûðüÿ äëÿ ó÷àñòêà ñòåêëîíàïîëíåíèÿ. Äëÿ äâóõñìåííîé ðàáîòû è ñðåäíåé ïðîèçâîäèòåëüíîñòè ëèíèè 130êã/÷ è íàñûïíîé ïëîòíîñòè ìàòåðèàëà íå ìåíåå 500 êã/ì3, îáú¸ì áóíêåðà õðàíåíèÿ ñûðüÿ òåðìîïëàñòà áóäåò ðàâåí:

Vá= 130(8+8)15/500=72ì3,

ñëåäîâàòåëüíî, íåîáõîäèì áóíêåð ¸ìêîñòüþ íå ìåíåå 72 ì3.

Ñóùåñòâóåò áóíêåð ñòàíäàðòíûé, âûïóñêàåìûé íàøåé ïðîìûøëåííîñòüþ: îáú¸ì 100,5 ì3. Ñäåëàí èç ëèñòîâîãî äþðàëþìèíèÿ (Ä16) äèàìåòðîì 4ì. Âûñîòîé 8ì. Ê íèæíåé ÷àñòè ïðèâàðåíî êîíè÷åñêîå äíèùå äèàìåòðîì 0,8 ì, íå ïåðåêðûâàåìîå øëþçîâûì çàòâîðîì. Óãîë íàêëîíà ñòåíîê äíèùà íå áîëåå 20° ïî îòíîøåíèþ ê âåðòèêàëüíîé ïëîñêîñòè âî èçáåæàíèå çàâèñàíèÿ â í¸ì ñûïó÷åãî ìàòåðèàëà. Ïîä áóíêåðîì óñòàíàâëèâàåòñÿ ñåêòîðíûé äîçàòîð è òðóáîïðîâîä ñèñòåìû ïíåâìîòðàíñïîðòà. Åñëè ñûðü¸ ïîñòóïèëî â ìåøêàõ, òî îíè óêëàäûâàþòñÿ â øòàáåëè.

. Âõîäíîé êîíòðîëü êà÷åñòâà ñûðüÿ

Ñûðü¸, ïîñòóïèâøåå íà ïðåäïðèÿòèå ñîïðîâîæäåíî äîêóìåíòàìè (ÿðëûêàìè).  íèõ óêàçàí ÃÎÑÒ, ÒÓ.

Äëÿ îïðåäåëåíèÿ ïàðàìåòðîâ ïåðåðàáîòêè ìàòåðèàëà è äëÿ îïðåäåëåíèÿ ñîîòâåòñòâèÿ õàðàêòåðèñòèõ óêàçàííûõ â äîêóìåíòàõ íà ìàòåðèàë, âåä¸òñÿ âõîäíîé êîíòðîëü:

Îïðåäåëåíèå ïîêàçàòåëÿ òåêó÷åñòè ðàñïëàâà òåðìîïëàñòà íà ïðèáîðå ÈÈÐÒ;

Äëÿ îïðåäåëåíèÿ âëàæíîñòè èñïîëüçóþò ïðèáîð ÐÂ-6 (¸ìêîñòíî-ýëåêòðè÷åñêèè ìåòîä). Åñëè ñîäåðæàíèå â ìàòåðèàëå ïðåâûøàåò 0,2%, òî ìàòåðèàë ñóøàò;

Ñîäåðæàíèå èíåðòíîãî íàïîëíèòåëÿ (óãëåðîä, ñòåêëî èòä). Åñëè èçâåñòíî, ÷òî îíè ïðèñóòñòâóþò, èõ îïðåäåëÿþò ãèäðîëèçîì ïîëèàìèäíîãî îáðàçöà, ôèëüòðàöèåé îñòàâøåãîñÿ íàïîëíèòåëÿ, ñóøêîé è âçâåøèâàíèåì;

Ôèçèêî-ìåõàíè÷åñêèå èñïûòàíèÿ îáðàçöîâ èç òåðìîïëàñòîâ, ñòåêëîíàïîëíèòåëÿ. Îòëèâàþòñÿ îáðàçöû, â ñîîòâåòñòâèè ñ ÃÎÑÒ ïðîâîäÿòñÿ èñïûòàíèÿ íà ðàçðûâíîé ìàøèíå;

. Ðàñòàðèâàíèå ïàêåòèðîâàííîãî ñûðüÿ

Äëÿ ðàñòàðèâàíèÿ òåðìîïëàñòà íàõîäÿùåãîñÿ â ìåøêå, ïðèìåíÿåòñÿ ðàñòàðî÷íàÿ óñòàíîâêà. Ïðèíöèï ðàáîòû: ìåøîê ñ ìàòåðèàëîì âðó÷íóþ óñòàíàâëèâàåòñÿ íà ðàñòàðî÷íóþ âîðîíêó, â íèæíåé ÷àñòè êîòîðîé íàõîäÿòñÿ íîæè, êîòîðûå ñîâåðøàþò ïîñòóïàòåëüíîå äâèæåíèå è ðåæóò ìåøîê. Ìàòåðèàë âûñûïàåòñÿ â êîíòåéíåð, îòêóäà ïíåâìîòðàíñïîðòîì ïîñòóïàåò â ñèëîñû;

. Ñóøêà ñûðüÿ

Åñëè çíà÷åíèå âëàãîñîäåðæàíèÿ ïðåâûøàåò äîïóñòèìîå, ïðîâîäèòñÿ ñóøêà. Äëÿ ïîëèàìèäîâ îíî ðàâíî 0,2%. ¨ìêîñòü è ÷èñëî ñóøèëîê îïðåäåëÿåòñÿ ìàêñèìàëüíîé ïðîèçâîäèòåëüíîñòüþ ëèíèè ïî ïîëèìåðó, ìèíèìàëüíîé íàñûïíîé ïëîòíîñòüþ è ò.ä. Ðàçðàáàòûâàåìàÿ ëèíèÿ èìååò ïðîèçâîäèòåëüíîñòü ïî ñòåêëîíàïîëíåííîìó ìàòåðèàëó äî 150 êã/÷. Ïðèìåíÿþò âàêóóìíûå ñóøèëêè äëÿ ïîäñóøêè òåðìîïëàñòà äî 500 êã, íåîáõîäèìûõ äëÿ íà÷àëà ðàáîòû ëèíèè è ðàáîòû ëèíèè ìèíèìóì Ç ÷àñà. Ñóøêó ïðîèçâîäèòü â òå÷åíèå 4 ÷àñîâ (ïðè Ò=140°Ñ äëÿ ÏÀ-6,6). Ê íà÷àëó ñìåíû ìàòåðèàë áóäåò ãîòîâ ê ïåðåðàáîòêå. Êîíòåéíåð ñ V=0,5 ì3 ìàòåðèàëà ïîäõîäèò ê ýêñòðóäåðó è ñ ïîìîùüþ ïíåâìîòðàíñïîðòà çàãðóæàåòñÿ èëè ïîñòóïàåò â îòäåëåíèå ñìåøåíèÿ è ïîäãîòîâêè êîìïîçèöèè.

¨ìêîñòü áóíêåðà ýêñòðóäåðà âðåìåííî õðàíÿùåãî ìàòåðèàë ðàâíà:

Vá=Vâê+Vö+Víê (3.3)

Vâê=3,14·20·20 = 25120 ñì3

Vö=3,14·20·45=155340 ñì3

Víê=3,14·30·20 = 50240 ñì3

ÓV=230790 ñì3, ïðè èñïîëüçîâàíèè Vá=230000 ñì3 ìàññà ìàòåðèàëà â áóíêåðå ïðè íàñûïíîé ïëîòíîñòè 500ãð/ñì3 ðàâíà 100 êã è áîëåå, ò.å. âûñóøåííîãî â âàêóóìíîé ñóøèëêå ñûðüÿ õâàòàåò íà 2 ÷àñà ðàáîòû ìàøèíû.

. Âçâåøèâàíèå, äîçèðîâêà êîìïîíåíòîâ òåðìîïëàñòà

Ñûïó÷èå ìàòåðèàëû õðàíÿòñÿ è ïîäàþòñÿ èç áóíêåðîâ. Áóíêåðû èìåþò øëþçîâûå çàòâîðû è ãîðèçîíòàëüíûå øíåêîâûå ïèòàòåëè äëÿ äîçèðîâàíèÿ ìàòåðèàëîâ. Âåñîâûå äîçàòîðû îáåñïå÷èâàþò áîëåå òî÷íîå äîçèðîâàíèå ïî ñðàâíåíèþ ñ îáú¸ìíûìè.

 äàííîì ñëó÷àå ïðèìåíÿþò àâòîìàòè÷åñêèå âåñû äèñêðåòíîãî äåéñòâèÿ (ïîðöèîííûå). Ïî ÃÎÑÒ 13712-68 ðÿä âçâåøèâàíèÿ â äèàïàçîíå îò 1 êã. äî íåñêîëüêèõ òîíí. Äëÿ âçâåøèâàíèÿ äîáàâîê è êðàñèòåëåé, ãäå íóæíî áîëåå òî÷íîå âçâåøèâàíèå èñïîëüçóþò âåñû ñ äèàïàçîíîì äî 10 êã. Âçâåøåííûå äîáàâêè çàñûïàþòñÿ äàëåå â ñìåñèòåëü.

. Ïðåäâàðèòåëüíîå ñìåøåíèå

Öåëüþ ïðåäâàðèòåëüíîãî ñìåøåíèÿ ÿâëÿåòñÿ ïðåâðàùåíèå èñõîäíîé ñèñòåìû â ñèñòåìó, õàðàêòåðèçóþùóþñÿ íåóïîðÿäî÷åííûì ñòàòè÷åñêèì ðàñïðåäåëåíèåì. [12].  ðåçóëüòàòå ïðîöåññà ñìåøåíèÿ â ñèñòåìå ïðîèñõîäèò âçàèìíîå ïåðåìåùåíèå ÷àñòèö ðàçíûõ êîìïîíåíòîâ, ðàñïîëîæåííûõ äî ïåðåìåøèâàíèÿ îòäåëüíî. Ýòî îïåðàöèÿ òåõíîëîãè÷åñêîãî ïðîöåññà íåîáõîäèìà, òàê êàê ââåäåíèå äèñïåðñíûõ íàïîëíèòåëåé íåïîñðåäñòâåííî â ãðàíóëèðóþùóþ óñòàíîâêó (ýêñòðóäåð) òðóäíî âûïîëíèìû, ââèäó ñëîæíîñòè äîçèðîâàíèÿ äîáàâîê.

Äëÿ ñìåøåíèÿ ãðàíóëèðîâàííûõ òåðìîïëàñòîâ ñ äèñïåðñíûìè íàïîëíèòåëÿìè ïðåäëàãàåòñÿ èñïîëüçîâàòü äâóõðîòîðíûé ñìåñèòåëü çàêðûòîãî òèïà (ÇÐÑ) ñ Z-îáðàçíûìè ëîïàñòÿìè.

 íàñòîÿùåå âðåìÿ îñíîâíûå ïàðàìåòðû ñìåñèòåëåé ñ 2 îáðàçíûìè ëîïàñòÿìè ïåðèîäè÷åñêîãî äåéñòâèÿ íîðìàëèçîâàíû ÍÈÈÕÈÌÌÀØ, îòêóäà âûáèðàåìûé ñìåñèòåëü äîëæåí èìåòü îáú¸ì, ñîîòâåòñòâóþùèé ïåðåìåøèâàåìîé ìàññå-100 êã, V-200 ëèòðîâ.

Òàáëèöà 3.1

Òåõíè÷åñêèå õàðàêòåðèñòèêè ÇÐÑ ñìåñèòåëÿ ñ S-îáðàçíûìè ëîïàñòÿìè îáú¸ìîì 200 ëèòðîâ.

Äèàìåòð ëîïàñòè, ìì

380

 

Ñêîðîñòü âðàùåíèÿ ëîïàñòè , îá/ìèí

28-30

 

Äîïóñêàåìûé êðóòÿùèé ìîìåíò, êÃ×ì

280

 

Ìåæöåíòðîâîå ðàññòîÿíèå ìåæäó ëîïàñòÿìè , ìì

380

 

Ìîùíîñòü ýëåêòðîäâèãàòåëÿ ïðèâîäà ,êÂò

10


. Òðàíñïîðòèðîâêà ïðåäâàðèòåëüíî ñìåøàííîé êîìïîçèöèè ê ýêñòðóäåðó

Òðàíñïîðòèðîâàíèå ñóõîé ñìåñè (ãðàíóëÿò+äèñïåðñíûé íàïîëíèòåëü) ñ ïîìîùüþ ïíåâìîòðàíñïîðòà íåäîïóñòèìî, òàê êàê âîçìîæíî ðàçäåëåíèå ôàç ñìåñè èç-çà ðàçíîé ïëîòíîñòè êîìïîíåíòîâ îáðàçóþùèõ ñìåñü.  òàêîì ñëó÷àå èìåþò äåëî ñ ìåòàëëè÷åñêèìè êîíòåéíåðàìè, êóäà èç ñìåñèòåëÿ âûãðóæàåòñÿ ãîòîâàÿ ñìåñü. Êîíòåéíåð ïåðåâîçèòñÿ ýëåêòðîêàðîì ê ýêñòðóçèîííîé óñòàíîâêå.

. Ïîäãîòîâêà ñòåêëîíàïîëíèòåëÿ

Áîáèíû ñ ðîâèíãàìè èìåþò ìàññó äî 20 êã. Ìàññà 1ì ðîâèíãà ðàâíà âñåãî 20 ãðàììàì. Æåëàòåëüíî, ÷òîáû íà ïîâåðõíîñòü âîëîêîí áûë íàíåñ¸í àïïðåò, ñïîñîáñòâóþùèé õîðîøåé àäãåçèè ñ òåðìîïëàñòè÷íûì ïîëèìåðîì.

. Ãðàíóëèðîâàíèå òåðìîïëàñòà

Ïåðåðàáàòûâàåìûé ìàòåðèàë â âèäå ðàâíîìåðíîé ñìåñè ãðàíóëèðîâàííîãî òåðìîïëàñòà ñî ñòàáèëèçèðóþùèìè è äðóãèìè äîáàâêàìè - ïîðîøîê ñ íàñûïíîé ïëîòíîñòüþ íå ìåíåå 0,3 ã/ì3 ïîäà¸òñÿ â áóíêåð âðåìåííîãî õðàíåíèÿ ýêñòðóçèîííîé óñòàíîâêè è ñ ïîìîùüþ øíåêîâîãî ïèòàòåëÿ ïîäà¸òñÿ â çàãðóçî÷íîå óñòðîéñòâî öèëèíäðà ìàøèíû. Ñìåñü çàõâàòûâàåòñÿ øíåêîì ýêñòðóäåðà è ïëàñòèöèðóåòñÿ. Ïðè÷¸ì ñîâìåùåíèå ñòåêëîâîëîêíà âîçìîæíî è íà ñòàäèè ïðèãîòîâëåíèÿ ñìåñè ñ äîáàâêàìè, â ýòîì ñëó÷àå ñòåêëîâîëîêíî, æåëàòåëüíî àïïðåòèðîâàííîå, ïîäà¸òñÿ â âèäå ðóáëåííîãî âîëîêíà â ñìåñèòåëü (äëèíà âîëîêíà 0,5-1ìì). Ñóùåñòâóþò ýêñòðóçèîííûå ìàøèíû, êîòîðûå ïîçâîëÿþò ââîäèòü ñòåêëîâîëîêíî íåïîñðåäñòâåííî â çîíó ïëàñòèêàöèè ìàòåðèàëüíîãî öèëèíäðà. Ýòî äåëàåòñÿ ïî ñïåöèàëüíûì ñîîáðàæåíèÿì, ñâÿçàííûì ñ óõîäîì çà øíåêîì è ïîâåðõíîñòüþ ìàòåðèàëüíîãî öèëèíäðà.  ýòîì ñëó÷àå áîáèíû ñ ðîâèíãàìè óñòàíàâëèâàþòñÿ íà âîëêàõ è ïîñòåïåííî ñìàòûâàþòñÿ. Ñòåêëîâîëîêíî ïîïàäàÿ â öèëèíäð, ðàñïàäàåòñÿ, èçìåëü÷àåòñÿ, ãîìîãåíèçèðóåòñÿ.

Îäíèì ñëîâîì âñ¸ çàâèñèò îò ôîðìû èñõîäíîãî àðìèðóþùåãî íàïîëíèòåëÿ: ìåëêîå âîëîêíî, èëè êàòóøêà ñ î÷åíü òîíêîé è íåæíîé ñòåëîíèòüþ.

Äàëåå ðàñïëàâ ôèëüòðóåòñÿ îò ãðóáûõ âêëþ÷åíèé è ïîäà¸òñÿ â ñïåöèàëüíóþ ôîðìóþùóþ ãîëîâêó, â êîòîðîé ðàñïëàâ âûäàâëèâàåòñÿ â âèäå ñòðåíã, êîòîðûå ïîñëå îõëàæäåíèÿ â âàííå, ðåæóòñÿ íîæàìè ãðàíóëÿòîðà. Ïîëó÷åííûå ãðàíóëû ïîïàäàþò íà âèáðîñèòî è ïîäâåðãàþòñÿ ïîìèìî ñóøêè ãîðÿ÷èì âîçäóõîì îò íàãðåâàòåëÿ, åù¸ è ôðàêöèîíèðîâàíèþ. Èçãîòîâëåííûå â èòîãå ãðàíóëû ïîñòóïàþò â áóíêåðû õðàíåíèÿ. Äàëåå ïîëó÷åííûé ïîëóôàáðèêàò ïîñòóïàåò íà äðóãóþ ëèíèþ óæå äðóãîãî òåõíîëîãè÷åñêîãî ïðîöåññà - ëèíèþ ëèòüÿ ïîä äàâëåíèåì. Ýòî îñóùåñòâëÿåòñÿ ëèáî ñèñòåìàìè ïíåâìîòðàíñïîðòà, ëèáî ïðåäâàðèòåëüíîé ôàñîâêîé â ìåøêè è îòïðàâêîé âíóòðèöåõîâûì òðàíñïîðòîì.

Òåõíîëîãè÷åñêèå ïàðàìåòðû ïðîöåññà ýêñòðóçèè ïðèâåäåíû â îïåðàöèîííîé êàðòå ïðîöåññà. Îïèñàíèå îñíîâíîãî îáîðóäîâàíèÿ è íåîáõîäèìûå ðàñ÷¸òû ïðèâåäåíû äàëåå.

. Õðàíåíèå ïðîäóêòà

Ãðàíóëèðîâàííûé àðìèðîâàííûé ïîëóôàáðèêàò õðàíèòñÿ â ¸ìêîñòÿõ-ñèëîñàõ V=150-200 ì3 íà ñêëàäå. Ïîääåðæèâàåòñÿ íåîáõîäèìàÿ äëÿ íîðìàëüíîãî õðàíåíèÿ òåìïåðàòóðà è âëàæíîñòü (îò +10 äî 25°Ñ).

3.1.2 Ðàçðàáîòêà ëèíèè ïîëó÷åíèÿ àðìèðîâàííîãî ãðàíóëÿòà

Òåõíîëîãè÷åñêàÿ ëèíèÿ ñòåêëîíàïîëíåíèÿ è ãðàíóëèðîâàíèÿ òåðìîïëàñòîâ ïðåäíàçíà÷åíà äëÿ ïðîèçâîäñòâà ïîëóôàáðèêàòà, ïåðåðàáàòûâàåìîãî â èçäåëèÿ ñèëîâîãî íàçíà÷åíèÿ, ê êîòîðûì ïðåäúÿâëÿþòñÿ ïîâûøåííûå òðåáîâàíèÿ ïî òåïëîñòîéêîñòè è óñòîé÷èâîñòè ê ðàçðóøåíèþ.

Ñîçäàíèå ëèíèè ïîçâîëÿåò íåïðåðûâíî ïîëó÷àòü ñïåöèàëüíûé ïîëóôàáðèêàò è íåïðåðûâíî ñíàáæàòü ñûðü¸ì ëèòüåâîé öåõ.

Ïðîåêòèðóåìàÿ ëèíèÿ èìååò ïðîèçâîäèòåëüíîñòü äî 1000 òîíí/ãîä è îáåñïå÷èâàåò ñûðü¸ì êðóïíîå ïðåäïðèÿòèå.

Îïèñàíèå óçëîâ ëèíèè

 ñîñòàâ ëèíèè âõîäÿò:

. Ýêñòðóäåð îäíîøíåêîâûé

. Ãðàíóëÿòîð

. Âèáðîñèòî

. Îõëàäèòåëüíàÿ âàííà

. Áóíêåð

. Óñòðîéñòâî îõëàæäåíèÿ

. Óñòðîéñòâî îáäóâî÷íîå

. Óñòàíîâêà ïîäîãðåâà âîçäóõà

. Ñòîë

. Øïóëÿðíèê

. Òåíçîìåòðè÷åñêèå âåñû

.Ïèòàòåëü ãîðèçîíòàëüíûé

1. Ýêñòðóäåð îäíîøíåêîâûé

Ïðåäíàçíà÷åí äëÿ ïîëó÷åíèÿ ãîìîãåííîãî ðàñïëàâà èç îäíîðîäíîé ñìåñè òåðìîïëàñòè÷íîãî ïîëèìåðà, ñìåøàííîãî ñ äîáàâêàìè ëèáî ñ ìåëêîðóáëåíûì ñòåêëîâîëîêíîì îäíîâðåìåííî, à òàêæå äëÿ âàêóóìèðîâàíèÿ, òðàíñïîðòèðîâêè, ôèëüòðàöèè è âûäàâëèâàíèÿ ðàñïëàâà ÷åðåç ôîðìóþùóþ ãîëîâêó. Ýêñòðóäåð óêîìïëåêòîâàí äåãàçàöèîííîé óñòàíîâêîé è ãðàíóëèðóþùåé ãîëîâêîé.

Ïðèíöèï ðàáîòû: ñ ïîìîùüþ ãîðèçîíòàëüíîãî ïèòàòåëÿ ïðåäâàðèòåëüíî ïîäãîòîâëåííàÿ êîìïîçèöèÿ ïîäà¸òñÿ â çàãðóçî÷íîå îòâåðñòèå ýêñòðóäåðà, ãäå çàõâàòûâàåòñÿ øíåêàìè è ãîìîãåííî ïåðåìåøèâàåòñÿ.

Áëàãîäàðÿ èñïîëüçîâàíèþ ñïåöèàëüíîé êîíñòðóêöèè ìàòåðèàëüíîãî öèëèíäðà, âêëþ÷àþùåé ñïåöèàëüíûå äåãàçàöèîííûå îòâåðñòèÿ, ñ ïîìîùüþ âàêóóì äåãàçàòîðîâ âåä¸òñÿ ýôôåêòèâíûé îòñîñ ëåòó÷èõ êîìïîíåíòîâ ñ ïîâåðõíîñòè ðàñïëàâà. Èìè ìîãóò áûòü ëþáûå íåïðîðåàãèðîâàâøèå ìîíîìåðû è ðàçëè÷íûå ïðîäóêòû ðàçëîæåíèÿ.

Ïðèâîä ýêñòðóäåðà ñîñòîèò èç ýëåêòðîäâèãàòåëÿ, ìóôòû, ðåäóêòîðà è ðàñïðåäåëèòåëüíîé êîðîáêè. Â ñèñòåìå óïðàâëåíèÿ ýëåêòðîäâèãàòåëåì ïðåäóñìîòðåíû áëîêèðîâêè:

ïðè òîêå áîëüøå, ÷åì íîìèíàëüíûé äâèãàòåëü âûêëþ÷àåòñÿ;

ïðè îñåâîì óñèëèè íà ÷åðâÿê Ð=230 êÍ äâèãàòåëü îòêëþ÷àåòñÿ.

Êðóòÿùèé ìîìåíò ñ âàëà íà áûñòðîõîäíûé âàë ðåäóêòîðà ïåðåäà¸òñÿ óïðóãîé ïàëüöåâîé ìóôòîé.

Ñèñòåìà îáîãðåâà - ýëåêòðè÷åñêàÿ, íàãðåâàòåëÿìè ñîïðîòèâëåíèÿ.

Äëÿ ðàâíîìåðíîñòè îáîãðåâà ïðåäóñìàòðèâàåòñÿ äî 6 çîí îáùåé ìîùíîñòüþ äî 20,3 êÂò.

Äëÿ ïîääåðæàíèÿ çàäàííîé òåìïåðàòóðû ïðåäóñìîòðåíà è ñèñòåìà îõëàæäåíèÿ.

Äëÿ ôèëüòðàöèè ðàñïëàâà óñòàíîâëåí øèáåðíûé ôèëüòð, îáåñïå÷èâàþùèé íåïðåðûâíóþ î÷èñòêó ðàñïëàâà áåç îñòàíîâêè òåõíîëîãè÷åñêîé ëèíèè.

Äëÿ ïîëó÷åíèÿ ñòðåíã (æãóòîâ) èç ðàñïëàâà, íåïðåðûâíî âûõîäÿùèõ èç ÷åðâÿ÷íîî ïðåññà, ïðèìåíÿåòñÿ ãîëîâêà ñ Ò-îáðàçíûì ðàñïðåäåëåíèåì. Áîëåå ïîëíàÿ òåõíè÷åñêàÿ èíôîðìàöèÿ ïðèâåäåíà íèæå.

Òåõíè÷åñêèå õàðàêòåðèñòèêè ýêñòðóäåðà 4Ï-63Õ1.

. ×èñëî ÷åðâÿêîâ..............................................................................1

. Äèàìåòð ÷åðâÿêîâ, ìì..................................................................63

. Îòíîøåíèå ðàáî÷åé äëèíû øíåêà ê åãî äèàìåòðó....................20

. Íàïðàâëåíè âðàùåíèÿ......................................îäíîíàïðàâëåííîå

. ×àñòîòà âðàùåíèÿ øíåêà..........................................äî Ç00îá/ìèí

. Ïåðåðàáàòûâàåìûé ìàòåðèàë......................................òåðìîïëàñò

. Ïðîèçâîäèòåëüíîñòü, êã/÷ (ïðè ð íå ìåíåå 0,3ã/ñì3).íå ìåíåå 150

. Ïðèâîä ÷åðâÿ÷íîãî ïðåññà:

.1 Ýëåêòðîäâèãàòåëü ïîñòîÿííîãî òîêà 2ÏÔ-280, N=110 êÂò, n=25ñ (1500 îá/ìèí), 440V

.2 Ðåäóêòîð Ö2Ó-315Í-12,5

. Êîëè÷åñòâî çîí îáîãðåâà öèëèíäðà è ôëàíöà............................6

. Îáîãðåâ çîí ýëåêòðè÷åñêèé ñ ïîìîùüþ íàãðåâàòåëÿ ñîïðîòèâëåíèÿ-ÒÝÍ

. Ñóììàðíàÿ ìîùíîñòü íàãðåâàòåëåé çîí, êÂò...........……...20,2

. Îõëàæäåíèå öèëèíäðà……………........................................ âîäà

Ðàíåå ïðè ýêñòðóçèè òåðìîïëàñòîâ ëåòó÷èå êîìïîíåíòû è íåïðîðåàãèðîâàâøèå ìîíîìåðû äîñòàâëÿëè ìàññó íåóäîáñòâ. Èçäåëèå íà âûõîäå (âûïîëíåíî èç çàãðÿçí¸ííîãî ãðàíóëÿòà) èìåëî ñíèæåííûå ôèçèêî-ìåõàíè÷åñêèå ïîêàçàòåëè, êîðîáèëîñü.

Ìîäåðíèçàöèÿ ìàòåðèàëüíîãî öèëèíäðà è âñå ñâÿçàííûå ñ íåé çàòðàòû ïîçâîëèëè ðåøèòü ýòó ïðîáëåìó. Ïðèìåíåíèå âàêóóì íàñîñîâ íåïîñðåäñòâåííî â çîíå ïëàñòèêàöèè, ïîçâîëèëî îòêà÷àòü ïîðÿäêà 93% âðåäíûõ ëåòó÷èõ êîìïîíåíòîâ, îòñþäà íåïëîõîé ýêîíîìè÷åñêèé ýôôåêò.

2.Âàííà îõëàæäåíèÿ

Âàííà îõëàæäåíèÿ ïðåäíàçíà÷åíà äëÿ îõëàæäåíèÿ ñòðåíã òåðìîïëàñòîâ âîäîé. Êîðïóñ âàííû ïðåäñòàâëÿåò ñîáîé ñâàðíóþ ìåòàëëè÷åñêóþ êîíñòðóêöèþ. Ðàñ÷¸ò âàííû îõëàæäåíèÿ

Äàííûå äëÿ ðàñ÷¸òà:

) Ïðîèçâîäèòåëüíîñòü ïî ìàòåðèàëó:

Ïð=130 êã/÷àñ=0,041 êã/ñ;

) Ïåðåðàáàòûâàåìûé ìàòåðèàë ÏÀ-6 ÍÑÇÎ Òåïëîôèçè÷åñêèå ñâîéñòâà ìàòåðèàëà:

Óäåëüíàÿ òåïëî¸ìêîñòü Ñì=1,46 êÄæ/êã×Ê

Òåïëîïðîâîäíîñòü ë ì=0,24 Âò/ì×Ê

Óäåëüíûé âåñ Vì=9,8 êã/ì3

) Ëèíåéíàÿ ñêîðîñòü äâèæåíèÿ ñòðåíã â âàííå 10-30 ì/ìèí

) Òåìïåðàòóðà ñòðåíã, âõîäÿùèõ â âàííó tBX=260°Ñ, âûõîäÿùèõ èç âàííû tÂÛÕ=100îÑ

) Òåìïåðàòóðà âîäû â âàííå tÂÎÄÛ=40-70°Ñ

) Äèàìåòð ñòðåíã dCTP=3-5 ìì

) Êîëè÷åñòâî ñòðåíã nCTP=14

) Ðàçìåðû âàííû - äëèíà 4500 ìì, -øèðèíà 660 ìì, -âûñîòà 200ìì

Êîëè÷åñòâî òåïëîòû, âûäåëÿåìîå ïðè îõëàæäåíèè ñòðåíã îò tH=260°Ñ äî tk=100°Ñ;

Qîõë = Ïð×Ñì(Ñâõ-tÂÛÕ)=0,014×1,46× (260-100)=9,6 êÂò

Òåïëîâîé ïîòîê ñ ïîâåðõíîñòè âàííû, òðóáîïðîâîäîâ, òåïëîîáìåííèêà, íàñîñà â îêðóæàþùóþ ñðåäó Qïîò=5,589 êÂò.

Òåïëîâîé ïîòîê, êîòîðûé íåîáõîäèìî îòâåñòè îõëàæäàþùåé âîäîé:

Q=Qîõë-Qïîò=9,57-5,59=4,34 êÂò

Îáú¸ìíûé ðàñõîä îõëàæäàþùåé âîäû, öèðêóëèðóþùåé â óñòàíîâêå:

Ðâ=Q/Ñâ×Ät=4,4/4,18×3=0,39 êã/ñåê,

ãäå Ñâ- òåïëî¸ìêîñòü âîäû, òàáëè÷íàÿ âåëè÷èíà; t- òåìïåðàòóðíûé ïåðåïàä =3°Ñ

Ê óñòàíîâêå ïðèêðåïëÿåòñÿ íàñîñ, îáú¸ìíîé ïîäà÷è Q=5-13 ì3/÷àñ, íàïîðîì 16-11 ì.â.ñò. ñ ýëåêòðîäâèãàòåëåì 2,2 êÂò.

Ñêîðîñòü äâèæåíèÿ âîäû â âàííå:

Vâ= Ðâ/Ðâ×Óâ,

ãäå Fâ - ïëîùàäü ñå÷åíèÿ äëÿ ïðîõîäà îõëàæäàþùåé âîäû=0,05 ì2; Yâ=10 êÍ/ì3 - óäåëüíûé âåñ âîäû.â=0,5/0,05×1000=0,01 ì/ñ ïðè Ðâ = 0,5 êã/ñ.

Îòíîñèòåëüíàÿ ñêîðîñòü âîäû â âàííå:

\/îòí=\/ñòð-\/â=0,5-0,01=0,49 ì/ñ,

ãäå Vñòð-ëèíåéíàÿ ñêîðîñòü äâèæåíèÿ ñòðåíã, \/ñòð=30 ì/ìèí=0,5 ì/ñ

Êðèòåðèé Ðåéíîëäñà:

Rc = \/îòí×Dýêâ/U

ãäå, D- ýêâèâàëåíòíûé äèàìåòð, ðàâíûé äèàìåòðó ñòðåíãè: 0,003 ì;

U - êîýôôèöèåíò êèíåìàòè÷åñêîé âÿçêîñòè âîäû (ïðè 1:â=61/5°Ñ) = 0,48×10 ì'2/ñ

Rñ= 0,48×0,003×10/0,48 = 3000

Êðèòåðèé Íóññåëüòà:

 îáëàñòè çíà÷åíèé Rå îò 2×103 äî 1×104 - ïåðåõîäíûé ðåæèì, êðèòåðèé âûáèðàåòñÿ èç ñîîòíîøåíèÿ: ,ãäå Êî - çíà÷åíèå êîìïëåêñà â çàâèñèìîñòè îò êðèòåðèÿ Ðåéíîëüäñà ; Ðrf- êðèòåðèé Ïðàíäëà äëÿ tâ=61,5 °Ñ , Ðr=1,36

Âðåìÿ çà êîòîðîå ñòðåíãè îõëàäÿòñÿ: tí = 260°Ñ äî tê=100°Ñ, åñëè ïðîöåññ íåñòàöèîíàðíûé è îïèñûâàåòñÿ çàâèñèìîñòüþ:

È=( Ò2-Òñð)/(Ò1-Òñð)=f(Âi,Fî)

Ò1-òåìïåðàòóðà ñòðåíã íà âõîäå â âàííó

Êðèòåðèé Áèî:

Âi=à×R/ë,

ãäå R-ðàäèóñ ñòðåíãè â ìì.

ë-êîýôôèöèåíò òåïëîïðîâîäíîñòè, Âò/ì×ñ.

Êðèòåðèé Ôóðüå:

Fî=à×ò/r×2,

ãäå: à-êîýôôèöèåíò òåìïåðàòóðîïðîâîäíîñòè ìàòåðèàëà

À=ë/cy=0,24/(0,35×0,98) = 0,000412/4

Òàêèì îáðàçîì, ïóòü, êîòîðûé äîëæíû ïðîéòè ñòðåíãè â âîäå äëÿ îõëàæäåíèÿ äî 100°Ñ ìîæíî ðàññ÷èòàòü:

L=VÒ=0,0037·0,33=4,3

ãäå V=0,33 ì/ñ; ò=0,0037 (ïðè äèàìåòðå ñòðåíã=5ìì.)

3. Óñòàíîâêà îõëàæäåíèÿ

Óñòàíîâêà îõëàæäåíèÿ ïðåäíàçíà÷åíà äëÿ ïîääåðæàíèÿ çàäàííîé òåìïåðàòóðû âîäû â âàííå îõëàæäåíèÿ. Îíà ñîñòîèò èç ñâàðíîãî ñîåäèíåíèÿ, íà êîòîðîì óñòàíîâëåí íàñîñ, òåïëîîáìåííèê, òðóáîïðîâîäíàÿ àðìàòóðà è ñèñòåìà òðóáîïðîâîäà.

Ðàñ÷¸ò óñòàíîâêè îõëàæäåíèÿ.

.1 Ïóñêîâîé ðåæèì: òåïëîâîé ïîòîê, íåîáõîäèìûé äëÿ íàãðåâàíèÿ âàííû, òåïëîîáìåííèêà, òðóáîïðîâîäîâ è âîäû, çàïîëíÿþùåé ñèñòåìó çà âðåìÿ=1 ÷àñ îò Òí=20°Ñ äî Òê=70°Ñ

Ð=Ð1+Ð2+ÐÇ,

ãäå Ð1-òåïëîâîé ïîòîê, íåîáõîäèìûé äëÿ íàãðåâà ìåòàëëîêîíñòðóêöèé

Ð1 = m1·Ñ1(tê-tí)/t

M1 = Ìâ+Ì1:+Ìtð+Ìíàñ ,

ãäå Ìâ-ìàññà âàííû =290 êã;

Ìt- ìàññà òåïëîîáìåííèêà=174 êã;

Ìòð-ìàññà òðóáîïðîâîäîâ=40 êã;

Ìíàñ- ìàññà íàñîñà = 50êã.

Ì1 = 290+174+40 + 50 = 554 êã

(äàííûå âçÿòû èç òåõíè÷åñêîãî çàäàíèÿ íà ñîçäàíèå ëèíèè ËÃÍÊ-250 «Ñîþçõèììàø»)

Ñ1-óäåëüíàÿ òåïëî¸ìêîñòü ñòàëè=460 Äæ/êã Ê;

t-âðåìÿ ðàçîãðåâà=3600 ñåê.

Ð1 = 554·460(70-20)/3600=4,25 êÂò,

ãäå: Ð2-òåïëîâîé ïîòîê, íåîáõîäèìûé äëÿ íàãðåâà âîäû çàïîëíÿþùåé ñèñòåìó:

Ð2=ì2·ñã(tk-tí)/ò

ãäå ì2-ìàññà âîäû = 500êã;

Ñ2-óäåëüíàÿ òåïëî¸ìêîñòü âîäû = 4,186 Äæ/êã°Ñ

Ð2=500·4,186(70-20)/3600 = 34,8 êÂò

ÐÇ-òåïëîâîé ïîòîê ñ ïîâåðõíîñòè óñòàíîâêè â îêðóæàþùóþ ñðåäó:

ÐÇ=ÐÇ(â)+ÐÇ(ñð) ,

ãäå Ð3(â)-òåïëîâîé ïîòîê ñ ïîâåðõíîñòè âàííû

ÐÇ=àFòð(tí-tîêð.ñð.)=11,9·9·50=5,38êÂò

ãäå êîýôôèöèåíò òåïëîîáìåíà îò ïîâåðõíîñòè âàííû ñ òåìïåðàòóðîé tí=70îÑ â îêðóæàþùóþ ñðåäó

Fâ = 8,4+0,06 [(tí-tîêð.ñð.)]1,163=8,06[(70-20)]1,16=11,95 Âò/ì°Ñ

Fâ-ïëîùàäü êîíòàêòà òåïëîîòäàþùåé ïîâåðõíîñòè âàííû =9ì·2

ÐÇ(òð)=Fòð(tí-tîêð.ñð) = 11,9·0/35·50=0/2êÂò

ãäå: ÐÇ(òð)-òåïëîâîé ïîòîê ñ ïîâåðõíîñòè òðóá â îêðóæàþùóþ ñðåäó ,

Fòð-ïëîùàäü òåïëîîòäàþùåé ïîâåðõíîñòè òðóá=0,35

Ð3 = 5,38+0,2=5,58 êÂò

Äàííûå äëÿ Ðâ,Ðòð ðàçðàáîòàíû «Ñîþçõèììàø»

Ñóììàðíûé òåïëîâîé ïîòîê íåîáõîäèìûé äëÿ ðàçîãðåâà óñòàíîâêè çà 1 ÷àñ ñîñòàâèò

Ð=4,25+34,8+5,58=44,63 êÂò

Ðàñ÷¸ò òåïëîîáìåííèêà-õîëîäèëüíèêà

.2 Ðàáî÷èé ðåæèì

Òåïëîâîé ïîòîê, êîòîðûé íåîáõîäèìî îòâåñòè îõëàæäàþùåé âîäîé â òåïëîîáìåííèêå (ñì.ðàñ÷¸ò âàííû îõëàæäåíèÿ): Qîõë=4,35 êÂò

Îáú¸ìíûé ðàñõîä îáîðîòíîé âîäû:

Ðîá.â.=Qîõë/(Ñâ·Äã),

ãäå Ñâ-óäåëüíàÿ òåïëî¸ìêîñòü âoäû=4,186 Äæ/êã°Ñ ïðè Ät.=5°Ñ

Ðîá.â.=4,35/(4,186·5)=0,2 êã/ñ=Qîá.â.0,74 ì3/÷àñ.

Ðåæèì äâèæåíèÿ îõëàæäàþùåé âîäû â òðóáêàõ òåïëîîáìåííèêà ÿâëÿåòñÿ ðàçâèòûì òóðáóëåíòíûì (Ref>10·4 êðèòåðèé Íóññåëüòà îïðåäåëÿåòñÿ ïî ôîðìóëå:


Êîýôôèöèåíò òåïëîîáìåíà îõëàæäàþùåé âîäû ñ òðóáêàìè:


Ëê-êîýôôèöèåíò òåïëîïðîâîäíîñòè âîäû ïðè tâ=61,5°Ñ

ëê=66·10-2/0,016=2720 Âò/ì2°Ñ

Ñêîðîñòü îáîðîòíîé âîäû (â ìåæòðóáíîì ïðîñòðàíñòâå):

Vîá.â.=0,2/(0,004·1000)=0,05 ì/ñ ;

Fñð=0,003+0,005/2=0,04

Êðèòåðèé Ðåéíîëüäñà:

Rå=0,05·0,02·106/0,8=6840

í=0,8·10-6 ì2

Êðèòåðèé Íóññåëüòà (ðåæèì äâèæåíèÿ âîäû ÿâëÿåòñÿ ïåðåõîäíûì, êðèòåðèé Íóññåëüòà îïðåäåëÿåòñÿ èç âûðàæåíèÿ)

Nufd=K0/Prf -0,43(Prf / Prw)-0,25 Prf=5,5

Nufd 22/0,48·0,925=49,5

Êîýôôèöèåíò òåïëîîáìåíà îò ñòåíêè òðóáêè ê îáîðîòíîé âîäå:

á2=49,5·0,6/0,02=1480Âò/ì2°Ñ,

ë=0,6Âò/ì°Ñ

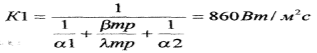
Êîýôôèöèåíò òåïëîïåðåäà÷è :


Âòð = 2ìì,

Ëòð = 46 Âò/ì°Ñ Ê=860 Âò/ì2°Ñ

Ñ ó÷¸òîì êîýôôèöèåíòà çàãðÿçíåíèÿ n = 1,2 ïðèíèìàåì Ê=700Âò/ì2°Ñ

Òðåáóåìàÿ ïëîùàäü òåïëîîáìåíà:

F=Qîõë/(êÄt)=4,35/860·31=0,16 ì2

Ät-ñðåäíå-ëîãàðèôìè÷åñêèé ïåðåïàä òåìïåðàòóð

Ätá=35°Ñ Ätì=27îÑ Ätà = 35-27/2,3(35/27)=310C.

Ïðèíÿòûå ïðåäâàðèòåëüíî ïëîùàäè ïîâåðõíîñòè òåïëîîáìåíà äîñòàòî÷íû äëÿ îòâîäà èçáûòî÷íîãî òåïëà.

4. Ãðàíóëÿòîð

Ãðàíóëÿòîð ïðåäíàçíà÷åí äëÿ âûòÿæêè è ðåçêè ñòðåíã íà ãðàíóëû çàäàííûõ ðàçìåðîâ. Îñíîâíûìè ñîñòàâíûìè óçëàìè ãðàíóëÿòîðà ÿâëÿþòñÿ:

ãðàíóëèðóþùàÿ ãîëîâêà ñ íåïîäâèæíûì ãîðèçîíòàëüíûì íîæîì è ôðåçîé;

îñíîâàíèå, íà êîòîðîì óñòàíîâëåí ýëåêòðîäâèãàòåëü ïîñòîÿííîãî òîêà.

Âðàùåíèå âàëà ýëåêòðîäâèãàòåëÿ ÷åðåç êëèíî-ïåðåìåííóþ ïåðåäà÷ó ïåðåäà¸òñÿ ôðåçå, êîòîðàÿ ðåæåò ñòðåíãè ïîñòóïàþùèå â ãðàíóëÿòîð.

Îïðåäåëåíèå ìîùíîñòè, çàòðà÷èâàåìîé íà ðåçàíèå ñòðåíã ñòåêëîíàïîëíåííîãî ïîëèàìèäà.

Èñõîäíûå äàííûå:

Q - òðåáóåìàÿ ïðîèçâîäèòåëüíîñòü - 130 êã/÷àñ,

N - êîëè÷åñòâî ñòðåíã, øò-14

Ð - ïëîòíîñòü ïðè òåìïåðàòóðå 80°Ñ - 1,4 ã/ñì3.

L - äëèíà ãðàíóë, ìì - 3,5

Dï - äèàìåòð ãðàíóë, ìì - 2_5

Ò - ñîïðîòèâëåíèå ìàòåðèàëà ñðåçó - 130 ÌÏà.

Dô - äèàìåòð ñðåçà, ìì - 140.

Z - êîëè÷åñòâî ðåæóùèõ ýëåìåíòîâ ôðåçû - 20.

D - óãîë íàêëîíà ýëåìåíòîâ ôðåçû, ðàä - 6ï/180°.

Ýëåêòðîïðèâîä - äâèãàòåëü ïîñòîÿííîãî òîêà, ðåãóëèðóåìûé áåññòóïåí÷àòî â ïðåäåëàõ 100-1000 îá/ìèí. Îáùàÿ êèíåìàòè÷åñêàÿ ñõåìà: êëèíîðåìåííàÿ ïåðåäà÷à-ôðåçà - çóá÷àòàÿ ïåðåäà÷à - ïðèâîäíîé âàëîê. Ïëîùàäü ïîïåðå÷íîãî ñå÷åíèÿ ñòðåíã:

Fñ=0,785·ñ1ï·14

F2=0,785·22 14=43,96 ìì2

FÇ=0,785·33 14=98,91 ìì2

F4=0,785·42 14=175,84 ìì2

F5=0,785·52 14=274,75 ìì2

Ëèíåéíàÿ ñêîðîñòü ñòðåíã ïðè ïðîèçâîäèòåëüíîñòè 130 êã/÷àñ:

Wñ=(Q/Fnð)·(1000/3600);

W2 = 130/(43,96·1,36)·(1000/3600) = 0,694 ì/ñ

W3 = 130/(98,91·1,36)·(1000/3600)=0,308 ì/ñ

W4=130/(175,84·1,365)·(1000/3600)=0,173 ì/ñ

W5 = 130/(274,75·1,365)·(1000/3600)=0,11 ì/ñ

×àñòîòû âðàùåíèÿ ôðåçû ïðè ðàçëè÷íûõ ïàðàìåòðàõ ñòðåíã è ïðîèçâîäèòåëüíîñòè 130 êã/÷àñ.

Ù=Wn/(Z·L)·1000·60

Ù2=0,694/(20·3,5)·1000·60=594,8 îá/ìèí

ÙÇ=0,308/(20·3,5)·1000·60=264,oá/ìèí

Ù4=0,173/(20·3,5)·1000·60=148,oá/ìèí

Ù5 = 0,11/(20·3,5)·1000·60=95,142îá/ìèí

Ñèëà ðåçàíèÿ: Ðï=ò·Fn

Ð2=43,96·130 = 5714,8 Í

ÐÇ = 130·98,8=12858,3Í

Ð4=130·175,8 = 22859,2Í

Ð5 = 274,7·130 = 35717,5Í

Ìîùíîñòü, çàòðà÷èâàåìàÿ íà ðåçàíèå ñòðåíã:

N = 1/2PWn = 1/2ò·0,785·d2 ·Z·I·Ù·n=n0,785·d2·ò·I·Z·Ù

N2 = (30·0,785·22·1Ç·3,5·20·594,85·0,104·9,81)/(2·1000)=26188= (30·0,785·32 ·13·3,5·20·264,5·0,104·9,81)/(2·1000) = 26200Âò= (30·0,785·42·13·3,5·20·148,2·0,104·9,81) /(2·1000)=25299 Âò= (30·0,785·52·13·3,5·20·1,42·0,104·9,81) /(2·1000)=25100Âò

Êðîìå òîãî, íåîáõîäèìî ïðåäóñìîòðåòü âèáðîñèòî è óñòàíîâêó ïîäîãðåâà âîçäóõà, íàõîäÿùèåñÿ íåïîñðåäñòâåííî ó âûãðóçî÷íîãî îòâåðñòèÿ ãðàíóëÿòîðà. Ãîðÿ÷èé âîçäóõ íåîáõîäèì äëÿ êîíå÷íîé ñóøêè ñòðåíã è ãðàíóë, ïðîèçâåä¸ííûõ ãðàíóëÿòîðîì. Âèáðîñèòî ñëóæèò äëÿ ïðîñåèâàíèÿ ãðàíóë è èõ ôðàêöèîíèðîâàíèÿ. ×àñòèöû ðàçìåðîì äî 80 ìêì -òîâàðíûìè íå ÿâëÿþòñÿ.

Ïðèìåíåíèå âèáðîñèòà è ïîäîãðåâà ïîçâîëÿåò ïðåäîòâðàòèòü ñëèïàíèå ãðàíóë, ïðîíèêíîâåíèå âëàãè â êîíòåéíåðû, ÷òî íåäîïóñòèìî äëÿ ÏÀ.

5. Ñòîë ñî øïóëÿðíèêîì. Âåñû

Ìåòàëëè÷åñêèé ñòîë, èìåþùèé ðàçìåðû 2õ1,5-ïëîùàäü, âûñîòîé 130 ñì ïðåäíàçíà÷åí äëÿ óñòàíîâêè è ôèêñèðîâàíèÿ íà ñâîåé ïîâåðõíîñòè øïóëÿðíèêà, êîòîðûé â ñâîþ î÷åðåäü ïðåäíàçíà÷åí äëÿ êðåïëåíèÿ êàòóøåê ñ íåïðåðûâíûì ñòåêëîâîëîêíîì (â ñëó÷àå ââåäåíèÿ ñòåêëîâîëîêíà íåïîñðåäñòâåííî â çîíó ðàñïëàâà).

6. Óñòðîéñòâî îáäóâî÷íîå

Óñòðîéñòâî ïðåäíàçíà÷åíî äëÿ îáäóâà ñòðåíã, âûøåäøèõ èç âàííû îõëàæäåíèÿ ãîðÿ÷èì âîçäóõîì, äëÿ î÷èùåíèÿ è îñóøåíèÿ ïîâåðõíîñòè ñòðåíã îò êàïåëü âîäû. Îíî óñòàíàâëèâàåòñÿ ìåæäó âàííîé îõëàæäåíèÿ è ãðàíóëÿòîðîì.

Îòå÷åñòâåííîé ïðîìûøëåííîñòüþ âûïóñêàåòñÿ îáäóâî÷íîå óñòðîéñòâî îáú¸ìíîé ïîäà÷è âîçäóõà ñ ïîìîùüþ âåíòèëÿòîðà ñî ñëåäóþùèìè õàðàêòåðèñòèêàìè;

Îáú¸ìíàÿ ïîäà÷à âåíòèëÿòîðà, ì3/÷àñ-780

Äàâëåíèå íà âûõîäå âåíòèëÿòîðà, Ïà-2600

Ìîùíîñòü àñèíõðîííîãî äâèãàòåëÿ ïðèâîäà âåíòèëÿòîðà 2830 îá/ìèí, 300Â,-1,1 êÂò

Ãàáàðèòû, ìì - 520x820x1275

Ìàññà, êã - 110

7. Áóíêåð

Áóíêåð, ðàñïîëîæåííûé íåïîñðåäñòâåííî íàä ýêñòðóçèîííîé óñòàíîâêîé ñëóæèò äëÿ âðåìåííîãî õðàíåíèÿ ïðåäâàðèòåëüíî ïîäãîòîâëåííîé ñóõîé ñìåñè òåðìîïëàñòà ñ äîáàâêàìè, èëè åñëè ââåäåíèå íàïîëíèòåëÿ íåïîñðåäñòâåííî â öèëèíäð íå ïðåäóñìàòðèâàåòñÿ, òî ïîä ñìåñüþ ïîíèìàþò ñìåñü òåðìîïëàñòà ñ ìåëêîðóáëåííûì ñòåêëîâîëîêíîì è äîáàâêàìè. Áóíêåð ðàññ÷èòàí íà 100 êã ñûïó÷åãî ìàòåðèàëà íàñûïíîé ïëîòíîñòüþ ìåíåå 0,3 ã/ñì3.

8. Ïèòàòåëü ãîðèçîíòàëüíûé

Ïèòàòåëü øíåêîâûé ñëóæèò äëÿ ðàâíîìåðíîé ïîäà÷è è äîçèðîâêè ìàòåðèàëà äëÿ ýêñòðóçèè, êîòîðûé íàõîäèòñÿ â áóíêåðå.

9. Èçìåëü÷èòåëü

 ïðîöåññå ýêñòðóçèè, íà ñòàäèè ôîðìîâàíèÿ ñòðåíã, èõ îõëàæäåíèÿ è ãðàíóëèðîâàíèÿ íåèçáåæåí îáðûâ ñòðåíã, ýòî ïðèâîäèò â áðàê äîñòàòî÷íî äëèííûå îòðåçêè ñòðåíã. Òåîðåòè÷åñêè, èõ ïåðåðàáîòêà âîçìîæíà â ãðàíóëÿòîðå ïóò¸ì ïðÿìîé ïîäà÷è, íî ýòî ìîæåò ïðèâåñòè ê ïîëîìêå äðóãèõ ñòðåíã, èçíîñó íîæåé ãðàíóëÿòîðà.

Íà ó÷àñòêå ëèòüÿ ïðåäóñìîòðåí èçìåëü÷èòåëü òåõíîëîãè÷åñêèõ îòõîäîâ ÈÏÐ-300, ñïîñîáíûé ïåðåðàáîòàòü 300-400 êã/÷àñ îòõîäîâ òåðìîïëàñòè÷íûõ ìàòåðèàëîâ. Ïðåäëàãàþ îòõîäû ëèíèè ñòåêëîíàïîëíåíèÿ, îòõîäû ó÷àñòêà ëèòüÿ ñòåêëîíàïîëíåííûõ òåðìîïëàñòîâ ïåðåðàáàòûâàòü âìåñòå â ðàññìîòðåííîì âûøå èçìåëü÷èòåëå.

Ìåòîäû êîíòðîëÿ

. Ïðîèçâîäèòåëüíîñòü ëèíèè èçìåðÿåòñÿ òð¸õðàçîâûì âçâåøèâàíèåì íà âåñàõ ÐÍ-50Ø13Ï ÒÓ25-663-70, ïðîá ãðàíóë, îòîáðàííûõ çà 2 ìèíóòû íà âûõîäå èç âèáðîñèòà ïðè óñòàíîâèâøåìñÿ ðåæèìå â òå÷åíèå 1 ÷àñà.

Ïðèíèìàåòñÿ ñðåäíå àðèôìåòè÷åñêîå çíà÷åíèé òð¸õ âçâåøèâàíèé. Âðåìÿ èçìåðÿåòñÿ ñåêóíäîìåðîì. Ðàñ÷¸ò ïðîèçâîäèòåëüíîñòè ïðîèçâîäèòñÿ ïî ôîðìóëå: Ñ = 30·Ñïð,

ãäå Ñ - ïðîèçâîäèòåëüíîñòü ëèíèè, êã/÷àñ;

Ñïð - ìàññà ïðîá, îòîáðàííûõ çà 2 ìèíóòû, êã.

. Ïðîâåðêà êà÷åñòâà ãðàíóë ïðîèçâîäèòñÿ ïðåäïðèÿòèåì çàêàç÷èêîì íà ñîîòâåòñòâèå ðàçìåðîâ ïîëó÷åííûõ ãðàíóë äàííûì, óêàçàííûì â ñîïðîâîäèòåëüíîé äîêóìåíòàöèè. Ðàçìåð ãðàíóë èçìåðÿåòñÿ øòàíãåíöèðêóëåì.

. Ýëåêòðîñíàáæåíèå ëèíèè ïðîâåðÿåòñÿ íà ñîîòâåòñòâèå ðàñ÷¸òíûì äàííûì ïî ïîêàçàíèÿì ïðèáîðîâ ñåòè ýëåêòðîñíàáæåíèÿ.

. Îáú¸ìíûé ðàñõîä âîäû èçìåðÿåòñÿ ìàíîìåòðîì äèôôåðåíöèàëüíûì ìåìáðàííèêîì ïîêàçûâàþùèì ðàñõîä âîäû ì*3/÷àñ. Êëàññ òî÷íîñòè-4 ÃÎÑÒ 18140-77.

3.2 Ðàçðàáîòêà ÒÏ èçãîòîâëåíèå èçäåëèé èç òåðìîïëàñòîâ

 íàñòîÿùåé ãëàâå ïðîåêòèðóåòñÿ ó÷àñòîê ëèòüÿ ïîä äàâëåíèåì èçäåëèé èç ñòåêëîíàïîëíåííûõ òåðìîïëàñòîâ, êîòîðûé íàõîäèòñÿ â òèïîâîì öåõå ïî ïåðåðàáîòêå òåðìîïëàñòîâ.  öåõå èìååòñÿ 25 ëèòüåâûõ ìàøèí; ïðîèçâîäèòåëüíîñòü öåõà - 750 òîíí ëèòüåâûõ èçäåëèé â ãîä, 10-15% èç êîòîðûõ ñîñòàâëÿþò èçäåëèÿ èç àðìèðîâàííûõ òåðìîïëàñòîâ. Ïðè ñðåäíåé ïðîèçâîäèòåëüíîñòè ëèòüåâîé ìàøèíû 30 òîíí/ãîä, ïðîèçâîäèòåëüíîñòü ó÷àñòêà-äî 100 òîíí/ãîä èçäåëèé èç àðìèðîâàííûõ òåðìîïëàñòîâ.

Íîìåíêëàòóðà ðàçðàáàòûâàåìûõ èçäåëèé ïðåäñòàâëåíà íà ëèñòå ¹1. Ïðîåêòèðóåòñÿ ïðîèçâîäñòâî ýòèõ èçäåëèé íà ó÷àñòêå, ñîñòîÿùåì èç 3-õ ëèòüåâûõ ìàøèí, è òåõíîëîãè÷åñêèé ïðîöåññ ïðîèçâîäñòâà ýòèõ èçäåëèé èç ñòåêëîíàïîëíåííîãî ïîëèàìèäà-ÏÀ-6,6. Èñõîäíûìè äàííûìè äëÿ âûáîðà îñíîâíîãî è âñïîìîãàòåëüíîãî îáîðóäîâàíèÿ ÿâëÿþòñÿ ìàññà, ãåîìåòðè÷åñêèå ðàçìåðû è ôîðìà, òèï èçäåëèÿ, ìàòåðèàë èçäåëèÿ, òåõíîëîãè÷íîñòü èçäåëèÿ è ìàòåðèàëà, à òàêæå ïðîãðàììà âûïóñêà èçäåëèé, ñðîêè ïîñòàâêè.

Ðàçðàáîòêà òåõíîëîãè÷åñêîãî ïðîöåññà (ÒÏ) èçãîòîâëåíèÿ èçäåëèé âûïîëíåíà ñîãëàñíî ÃÎÑÒ 14301-83 (ÅÑÒÏÏ); ðàçðàáîòêà ìàðøðóòíîé êàðòû ïî ÃÎÑÒ 31121-83(ÅÑÒÏÏ). Äëÿ èçãîòîâëåíèÿ èçäåëèé ïðèìåíèì ìåòîä ëèòüÿ ïîä äàâëåíèåì, êîòîðûé ïðåäñòàâëÿåò ñîáîé òèïîâîé òåõíîëîãè÷åñêèé ïðîöåññ íà ñòàíäàðòíîé ëèòüåâîé ìàøèíå ïî ñïåöèàëüíîé òåõíîëîãèè ñ ó÷¸òîì îñîáåííîñòåé êîíñòðóêöèè èçäåëèÿ è ïðèìåíÿåìîãî ìàòåðèàëà.

Òåõíîëîãè÷åñêèé ïðîöåññ ïîëó÷åíèÿ èçäåëèé ñîñòîèò èç îòäåëüíûõ ñòàäèé, êîòîðûå âûïîëíÿþòñÿ äëÿ ëþáûõ èçäåëèé, â îñíîâíîì, â îäíîé è òîé æå ïîñëåäîâàòåëüíîñòè, îòìå÷åííîé â ìàðøðóòíîé êàðòå. Äëÿ êàæäîé ñòàäèè îïðåäåëÿþòñÿ íåîáõîäèìîå îáîðóäîâàíèå, à òàêæå ðåæèìû å¸ âûïîëíåíèÿ.

Âñå òåõíîëîãè÷åñêèå ñõåìû ïðîèçâîäñòâà èçäåëèé èç òåðìîïëàñòîâ ìåòîäîì ëèòüÿ ïîä äàâëåíèåì âêëþ÷àþò â ñåáÿ ñëåäóþùèå ñòàäèè [11]:

. Ïðè¸ì, òðàíñïîðòèðîâàíèå, ðàñòàðèâàíèå è õðàíåíèå ñûðüÿ. Âõîäíîé êîíòðîëü.

. Ïîäãîòîâêà ñûðüÿ

. Òðàíñïîðòèðîâàíèå ñûðüÿ ñî ñêëàäà â öåõ ôîðìîâàíèÿ èçäåëèé

. Ôîðìîâàíèå èçäåëèé

. Êîíôåêöèîíèðîâàíèå èçäåëèÿ

. Êîíòðîëü ãîòîâîé ïðîäóêöèè

. Óïàêîâêà è õðàíåíèå ãîòîâîé ïðîäóêöèè

. Ïåðåðàáîòêà îòõîäîâ

Äëÿ êàæäîé ñòàäèè íåîáõîäèìî âûáðàòü îáîðóäîâàíèå, îñíàñòêó, ïðèáîðíîå îñíàùåíèå è ñðåäñòâà èçìåðåíèé, âñïîìîãàòåëüíûé èíñòðóìåíò è äðóãîå. Òàêæå íåîáõîäèìîå ÷èñëî ðàáî÷èõ ìåñò, óðîâåíü ìåõàíèçàöèè è àâòîìàòèçàöèè ÒÏ.

Öåõ, â êîòîðîì íàõîäèòüñÿ ó÷àñòîê ëèòüÿ ïîä äàâëåíèåì àðìèðîâàííûõ ñòåêëîâîëîêíîì òåðìîïëàñòîâ, ïëàíèðóåòñÿ ðàñïîëîæèòü â çàâîäñêîì öåõîâîì ïîìåùåíèè íà ïåðâîì ýòàæå, îáùåé ïëîùàäüþ 10000ì2. Ïðè ýòîì æåëàòåëüíî ðàçìåñòèòü ëèíèþ ñòåêëîíàïîëíåíèÿ ðÿäîì, îòäåëèâ å¸ îò ëèòüåâîãî öåõà êèðïè÷íîé ñòåíîé, äëÿ óìåíüøåíèÿ äåéñòâèÿ âðåäíûõ ôàêòîðîâ (øóì, çàãðÿçíåíèå). Ïîìåùåíèå öåõà íåîáõîäèìî îñíàñòèòü âåíòèëÿöèîííîé ñèñòåìîé, ñèñòåìàìè âîäî- è ýëåêòðîñíàáæåíèÿ. Ïîêðûòèå ïîëà ìåòàëëè÷åñêèì íàñòèëîì èñêëþ÷èòü. Ïîêðûâàòü òîëüêî êàôåëüíîé ïëèòêîé. Òàêæå íåîáõîäèìî ïðåäóñìîòðåòü âñå íåîáõîäèìûå ïîäúåçäíûå ïóòè ê öåõó.

Ðàñ÷¸ò âðåìåíè öèêëà ôîðìîâàíèÿ (ëèòüÿ ïîä äàâëåíèåì) òèïîâîãî èçäåëèÿ - «êîðîìûñëî».

Âðåìÿ öèêëà ôîðìîâàíèé

Tö = Òòåõí+Òìàø+Òâñï , ãäå :

Òòåõí - âðåìÿ òåõíîëîãè÷åñêîå;

Òìàø-âðåìÿ ìàøèííîå;

Òòåõí =Òâïä+Òâáä ,

ãäå: Òâïä-âðåìÿ âûäåðæêè ïîä äàâëåíèåì, ñåê;

Òâáä-âðåìÿ âûäåðæêè áåç äàâëåíèÿ, ïðè îõëàæäåíèè èçäåëèÿ â ôîðìå, ñåê;

Òìàêñ=Òñì+Òïî+Òâïð+Òðàçì ,

ãäå: Òñì-âðåìÿ ñìûêàíèÿ ëèòüåâîé ôîðìû, ñåê;

Òïî-âðåìÿ ïîäâîäà è îòâîäà óçëà ïëàñòèêàöèè è âïðûñêà;

Òðàçì-âðåìÿ ðàçìûêàíèÿ ôîðìû.

Âðåìÿ ìàøèííîå ÿâëÿåòñÿ ôóíêöèåé áûñòðîäåéñòâèÿ îòäåëüíûõ ìåõàíèçìîâ âûáðàííîé ëèòüåâîé ìàøèíû.

Ïðèìåì Òâñï (âñïîìîãàòåëüíûå îïåðàöèè: ñìàçêà ôîðìû, î÷èñòêà è ò.ä.)=0ñåê.

Òîãäà âðåìÿ òåõíîëîãè÷åñêîå ìîæíî ðàññ÷èòàòü ïî ôîðìóëå:

Òòåõí=0Ë084(Í2/à)1ä(0/785(Òë-Òô)/(Òèçä-Òô)) ,

ãäå: Í - ìàêñèìàëüíàÿ òîëùèíà ñòåíêè èçäåëèÿ, ìì;

À - òåìïåðàòóðîïðîâîäíîñòü, ì2/ñ;

Òë - òåìïåðàòóðà ëèòüÿ, °Ñ;

Òèçä - òåìïåðàòóðà èçâëåêàåìîãî èçäåëèÿ,°Ñ (Òèçä = Òô + 10_20°Ñ)

Äëÿ èçäåëèÿ «êîðîìûñëî» ïðîèçâîäèìîãî èç ïîëèàìèäà ÏÀ 6,6ÍÑ30:

Í = 0,014 ì

À = 1,4·10-7 ì/ñ

Òô = 90°Ñ

Òèçä = 110°Ñ

Òë = 260°Ñ

Òòåõí = 0,084(0,014/1,4·10-7)lg(0,785(260-90)/(110-90)) = 75,4 ñåê.

Òâïä = (0,101â/À)(lgÀ-lg(Òèçä-Òô)/(Òë-Òô))

ãäå: Â-ðàçìåð âïóñêíîãî êàíàëà, ì;

À-êîýôôèöèåíò ôîðìû èçäåëèÿ, äëÿ ïëîñêèõ ðû÷àãîâ = 1,15.

Ðàçìåð âïóñêíîãî ëèòíèêîâîãî êàíàëà ïðèìåì ðàâíûì 2 ìì, òàêèì îáðàçîì:

Òâïä = 0,101(0,002/1,8·10-7) (ln1,15-ln(110-90)/(260-90)) = 5,1ñåê.

Òàêèì îáðàçîì,

Òâáä = 75,38-5,11 = 70,27 ñåê.

Ðàññ÷èòàííîå çíà÷åíèå âûäåðæêè èçäåëèÿ ïðè îõëàæäåíèè Òâáä ÿâëÿåòñÿ âûñîêèì, âñëåäñòâèå áîëüøîé ïðîòÿæ¸ííîñòè èçäåëèÿ.

Äëÿ ëèòüåâîé ìàøèíû ÄÁ3130-125:

Òñìûê = Òðàçì = 4ñåê; Òïî = 2ñåê;

Òâïð = 2ñåê; Òìàø = 4·2 + 2 + 2 = 12ñåê.

Âðåìÿ öèêëà ôîðìîâàíèÿ äàííîãî èçäåëèÿ áóäåò ðàâíî:

Òö = 75,38 + 12 = 87,38ñåê.

 [10] è [8] ïðèâåäåíû ðàçëè÷íûå ìåòîäû òåîðåòè÷åñêîãî îïðåäåëåíèÿ âðåìåíè öèêëà ëèòüÿ, è îíè â çíà÷èòåëüíîé ñòåïåíè ðàçëè÷àþòñÿ. Ìîæíî ñäåëàòü âûâîä î íåîáõîäèìîñòè îòðàáîòêè âðåìåííûõ ðåæèìîâ ëèòüÿ íà ïðàêòèêå.

Äëÿ äðóãèõ òð¸õ èçäåëèé, ó÷èòûâàÿ èõ ðàçìåðû, ïðèáëèçèòåëüíî ìîæíî ïðèíÿòü âðåìÿ öèêëà ëèòüÿ:

."Êîðïóñ" - Òö = 60 ñåê;

."Êðûøêà" - Òö = 60 ñåê;

3.'Çóá÷àòîå êîëåñî" = 90 ñåê.

Êðîìå òîãî, íà ïðèìåðå òèïîâîãî èçäåëèÿ - "Êîðîìûñëî", ðàñ÷¸ò Òö äëÿ êîòîðîãî áûë ïðèâåä¸í âûøå, ìîæíî ðàññ÷èòàòü ïîòðåáíîñòü â èñõîäíîì ìàòåðèàëå çà 1 ÷àñ ðàáîòû ëèòüåâîé ìàøèíû Ä3130-125:

. Ìàññà îòëèâêè: Ìîòë = 1,15·Ìèçä·n = 1,15·15·6=103ã/öèêë.

. Êîëè÷åñòâî öèêëîâ çà 1 ÷àñ ðàáîòû ëèòüåâîé ìàøèíû: Qëì=41·103=4223 ã/÷àñ- ÷àñîâàÿ ïðîèçâîäèòåëüíîñòü ìàøèíû. (Ìö=60/Òö=41 öèêë/÷àñ)

. ×àñîâàÿ ïîòðåáíîñòü â ìàòåðèàëå:

Ìïîòð = Ìèçä+Ìèçä(Êáñ+Êáó+Êáïî+Êáî+Êâî);

Òåõíîëîãè÷åñêèå ðåæèìû ôîðìîâàíèÿ èçäåëèÿ

Òåõíîëîãè÷åñêèìè ïàðàìåòðàìè ëèòüÿ ïîä äàâëåíèåì ÿâëÿþòñÿ òåìïåðàòóðà ôîðìû Òô, òåìïåðàòóðà ìàòåðèàëüíîãî öèëèíäðà Òìö, äàâëåíèå ëèòüÿ Ðë, âðåìÿ öèêëà ôîðìîâàíèÿ Òö.

Ïîëèàìèä- êðèñòàëëèçóþùèéñÿ òåðìîïëàñòè÷íûé ïîëèìåð, ïîýòîìó äëÿ íåãî Òô âûáèðàåòñÿ íà 40-60°Ñ íèæå òåìïåðàòóðû ïëàâëåíèÿ. Òàêæå Òô çàâèñèò îò ñâîéñòâ ìàòåðèàëà (ðèñóíîê 3.1)

Ðèñóíîê 3.1 - Òåðìîìåõàíè÷åñêàÿ êðèâàÿ êðèñòàëëèçóþùèõñÿ òåðìîïëàñòîâ.

Êðèñòàëëèçóþùèåñÿ òåðìîïëàñòû èç-çà ðàçëè÷íîé ñòðóêòóðû êðèñòàëëèòîâ, ò å ìîðôîëîãèè ïîëèìåðîâ, äàþò ðàçíóþ ñòðóêòóðó îòôîðìîâàííîãî ìàòåðèàëà.  îáëàñòè 1-ìåëêîêðèñòàëëè÷åñêàÿ ñòðóêòóðà, è êàê ñëåäñòâèå ïîëó÷àåìûå èçäåëèÿ áóäóò îáëàäàòü âûñîêîé ïðî÷íîñòüþ è áîëüøèì óäëèíåíèåì ïðè ðàçðûâå. Îáëàñòü 2 -ïîëó÷åíèå òâ¸ðäûõ, íî áîëåå õðóïêèõ èçäåëèé, èç-çà êðóïíîêðèñòàëëè÷åñêîé ñòðóêòóðû. Ýòè îáëàñòè ðàçäåëÿþòñÿ ìåæäó ñîáîé òåìïåðàòóðîé ìàêñèìàëüíîé êðèñòàëëè÷íîñòè ïîëèìåðà. Íåîáõîäèìî íàéòè êîìïðîìèññ ïðè ðåøåíèè êîíêóðèðóþùèõ çàäà÷:

ïîëó÷åíèå âûñîêîïðî÷íûõ,

æ¸ñòêèõ è îäíîâðåìåííî îáëàäàþùèõ âûñîêîé óäàðíîé âÿçêîñòüþ,

íå õðóïêèõ ïîëèàìèäîâ.

Äëÿ ïîëèàìèäîâ, íàïîëíåííûõ ñòåêëîâîëîêíîì ðåêîìåíäóåòñÿ íàçíà÷àòü Òô=80-90°Ñ. Äëÿ ðàâíîìåðíîñòè êðèñòàëëè÷åñêîé ñòðóêòóðû îòôîðìîâàííîãî èçäåëèÿ Òô íàçíà÷àåòñÿ â 90°Ñ.

Äëÿ ìàòåðèàëüíîãî öèëèíäðà íàçíà÷àåòñÿ òåìïåðàòóðà äëÿ òð¸õ çîí:

òåìïåðàòóðà çîíû 1 áóäåò ðàâíà Òïë+10°Ñ;

âòîðîé çîíû Òïë+20°Ñ,

òðåòüåé çîíû Òïë+30°Ñ.

Òî åñòü Òìö(1)=240°Ñ; Òìö(2)=25Ã/Ñ; Òìö(3)=260°Ñ.

Òî÷íîñòü ïîääåðæàíèÿ òåìïåðàòóðû ±5°Ñ.

Äàâëåíèå ëèòüÿ â îáùåì ñëó÷àå ðàññ÷èòûâàåòñÿ ïî ôîðìóëå:

Ðë = Ó ÄÐòå÷ ã+ ÓÄÐâõ.ïîòåðü + Ðô

Äëÿ òîãî, ÷òîáû îïðåäåëèòü äàâëåíèå ëèòüÿ, äëÿ ýòîãî íåîáõîäèìî ðàññ÷èòàòü ïîòåðè äàâëåíèÿ â ïðîöåññå òå÷åíèÿ ðàñïëàâà ïî ëèòíèêîâîé ñèñòåìå ëèòüåâîé ôîðìû. Ïîýòîìó íåîáõîäèìî âîñïîëüçîâàòüñÿ ñïðàâî÷íîé ëèòåðàòóðîé, ãäå âèäíî, ÷òî ñòåêëîíàïîëíåííûå ïîëèàìèäû îáëàäàþùèå íèçêîé âÿçêîñòüþ, ïåðåðàáàòûâàþòñÿ ëèòü¸ì ïîä äàâëåíèåì ïðè âûñîêèõ óðîâíÿõ äàâëåíèÿ. Ëèòüåâàÿ ìàøèíà äîëæíà îáåñïå÷èòü Ðë=100-140 ÌÏà. Ýòè äàííûå áóäóò èñïîëüçîâàíû ïðè âûáîðå îáîðóäîâàíèÿ äëÿ ëèòüÿ.

Âûáîð îáîðóäîâàíèÿ äëÿ ëèòüÿ ïîä äàâëåíèåì

Òèï ëèòüåâîé ìàøèíû âûáèðàåòñÿ èñõîäÿ èç: ìàññû è ðàçìåðîâ èçäåëèÿ, ðåæèìîâ ëèòüÿ, ïëîùàäè ëèòüÿ, ìàòåðèàëà èçäåëèÿ, îáúåìà ïðîèçâîäñòâà, êîíñòðóêòèâíûõ îñîáåííîñòåé èçäåëèÿ, òðåáîâàíèé ê ïðî÷íîñòè è ÷èñòîòå ïîâåðõíîñòè èçäåëèÿ [11].

Çàäà÷åé äàíííîãî ðàçäåëà ÿâëÿåòñÿ âûáîð ëèòüåâîãî îáîðóäîâàíèÿ- ëèòüåâîé ìàøèíû äëÿ ôîðìîâàíèÿ èçäåëèé èç ñòåêëîíàïîëíåííûõ òåðìîïëàñòîâ, â êîòîðûõ íàèáîëåå ýôôåêòèâíî èñïîëüçîâàëàñü áû ìîùíîñòü çàïèðàþùåé ôîðìó ñèñòåìû, ïëàñòèêàöèîííàÿ ïðîèçâîäèòåëüíîñòü, ãàáàðèòû ïëèò ìàøèíû ïðè ðàçëè÷íûõ âàðèàíòàõ ãí¸çäíîñòè ôîðìû, êîòîðàÿ âûáèðàåòñÿ îïòèìàëüíàÿ ïðè àíàëèçå ìàøèí ñ ðàçëè÷íûì îáú¸ìîì âïðûñêà.

1. Ðàñ÷¸ò âåëè÷èíû îáú¸ìà âïðûñêà ëèòüåâîé ìàøèíû:

=Ìèç·n·Ê2/ð·Ê1

ãäå Ìèç - ìàññà èçäåëèÿ;

n - ãí¸çäíîñòü ëèòüåâîé ôîðìû;

Ê1 - êîýôôèöèåíò, ó÷èòûâàþùèé èñïîëüçîâàíèå ìîùíîñòè ìàøèíû ïî îáú¸ìó âïðûñêà;

Ð - ïëîòíîñòü ìàòåðèàëà èçäåëèÿ;

Ê2 - êîýôôèöèåíò, ó÷èòûâàþùèé ìàññó ëèòíèêîâîé ñèñòåìû;

Ê1 = 0,6_0,8

Ê2 = 1,05_1,15

Ðàññ÷èòàåì îáú¸ì âïðûñêà ëèòüåâîé ìàøèíû äëÿ èçäåëèÿ «êîðîìûñëî» ïðè ðàçëè÷íîé ãí¸çäíîñòè ôîðìû- n=1_10. Åñëè ýòî èçäåëèå ïðîèçâîäèòñÿ èç ñòåêëîíàïîëíåííîãî ïîëèàìèäà ÏÀ-6ÍÑ30 è èìååò ìàññó 40ã, ïðè ïëîòíîñòè ìàòåðèàëà ð=1,36ã/ñì 3

Ïðè n = 1, V1= (40·1,1·1) / (1,36·0,75) = 43,13ñì3

Ïðè n = 2, V2= (40·1,1·2) / (1,36·0,7) = 86,27 ñì3

Ïðè n= 3, V2= (40·1,1·3) / (1,36·0,75) = 129,411 ñì3

Ïðè n=4, V2= (40·1,1·4) / (1,36·0,75) = 172,55 ñì3

Ïðè n = 5, V2= (40·1,1·5) / (1,36·0,75) = 219,0 ñì3

Ïðè n=6, V2 = (401,1·6) / (1,36·0,75) = 270,58 ñì3

Ïðè n=7, V2= (40·1,1·7) / (1,36·0,75) = 315,68 ñì3

Ïðè n=8, V2= (40·1,1·8) / (1,36·0,75) = 360,78 ñì3

Ïðè n=9, V2= (40·1,1·9)/ (1,36·0,75) = 405,88 ñì3

Ïðè n=10, V2=(40·1,1·10)/(1,36·0,75) = 450,0 ñì3

Èñïîëüçîâàíèå ëèòüåâûõ ìàøèí ñ áîëüøåé ãí¸çäíîñòüþ ôîðìû íåöåëåñîîáðàçíî, èç-çà ñëîæíîñòè êîíñòðóêöèè èçäåëèÿ è ò.ä.

Ëèòüåâûå ìàøèíû äëÿ ëèòüÿ òåðìîïëàñòîâ ïî ÃÎÑÒ 10767-71 èìåþò íîìèíàëüíûé îáú¸ì âïðûñêà/ 16,32,64,96,125,170,250,340,500 ñì3 çà öèêë. Íàõîäèì êîýôôèöèåíòû èñïîëüçîâàíèÿ îáú¸ìà âïðûñêà ýòèõ ìàøèí, ó÷èòûâàÿ ðàñ÷¸òíóþ âåëè÷èíó îáú¸ìà âïðûñêà ïðè ðàçëè÷íîé ãí¸çäíîñòè ôîðìû:

Ên = 1 = 43,137/63=0,68

Ên = 2 = 86,274/95 = 0,9

Ên = 3 = 129,411/170 = 0,76

Ên=4 = 172,549/190=0,908

Ên = 5 = 219/250=0,87

Ên = 10 = 450/500=0,9

Ñëåäîâàòåëüíî, ïî äàííûì ðàñ÷¸òàì ëó÷øå âñåãî íîìèíàëüíûé îáú¸ì âïðûñêà ðåàëèçóåòñÿ â 8-ìè, 7-ìè, 2-õ, 4-õ. Íî äàííûé ðàñ÷¸ò íå ÿâëÿåòñÿ îáúåêòèâíûì, òàê êàê ïðè ðàñ÷¸òå îáú¸ìà âïðûñêà ïðè ðàçëè÷íûõ n, êîýôôèöèåíò Ê2 ó÷èòûâàë èñïîëüçîâàíèå ìîùíîñòè âïðûñêà ìàøèíû íà 75% (Ê2=0,75).  [11] îòìå÷àåòñÿ, ÷òî âûáîð ìàøèíû ñ òðåáóåìûì óçëîì èíæåêöèè ïîâûøàåò Ê2 äî 0,85. Ïðè ðàñ÷¸òàõ îáú¸ìà âïðûñêà, ïðè n>5 êîýôôèöèåíò ó÷èòûâàþùèé ìàññó ëèòíèêîâîé ñèñòåìû âûáèðàåòñÿ ìàêñèìàëüíûì Ê2=1,15. Óìåíüøèâ ìàññó ëèòíèêîâîé ñèñòåìû êîíñòðóêòèâíî, ìîæíî ñ óâåðåííîñòüþ ñêàçàòü, ÷òî ïðè n=3 ìîæíî èñïîëüçîâàòü ìàøèíó ñ îáú¸ìîì âïðûñêà 125 ñì3, ïðè n=6 -ìàøèíó ñ îáú¸ìîì âïðûñêà =250 ñì3 ïðè n=8- ìàøèíó ñ îáú¸ìîì âïðûñêà= 340 ñì3.

2. Ðàñ÷¸ò íåîáõîäèìîãî óñèëèÿ ñìûêàíèÿ ôîðìû äëÿ ôîðìîâàíèÿ äàííîãî èçäåëèÿ.

Nñìûê = Ðô·Sô,

ãäå Sô - ïëîùàäü ôîðìîâàíèÿ èçäåëèÿ-ïëîùàäü ïðîåêöèè èçäåëèÿ íà ïîâåðõíîñòü ïëèòû (ôîðìû), ñ ó÷¸òîì ãí¸çäíîñòè;

Ðô - äàâëåíèå ôîðìîâàíèÿ èçäåëèÿ;

Nñìûê - òðåáóåìîå äëÿ ôîðìîâàíèÿ óñèëèå ñìûêàíèÿ.

Äëÿ èçäåëèé èç ñòåêëîíàïîëíåííûõ ïîëèàìèäîâ äàâëåíèå ëèòüÿ ñîñòàâëÿåò 100-140 ÌÏà. Òàêèì îáðàçîì, ó÷èòûâàÿ ïîòåðè äàâëåíèÿ òå÷åíèÿ è âõîäîâûå ïîòåðè ëèòíèêîâîé ñèñòåìû ôîðìû, äàâëåíèå ëèòüÿ ìîæíî ïðèíÿòü 140 ÌÏà. Ïëîùàäü ôîðìîâàíèÿ èçäåëèÿ ðàâíà:

Sô=ðR·2=3,14·2,2·2=15,21 ñì3

ñì= 1000·15,21 = 15205 êãñ.

Èç ðÿäà òèïîâûõ ëèòüåâûõ ìàøèí âûáèðàåì ìàøèíó, êîòîðàÿ íàèáîëåå ýôôåêòèâíî èñïîëüçóåò ìîùíîñòü çàïèðàþùåé ñèñòåìû:

Êîýôôèöèåíòû èñïîëüçîâàíèÿ ìîùíîñòè çàïèðàþùåé ôîðìó ñèñòåìû:

Ê25=15,205/25=0,608 ;

Ê50=3·15,205/50=0,91

K160=10·15,205/160 = 0,95

Íåñìîòðÿ íà âûñîêèå ðàñ÷¸òíûå ïîêàçàòåëè èñïîëüçîâàíèÿ ìîùíîñòè çàïèðàþùåé ñèñòåìû, îãðàíè÷åíèÿ ïî îáú¸ìó âïðûñêà íå äàþò âîçìîæíîñòè ïðèìåíèòü ìàêñèìàëüíóþ ãí¸çäíîñòü ôîðìû. Ïðè n=1 V1=43ñì3 è ðåàëüíî ìîæíî èñïîëüçîâàòü ìàøèíó ñ íîìèíàëüíûì óñèëèåì çàïèðàíèÿ ôîðìû 500êÍ, àíàëîãè÷íî:

Ïðè n = 2 V2=86 ñmÇ-Nñò = 1000êÍ (Ä3130-95)

Ïðè n = 3 V2=129 ñmÇ-Nñm = 1000êÍ (Ä3130-125)

Ïðè n =4 V2 = 172,2 ñmÇ-Nñm=1000êÍ (Ä3130-190)

Ïðè n = 5 V2=219 ñmÇ-Nñò=1600êÍ (Ä3130-250)

Ïðè n = 10 V2=450 ñmÇ-Nñò=2500êÍ (Ä3130-500)

Ñ ó÷¸òîì íåîáõîäèìîãî äëÿ ôîðìîâàíèÿ èçäåëèÿ îáú¸ìà âïðûñêà, êîýôôèöèåíòû ðåàëèçàöèè ìîùíîñòè óñèëèÿ ñìûêàíèÿ ôîðìû, áóäóò ðàâíû:

Ên = 1 = 1·15,205/100=0,15

Ên = 2 = 2·15,205/100=0,3

Ên=3 = 1·15,205/100=0,45

Ên=4=4·15,205/100=0,68

Ên = 5 = 5·15,205/160=0,

Ên=9=9·15,205/250 = 0,54

Ên=10=10·15,205/250=0,6

Ïî äàííûì ðàñ÷¸òà, ëó÷øå âñåãî íîìèíàëüíîå óñèëèå ñìûêàíèÿ ôîðìû ðåàëèçóåòñÿ â 2-õ è 4-õ ãí¸çäíîé ôîðìå, íà ñîîòâåòñòâóþùåì îáîðóäîâàíèè. Ñðàâíèâàÿ ýòè êîýôôèöèåíòû ñ ñîîòâåòñòâóþùèìè ðàñ÷¸òíûìè äàííûìè âèäíî, ÷òî íàèáîëåå ðàöèîíàëüíî èñïîëüçîâàòü 2-õ, 4-õ ãí¸çäíóþ ôîðìó äëÿ ôîðìîâàíèÿ. Èñïîëüçîâàíèå ÷¸òíîãî ÷èñëà ãí¸çä â ôîðìå äà¸ò âîçìîæíîñòü ðàçðàáîòàòü óðàâíîâåøåííóþ ñèììåòðè÷íóþ ëèòíèêîâóþ ñèñòåìó, ÷òî ïîëîæèòåëüíî ñêàæåòñÿ íà êà÷åñòâå èçäåëèé.

Î÷åâèäíî, ÷òî ñ òî÷êè çðåíèÿ ìàêñèìàëüíîãî èñïîëüçîâàíèÿ ìîùíîñòè îáú¸ìà âïðûñêà è óñèëèÿ ñìûêàíèÿ íàèáîëåå ýôôåêòèâíî èñïîëüçîâàíèå ëèòüåâîé ìàøèíû ñ îáú¸ìîì âïðûñêà 340ñì3 è óñèëèåì çàïèðàíèÿ ôîðìû 1600 êÍ ïðè ãí¸çäíîñòè 4.

Ïðåäâàðèòåëüíûé âûáîð îáîðóäîâàíèÿ äëÿ èçãîòîâëåíèÿ òèïîâûõ èçäåëèé ïðîâîäèòñÿ ïî ìåòîäèêå [11] íà îñíîâàíèè äàííûõ î ìàññå èçäåëèÿ è ñðåäíåé ïðîèçâîäèòåëüíîñòè ëèòüåâûõ ìàøèí (ñì.òàáëèöó 3.2).

Òàáëèöà 3.2

Óñðåäí¸ííàÿ ïðîèçâîäèòåëüíîñòü ëèòüåâûõ ìàøèí, äàííûå äëÿ âûáîðà îáîðóäîâàíèÿ ïî óñèëèþ ñìûêàíèÿ â çàâèñèìîñòè îò ìàññû èçäåëèÿ

Òèï îáîðóäîâàíèÿ ïî íîìèíàëüíîìó óñèëèþ ñìûêàíèÿ, êÍ.

500

1000

1600

2500

Ìàññà èçäåëèÿ, ã

14-40

20-80

40-250

80-860

Ïðîèçâîäèòåëüíîñòü Êã/÷àñ Ò/ãîä

 5,2 12

 6,5 35

 8,3 45

 11,1 60

Ïðîèçâîäèòåëüíîñòü ïðè ââåäåíèè äîáàâîê Êã/÷àñ Ò/ãîä

 6,4 34

 8 43

 10 54

 13 72



Èòàê, èçäåëèå «êîðîìûñëî» èìååò ìàññó 40 ã è ìîæåò ïðîèçâîäèòüñÿ íà ëèòüåâîé ìàøèíå Ä3130-170. Àíàëîãè÷íî èçäåëèå «ñèëîâàÿ ïëàíêà»- 80 ã Ä3140-340. Èçäåëèå «êðûøêà»- 40 ã Ä3132-250, òàê êàê èìååò áîëüøóþ ïëîùàäü ôîðìîâàíèÿ.

Òàêèì îáðàçîì, çíàÿ ïðîäîëæèòåëüíîñòü öèêëà ëèòüÿ, ìàññó îòëèâêè, íîðìó ðàñõîäà (ïîòåðü) èñõîäíîãî ñûðüÿ, ìîæíî îïðåäåëèòü ïîòðåáíîñòü ìàòåðèàëà è ïðîèçâîäèòåëüíîñòü ó÷àñòêà ëèòüÿ ñòåêëîíàïîëíåííûõ òåðìîïëàñòîâ, ñîñòîÿùóþ èç 4-õ âûáðàííûõ ëèòüåâûõ ìàøèí, áóäåò ïðèáëèçèòåëüíî ðàâíà:

Ïð=Ïð1+Ïð2+ÏðÇ+Ïð4,

ãäå Ïð1-4 - ïðîèçâîäèòåëüíîñòü ëèòüåâûõ ìàøèí, êã/÷àñ

Ïðîèçâîäèòåëüíîñòü ëèòüåâûõ ìàøèí ðåêîìåíäóåòñÿ ïðèíèìàòü ñîãëàñíî äàííûì äëÿ ïîëèñòèðîëà

Ïð=9,2+12+12+15=48,2 êã.

3.2.1 Ðàçðàáîòêà ìàðøðóòíîé êàðòû. Òåõíè÷åñêèå âîïðîñû

1 - Ïðè¸ì ñûðüÿ

Òåõíîëîãè÷åñêèé ïðîöåññ ïðîèçâîäñòâà èçäåëèé íà ëèòüåâîì ó÷àñòêå ïåðåðàáîòêè ñòåêëîíàïîëíåííûõ òåðìîïëàñòîâ ñëåäóåò îðãàíèçîâàòü òàêèì îáðàçîì, ÷òîáû èçáåæàòü áîëüøèõ òðàíñïîðòíûõ çàòðàò.

Òåðìîïëàñò äîëæåí ïîñòóïàòü íà ó÷àñòîê ëèòüÿ â êîíòåéíåðàõ ðàçìåðîì 1,5õ 2,0x1,5 ì. Ýòè êîíòåéíåðû ñäåëàíû èç ñòàëè è ïðåäñòàâëÿþò ñîáîé òèïè÷íûé äëÿ òðàíñïîðòèðîâêè íà ýëåêòðîêàðå âíóòðèöåõîâîé êîíòåéíåð.

Òåðìîïëàñò ïîñòóïàåò íà ëèíèþ â âèäå ãðàíóë. Ïðè¸ì è ó÷¸ò îñóùåñòâëÿåò ìàñòåð èëè áðèãàäèð ó÷àñòêà. Êîíòðîëèðóåòñÿ óðîâåíü íàñûïàííîãî â êîíòåéíåð ìàòåðèàëà, êîòîðûé äîëæåí ñîîòâåòñòâîâàòü ìàññå, íåîáõîäèìîé äëÿ íåïðåðûâíîé ðàáîòû ëèòüåâûõ ìàøèí ó÷àñòêà. Ïðåäâàðèòåëüíî çàâåøåííîå ñûðü¸ çàñûïàåòñÿ â êîíòåéíåð, óðîâåíü ìàòåðèàëà- ìàðêèðóåòñÿ. Ïðîèçâîäèòåëüíîñòü ëèòüåâîãî ó÷àñòêà ïî ïåðåðàáîòêå ñòåêëîíàïîëíåííûõ òåðìîïëàñòîâ ïðèáëèçèòåëüíî ðàâíà 48-50 êã/÷àñ, çà ñåìè÷àñîâóþ ñìåíó-350 êã/ñìåíà. Ðåêîìåíäóåòñÿ ïðèíèìàòü ñûðü¸ 2 ðàçà â ñìåíó (êîíòåéíåð ìàññîé 175 êã).

. Õðàíåíèå ñûðüÿ

Ýòà ñòàäèÿ ÒÏ ïðîèçâîäñòâà èçäåëèé ÿâëÿåòñÿ íàèáîëåå ïðîäîëæèòåëüíîé. Çàâîäñêèå ñêëàäû ðåêîìåíäóåòñÿ ïðîåêòèðîâàòü èç ðàñ÷¸òà 10-15 ñóòî÷íîãî çàïàñà ñûðüÿ.

 äàííîé ðàáîòå ïðåäëàãàåòñÿ èñïîëüçîâàòü îäíî ñêëàäñêîå ïîìåùåíèå äëÿ õðàíåíèÿ ñûïó÷åãî ãðàíóëÿòà â ñèëîñàõ õðàíåíèÿ è âòîðîå ïîìåùåíèå äëÿ õðàíåíèÿ ãðàíóëÿòà â ìåøêàõ â øòàáåëü è äëÿ ãîòîâîé ïðîäóêöèè.

Òàê êàê ïðîèçâîäñòâî ñòåêëîíàïîëíåííûõ òåðìîïëàñòîâ è ïðîèçâîäñòâî èçäåëèé èç íèõ ñêîíöåíòðèðîâàíî â îäíîì çàâîäñêîì öåõîâîì ïîìåùåíèè, ïðåäëàãàåòñÿ èñïîëüçîâàòü â êà÷åñòâå ìàòåðèàëà äëÿ ëèòüÿ ïîä äàâëåíèåì ãðàíóëÿò, âûïóùåííûé ïî èñòå÷åíèè íå áîëåå 5-òè ÷àñîâ ñ ìîìåíòà åãî ïîñòóïëåíèÿ â áóíêåð-ñóøèëêó, òî åñòü ãðàíóëÿò, íå íóæäàþùèéñÿ â ñóøêå.

Òàêèì îáðàçîì, õðàíåíèå ãðàíóëÿòà ñòåêëîíàïîëíåííûõ òåðìîïëàñòîâ áóäåò ïðîâîäèòüñÿ íåïîñðåäñòâåííî íà ó÷àñòêå ëèòüÿ â áóíêåðå-ñóøèëêå, ñ ïîìîùüþ êîòîðîãî ìîæíî ïîëíîñòüþ èñêëþ÷èòü âëàãîïîãëîùåíèå ïîëèìåðà, ÷òî îñîáåííî âàæíî äëÿ ïîëèàìèäà. Òåìïåðàòóðà â ïîìåùåíèè ïîääåðæèâàåòñÿ íà óðîâíå 20°Ñ, à âëàæíîñòü äî 50%. Äëÿ óëó÷øåíèÿ èñïîëüçîâàíèÿ èìåþùèõñÿ ïëîùàäåé ïðèìåíÿþò øòàáåëåðû.

. Ðàñòàðèâàíèå ñûðüÿ

 ñëó÷àå ïðèìåíåíèÿ ëþáûõ òèïîâ óïàêîâîê íåîáõîäèìî ïðèíÿòü âî âíèìàíèå âîçìîæíîñòü ïðîíèêíîâåíèÿ âëàãè â êîíòåéíåð ñ ðàñòàðåííûì ñûðü¸ì.  äàííîì òåõíîëîãè÷åñêîì ïðîöåññå, çàñûïàííûé â êîíòåéíåð òåðìîïëàñò òðàíñïîðòèðóåòñÿ àâòîòðàíñïîðòîì (âíóòðèöåõîâûì) ê ìåñòó, â êîòîðîì ïðîèçîéä¸ò âûãðóçêà ãðàíóëÿòà â áóíêåð õðàíåíèÿ.

Íî â ëþáîì ñëó÷àå, ÷òîáû ïðåäîòâðàòèòü ïðîíèêíîâåíèå âëàãè â êîíòåéíåð, íåîáõîäèìî:

1. Îáåñïå÷èòü ìèíèìàëüíûå ïóòè ïåðåâîçêè êîíòåéíåðîâ;

. Èñêëþ÷èòü ïîïàäàíèå âîäû â êîíòåéíåð îñîáåííî íà ó÷àñòêàõ ïóòè ïðèëåãàþùèõ ê èñòî÷íèêàì âëàãè è âîäû.

Âñå ïåðå÷èñëåííûå òðåáîâàíèÿ âûïîëíÿþòñÿ â ñëó÷àå åñëè ìåñòî ñêëàäèðîâàíèÿ ãðàíóëÿòà è ó÷àñòîê ëèòüÿ íàõîäÿòñÿ â ñîñåäíèõ ïîìåùåíèÿõ.

Ïðè ïîñòóïëåíèè ñûðüÿ ñî ñòîðîíû, êàê ïðàâèëî â ìåøêàõ, îáÿçàòåëüíî ïðîèçâåñòè êîíòðîëü ìåøêîâ íà ãåðìåòè÷íîñòü è ïðîâåðèòü ñîïðîâîäèòåëüíûå äîêóìåíòû.

. Òðàíñïîðòèðîâàíèå ñûðüÿ

Ñèñòåìû òðàíñïîðòèðîâêè ñûðüÿ ïðåäëàãàþò äâà òèïà ïåðåìåùåíèÿ: òðàíñïîðòèðîâêó ìàòåðèàëîâ ñ ïåðåâîçÿùèõ ñðåäñòâ (àâòîìîáèëè, âàãîíû) â ïðîìåæóòî÷íûå õðàíèëèùà è òðàíñïîðòèðîâàíèå ìàòåðèàëîâ â ïðåäåëàõ öåõà [12]. Ïî ñïîñîáó òðàíñïîðòèðîâêè ñèñòåìû áûâàþò: ìåõàíè÷åñêèå è ïíåâìàòè÷åñêèå.

 ðàçðàáàòûâàåìîì òåõíîëîãè÷åñêîì ïðîöåññå òðàíñïîðòèðîâàíèå çàòàðåííîãî â êîíòåéíåð ãðàíóëÿòà ïðîèñõîäèò âíóòðèöåõîâûì òðàíñïîðòîì- ýëåêòðîêàðîì. Äàëåå èç óñòàíîâëåííîãî êîíòåéíåðà ãðàíóëÿò ïîäà¸òñÿ â áóíêåð âðåìåííîãî õðàíåíèÿ, êîòîðûé, êðîìå òîãî, ñëóæèò ñóøèëêîé. Ïðè ýòîì ïðåäëàãàåòñÿ ïðèìåíèòü âàêóóìíóþ ïíåâìîòðàíñïîðòíóþ ñèñòåìó, êîòîðàÿ îòëè÷àåòñÿ ìàëûìè ïîòåðÿìè ìàòåðèàëà, îòñóòñòâèåì çàïûë¸ííîñòè è îòíîñèòåëüíî íèçêîé ñòîèìîñòüþ. Ïðè ðàññòîÿíèÿõ òðàíñïîðòèðîâêè äî 300 ì è âûñîòå ïîäú¸ìà äî 10 ì, ïíåâìîòðàíñïîðò îáåñïå÷èâàåò ïðîèçâîäèòåëüíîñòü äî 7500 êã/÷àñ.

Ïîäðîáíûé ðàñ÷¸ò ñêîðîñòè âîçäóõà â ñèñòåìàõ ïíåâìîòðàíñïîðòà è îáùàÿ ïðîèçâîäèòåëüíîñòü ñèñòåìû ïðèâåäåíà â [10].

. Âõîäíîé êîíòðîëü êà÷åñòâà ñûðüÿ

Îñíîâíîé êîíòðîëèðóåìûé ïîêàçàòåëü êà÷åñòâà ñòåêëîíàïîëíåííûõ òåðìîïëàñòîâ ñòåïåíü íàïîëíåíèÿ âîëîêíîì. Ïðè ñîçäàíèè ñòåêëîíàïîëíåííîãî òåðìîïëàñòà îñíîâíûìè òðåáîâàíèÿìè ê ìàòåðèàëó ÿâëÿþòñÿ, ïðåæäå âñåãî, ñòàáèëüíîñòü ñòåïåíè íàïîëíåíèÿ è êîëè÷åñòâî (ìàññîâàÿ äîëÿ) ñòåêëîâîëîêíà, à òàêæå ðàçáðîñ è ðàñïðåäåëåíèå äëèíû âîëîêîí â ãðàíóëÿòå, ïî ïëîùàäè ãðàíóëû.

Ïðè ïðîèçâîäñòâå ñòåêëîíàïîëíåííîãî ìàòåðèàëà äëÿ èçãîòîâëåíèÿ ðàññìîòðåííûõ âûøå èçäåëèé, ñòåïåíü íàïîëíåíèÿ è ðàñïðåäåëåíèå âîëîêîí ïî äëèíå ðåàëèçóåòñÿ ñ îïðåäåë¸ííîé òî÷íîñòüþ.

Ñòåïåíü íàïîëíåíèÿ ÏÀ-6,6 ñòåêëîâîëîêíîì 30% âåñà; ìèíèìàëüíàÿ äëèíà âîëîêîí â òåðìîïëàñòå 120 ìêì; ðàñïðåäåëåíèå âîëîêîí ïî ðàçìåðó ãðàíóëû: 120 ìêì - íå áîëåå 5% âåñà -áîëåå 150 ìêì - íåîãðàíè÷åííî; ñðåäíÿÿ êâàäðàòè÷íàÿ äëèíà âîëîêíà-135 ìêì.

Îðãàíèçàöèîííî, âõîäíîé êîíòðîëü êà÷åñòâà ñûðüÿ íåîáõîäèìî ïðîâîäèòü ïðè îòðàáîòêå òåõíîëîãèè ñòåêëîíàïîëíåíèÿ, ïîñëå ïðîôèëàêòè÷åñêîãî ðåìîíòà, ïðè ñìåíå óñòàðåâøèõ øíåêîâ, ïðè èçíîñå ýëåìåíòîâ ìàòåðèàëüíîãî öèëèíäðà. Ðåãóëÿðíî êîíòðîëü êà÷åñòâà ñûðüÿ ïðîâîäèòñÿ 1 ðàç â ñìåíó, èññëåäîâàíèå ïëîñêîãî èçîáðàæåíèÿ ñòåêëîâîëîêîí îòîææ¸ííûõ èç 30 ãðàìì òåðìîïëàñòà

ðàç â 5 äíåé. Ïðè ýòîì ïðîâîäèòüñÿ ñòàòèñòè÷åñêàÿ îáðàáîòêà èíôîðìàöèè.

 ñëó÷àå èñïîëüçîâàíèÿ ñûðüÿ, ïîñòàâëÿåìîãî äðóãèì ïðåäïðèÿòèåì, âõîäíîé êîíòðîëü ïðåäóñìàòðèâàåò ôèçèêî-ìåõàíè÷åñêèå èñïûòàíèÿ îáðàçöîâ èçãîòîâëåííûõ èç ìàòåðèàëà ïðèáûâøåé ïàðòèè è ïðîâåðêó ñîîòâåòñòâèÿ åãî ñòàíäàðòíûì ïàðàìåòðàì.

. Ñóøêà ñûðüÿ

Ïðè ëèòüå ïîä äàâëåíèåì î÷åíü âàæíî [13] ÷òîáû âëàãîïîãëîùåíèå ïîëèìåðà, ïîñòóïàþùåãî â çàãðóçî÷íûé áóíêåð, íå ïðåâûøàëî 0,2%, â ïðîòèâíîì ñëó÷àå ôîðìîâàíèå çàòðóäíÿåòñÿ è íà ïîâåðõíîñòè èçäåëèé ïîÿâëÿþòñÿ çàìåòíûå ðàçâîäû è äðóãèå äåôåêòû.

 ðàçðàáàòûâàåìîì òåõíîëîãè÷åñêîì ïðîöåññå ñûðü¸ ïîñòóïàåò ñðàçó æå ïîñëå íà÷àëà ðàáîòû ëèíèè ñòåêëîíàïîëíåíèÿ è ãðàíóëèðîâàíèÿ, êîòîðàÿ ðàñïîëîæåíà â îäíîì çàâîäñêîì ïîìåùåíèè ñ ó÷àñòêîì ëèòüÿ. Òàêèì îáðàçîì îáåñïå÷èâ áûñòðóþ òðàíñïîðòèðîâêó ñûðüÿ, ïðåäîòâðàòèâ ïîïàäàíèå âëàãè â êîíòåéíåð, â öåõ ëèòüÿ ïîñòóïèò ñûðü¸ íå íóæäàþùååñÿ â äîïîëíèòåëüíîé ñóøêå. Ýòî âîçìîæíî ëèøü â ñëó÷àå, êîãäà ïîëó÷àåìûé ãðàíóëÿò ïîïàäàåò â áóíêåð âðåìåííîãî õðàíåíèÿ íà íåáîëüøîå âðåìÿ (äî 5-òè ÷àñîâ) èëè ñðàçó òðàíñïîðòèðóåòñÿ ê ó÷àñòêó ëèòüÿ, ãäå ïåðåãðóæàåòñÿ â áóíêåð.

6. Ôîðìîâàíèå èçäåëèÿ

Öèêë èçãîòîâëåíèÿ èçäåëèÿ â ëèòüåâîé ìàøèíå îáåñïå÷èâàåòñÿ çà ñ÷¸ò âçàèìîñâÿçàííîé ðàáîòû óçëîâ ëèòüåâîé ìàøèíû è òåõíîëîãè÷åñêîé îñíàñòêè:

óçåë ñìûêàíèÿ, ðàçìûêàíèÿ ëèòüåâîé ôîðìû;

óçåë ïëàñòèêàöèè è âïðûñêà ëèòüåâîé ìàøèíû;

ìåõàíèçì ïîäâîäà è îòâîäà óçëà ïëàñòèêàöèè è âïðûñêà; [12]

Öèêë èçãîòîâëåíèÿ èçäåëèÿ â âûáðàííûõ ëèòüåâûõ ìàøèíàõ ïðîèçâîäèòüñÿ àâòîìàòè÷åñêè. Ïðîèñõîäèò ñìûêàíèå ôîðìû ñíà÷àëà ìåäëåííî, ïîòîì óñêîðåííî, ïîòîì ñíîâà ìåäëåííî, ÷òîáû íå ïîâðåäèòü ïîâåðõíîñòü ôîðìû; ïåðåìåùåíèå ìåõàíèçìà ïëàñòèêàöèè ê ôîðìå. Ìàòåðèàë â óçëå ïëàñòèêàöèè ðàñïëàâëÿåòñÿ ïðè çàäàííîé ôîðìû. Ïðè âðàùàòåëüíîì äâèæåíèè øíåêà ïðîèçâîäèòüñÿ íàáîð çàäàííîé äîçû ìàòåðèàëà â ïåðåäíåé ÷àñòè öèëèíäðà. Ïðè ïîñòóïàòåëüíîì äâèæåíèè øíåêà âïåð¸ä, ïðîèçâîäèòüñÿ âïðûñê ðàñïëàâà â çàìêíóòóþ ïðåññôîðìó. Ïîñëå âûäåðæêè ìàòåðèàëà ïîä äàâëåíèåì, äî òåõ ïîð, ïîêà íå îñòûíåò è íå çàòâåðäååò âïóñêíîé ëèòíèê, ïðîèçâîäèò îõëàæäåíèå ìàòåðèàëà â ôîðìå áåç äàâëåíèÿ. Ïîñëå ÷åãî ôîðìà ðàñêðûâàåòñÿ è èçäåëèå óäàëÿåòñÿ èç ôîðìû âûòàëêèâàòåëÿìè.

Äëÿ îáåñïå÷åíèÿ òåõíîëîãèè ïðîèçâîäñòâà èçäåëèÿ «êîðîìûñëî» íåîáõîäèìî ñîáëþñòè ðàíåå ðàññ÷èòàííûå è àíàëèòè÷åñêè âûáðàííûå ïàðàìåòðû ïðîöåññà ëèòüÿ. Äëÿ ýòîãî íåîáõîäèìî:

óñòàíîâèòü íóæíóþ òåìïåðàòóðó ìàòåðèàëüíîãî öèëèíäðà ïî çîíàì: Ò1=240°Ñ, T2=2504; T3=260°Ñ.

ïîêàçàòåëü òåìïåðàòóð íà òåðìîðåãóëÿòîðàõ äîëæåí ó÷èòûâàòü ïåðåïàä òåìïåðàòóð ìåæäó ñòåíêîé ìàòåðèàëüíîãî öèëèíäðà è ïåðåðàáàòûâàåìûì ìàòåðèàëîì ±5°Ñ;

óñòàíîâèòü âåëè÷èíó óäåëüíîãî äàâëåíèÿ Ð=140Ìïà;

òåìïåðàòóðà ëèòüåâîé ôîðìû Tô=90°Ñ;

- ÷àñòîòà âðàùåíèÿ øíåêà âûáèðàåòñÿ 140-200 îá/ìèí;

- óñòàíîâèòü âåëè÷èíó âûäåðæêè ìàòåðèàëà â ôîðìå ïîä äàâëåíèåì ðàâíóþ 5-11 ñåê;

âðåìÿ îõëàæäåíèÿ ìàòåðèàëà = 70 ñåê;

ëèòüåâàÿ ìàøèíà íàñòðàèâàåòñÿ íà ðàáî÷èé ðåæèì;

íà÷àòü îòëèâêó èçäåëèé;

ïðè îáíàðóæåíèè âíåøíèõ äåôåêòîâ, ïðîèçâåñòè ïåðåíàëàäêó ðåæèìîâ Ò-Ð, èçìåíèòü äîçèðîâêó ðàñïëàâà;

- ïîñëå îêîí÷àíèÿ ðàáîòû ïîëèìåðíûé ðàñïëàâ íåîáõîäèìî óäàëèòü èç öèëèíäðà ïîëèýòèëåíîì âûñîêîé ïðî÷íîñòè (ÏÝÍÄ).

òåðìîïëàñò ñòåêëîâîëîêíî àðìèðîâàííûé ãðàíóëÿò

4. Ýêîëîãèÿ è áåçîïàñíîñòü ïðîèçâîäñòâà

 íàñòîÿùåå âðåìÿ îäíîé èç âàæíûõ çàäà÷ â ñîâðåìåííîé ïðîìûøëåííîñòè ÿâëÿåòñÿ [20]:

ñîçäàíèå áëàãîïðèÿòíîé ýêîëîãè÷åñêîé îáñòàíîâêè íà ïðîèçâîäñòâå;

ïîâûøåíèå áåçîïàñíîñòè ïðîèçâîäñòâà;

óëó÷øåíèå óñëîâèé òðóäà.

Áîëüøå âíèìàíèÿ íåîáõîäèìî óäåëÿòü ïðîáëåìàì ïðîìûøëåííîé ýêîëîãèè è áåçîïàñíîñòè íà ïðîèçâîäñòâå.

 äèïëîìíîì ïðîåêòå ðàçäåë "Ýêîëîãèÿ è áåçîïàñíîñòü" áûë ðàçðàáîòàí ÷òîáû:

-    îáåñïå÷èòü áåçîïàñíîñòü óñëîâèé òðóäà, â ðåçóëüòàòå äîñòèæåíèå ìàêñèìàëüíîé ïðîèçâîäèòåëüíîñòè;

-        ìàêñèìàëüíî ñíèçèòü îïàñíûå è âðåäíûå ïðîèçâîäñòâåííûå ôàêòîðû (ÎÂÏÔ), íåáëàãîïðèÿòíî âëèÿþùèå íà îðãàíèçì ÷åëîâåêà;

Îõðàíà òðóäà - ýòî ñèñòåìà çàêîíîäàòåëüíûõ àêòîâ, ñîöèàëüíî-ýêîíîìè÷åñêèõ, ãèãèåíè÷åñêèõ è ëå÷åáíî-ïðîôèëàêòè÷åñêèõ ìåðîïðèÿòèé è ñðåäñòâ, îáåñïå÷èâàþùèõ áåçîïàñíîñòü, ñîõðàíåíèå çäîðîâüÿ è ðàáîòîñïîñîáíîñòè ÷åëîâåêà â ïðîöåññå òðóäà.

Îñíîâíîé çàäà÷åé îõðàíû òðóäà ÿâëÿåòñÿ:

-    ñâåäåíèå ê ìèíèìóìó âåðîÿòíîñòè çàáîëåâàíèé ðàáîòàþùåãî ïåðñîíàëà;

-        îáåñïå÷åíèå êîìôîðòà ïðè ìàêñèìàëüíîé ïðîèçâîäèòåëüíîñòè òðóäà.

 äèïëîìíîì ïðîåêòå ðàçðàáàòûâàåòñÿ òåõíîëîãè÷åñêèé ïðîöåññ èçãîòîâëåíèÿ èçäåëèé èç òåðìîïëàñòîâ, àðìèðîâàííûõ ñòåêëîâîëîêíîì. Àíàëèç óñëîâèé òðóäà ïî èçãîòîâëåíèþ èçäåëèé ïðîâîäèòñÿ â ñîîòâåòñòâèè ñ ïîñëåäîâàòåëüíîñòüþ âûïîëíåíèÿ òåõíîëîãè÷åñêèõ îïåðàöèé [20].

4.1 Áåçîïàñíîñòü ïðîöåññîâ ïðîèçâîäñòâà ñòåêëîíàïîëíåííûõ òåðìîïëàñòîâ è èçäåëèé èç íèõ

Öåëüþ àíàëèçà óñëîâèé òðóäà ÿâëÿåòñÿ:

-    èäåíòèôèêàöèÿ îïàñíûõ è âðåäíûõ ïðîèçâîäñòâåííûõ ôàêòîðîâ (ÎÂÏÔ);

-        êîëè÷åñòâåííàÿ îöåíêà ÎÂÏÔ.

Îïàñíûé ïðîèçâîäñòâåííûé ôàêòîð (ÎÏÔ) - ýòî ôàêòîð, âîçäåéñòâèå êîòîðîãî íà îðãàíèçì ÷åëîâåêà â îïðåäåëåííûõ óñëîâèÿõ ïðèâîäèò ê òðàâìå èëè äðóãîìó âíåçàïíîìó, ðåçêîìó óõóäøåíèþ çäîðîâüÿ [21-25].

Âðåäíûé ïðîèçâîäñòâåííûé ôàêòîð (ÂÏÔ) - ýòî ôàêòîð, âîçäåéñòâèå êîòîðîãî íà ðàáîòàþùåãî â îïðåäåëåííûõ óñëîâèÿõ ïðèâîäèò ê çàáîëåâàíèþ èëè ðåçêîìó ñíèæåíèþ òðóäîñïîñîáíîñòè.

Ïðèçíàêè îïàñíûõ è âðåäíûõ ïðîèçâîäñòâåííûõ ôàêòîðîâ - íàðóøåíèå íîðìàëüíîãî ñîñòîÿíèÿ ýëåìåíòîâ ïðîèçâîäñòâåííîãî ïðîöåññà, â ðåçóëüòàòå êîòîðîãî ìîãóò âîçíèêíóòü àâàðèè, ïîæàðû, òðàâìû, à òàêæå âîçìîæíîñòü âîçäåéñòâèÿ íà îðãàíèçì ÷åëîâåêà. Åñëè õîòü îäèí èç îòðèöàòåëüíûõ ïðèçíàêîâ ïðèñóòñòâóåò â ïðîöåññå ïðîèçâîäñòâà, òî ýòî ÿâëÿåòñÿ äîñòàòî÷íûì óñëîâèåì äëÿ îòíåñåíèÿ ýòîãî ôàêòîðà ê ðàçðÿäó îïàñíûõ è âðåäíûõ.

Ðåàëüíûå ïðîèçâîäñòâåííûå óñëîâèÿ õàðàêòåðèçóþòñÿ íàëè÷èåì íåêîòîðûõ îïàñíûõ è âðåäíûõ ôàêòîðîâ. Ïîëíîñòüþ áåçâðåäíûõ è áåçîïàñíûõ ïðîèçâîäñòâ íå ñóùåñòâóåò.

4.1.1 Èäåíòèôèêàöèÿ îïàñíûõ è âðåäíûõ ôàêòîðîâ ïðîèçâîäñòâà ñòåêëîíàïîëíåííûõ òåðìîïëàñòîâ è èçäåëèé èç íèõ

Êîìïëåêñíûé àíàëèç òåõíîëîãè÷åñêîãî ïðîöåññà (ÒÏ) âûÿâëÿåò îïàñíûå è âðåäíûå ôàêòîðû è îöåíèâàåò èõ êîëè÷åñòâî. Âëèÿíèå ýòèõ ôàêòîðîâ ìîæåò òðàâìèðîâàòü ðàáîòàþùèõ ëþäåé â öåõå. Àíàëèç ïðîâîäèòñÿ â ñîîòâåòñòâèè ñ ÒÏ.

 òàáëèöå 4.1 ïðèâåäåíû îñíîâíûå ýëåìåíòû ïðîèçâîäñòâåííîãî ïðîöåññà, êîòîðûå ôîðìèðóþò ÎÂÏÔ.

 ïðîâåäåíèè àíàëèçà ÒÏ áûëî âûÿâëåíî, ÷òî ýëåìåíòû ïðîèçâîäñòâåííîé ñðåäû, ïðåäìåòû è ïðîäóêòû òðóäà ñîäåðæàò â ñåáå ðàçëè÷íûå îïàñíûå è âðåäíûå ïðîèçâîäñòâåííûå ôàêòîðû.

Òàáëèöà 4.1

Êà÷åñòâåííàÿ èäåíòèôèêàöèÿ îïàñíûõ è âðåäíûõ ôàêòîðîâ

¹

1. Òåõíîëîãè÷åñêèé ïðîöåññ ïîëó÷åíèÿ ñòåêëîíàïîëíåííîãî ãðàíóëÿòà

 


Î.Â.Ï.Ô.

 


Íàèìåíîâ. îïåðàöèé

Ìàòåðèàëû ñûðü¸, êîìïëåêò. èçäåëèÿ

Óðîâåíü ìåõàíèçàöèè

Îáîðóäîâàíèå, ïðèñïîñîáëåíèÿ, èíñòðóìåíòû

Ãîòîâû èçäåëèÿ

Ïðîèçâîäñò-âåííàÿ ñðåäà

Îêðóæ. ñðåäà

 

1

Ïðè¸ì è õðàíåíèå ñûðüÿ

Ãðàíóëû ïîëèàìèäà ÏÀ-6,6

Àâòîìàòè-çèðîâàí

Ïíåâìîòðàíñïîðò Ýëåêòðîêàðû

Ìåøêè ñ ãðàíóëàìè ÏÀ-6,6

Ïûëü, ìåõàíè÷åñêèå òðàâìû

Ïûëü

 

2

Âõîäíîé êîíòðîëü êà÷åñòâà ñûðüÿ

Ãðàíóëû ÏÀ-6,6

Âðó÷íóþ

Âèñêîçèìåòð ÐÂ-6 ðàçðûâíûå ìàøèíû ÈÈÐÒ

Ðîññûïè ãðàíóë ÏÀ-6,6

Ýëåêòðîîïàñ-íîñòü ìåõàíè÷åñêèå òðàâìû íàãðåòûå ýëåìåíòû

Ïûëü

 

3

Ðàñòàðèâàíèå ñûðüÿ

Ãðàíóëû ÏÀ-6,6

Àâòîìàòè-çèðîâàí

Ðàñòàðî÷íûå ìàøèíû

Ãðàíóëû ÏÀ-6,6

Ïûëü ÏÀ-6,6

Ïûëü ÏÀ-6,6

 

4

Ñóøêà ñûðüÿ

Ãðàíóëû ÏÀ-6,6

Àâòîìàòè-çðîâàí

Ñóøêà ãîðÿ÷èì âîçäóõîì, âàêóóì,  ñóøèëêè

Ãðàíóëû ÏÀ-6,6

âûõîä ëåòó÷èõ â âèäå ïàðà, ýëåêòðîîïàñíî

ëåòó÷èå ìîíîìåðû ÏÀ6,6

 

5

Äîçèðîâàíèå ìàòåðèàëîâ

Ãðàíóëû ÏÀ-6,6

Àâòîìàòè-çèðîâàí

Øíåêîâûå ïèòàòåëè Âåñû

Ãðàíóëû ÏÀ-6,6, ñòåêëî-âîëîêíî

Ïûëü, ýëåêòðî-îïàñíîñòü

Ïûëü

 

6

Ñìåøåíèå êîìïîíåíòîâ (ïðåäâàðèò.)

Ãðàíóëû ÏÀ-6,6 ñòåêëîâîëîêíî

Àâòîìàòèçèðîâàí

Ðîòîðíûé ñìåñèòåëü

Ãðàíóëû ÏÀ-6,6, ñòåêëî-âîëîêíî

Ïûëü, øóì, âèáðàöèÿ ýëåêòðî-îïàñíîñòü

Ïûëü ÏÀ-6,6

 

7

Çàãðóçêà ñóõîé ñìåñè â áóíêåð ýêñòðóäåðà

Ãðàíóëû ÏÀ-6,6 ñòåêëîâîëîêíî

Âðó÷íóþ

Ïíåâìîòðàíñïîðò, áóíêåð-ñèëîñ

Ãðàíóëû ÏÀ-6, ñòåêëîâîëîêíî

Ïûëü, ìåõàíè÷åñêèå òðàâìû

Ïûëü ÏÀ-6,6

 

8

Ýêñòðóçèÿ, Ââåäåíèå âîëîêíà

Ãðàíóëû ÏÀ-6,6, ñòåêëîâîëîêíî

Àâòîìàòèçèðîâàí

Ýêñòðóäåð 4Ï63-20

Ãðàíóëû ÏÀ-6,6 ñòåêëîâîëîêíî

Ýëåêòðîòîê, âûñîêèå òåìïåðàòóðû, øóì, âûõîä ëåòó÷èõ

Âûõîä ëåòó÷èõ: îêèñü óãëåðîäà, ìîíîìåðû ïîëèàìèäà

 

9

Îõëàæäåíèå æãóòîâ

ÏÀ-6,6

Àâòîìàòèçèðîâàí

Âàííà, îáäóâî÷íîå óñòðîéñòâ

Æãóòû ÏÀ-6,6

Ýëåêòðîòîê, ìåõàíè÷åñêèå òðàâìû, ïàðû çàãðÿçí¸ííîé âîäû

Çàãðÿçí¸ííàÿ âîäà

 

10

Ãðàíóëèðî-âàíèå

ÏÀ-6,6, ñòåêëîâîëîêíî

Àâòîìàòèçèðîâàí

Ãðàíóëÿòîð, ðåæóùèé, èíñòðóìåíò, ôðåçà

ÏÀ-6,6 , ñòåêëîâîëîêíî

Çàïûë¸ííîñòü, øóì, âèáðàöèÿ, ýëåêòðîòîê


 

11

Òðàíñïîð-òèðîâêà ïîëóôàáðèêàòà

ÏÀ-6,6

Àâòîìàòèçèðîâàí

Ïíåâìî-òðàíñïîðò

ÏÀ-6,6

Øóì


 

12

Ïåðåðàáîòêà îòõîäîâ

ÏÀ-6,6, íàïîëíåííûé

Àâòîìàòèçèðîâàí

Èçìåëü÷èòåëü ÈÏÐ-300

ÏÀ-6,6, ñòåêëî-âîëîêíî

Çàïûë¸ííîñòü, âèáðàöèÿ, øóì


 

13

Õðàíåíèå ïðîäóêòà ïîëóôàáðèêàòà

Ãðàíóëû ÏÀ-6,6


Ñèëîñû çàâîäñêîãî õðàíåíèÿ

Ãðàíóëû ÏÀ-6,6



 

2. Òåõíîëîãè÷åñêèé ïðîöåññ ïðîèçâîäñòâà èçäåëèé èç àðìèðîâàííûõ òåðìîïëàñòîâ.

 

14

Âõîäíîé êîíòðîëü êà÷åñòâà

Ãðàíóë ÏÀ-6,6

Âðó÷íóþ

Ìóôåëüíàÿ ïå÷ü, îïòè÷åñêèé ìèêðîñêîï

Ãðàíóëû ÏÀ-6,6

Âûñîêèå òåìïåðàòóðû, âûõîä, ëåòó÷èõ

Âûõîä ëåòó÷èõ: ìîíî ìåðû ÏÀ-6,6

15

Ñóøêà Ñûðüÿ

ÏÀ-6,6

Àâòîìàòèçèðîâàí

Ñóøèëüíûå êàìåðû

ÏÀ-6,6

Âûñîêèå òåìïåðàòóðû Ýëåêòðî-îïàñíîñòü, ëåòó÷èå

Âûõîä ëåòó÷èõ: ìîíî ìåðû ÏÀ-6,6 îêèñü óãëåðîäà

16

Çàãðóçêà ïîëóôàáð. â ëèòüåâóþ ìàøèíó

Ãð ÏÀ-6,6

Àâòîìàòèçèðîâàí

Ïíåâìî-òðàíñïîðò Ëåíòî÷íûå ïîäàò÷èêè,

Ãðàíóëû ÏÀ-6,6

Çàïûë¸ííîñòü øóì

Ïûëü

17

Ëèòü¸ ïîä äàâëåíèåì

ÏÀ-6,6

Àâòîìàòèçèðîâàí

Ëèòüåâàÿ ìàøèíà ÄÁ 3130125

Ãîòîâûå èçäåëèÿ

Âûñîêèå òåìïåðàòóðû Âûõîä ëåòó÷èõ ìîíîìåðû ÏÀ-6,6

Âûõîä ëåòó÷èõ ìîíîìåðû ÏÀ-6,6

18

Ìåõàíè÷åñêàÿ Îáðàáîòêà

Ãîòîâûå èçäåëèÿ

Âðó÷íóþ

Ôðåçåðíûé ñòàíîê

Ãîòîâûå èçäåëèÿ

Ìåõàíè÷åñêèå òðàâìû, ýëåêòðîòðàâìû, Øóì, Ïûëü

Ïûëü ïîëèàìèäà

 

19

Ïåðåðàáîòêà îòõîäîâ

Îòõîäû ïðîöåññà ëèòüÿ ÏÀ-6,6

Àâòîìàòèçèðîâàí

ÈÏÐ-300 èçìåëü÷èòåëü

Àãëîìåðàò ÏÀ-6,6

Çàïûë¸ííîñòü Âèáðàöèÿ, øóì

Ïûëü ïîëèàìèäà

 

10

Êîíòðîëü êà÷åñòâà ãîòîâîé ïðîäóêöèè

Ãîòîâûå èçäåëèÿ

Âðó÷íóþ

Ðàçðûâíàÿ ìàøèíà, èñïûòàòåëüíûé ñòåíä

Ãîòîâûå èçäåëèÿ

Ìåõàíè÷åñêèå òðàâìû - øóì


 

20

Õðàíåíèå ãîòîâîé - ïðîäóêöèè


Ãîòîâûå èçäåëèÿ óïàêîâ-å â êàðòîííûå êîðîáêè


Ñêëàä

Ãîòîâûå èçäåëèÿ Óïàêîâàííûå â êîðîáêè


 


(ïï. 1-3) àíàëîãè÷íî ýòàïó ¹1

Òàáëèöà 4.2

Êà÷åñòâåííàÿ õàðàêòåðèñòèêà ÎÂÏÔ ïðîèçâîäñòâà


ÎÂÏÔ Ïðîèçâîäñòâà

Íàèìåíîâàíèå îïåðàöèè (¹ ïî òàáëèöû)

Çíà÷åíèå äåéñòâóþù. ôàêòîðà (÷àñ)

Ðåãëàìåíòèð. íîðìàìè ïðåäåëüíî äîïóñòèìîå çíà÷åíèå

Ïðîäîëæ. âîçäåéñòâèÿ (÷àñ)

Âåðîÿòí. âîçäåéñòâ.

Ê-âî ðàáîò-õ, ïîäâåðæ. âîçäåéñò.



Ýòàï 1

Ýòàï 2






1

Âûõîä ëåòó÷èõ (çàãàçîâàííîñòü)

6,10,11

4,5,7

7

15 ìã/ì3

7

7/7

10

2

Âûõîä ïûëè (çàïûë¸ííîñòü)

7,8,9,10, 5

8,9,6

7

20-50ì ã/ì3

7

2/7

15

3

Øóì

1,2,8,9 10,11

1,2,6. 7 8,9

7

Íå áîëåå 110 äÁ

7

1/7

15

4

Âûñîêàÿ òåìïåðàòóðà ïîâåðõíîñòè îáîðóäîâàíèÿ

4,6,10

4,5,7

7

Íå áîëåå 45 °Ñ

7

1/7

10

5

Îïàñíîñòü ïîðàæåíèÿ ýëåêòðîòîêîì

1,2,4,6 7,8,9,1 0

1,2,5, 8 9

7

Ïîðàæåíèå ïðè 20 25 ìÀ

7

0,3/7

15

6

Çàãðÿçíåíèå âîäû

11




7

0

0


Âåëè÷èíû âûáðîñîâ ïðè ýêñòðóçèè è ãðàíóëèðîâàíèè ïîëèàìèäà ÏÀ-6 âûøå, ÷åì ïðè èçãîòîâëåíèè èçäåëèé èç ÏÀ-6,6 . Ýòî îáúÿñíÿåòñÿ òåì, ÷òî:

) Ýêñòðóçèÿ õàðàêòåðèçóåòñÿ áîëåå âûñîêîé ïðîèçâîäèòåëüíîñòüþ. Ïðîöåññ íåïðåðûâíûé Q =130êã/÷àñ

)  òåõíîëîãè÷åñêîì ïðîöåññå ñòåêëîíàïîëíåíèÿ òåðìîïëàñòîâ, ââîäÿò äîáàâêè äèñïåðñíûõ íàïîëíèòåëåé, äîçèðîâàíèå, ñìåøåíèå, òðàíñïîðòèðîâêà êîòîðûõ ñîïðîâîæäàåòñÿ ïîïàäàíèåì ïûëè ïîðîøêîâ â îêðóæàþùóþ ñðåäó (ïðîèçâîäñòâåííóþ ñðåäó).

) Äåãàçàöèÿ ðàñïëàâà ïðè ýêñòðóçèè îáåñïå÷èâàåò â äàëüíåéøåì ìèíèìàëüíûé âûáðîñ ëåòó÷èõ êîìïîíåíòîâ ïðè ëèòüå êîíå÷íîãî èçäåëèÿ.

Òàáëèöà 4.3

Õàðàêòåðèñòèêà âðåäíûõ âåùåñòâ è ïûëåé â òåõíîëîãè÷åñêîì ïðîöåññå.

Íàèìåíîâàíèå

Âåëè÷èíû âûáðîñîâ (êã/÷àñ)

Ïäê, Ìã/ì*3

Êëàññ îïàñíîñòè

Ëåòó÷èå ñîåäèíåíèÿ. Íå ïðîðåàãèðîâàâøèå Ìîíîìåðû ïîëèàìèäà

Ýòàï 1

Ýòàï 2

15

3


0,35

0,01



Ïûëè 1.Òðèõëîðâèí èë ñóëüôàò íàòðèÿ

0,01

0,001

15

2

2.Äèñóëüôàò ìîëèáäåíà

0,01

0,001

18

4

3. Äâóîêèñü òèòàíà

0,62

0,05

20

4

4. Ïûëü ïîëèàìèäà

0,9

0,05

50

3


Ðàçðàáîòêà ìåð çàùèòû îò èäåíòèôèöèðîâàííûõ ÎÂÏÔ ïðîèçâîäñòâà

Äëÿ óñòðàíåíèÿ ÎÏÔ è ÂÏÔ íà ïðîèçâîäñòâå íåîáõîäèìî ïðîâåñòè ìåðîïðèÿòèÿ â ñîîòâåòñòâèè ñî ñòàíäàðòíûìè ìåòîäàìè. Ê òàêèì ìåðîïðèÿòèÿì ñëåäóåò îòíåñòè:

ìåõàíèçàöèÿ è àâòîìàòèçàöèÿ ðó÷íîãî òðóäà;

àâòîìàòèçàöèÿ è ìåõàíèçàöèÿ ïðîöåññîâ, ÿâëÿþùèõñÿ èñòî÷íèêîì îïàñíûõ è âðåäíûõ ôàêòîðîâ;

ñòðåìëåíèå ê ïðèìåíåíèþ ìåíåå âðåäíûõ âåùåñòâ;

âåäåíèå âñåõ ïðîöåññîâ â ñòðîãîì ñîîòâåòñòâèè ñ òåõíîëîãè÷åñêèìè òðåáîâàíèÿìè.

. Äëÿ îáåñïå÷åíèÿ ïîëíîé ýëåêòðîáåçîïàñíîñòè, îáîðóäîâàíèå ïðîèçâîäñòâ ñíàáæàåòñÿ çàçåìëèòåëüíûìè êîíòàêòàìè è çàçåìëÿåòñÿ. Ñîïðîòèâëåíèå çàçåìëåíèÿ R3< 4 Îì. ÃÎÑÒ 12.1.030-8 [12].

. Äëÿ óìåíüøåíèÿ óðîâíÿ øóìà, ñîãëàñíî ÑíèÏ 11-12-77, ÃÎÑÒ 12.1.029-80 [2] ïðåäóñìàòðèâàþòñÿ ñëåäóþùèå ìåðû:

çâóêîïîãëîùàþùèå ýêðàíû è êîíñòðóêöèè;

ãëóøèòåëè øóìà, çâóêîïîãëîùàþùèå îáëèöîâêè;

ïðèìåíåíèå íàóøíèêîâ, áåðóøåé;

ïðàâèëüíàÿ çàñòðîéêà ïðîèçâîäñòâà;

ðåãóëÿðíîå ïðîâåäåíèå îñìîòðà îáîðóäîâàíèÿ, ïîäòÿãèâàíèå ãàåê è áîëòîâ, óñòðàíåíèå äðåáåçæàùèõ ïîìåõ.

. Äëÿ ïðåäîòâðàùåíèÿ òðàâì ðàáîòàþùåãî ïåðñîíàëà (îæîãîâ):

çàùèòà íàãðåòûõ ÷àñòåé êîæóõàìè;

âûäà÷à ïåð÷àòîê;

ïðèìåíåíèå ðàçëè÷íûõ îãðàæäåíèé è ýêðàíîâ, óñòàíàâëèâàåìûõ íà ñîïëîâûå ÷àñòè ýêñòðóäåðà è ëèòüåâîé ìàøèíû.

4. Äëÿ èçáåæàíèÿ ìåõàíè÷åñêèõ òðàâì ïåðñîíàëà îò âîçäåéñòâèÿ ïîäâèæíûõ ÷àñòåé (ìåõàíèçìà çàïèðàíèÿ ëèòüåâîé ìàøèíû, ïîäú¸ìíîãî êðàíà, äâèæóùèõñÿ âíóòðèöåõîâûõ òðàíñïîðòíûõ ñðåäñòâ) íåîáõîäèìî ñòðîãî è ïðàâèëüíî îáîçíà÷èòü òðàíñïîðòíûå ïóòè. Íà ïîëó ìàðêèðóþòñÿ êðàñêîé ÿðêîãî öâåòà íàèáîëåå îïàñíûå ÷àñòè òðàíñïîðòíûõ ïóòåé, èõ íåîáõîäèìî îãðàäèòü ðåø¸ò÷àòûìè îãðàæäåíèÿìè (ìàòåðèàë- ñòàëü 3 , ñåòêà 1x1 ìì). ÃÎÑÒ 12.4.026-76 [6].

5. Ïðè ìîíòàæå è ñáîðêå îáîðóäîâàíèÿ, êîòîðîå ïîäâåðæåíî êîëåáàíèÿì è âèáðàöèè, ïðèìåíÿòü àìîðòèçèðóþùèå ïðîêëàäêè, ïîãëîùàþùèå êîëåáàíèÿ. ÃÎÑÒ12.1.012-90 [4].

. Äëÿ ïðåäîòâðàùåíèÿ ñòîêà çàãðÿçí¸ííîé âîäû è å¸ èíòåíñèâíîãî, ïðèìåíÿþò öèêëè÷åñêîå îõëàæäåíèå.  äàííîì ñëó÷àå îñíîâíîé èñòî÷íèê çàãðÿçíåíèÿ âîäû - ïûëü ïîëèàìèäà. Îíà íå ÿâëÿåòñÿ òîêñè÷íîé. Î÷èñòêó ïðîèçâîäÿò ïóò¸ì óñòàíîâêè ïîðèñòûõ ôèëüòðîâ. Ðàçìåð óëàâëèâàåìûõ ÷àñòèö < 0,01 ìì.

. Åñòåñòâåííîå è èñêóññòâåííîå îñâåùåíèå äîëæíî ñîîòâåòñòâîâàòü òðåáîâàíèÿì ÑÍèÏ 23-05-79. Äëÿ ìåñòíîãî îñâåùåíèÿ ïðèìåíÿòü ñâåòèëüíèêè óñòàíîâëåííûå íà îáîðóäîâàíèè.

. Íåîáõîäèìî ñîáëþäåíèå ýðãîíîìè÷åñêèõ òðåáîâàíèé ñîãëàñíî ÃÎÑÒ 12.2.033-78 [13].

. Äëÿ çàùèòû îò âîçäåéñòâèÿ âûäåëÿåìûõ ïðè ïåðåðàáîòêå ëåòó÷èõ è ïûëè: ïðîâîäÿò äåãàçàöèþ ðàñïëàâà òåðìîïëàñòà íà ýòàïå ýêñòðóçèè; îòêà÷êà ãàçîâ è ïûëè ïðè ïîìîùè âûòÿæíûõ óñòðîéñòâ. ÑÍèÏ 2.04.05-86 [11].

Íåîáõîäèìî óñòàíîâèòü â ìåñòàõ íàèáîëüøåé çàïûë¸ííîñòè è çàãàçîâàííîñòè ìåñòíûå îòñîñû. Òàêèìè ìåñòàìè, êàê ïðàâèëî, ÿâëÿþòñÿ: ðàñòàðî÷íàÿ ìàøèíà, ðàáî÷åå ìåñòî äîçèðîâàíèÿ è âçâåøèâàíèÿ, çîíà ýêñòðóçèîííîé ãîëîâêè; ñîïëîâàÿ ÷àñòü ëèòüåâîé ìàøèíû è ó÷àñòîê ïåðåðàáîòêè îòõîäîâ.

Äëÿ î÷èñòêè âîçäóõà îò ïûëè ïðèìåíÿþò ïûëåóëîâèòåëü òèïà «Öèêëîí». Åñëè ñêîðîñòü âîçäóõà =2,5-3 ì/ñ, è êîëè÷åñòâî î÷èùàåìîãî âîçäóõà 4ì3/ñåê, òî îïòèìàëüíûé äèàìåòð öèëèíäðà ïûëåóëîâèòåëÿ áóäåò ðàâåí: Dy=0,8 ì, ïðè ñðåäíåé ñêîðîñòè 2,75 ì/ñ.

Âûñîòà êîðïóñà: Í = (1,5-2); Í= 1,2_1,6 ì. Óãîë, íåîáõîäèìûé äëÿ îïòèìàëüíîé ýôôåêòèâíîñòè î÷èñòêè, åñòü óãîë ìåæäó ãîðèçîíòàëüþ è íàïðàâëåíèåì ââåäåíèÿ ïûëè â ïûëåóëîâèòåëü, ðàâåí: á= 11°-20°;

Ïðîèçâîäèòåëüíîñòü ïûëåóëîâèòåëÿ: Qï= 14400 ì3/÷àñ.

Ýôôåêòèâíîñòü î÷èñòêè 0,83-0,95 ïðè ñðåäíåì äèàìåòðå ÷àñòèö 10 15 ìêì.

Ïðè âàêóóì äåãàçàöèè, íå ïðîðåàãèðîâàâøèé ìîíîìåð, èìåþùèéñÿ â ïîëèìåðå ïðè òåìïåðàòóðàõ ïîðÿäêà 200°Ñ íà÷èíàåò èñïàðåíèå è ñ ïîìîùüþ ñèñòåìû âàêóóìèðîâàíèÿ âûâîäèòñÿ èç öèëèíäðà ýêñòðóäåðà, ãäå êîíäåíñèðóåòñÿ.

Ïðè âàêóóìèðîâàíèè ðàñïëàâà ïîëèìåðà ýôôåêòèâíîñòü ïîãëîùåíèÿ ãàçîâ, ïàðîâ è ëåòó÷èõ äî 98%. Ïðè ýòîì óòå÷êè ëåòó÷èõ ñîåäèíåíèé 0,36 êã/÷àñ - ïîïàäàåò â ïîìåùåíèå öåõà. Åñëè ñ÷èòàòü ýôôåêòèâíîñòü âûòÿæíîé ñèñòåìû íà ðàáî÷åì ìåñòå ðàâíîé 70%, òî 1,28 êã/÷àñ - ïîïàäàåò â ïîìåùåíèå öåõà. Îñòàòîê ïûëè è ëåòó÷èõ ñîåäèíåíèé íåéòðàëèçóåòñÿ îáùåé ñèñòåìîé âåíòèëÿöèè.

4.2 Óñòîé÷èâîñòü ïðîèçâîäñòâà â ÷ðåçâû÷àéíûõ ñèòóàöèÿõ (×Ñ)

Òàáëèöà 4.4

Âëèÿíèå ôàêòîðîâ òåõíîëîãè÷åñêîãî ïðîöåññà, ñïîñîáñòâóþùèõ âîçíèêíîâåíèþ ×Ñ

ÔÀÊÒÎÐ

×Ñ

1. Çàïûë¸ííîñòü, óòå÷êà ëåòó÷èõ âåùåñòâ â ðåçóëüòàòå äåñòðóêöèè ïîëèìåðà, ïðè ýêñòðóçèè èëè ëèòüå ïîä äàâëåíèåì, óòå÷êà âçðûâîîïàñíûõ âåùåñòâ ïðè äåñòðóêöèè ïîëèàìèäà.

1. Îòðàâëåíèå ïàðàìè, îáñëóæèâàþùåãî ïåðñîíàëà. 2.Âçðûâ ãîðþ÷åé ñìåñè. 3. Ïîæàð.

2. Êîðîòêîå çàìûêàíèå ýëåêòðîïðîâîäêè è èñêðåíèå ýëåêòðè÷åñêèõ ÷àñòåé îáîðóäîâàíèÿ. 3. Ïîëîìêà óçëîâ îáîðóäîâàíèÿ.

1. Êîðîòêîå çàìûêàíèå. 2. Ïîæàð. 3. Âçðûâ, îòðàâëåíèå ïåðñîíàëà, óâå÷èÿ.


1. Îáùèå òðåáîâàíèÿ áåçîïàñíîñòè ê ïðîèçâîäñòâåííûì ïðîöåññàì îïðåäåëåíû ÃÎÑÒ 12.3.002-75 [5]. Ïðîèçâîäñòâåííîå îáîðóäîâàíèå äîëæíî ñîîòâåòñòâîâàòü òðåáîâàíèÿì ÃÎÑÒ 12.2.003-74 [9]

. Òðåáîâàíèÿ ê åñòåñòâåííîìó è èñêóññòâåííîìó îñâåùåíèþ äîëæíû óäîâëåòâîðÿòü íîðìàì è ïðàâèëàì ÑÍèÏ 23-05-95 [10] . Äëÿ îáùåãî îñâåùåíèÿ ïðîèçâîäñòâåííûõ ïîìåùåíèé ìåõàíè÷åñêèõ öåõîâ ðåêîìåíäóåòñÿ ïðèìåíÿòü ïðåèìóùåñòâåííî ëþìèíåñöåíòíûå ëàìïû òèïà ËÁ è ËÄ ñî ñâåòèëüíèêàìè òèïà ÎÄ è ÏÂË. Äëÿ ìåñòíîãî îñâåùåíèÿ äîëæíû èñïîëüçîâàòüñÿ ñâåòèëüíèêè ñ íåïðîñâå÷èâàþùèìè îòðàæàòåëÿìè ñ çàùèòíûì óãëîì íå ìåíåå 30°. Êðîìå òîãî äîëæíû áûòü ïðåäóñìîòðåíû ìåðû ïî ñíèæåíèþ îòðàæàòåëüíîé áë¸ñòêîñòè. ×èñòêà ñòåêîë, îêîííûõ ïðîåìîâ è ñâåòîâûõ ôîíàðåé äîëæíà ïðîèçâîäèòüñÿ íå ðåæå äâóõ ðàç â ãîä.

. Ïðåäåëüíûå âåëè÷èíû øóìà íà ðàáî÷èõ ìåñòàõ ðåãëàìåíòèðóþòñÿ ÃÎÑÒ 12.1.003-83 [3]. Ýòè íîðìû ïîñòðîåíû íà ïðèíöèïå ïðåäåëüíûõ ñïåêòðîâ (ïðåäåëüíî äîïóñòèìûõ óðîâíåé çâóêîâîãî äàâëåíèÿ â îêòàíîâûõ ïîëîñàõ ÷àñòîò), îäíàêî â ðÿäå ñëó÷àåâ äîïóñêàåòñÿ ïðèìåíåíèå óðîâíåé çâóêà â äÁ.

. Íåîáõîäèìî òàêæå ïðåäóñìîòðåòü ñðåäñòâà ïîæàðîáåçîïàñíîñòè â ñîîòâåòñòâèè ñ ÎÍÒÏ 24 - 86 [14]. Äëÿ òóøåíèÿ ïîæàðîâ âîäîé ïî ÃÎÑÒ 10.1.004-85 èñïîëüçóþòñÿ âíåøíèå è âíóòðåííèå òðóáîïðîâîäû, à â êà÷åñòâå ïåðâè÷íûõ ñðåäñòâ ïåííûå îãíåòóøèòåëè ÎÕÂÏ-10, óãëåêèñëîòíûå îãíåòóøèòåëè ÎÓ-2, ÎÓ-5.

. Ñîãëàñíî ÃÎÑÒ 12.1.005-88 [7] óñòàíàâëèâàåòñÿ êîìïëåêñ îïòèìàëüíûõ è äîïóñòèìûõ ìåòåîðîëîãè÷åñêèõ óñëîâèé äëÿ ðàáî÷åé çîíû ïîìåùåíèÿ, âêëþ÷àþùåé çíà÷åíèå òåìïåðàòóðû, îòíîñèòåëüíîé âëàæíîñòè è ñêîðîñòè äâèæåíèÿ âîçäóõà. Äëÿ êàòåãîðèè 16 - ëåãêèå ôèçè÷åñêèå ðàáîòû, ïðè êîòîðûõ ýíåðãî çàòðàòû ñîñòàâëÿþò 121-147Âò îïòèìàëüíûå íîðìû ïàðàìåòðîâ ìèêðîêëèìàòà ïðèâåäåíû â òàáëèöå 4.5.

Òàáëèöà 4.5

Îïòèìàëüíûå íîðìû òåìïåðàòóðû è ñêîðîñòè äâèæåíèÿ âîçäóõà â ðàáî÷åé çîíå ïðîèçâîäñòâåííûõ ïîìåùåíèé

Ïåðèîä ãîäà

Êàòåãîðèÿ ðàáîò 16

Îïòèìàëüíàÿ òåìïåðàòóðà, °Ñ

Îïòèìàëüíàÿ ñêîðîñòü äâèæåíèÿ, ì/ñ

Õîëîäíûé

Ëåãêàÿ

21-23

<0,1

Òåïëûé

Ëåãêàÿ

22-24

<0,2


Ôèçèîëîãè÷åñêè îïòèìàëüíîé âëàæíîñòüþ âîçäóõà â ðàáî÷åé çîíå ÿâëÿåòñÿ âëàæíîñòü â ïðåäåëàõ 40-60%.

Ðàöèîíàëüíàÿ îðãàíèçàöèÿ ðàáî÷åãî ìåñòà è îñíàùåíèå åãî âñïîìîãàòåëüíûìè óñòðîéñòâàìè â çíà÷èòåëüíîé ñòåïåíè ñïîñîáñòâóåò ïîâûøåíèþ áåçîïàñíîñòè òåõíîëîãè÷åñêîãî ïðîöåññà.

Âîçäóõ ðàáî÷åé çîíû

 óñëîâèÿõ ïðîèçâîäñòâà ïîëèìåðíûõ ìàòåðèàëîâ èõ îáðàáîòêè è ïðîèçâîäñòâà èçäåëèé áîëüøîå çíà÷åíèå, ñ òî÷êè çðåíèÿ çàãðÿçíåíèÿ âîçäóõà ðàáî÷åé çîíû èìåþò ðàçíîîáðàçíûå ïûëè âçâåøåííûå â âîçäóõå ÷àñòèöû òâåðäûõ âåùåñòâ.

Îñíîâíûì ïàðàìåòðîì, îãðàíè÷èâàþùèì ñîäåðæàíèå âðåäíûõ ïðèìåñåé â âîçäóõå ðàáî÷åé çîíû ÿâëÿþòñÿ èõ ïðåäåëüíî äîïóñòèìûå êîíöåíòðàöèè ÏÄÊ. Âñå âðåäíûå âåùåñòâà ðàáî÷åé çîíû è òðåáîâàíèÿ áåçîïàñíîñòè ðåãëàìåíòèðîâàíû ÃÎÑÒ 12.1.007-76.[9]

 ñîîòâåòñòâèè ñ òðåáîâàíèÿìè ÑÍèÏ 2.04.05-86 [11] âîðîòà, äâåðè è òåõíîëîãè÷åñêèå ïðîåìû äîëæíû áûòü îáîðóäîâàíû âîçäóøíûìè è âîçäóøíî-òåïëîâûìè çàâåñàìè.

Äëÿ ñíÿòèÿ ñòàòè÷åñêîãî ýëåêòðè÷åñòâà ïûëåïðèåìíèêè è âîçäóõîâîäû âåíòèëÿöèîííûõ óñòàíîâîê äîëæíû èìåòü çàçåìëåíèå ïî ÃÎÑÒ 12.1.030-81[12].

Âåíòèëÿöèÿ

Ïîìåùåíèÿ â öåõàõ è íà ó÷àñòêàõ îáðàáîòêè äëÿ îáåñïå÷åíèÿ ÷èñòîòû âîçäóõà è íîðìàëèçàöèè ïàðàìåòðîâ ìèêðîêëèìàòà äîëæíû áûòü îáåñïå÷åíû ìåñòíîé âåíòèëÿöèåé (âûòÿæíûå øêàôû, çîíòû, îòñàñûâàþùèå óñòðîéñòâà) äëÿ óäàëåíèÿ âðåäíûõ âåùåñòâ èç çîíû îáðàáîòêè (ïûëè, ìåëêîé ñòðóæêè è àýðîçîëåé ÑÎÆ), à òàêæå äîëæíà áûòü ïðåäóñìîòðåíà îáùåîáìåííàÿ ñèñòåìà âåíòèëÿöèè. Ïðèòî÷íî-âûòÿæíàÿ ñèñòåìà ìåõàíè÷åñêîé âåíòèëÿöèè, îáåñïå÷èâàåò áîëåå óñòîé÷èâûé ðåæèì îáùåãî îáìåíà âîçäóõà ïî ñðàâíåíèþ ñ àýðàöèåé. Äëÿ âûòÿæêè âîçäóõà èç íåáîëüøèõ ïîìåùåíèé, à òàêæå â òåõ ñëó÷àÿõ, êîãäà íåò âîçìîæíîñòè óñòðîèòü àýðàöèîííûå ôîíàðè, èñïîëüçóþò äåôëåêòîðû. Ïðîñòîé ïî êîíñòðóêöèè è íàèáîëåå ñîâðåìåííûé â àýðîäèíàìè÷åñêîì îòíîøåíèè êðóãëûé äåôëåêòîð ÖÀÃÈ (ðèñóíîê. 4.1). Ðàçìåðû äåôëåêòîðà äàíû â äîëÿõ äèìåòðà øàõòû.

Ðèñóíîê 4.1 -Äåôëåêòîð

- øàõòà äåôëåêòîðà; 2 - äèôôóçîð; 3- îáå÷àéêà äåôëåêòîðà;4 - êîíóñ, çàùèùàþùèé îò çàäóâàíèÿ âíóòðü äåôëåêòîðà; 5 - çàùèòíûé êîëïàê. Ä1 = 1,25Ä; Í = 1,2Ä; H1= Ä; Í2 = 0,7Ä; âíóòðü äåôëåêòîðà; 5 - çàùèòíûé êîëïàê.

Òàáëèöà 4.6

Âîñïëàìåíÿåìîñòü âåùåñòâ, âûäåëÿåìûõ â òåõíîëîãè÷åñêîì ïðîöåññå

¹ ï/ï

Íàèìåíîâàíèå âåùåñòâà

Àãðåãàòíîå ñîñòîÿíèå

Òåìïåðàòóðà, °Ñ

Ïðåäåëüíàÿ êîíöåíòðàöèÿ




Âñïûøêè

Âîñïëàìåíåíèÿ

Ñàìî-âîñïëàìåíåíèÿ

ÏÄÊ, ìã/ì3

1

ÏÀ-6,6

Òâ¸ðäîå âåùåñòâî



560

25,0

2

Ò1Î2

òâ¸ðäîå



800

20,0

3

Ìî52

ïîðîøîê



1200

22,0

4

Òðèõëîðâèíèë ñóëüôàò

ïîðîøîê



1600

20,0

5

Ñòåîðàò êàëüöèÿ

ïîðîøîê



825

17,6

6

Ìîíîìåðû ÏÀ

-

450


650

15,0


4.3 Ïðîìûøëåííàÿ ýêîëîãèÿ

Ïðîâåäåíèå ýêîëîãè÷åñêîé ýêñïåðòèçû

À) ïðè ïåðâîì òåõíîëîãè÷åñêîì ïðîöåññå:

Ïîÿñíåíèå:

À) Òåõíîëîãè÷åñêèé ïðîöåññ ãðàíóëèðîâàíèÿ è ñòåêëîíàïîëíåíèÿ

Á) Òåõíîëîãè÷åñêèé ïðîöåññ ïðîèçâîäñòâà ëèòüåâûõ èçäåëèé ðàññìîòðåí íà ïðèìåðå èçäåëèÿ «êîðîìûñëî» ìàññà=40ãð.

Ýêñïåðòèçà âûïîëíåíà èç ðàñ÷¸òà íà 1 èçäåëèå.

Ðàçðàáîòêà ìåð ýêîëîãè÷åñêîé çàùèòû îêðóæàþùåé ñðåäû îò âûáðîñîâ ÒÏ

 òåõíîëîãè÷åñêîì ïðîöåññå íàïîëíåíèÿ ïîëèìåðà ñòåêëîâîëîêíîì, ãðàíóëèðîâàíèÿ, ïðîèçâîäñòâà èçäåëèé è ïðèãîòîâëåíèÿ ãðàíóëÿòà, âûäåëÿþùèåñÿ âåùåñòâà ñîáèðàþòñÿ:

. Ìåñòíûìè îòñîñàìè âûòÿæíîé âåíòèëÿöèè;

. Âàêóóì íàñîñàìè èç ìàòåðèàëüíûõ öèëèíäðîâ ýêñòðóäåðà è ëèòüåâûõ ìàøèí;

. Îáùå îáìåííîé âåíòèëÿöèåé.

 ðàçðàáàòûâàåìîì òåõíîëîãè÷åñêîì ïðîöåññå ïðåäïîëàãàåòñÿ îñíîâíóþ ÷àñòü âðåäíûõ âûáðîñîâ îáåçâðåäèòü ñ ïîìîùüþ ñèñòåì ïûëå óëîâëåíèÿ - «Öèêëîí», ñèñòåì òåðìîîáåçâðåæèâàíèÿ, à òàêæå ïðè èñïîëüçîâàíèè àäñîðáöèîííîãî ìåòîäà êàòàëèòè÷åñêîãî îêèñëåíèÿ. Îñòàâøèåñÿ â âîçäóõå ÷àñòèöû âûáðîñîâ ëåòó÷èõ è ïûëè, êîíöåíòðàöèÿ êîòîðûõ íèæå ÏÄÊ, ðàññåèâàþòñÿ â àòìîñôåðå.

Ðàññåèâàíèå âðåäíûõ âûáðîñîâ â àòìîñôåðó äîëæíî ó÷èòûâàòü äîïóñòèìóþ êîíöåíòðàöèþ âðåäíûõ âåùåñòâ â ïðèçåìíîì ñëîå: ñóììà âûáðîñîâ, ïîäëåæàùèõ ðàññåèâàíèþ â ïðèçåìíîì ñëîå íå äîëæíà ïðåâûøàòü ÏÄÊ [19]. Êàêèå áû ìåòîäû î÷èñòêè íå ïðèìåíÿëèñü, ïîëíîñòüþ î÷èñòèòü ãàçîâûé âûáðîñ îò âðåäíûõ âêëþ÷åíèé íå óäà¸òñÿ.

Íà ðàñïðåäåëåíèå âðåäíûõ âûáðîñîâ â àòìîñôåðå îêàçûâàåò âëèÿíèå ñîñòîÿíèå àòìîñôåðû, ôèçè÷åñêèå ñâîéñòâà âûáðîñîâ, âèä è ôîðìà òðóáû, äèàìåòð òðóáû, îñîáåííîñòè ìåñòíîñòè.

Ìèíèìàëüíàÿ âûñîòà âûòÿæíîé òðóáû - ýòî âûñîòà âûáðîñà âðåäíûõ âåùåñòâ ïðè Ò âûáðîñà >Ò îêðóæ.

Äëÿ îáåçâðåæèâàíèÿ çàãðÿçí¸ííîãî âîçäóõà ïðè ïåðåðàáîòêå ïëàñòìàññ ðåêîìåíäóåòñÿ [19] ïðèìåíÿòü ñëåäóþùèå ìåòîäû è òèïû îáîðóäîâàíèÿ:

Ñóõèå ïûëåóëîâèòåëè, Ê íèì îòíîñÿòñÿ âñå àïïàðàòû, â êîòîðûõ

îòäåëåíèå ÷àñòèö ïðèìåñåé îò âîçäóøíîãî ïîòîêà ïðîèñõîäèò ìåõàíè÷åñêèì ïóò¸ì, çà ñ÷¸ò ñèë èíåðöèè è ãðàâèòàöèè.

 ðàçäåëå áûë ïðîèçâåä¸í ðàñ÷¸ò ðàçìåðîâ è ïðîèçâîäèòåëüíîñòü òðàäèöèîííîãî ïûëåóëîâèòåëÿ - «Öèêëîí», øèðîêî ðàñïðîñòðàí¸ííîãî â õèìè÷åñêîé ïðîìûøëåííîñòè.

Ïî äàííûì ïðåäûäóùèõ ðàñ÷¸òîâ:

Dö=0,8 ì ïðè ñî=2,5-3 ì/ñ;

Í= 1,2_1,6 ì, äëÿ î÷èñòêè 4ì3/ñ;

H=(1,5-2)Dö;

Dâí= 0,6·Dö,

íèæå ïîêàçàíà ñõåìà ïûëåóëîâèòåëÿ:

Ðèñóíîê 4.2 - Ñõåìà ïûëåóëîâèòåëÿ «Öèêëîí»: 1 - êîðïóñ; 2 - ïàòðóáîê; 3 - âõîäíîé ïàòðóáîê; 4 - ïûëåñáîðíèê

Ïîòîê ïûëè è ãàçà ïîïàäàåò â ïàòðóáîê-2 òàíãåíöèàëüíî (ïî êàñàòåëüíîé) ê âíóòðåííåé ïîâåðõíîñòè êîðïóñà-1 è ñîâåðøàåò âðàùàòåëüíî-ïîñòóïàòåëüíîå äâèæåíèå âäîëü ñòåíîê êîðïóñà. ×àñòèöû ïûëè îáðàçóþò íà ñòåíêàõ êîðïóñà ïûëåâîé ñëîé, êîòîðûé îïóñêàåòñÿ ïîä äåéñòâèåì ñèë òÿæåñòè. Î÷èùåííûé îò ïûëè ãàçîâûé ïîòîê ïîêèäàåò ïûëåóëîâèòåëü, ÷åðåç âõîäíîé ïàòðóáîê-3.

Êðîìå òîãî, äëÿ î÷èñòêè ãàçîâ ýôôåêòèâíî èñïîëüçîâàòü ôèçèêî-õèìè÷åñêèå ìåòîäû î÷èñòêè, îñíîâàííûå íà ïîãëîùåíèè ãàçîâ èëè ïàðîâ òâ¸ðäûìè èëè æèäêèìè ïîãëîòèòåëÿìè ñ îáðàçîâàíèåì íîâûõ õèìè÷åñêèõ ñîåäèíåíèé, óòèëèçèðóåìûõ ïîñëå î÷èñòêè âîçäóõà [19].

Êàòàëèòè÷åñêîå îêèñëåíèå âîçäóõà çàêëþ÷àåòñÿ â íàãðåâàíèè çàãðÿçí¸ííîãî âîçäóõà äî 300-500°Ñ è ïðîïóñêàíèå åãî ÷åðåç ñèñòåìó êàòàëèçàòîðîâ â ïðèñóòñòâèè êîòîðûõ îðãàíè÷åñêèå âåùåñòâà îêèñëÿþòñÿ â ÑÎ2.

Àäñîðáöèîííûå ìåòîäû ïðèìåíÿþòñÿ äëÿ óëàâëèâàíèÿ è ñãóùåíèÿ, íèçêî êîíöåíòðèðóþùèõ âûáðîñîâ (0,1-1 ìã/ì3) ñ ïîñëåäóþùåé èõ äåñîðáöèåé äûìîâûìè ãàçàìè.  ýòîì ñëó÷àå ïðîèñõîäèò êîíöåíòðàöèÿ ïðèìåñåé íà ïîâåðõíîñòè àäñîðáåíòà, â êà÷åñòâå êîòîðîãî ïðèìåíÿþò àêòèâèðîâàííûé óãîëü, àëþìîãåëè, ñèëèêîãåëè. Çà ñ÷¸ò óìåíüøåíèÿ îáú¸ìà çàãðÿçí¸ííîãî âîçäóõà óâåëè÷èâàåòñÿ âîçìîæíîñòü êðóãëîñóòî÷íîãî èñïîëüçîâàíèÿ âîçäóõà â êîòåëüíûõ èëè ÒÝÖ.

Òàêæå øèðîêî ïðèìåíÿåòñÿ ìåòîä òåðìè÷åñêîé íåéòðàëèçàöèè - ìåòîä äîæèãàíèÿ. Âûáîð ñõåìû äîæèãàíèÿ çàâèñèò îò òåìïåðàòóðû ãàçîâ, êîëè÷åñòâà ïðèìåñåé â ãàçàõ, îò êîíöåíòðàöèè â í¸ì ÑÎ2. Åñëè ãàçû èìåþò âûñîêóþ òåìïåðàòóðó, òî ïðîöåññ ïðîèñõîäèò â áóíêåðå, ïóò¸ì ïîäìåøèâàíèÿ ñâåæåãî âîçäóõà.

 ñâÿçè ñ òåì, ÷òî ïðåäåëüíî äîïóñòèìûå êîíöåíòðàöèè çàãðÿçíåíèÿ âîä ðåãëàìåíòèðóþòñÿ ïðè ïðîåêòèðîâàíèè, íåîáõîäèìî ó÷èòûâàòü è ïðåäóñìàòðèâàòü ñïåöèàëüíûå ðåøåíèÿ äëÿ î÷èñòêè âîäû. Ê èõ ÷èñëó îòíîñÿòñÿ:

- íåéòðàëèçàöèÿ êèñëûõ âîä;

- ðàçáàâëåíèå ñòîêîâ äî ÏÄÊ;

- òåðìîîáåçâðåæèâàíèå îòõîäîâ íà ñïåöèàëüíûõ óñòàíîâêàõ.

 äàííîì ïðîèçâîäñòâå ïðåäëàãàþ èñïîëüçîâàòü çàâîäñêèå îòñòîéíèêè âîäû, ïðåäâàðèòåëüíî ïðîôèëüòðîâàííûå âîäû ìîãóò áûòü ðàçáàâëåíû, à êîíöåíòðèðîâàííûå çàãðÿçí¸ííûå âîäû ïîäëåæàò îòñòàèâàíèþ.

Âûâîäû:  ðàçäåëå ïðîâåäåí àíàëèç îïàñíûõ è âðåäíûõ ôàêòîðîâ è âîçìîæíûõ ×Ñ, âîçíèêàþùèõ â ïðîöåññå èçãîòîâëåíèÿ äåòàëåé. Ðàçðàáîòàíû ìåðû ïî çàùèòå îò îïàñíûõ è âðåäíûõ ôàêòîðîâ, ìåðû ïðåäîòâðàùåíèÿ ×Ñ. Äàíà ýêîëîãè÷åñêàÿ õàðàêòåðèñòèêà ïðîåêòèðóåìîãî ó÷àñòêà, ïðåäëîæåíû ìåðîïðèÿòèÿ ïî çàùèòå îêðóæàþùåé ñðåäû.

5. Îðãàíèçàöèîííî-ýêîíîìè÷åñêèé ðàçäåë

 äàííîì ïðîåêòå ìîäåðíèçàöèè ïîäâåðãàåòñÿ áàçîâûé ìàòåðèàëüíûé öèëèíäð ýêñòðóäåðà, ïîäâåðæåííûé èíòåíñèâíîìó èçíîñó ïðè êîíòàêòå ñî ñòåêëîâîëîêíîì. Ïðåäïîëàãàåòñÿ ïðîâåñòè àçîòèðîâàíèå âíóòðåííåé ïîâåðõíîñòè ìàòåðèàëüíîãî öèëèíäðà äëÿ ïðåäîòâðàùåíèÿ èçíîñà, à òàêæå âûïîëíèòü ñáîðíóþ êîíñòðóêöèþ íà îñíîâå ñàìîââèí÷èâàþùèõñÿ è öåíòðèðóþùèõñÿ âòóëîê.  ñëó÷àå èçíîñà, çàìåíÿåòñÿ ïîâðåæä¸ííàÿ âòóëêà. Ïðè ïåðåðàáîòêå ñòåêëîíàïîëíåííûõ òåðìîïëàñòîâ â çîíå ðàñïëàâà (250°Ñ) âûäåëÿåòñÿ èíòåíñèâíûé ïîòîê ëåòó÷èõ ìîíîìåðîâ è íèçêîìîëåêóëÿðíûõ âåùåñòâ, äëÿ ýòîãî ïðåäóñìîòðåí óçåë äåãàçàöèè â ñåêöèÿõ ïðèëåãàþùèõ íåïîñðåäñòâåííî ê ðàñïëàâó. Òàêèì îáðàçîì, óäà¸òñÿ ñ ïîìîùüþ âàêóóìíîãî íàñîñà âûêà÷àòü äî 93% âðåäíûõ è íåíóæíûõ âåùåñòâ. Ýòî äà¸ò íåïëîõîé ýôôåêò íå òîëüêî äëÿ óëó÷øåíèÿ êà÷åñòâà àðìèðîâàííîãî ãðàíóëÿòà, íî è áîëüøîé ýêîíîìè÷åñêèé ýôôåêò, ïîâûøàåò ñðîê ñëóæáû îáîðóäîâàíèÿ.

5.1 Òåõíèêî-ýêîíîìè÷åñêîå îáîñíîâàíèå ïðîåêòèðîâàíèå è èçãîòîâëåíèÿ

Ïî ñòåïåíè íîâèçíû, ïðîåêòèðóåìûé óçåë îòíîñèòñÿ êî 2-îé êàòåãîðèè è ïðåäñòàâëÿåò ñîáîé ìîäèôèêàöèþ áàçîâîãî îäíîøíåêîâîãî ýêñòðóäåðà äëÿ ïåðåðàáîòêè ñòåêëîíàïîëíåííûõ òåðìîïëàñòîâ, ñ èçìåíåíèåì êîíñòðóêöèè ìàòåðèàëüíîãî öèëèíäðà. Ïî ñòåïåíè ñëîæíîñòè - ýòî îáúåêò ñ ïðîñòîé êèíåìàòèêîé è íåðåãóëèðóåìûìè ïðèâîäàìè.

Òðóäî¸ìêîñòü ðàçðàáîòêè òåõíè÷åñêîãî çàäàíèÿ = 32 ÷åë/÷àñîâ.

Òðóäî¸ìêîñòü ýñêèçíîãî ïðîåêòà íå îïðåäåëÿåòñÿ.

Ïðîöåññ ïðîåêòèðîâàíèÿ - äâóõñòàäèéíûé

Òðóäî¸ìêîñòü òåõíè÷åñêèõ ïðîåêòîâ îïðåäåëÿåòñÿ óìíîæåíèåì óêðóïí¸ííûõ íîðìàòèâîâ [18] íà êîëè÷åñòâî óñëîâíûõ äåòàëåé. Îáúåêò ðàçáèâàåòñÿ íà íîðìàëèçîâàííûå, óíèôèöèðîâàííûå è ïîêóïíûå óçëû, à òàêæå íà óçëû, êîíñòðóêöèÿ êîòîðûõ ðàçðàáàòûâàåòñÿ â ïðîöåññå ïðîåêòèðîâàíèÿ. Ñ ó÷¸òîì êîëè÷åñòâà äåòàëåé, âõîäÿùèõ â íèõ. Äëÿ ýòîãî îíè ðàçáèâàþòñÿ íà ñëåäóþùèå ãðóïïû:

- ïîêóïíûå äåòàëè, äåòàëè âõîäÿùèå â óçåë;

íîðìàëèçîâàííûå è óíèôèöèðîâàííûå äåòàëè;

ëèòûå, ñâàðíûå äåòàëè ñ ó÷¸òîì ìàòåðèàëà è ìàññû;

îðèãèíàëüíûå äåòàëè.

Îïðåäåëåíèå ïëàíîâîé òðóäî¸ìêîñòè îñóùåñòâëÿåòñÿ ñ ó÷¸òîì ôàêòîðîâ íîâèçíû è ñëîæíîñòè ïî êëàññèôèêàöèè èçëîæåííîé â[18].

 òàáëèöå 5.1 ïðåäñòàâëåí ïåðåâîä äåòàëåé è óçëîâ ìîäèôèöèðóåìûõ ñåêöèé ìàòåðèàëüíîãî öèëèíäðà â óñëîâíûå äåòàëè, è îïðåäåëåíèå òðóäî¸ìêîñòè ðàçðàáîòêè òåõíè÷åñêîãî è ðàáî÷åãî ïðîåêòîâ, ãäå:

À - ïðîñòûå óçëû è äåòàëè, òèïà âòóëîê, îñåé ;

Á - óçëû ñ ïðîñòîé êèíåìàòèêîé, âàëû, øêèâû.

Òðóäî¸ìêîñòü ïîñëåäóþùèõ ýòàïîâ èñïûòàíèé îïðåäåëÿåòñÿ ïî ôîðìóëå:

Òi=(Òð+Òm)Ãñ·Êci

ãäå Òi, Òð, Òm - ñîîòâåòñòâåííî òðóäî¸ìêîñòü 1 - îãî ýòàïà èñïûòàíèé

Ãñ - êàòåãîðèÿ ñëîæíîñòè ïðîåêòà Êci - êîýôôèöèåíò òðóäîâûõ çàòðàò 1-îãî ýòàïà. Òàê êàê â ïðîåêòå îáúåêò ñ ïðîñòîé êèíåìàòèêîé, ïðîåêòèðóåòñÿ äâóõñòàäèéíî, ïðè÷¸ì òðóäî¸ìêîñòü òåõíî-ðàáî÷åãî ïðîåêòà îïðåäåëÿåòñÿ èç ïîëíîé òðóäî¸ìêîñòè òåõíè÷åñêîãî +50% ðàáî÷åãî ïðîåêòîâ:

tòåõ-ðàá=tm+tpàá·0,5

tòåõ-ðàá=1113,7/2+340,2=901,55Í/÷àñ

Ó÷àñòèå â îòëàäêå îïûòíîãî îáðàçöà:

Êñ1=0,012 Ò1=901,55·0,012·1 = 10,8186 Í/÷àñ

Ëàáîðàòîðíûå èñïûòàíèÿ:

Êñ2=0,01 Ò2=901,55·0,01=9,0155 Í/÷àñ

Èñïûòàíèÿ íà íà䏿íîñòü:

ÊñÇ=0,014 ÒÇ=901,55·0,014=12,621 Í/÷àñ

Ýêñïëóàòàöèîííûå èñïûòàíèÿ:

Êc4=0,01 Ò4=901,55·0,01=9,0155 Í/÷àñ

Êîððåêòèðîâêà òåõíè÷åñêîé äîêóìåíòàöèè:

Êñ5=0,024 Ò5=901,55·0,024=21,637 Í/÷àñ

Îáùàÿ òðóäî¸ìêîñòü ðàáîò ïî ïðîåêòèðîâàíèþ:

Å0=Åòåõ-ðàá+Òì-ð+Ò1+Ò2+ÒÇ+Ò4+Ò5

Òîáùàÿ=996,658Í/÷àñ.

Òàáëèöà 5.1

Ïåðåâîä äåòàëåé è óçëîâ ïðîåêòèðóåìîãî îáîðóäîâàíèÿ â óñëîâíûå äåòàëè è îïðåäåëåíèå òðóäîåìêîñòè

¹ ïï

Ãðóïïà äåòàëåé è óçëîâ, ïðèìåíÿåìûõ ê êîíñòðóêöèè

Ïåðå÷åíü äåòàëåé è óçëîâ äàííîé ãðóïïû

Êîýôô. ïåðåâîäà â óñë. äåòàëè

Êîë-âî óñëîâíûõ äåòàëåé

Êîë-âî óñë. äåòàëåé ïî ãðóïïàì

Ãðóïïà íîâèçíû

Ãðóïïà ñëîæíîñòè

Òðóäî¸ìêîñòü ðàçðàáîòêè, íîðìî-÷àñ









Òåõíè÷åñêîãî ïðîåêòà

Ðàáî÷åãî ïðîåêòà









1 óñë. äåòàëè

âñåãî

1 óñë. äåòàëè

âñåãî

1

Íîðìàëèçîâàííûé óçåë











2

Óíèôèöèðîâàííûé óçåë ñ ÷èñëîì äåòàëåé à) äî50 á)äî 100

ÀÎ Ñåêöèÿ öèëèíäðà 2

8

8


1

à

1,1

8,8

3,5

28



Ôëàíåö 2

8

16


1

à

1.1

17,6

3,5

56



êîëüöî

8

16


1

à

1,1

17,6

3,5

56



îáîäîê

8

8


1

à

1.1

8,8

3,5

28



ðóáàøêà

8

8


1

à

1,1

8,8

3,5

28



20 ñåêöèÿ çîíû çàãðóçêè 2

8

8

112

1

à

1,1

8,8

3,5

28



Ôëàíåö 2

8

16


1

à

1,1

17,6

3,5

56



Êîðïóñ 1

8

8


1

à

1,1

8,8

3,5

28



Âòóëêà 1

8

8


1

à

1,1

8,8

3,5

28



Óïîðíàÿ âòóëêà

8

8


1

à

1,1

8,8

3,5

28



ðóáàøêà

8

8


1

à

1,1

8,8

3,5

28

3

Ïîêóïíûå äåòàëè è óçëû

øòèôòû

0,5

31


1

à

1,1

34,1

3,5

108,5



áîëòû

0,5

48


1

à

1,1

52,8

3,5

168



ãàéêè

0,5

48


1

à

1,1

52,8

3,5

168



âèíòû

0,5

4

186

1

à

4,4

3,5

14



øàéáû

0,5

52


1

à

1,1

57,2

3,5

182



îñè

0,5

1


1

à

1,1

1,1

3,5

3,5



êðîíøòåéíû

0,5

2


1

à

1,1

2,2

3,5

7,0

4

Íîðìàëèçîâàííûå è óíèôèöèðîâàííûå äåòàëè

Ôëàíåö 1

3


1

à

1,1

3,3

3,5

10,5



Ôëàíåö ñîåäèíèòåëüíûé

0,5

0,5

4

1

à

1,1

0,55

3,5

1,75

5

Îðèãèíàëüíûå äåòàëè

Âòóëêà èçíîñîñòîéêàÿ 1

1,0

2


1

à

1,1

2,2

3,5

7



Âòóëêà èçíîñîñòîéêàÿ 2

1,0

2


1

à

1,1

2,2

3,5

7



Ñåêöèÿ öèëèíäðà 1

1,0

2


1

à

1,1

2,2

3,5

7



êðûøêà

1,0

1


2

á

1,9

1,9

3,9

3,9



Ðîëèê íàïðàâëÿþùèé

1,0

1


1

à

1,1

1,1

3,5

3,5



Ñåêöèÿ ïåðåõîäíàÿ

1,0

1


2

à

1,9

1,9

3,9

3,9



ïðîêëàäêà

1,0

1


1

à

1,1

1,1

3,5

3,5



Ñåêöèÿ çîíû çàãðóçêè 1

1,0

1


2

á

1,9

1,9

3,9

3,9

6

Ëèòûå è ñâàðíûå äåòàëè è óçëû âåñîì äî 20 êã è áîëåå











ÈÒÎÃÎ:

340,2


1113,7


Òàáëèöà 5.2

Çàòðàòà íà çàðàáîòíóþ ïëàòó ïðîåêòèðîâùèêîâ

¹

Ýòàï ðàáîòû

ñóììàðíàÿ òðóäî¸ìêîåìòü Í/÷àñ

Êàòåãîðèÿ ðàáîòàþùèõ

ìåñÿ÷íûé îêëàä, òûñ. ðóá.

Òðóäî¸ìêîñòü ïî êàòåã. ðàáîòàþùèõ

Çàíÿòîñòü (÷åë. â ìåñÿö)

Çàòðàòû íà îñíîâíóþ çàðïëàòó

1

Ðàçðàáîòêà òåõíè÷åñêîãî Çàäàíèÿ

32

Ãëàâíûé êîíñòðóêòîð

20

7,5

0,045

900




Ãëàâíûé òåõíîëîã

20

7,5

0,045

900




Èíæåíåð êîíñòðóêòîð

16

7,5

0,045

720




Èíæåíåð òåõíîëîã

16

7,5

0,045

720




Îïåðàòîð ÝÂÌ

8

2

0,012

96

2

Ðàçðàáîòêà òåõíîðàáî÷åãî ïðîåêòà -

901,55

Ãëàâíûé êîíñòðóêòîð

20

250

1,515

30300




Èíæåíåð êîíñòðóêòîð 1

16

300

1,818

29088




Èíæåíåð êîíñòðóêòîð2

16

250

1,515

24240




Èíæåíåð êîíñòðóêòîðÇ

14

80

0,484

6776




Îïåðàòîð ÝÂÌ

8

21,55

0,13

1040

3

Ó÷àñòèå â îòëàäêå îïûòíîãî îáðàçöà

41,47

Èíæåíåð êîíñòðóêòîð 1

16

10

0,06

960




Èíæåíåð èñïûòàòåëü

13

20

0,12

1560




Òåõíèê1

9

5

0,03

270




Èíæåíåð òåõíîëîã 1

16

5

0,03

480




Ìàñòåð-êîíòðîëë¸ð

10

1,47

0,0089

89

4

Êîððåêòèðîâêà ïî òåõíè÷åñêîé äîêóìåíòàöèè

21,63

Ãëàâíûé êîíñòðóêòîð

20

5

0,03

600




Èíæåíåð êîíñòðóêòîð I

16

5

0,03

480




Èíæåíåð êîíñòðóêòîð2

16

5

0,03

480




Èíæåíåð êîíñòðóêòîðÇ

14

5

0,03

420




×åðò¸æíèê

8

3,63

0,022

176

Èòîãîâûé ðåçóëüòàò

996,65



996,65


100295



Ñóììà çàòðàò íà îñíîâíóþ çàðàáîòíóþ ïëàòó:

ÓÇ0=100294 òûñ. ðóá. ïðè Ôäî=165 ÷àñ/ìåñÿö

Îáùèå çàòðàòû íà ïðîåêòèðîâàíèå (Åïð):

Åïð=30+Çä+Îñ+Åê+Åì (5.2)

ãäå Ç0- çàòðàòû íà îñíîâíóþ çàðàáîòíóþ ïëàòó;

Çä - çàòðàòû íà äîïîëíèòåëüíóþ çàðàáîòíóþ ïëàòó-

Çä=0,2·30

Îñ- îò÷èñëåíèÿ íà ñîöèàëüíûå íóæäû

Îñ=0,336·(30+Çä)

Åê - êîñâåííûå ðàñõîäû

Åê=Êê·30/100 (Êê=60%)

Åì - ìàòåðèàëüíûå çàòðàòû, ñâÿçàííûå ñ ïðîåêòíûìè è ýêñïëóàòàöèîííûìè ðàáîòàìè-

Åì=0,03·30

Åì=0,03·100294=3008,85 ðóá.

Åê=60·100294/100=60177 ðóá.

Çä=0,2·100294=20059 ðóá.

Îñ=0,356·(100294+20059)=42845.67ðóá.

Òàáëèöà 5.3

Ñìåòà çàòðàò íà ïðîåêòèðîâàíèå ìàòåðèàëüíîãî öèëèíäðà ýêñòðóäåðà

¹

Íàèìåíîâàíèå ñòàòüè çàòðàò

Ñóììàðíûå çàòðàòû, ðóá.

1 2 3 4 5

Çàðïëàòà îñíîâíàÿ Çàðïëàòà äîïîëíèòåëüíàÿ Îò÷èñëåíèÿ íà ñîöèàëüíûå íóæäû Êîñâåííûå ðàñõîäû Çàòðàòû, ñâÿçàííûå ñ ïðîåêòíûìè è ýêñïåðèìåíòàëüíûìè ðàáîòàìè

100294 20059 42845.67 60177 3008.85



Èòîãî: 166207,62ðóá.


Çàòðàòû íà èçãîòîâëåíèå è âíåäðåíèå îáîðóäîâàíèÿ

Çàòðàòû íà èçãîòîâëåíèå è âíåäðåíèå îáîðóäîâàíèÿ ñêëàäûâàþòñÿ èç çàòðàò íà îñíîâíûå è âñïîìîãàòåëüíûå ìàòåðèàëû, ïîêóïíûå êîìïëåêòóþùèå è ïîëóôàáðèêàòû, ñîäåðæàíèå è ýêñïëóàòàöèþ îáîðóäîâàíèÿ, èñïîëüçóåìîãî ïðè èçãîòîâëåíèè, çàðïëàòó ðàáî÷èì, öåõîâûå çàòðàòû.

Çàòðàòû íà îñíîâíûå ìàòåðèàëû:

Åìî=Ó(Qmi·Ömi·Êòç·Êði-Q0i·Ö0i),

Ãäå:Êð| - ÷èñëî âèäîâ ìàòåðèàëîâ èñïîëüçóåìûõ â ïðîåêòèðóåìîì îáîðóäîâàíèè;

Qmi,Qîi- ìàññà äåòàëåé è ðåàëèçóåìûõ îòõîäîâ ïî êàæäîìó âèäó ìàòåðèàëîâ, êã;

Ömi,Öîi- îïòîâàÿ öåíà äëÿ ìàòåðèàëîâ è ñðåäíÿÿ öåíà èõ îòõîäîâ;

Êòç - êîýôôèöèåíò òðàíñïîðòíî-çàãîòîâèòåëüíûõ ðàñõîäîâ

(Êòç=1,01-1,02)

Êði - êîýôôèöèåíò, ó÷èòûâàþùèé îòõîäû ìàòåðèàëîâ ïðè ïåðåðàáîòêå.

Íåîáõîäèìûå ìàòåðèàëû,

. Öèëèíäðè÷åñêèå ñåêöèè öèëèíäðà, 8 øòóê ïî 44êã èç ÑÒ45

Ö=35ðóá/êã, Kp=1,4

. Ãèëüçû öèëèíäðà, 4 øòóêè ïî 23 êã èç ÑÃ45

Ö=35ðóá/êã Êð=1,4

. Ðóáàøêà öèëèíäðà, 8 øòóê ïî 3,5 êã èç ÑÒ20

Ö=32ðóá/êã Êð=1,4

Òàáëèöà 5.4

Âåäîìîñòü çàòðàò íà ìàòåðèàëû

¹

Ìàðêà ìàòåðèàëà

Ìàññà ìàòåðèàëà, êã

Íîðìà ðàñõîäà, êã

Îïòîâàÿ öåíà ðóá./êã

Êîë-âî ðåàëèçóåìûõ îòõîäîâ, êã

Öåíà ðåàëèçóåìûõ îòõîäîâ, ðóá.

Ñóììà çàòðàò íà ìàòåðèàëû, ðóá.

1

ÑÃ45

444

529,6

35

17,76

5

21667

2

ÑÒÇ

70

95,38

35

3,38

5

4099

3

ÑÒ20

28

29,92

32

1,92

5

1244

ÈÒÎÃÎ:

23,06


27010


Åì0=27010ðóá

Çàòðàòû íà âñïîìîãàòåëüíûå ìàòåðèàëû (Åìâ):

Åìâ=0,05·Åìî=0,05·27010=1350,5 ðóá.

Çàòðàòû íà ïîêóïíûå êîìïëåêòóþùèå è ïîëóôàáðèêàòû (Åêèï) îïðåäåëÿþòñÿ íà îñíîâàíèè ôàêòè÷åñêîé ïîòðåáíîñòè (Ïi) è ñîîòâåòñòâóþùèõ îïòîâûõ öåí (Öni)

k

Åêèï =Ó ni * Öni * Kmç

i

Çîò=5900ðóá.

 

Íàõîäèì îñíîâíóþ çàðïëàòó (Çî), äîïîëíèòåëüíóþ (Çä), à òàêæå îò÷èñëåíèÿ íà ñîöèàëüíûå íóæäû.(Îñ).

Çî=0,356·3òo=0,356·5900=2100ðóá

Çä=0,04·3îò=0,04·5900=236ðóá.

Îñ=0,356·(3î+3ä)=831.62ðóá.

Çàòðàòû íà ñîäåðæàíèå è ýêñïëóàòàöèþ îáîðóäîâàíèÿ

Çàòðàòû íà ñîäåðæàíèå è ýêñïëóàòàöèþ îáîðóäîâàíèÿ, èñïîëüçóåìîãî ïðè èçãîòîâëåíèè íîâîé òåõíèêè (Åîá) îïðåäåëÿåì ïî íîðìàòèâíîé ñåáåñòîèìîñòè îäíîãî ìàøèíî-÷àñà ýêñïëóàòàöèè îáîðóäîâàíèÿ:

Åîá=Ñìè·Òîá/Êîáñ·Êí

ãäå Êîáñ - êîýôôèöèåíò îáñëóæèâàíèÿ îáîðóäîâàíèÿ =0,98

Êí-êîýôôèöèåíò âûïîëíåíèÿ íîðì=1,1

Ñìè-íîðìàòèâíàÿ ñòîèìîñòü îäíîãî ìàøèíî-÷àñà=6,6 ðóá./÷àñ ïðè äâóõñìåííîé ðàáîòå è ñåðèéíîì ïðîèçâîäñòâå.

Åîá=6,6·139,15/0,98·1,1=8510,93ðóá.

Öåõîâûå çàòðàòû âêëþ÷àþò ðàñõîäû íà îïëàòó òðóäà öåõîâîãî ïåðñîíàëà, àìîðòèçàöèþ, ðåìîíò è ñîäåðæàíèå öåõîâûõ çäàíèé è ñîîðóæåíèé.

Åöåõ = Êöåõ·Çîò/100

Êöåõ - êîýôôèöèåíò öåõîâûõ ðàáîò=125

Åöåõ = 125·5900/100=7375ðóá.

Òàáëèöà 5.5

Çàòðàòû íà èçãîòîâëåíèå îáîðóäîâàíèÿ

¹

Íàèìåíîâàíèå

Ñóììà çàòðàò, ðóá.

1

Çàòðàòû: à) îñíîâíûå ìàòåðèàëû á)íà ïîêóïíûå êîìïëåêòóþùèå è ïîëóôàáðèêàòû

 27010 4771,9

2

Çàðïëàòà ïðîèçâîäñòâåííûõ ðàáî÷èõ: À)îñíîâíàÿ Á) äîïîëíèòåëüíàÿ

 8260 236

3

Îò÷èñëåíèÿ íà ñîöèàëüíîå íóæäû

831.62

4

Çàòðàòû íà ñîäåðæàíèå îáîðóäîâàíèÿ

8510,93

5

Öåõîâûå çàòðàòû

7375

Èòîãî:

59477,27


Òàáëèöà 5.6

Âåäîìîñòü çàòðàò íà ïîêóïíûå êîìïëåêòóþùèå èçäåëèÿ è ïîëóôàáðèêàòû

Íàèìåíîâàíèå è òèï êîìïëåêòóþùèõ

Êîë-âî, øò.

Öåíà çà åäèíèöó, ðóá.

Ñóììà çàòðàò, ðóá.

1

øòèôòû

62

17

1054

2

áîëòû

96

18,5

1776

3

ãàéêè

96

15,8

1516,8

4

âèíòû

8

12

96

5

øàéáû

104

2,5

260

6

îñè

2

5,55

11.1

7

êðîíøòåéíû

4

14,5

58

Èòîãî


372

4771,9


Çàòðàòû íà çàðàáîòíóþ ïëàòó ïðîèçâîäñòâåííûì ðàáî÷èì, ïðîèçâîäÿùèì îáîðóäîâàíèå

(Çî, Çä, Îñ) îïðåäåëÿþòñÿ íà îñíîâå ðàñ÷¸òà îðèåíòèðîâî÷íîé òðóäî¸ìêîñòè è ñðåäíåãî òàðèôíîãî ðàçðÿäà ïî âèäàì ðàáîò. Îáùàÿ òðóäî¸ìêîñòü ðàññ÷èòûâàåòñÿ ñ ó÷¸òîì çàòðàò íà 1 êã ìàññû îáîðóäîâàíèÿ:

Òîá=Êt·G

Kt -óäåëüíàÿ òðóäî¸ìêîñòü íà 1 êã ìàññû êîíñòðóêöèè, í/÷àñ ñ ó÷¸òîì ãðóïïû ñëîæíîñòè îáîðóäîâàíèÿ

Êt=0,2-0,3 í/÷àñ [18].

G-ìàññà îáîðóäîâàíèÿ, êã =556,5 êã (ïî òàáëèöå.5.1)

Òîá=0,3·556,6=139,15 í/÷àñ

Òðóäî¸ìêîñòü ðàáîò Ti ìîæåò áûòü îïðåäåëåíà â ïðîöåíòíîì ñîîòíîøåíèè îò îáùåé òðóäî¸ìêîñòè â ñëåäóþùèõ ñîîòíîøåíèÿõ:

Òçàã=0,123·Òîá

Òòåõ=0,598·Òîá

Òìîá=0,259·Òîá

Òïð=0,021·Òîá

ãäå Òçàã, Òòåõ, Òìîá, Òïð - ñîîòâåòñòâåííî òðóäî¸ìêîñòü çàãîòîâèòåëüíûõ, ìåõàíîîáðàáàòûâàþùèõ, ñáîðî÷íûõ è ïðî÷èõ ðàáîò, Í/÷àñ:

Òçàã=0,123·139,15=17,115 Í/÷àñ

Òòåõ=0,598·139,15=83,211 Í/÷àñ

Òìîá=0,259·139,15=36,039 Í/÷àñ

Òïð=0,021·139,15=2,922 Í/÷àñ

Îñíîâíàÿ òàðèôíàÿ çàðïëàòà (Çîò) îïðåäåëÿåòñÿ ïî ôîðìóëå:

n

Çîò=Óycp.np·Ti

i=1

Ñðåäíèé ðàçðÿä ðàáîò: Ðçàã=3, Ðìåõ=4, Ðñá= 3, Ðïð=4

5.2 Ñåáåñòîèìîñòü èçãîòîâëåíèÿ òèïîâîé äåòàëè

Îïðåäåëåíèå ñåáåñòîèìîñòè ïðîäóêöèè, ïðîèçâîäèìîé íà ïðîåêòèðóåìîì îáîðóäîâàíèè (Ci), íåîáõîäèìî äëÿ äàëüíåéøåãî ðàñ÷¸òà ýêîíîìè÷åñêîãî ýôôåêòà îò âíåäðåíèÿ ïðåäëîæåíèé.

 ðàñ÷¸ò ïðèíèìàåòñÿ öåõîâàÿ ñåáåñòîèìîñòü, êîòîðàÿ ðàññ÷èòûâàåòñÿ óêðóïíåíî:

Ci=Åòî+Åìâ+Åêèï+Åò+Åîá+Åïðè+Çî+Çä+Îñ+Åöåõ

ãäå: Åìî, Åìâ - ñîîòâåòñòâåííî çàòðàòû íà îñíîâíûå è âñïîìîãàòåëüíûå ìàòåðèàëû

Åêèï - çàòðàòû íà êîìïëåêòóþùèå èçäåëèÿ è ïîêóïíûå ïîëóôàáðèêàòû

Åò - çàòðàòû íà òîïëèâî è ýíåðãèþ äëÿ òåõíîëîãè÷åñêèõ öåëåé

Åîá - çàòðàòû íà ñîäåðæàíèå è ýêñïëóàòàöèþ îáîðóäîâàíèÿ