Материал: Разработка системы контроля управления доступом с анализом рисунка радужной оболочки глаза

Внимание! Если размещение файла нарушает Ваши авторские права, то обязательно сообщите нам

Система IrisAccess позволяет менее чем за секунду отсканировать рисунок радужной оболочки глаза, обработать и сравнить с 4 тыс. других записей, которые она хранит в своей памяти, а затем послать соответствующий сигнал в охранную систему. Технология - полностью бесконтактная. На основе изображения радужной оболочки глаза строится компактный цифровой код размером 512 байт. Устройство имеет высокую надежность по сравнению с большинством известных систем биометрического контроля, поддерживает объемную базу данных, выдает звуковые инструкции на русском языке, позволяет интегрировать в систему карты доступа и PIN-клавиатуры. Один контроллер поддерживает четыре считывателя. Система может быть интегрирована в LAN.3000 состоит из оптического устройства внесения в реестр EOU3000, удаленного оптического устройства ROU3000, контрольного устройства опознавания ICU3000, платы захвата изображения, дверной интерфейсной платы и PC-сервера.

Если требуется осуществлять контроль за несколькими входами, то ряд удаленных устройств, включая ICU3000 и ROU3000, может быть подключен к PC-серверу через локальную сеть (LAN). Описания основных компонентов системы представлены на врезке.

ПАПИЛОН iScan-3

Рисунок 1.3.1 - Папилон iScan-3

В сканере радужной оболочки ПАПИЛОН iScan-3 реализована функция автофокуса. Используемая в сканере инфракрасная подсветка безопасна для зрения.

Сканер поворачивается в вертикальной плоскости для настройки положения камеры на рост конкретного человека.

В системе используются только черно-белые изображения для того, чтобы на результат идентификации личности не влияло цветовое изменение радужной оболочки, происходящее в результате перенесенных заболеваний.

Технические характеристики сканера ПАПИЛОН iScan-3:

Подсветка ИК-диапазон - 850 нм

ПАПИЛОН iScan-3

Угол поворота сканера по вертикали    от -15o до +30o

Рабочее расстояние (от наружных обводов объектива камеры до ближайшей точки радужной оболочки или зрачка глаза) 20-30 см

Интерфейс - USB 2.0 (480 Мбит/с)

Питание - 12В

Размеры (ширина х глубина х высота) 120 х 83 х 114 мм

Вес - 0,52 кг

Дополнительные возможности:

Индикация режима работы устройства и результата проверки текущего объекта. Голосовые подсказки.

Циркон

Сканер радужной оболочки глаза Циркон предназначен для сканирования радужной оболочки глаза. В составе с вычислительным модулем, может быть применено для:

первичной регистрации радужной оболочки глаза с целью занесения в базу данных;

распознавания личности человека по радужной оболочке глаза.

Технические характеристики:

Время захвата: < 2 сек

Скорость оцифровки:: 15 кадров/сек

Рабочее расстояние: 20 - 40 см

Размеры (ШхГхВ): 138х126х98 мм

Вес: 1,23 кг

Интерфейс: PCI

Компания Panasonic выпускает на рынок такие продукты:

Таблица 1.3 - Сканеры радужной оболочки глаза компании Panasonic


Все эти системы имеют один общий недостаток, у них нет функции выявление ложного изображения. Разрабатываемая система должна выявлять ложное изображение с помощью нистагма. Нистагм - непроизвольные колебательные движения глаз высокой частоты (до нескольких сотен в минуту). Название происходит от др.-греч. νυσταγμός - дремота. Нистагм представляет собой ритмичные движения глазных яблок.

2. Разработка

.1 Разработка схемы электрической структурной

Составим схему электрическую структурную. В соответсвии с техническим заданием, наша схема должна состоять:

МК - управляющий микроконтроллер. В данном случае LM3S9C97 производства Texas Instruments.

УС - устройство считывания, камера для считывания радужной оболочки глаза.

АИ - Адаптеры хост-интерфейсов. У нас имеется три хост-интерфейса - это Ethernet,USB и RS-485.

УПУ - адаптер устройства преграждающего управляемого. Представляет собой логический компонент, так как фактически представляет собой обвязку портов микроконтроллеров, предназначенных для управления УПУ.

ИУ - индикаторные устройства, набор светодиодов, для индикации режимов работы системы.

СП - система питания.

.2 Анализ и выбор элементной базы

В этом разделе будут рассмотрены варианты выбора элементной базы.

.2.1 Выбор считывателя

Так или иначе, но без возможности осуществления операций с видеокамерой наше устройство не сможет осуществлять свои основные функции. Поэтому далее мы рассмотрим варианты считывателей(камер).

В современных цифровых камерах применяется два типа матриц: CCD матрица (Charged Coupled Device), по другому называют еще камеры с ccd сенсором и CMOS матрица (Complementary Metal-Oxide Semiconductor) - камеры с cmos сенсером.

Камеры на основе технологии CMOS потребляют меньше энергии (почти в 100 раз по сравнению с CCD камерами). CMOS камеры проще в производстве, следовательно и стоят дешевле в сравнении с камерами со CCD матрицей. Еще одно достоинство технологии CMOS - это интеграция различных процессов в одном чипе, что ведет к миниатюризации устройств.

К недостаткам CMOS камер можно отнести низкий коэффициент заполнения пикселов, что снижает их чувствительность. Поэтому у камер на основе CMOS матриц чаще возникают трудности с подавлением помех и увеличением чувствительности, то есть с качеством получаемого изображения.

Ключевое различие между CCD камерой и CMOS камерой состоит в том, что CCD матрица (сенсор) преобразует заряды пикселей в аналоговый сигнал, а CMOS матрица в цифровую информацию.

Если раньше все видеокамеры использовали CCD-технологию, то на сегодняшний день основным направлением развития индустрии видеокамер становятся CMOS матрицы, которые дешевле и проще в производстве.

Исходя из этих соображений, в качестве камеры для разрабатываемого устройства будем рассматривать только CMOS камеры.CMOS Camera Cube Module 25-pin

Рисунок 2.2.1.1 - VGA CMOS Camera Cube Module 25-pin

Характеристики:

Данные назначение      Image Sensor Size        640x480 Pixels Sensing        Colour Count         25 Operating Supply Voltage         2.6V Operating Supply Voltage     3V

максимальная рабочая температура       70°C Operating Temperature         -20°C M-328

Представляет собой модуль VGA камеры цветного изображения, поддерживающий сжатие изображения в формате JPEG. Данный модуль предназначен для дальнейшей интеграции в различные мобильные устройства. По команде управляющего устройства камера производит захват изображения для того, чтобы получить высококачественную картинку. Затем изображение сжимается в JPEG формат и передается на устройство управления. В настоящее время эта камера поставляется в шести модификациях, отличающихся типом применяемых объективов.

Разрешение камеры     VGA/CIF/SIF/QCIF 160×128 и 80×64

Напряжение питания, В        3,3

Потребляемый ток, мА         60

Режим пониженного энергопотребления         да

Передача данных        до 115.2 Кбит/сек (RS-232)

Габаритные размеры, мм     20 x 28

Фирма Alps предлагает серию FPDJ8 1/10-дюймовых (1,8 мм) модулей VGA-камер для использования в мобильных телефонах, наладонных игровых консолях и т.п. Они имеют корпус размером 5,0мм x 5,0мм x 2,2мм (Ш x Г x В) и показатель диафрагмы 2,8. При двух линзах и датчике изображения размером 1/10 дюйма модули достигают VGA (Video Graphic Array) разрешения до 640 x 480 точек изображения. Диапазон фокусировки от 20 см до бесконечности. Другими техническими параметрами являются искажение изображения менее одного процента и угол обзора по горизонтали 54,2 градуса, по вертикали 42,0 градуса и по диагонали 65,4 градуса. Камеры способны представлять при VGA-разрешении 30 кадров в секунду.

Учитывая такие факторы как стоимость камеры, простота в использовании, наличие в свободной продаже мы остановим свой выбор на модуле VGA камеры ITC-M-328.

.2.2 Выбор микроконтроллера

В это разделе будет рассмотрен выбор управляющего микроконтроллера.

Требования

В плане набора команд, количества адресов в команде, программно-доступных особенностей (регистров и т.п.) мы не выдвигаем никаких прямых требований, т.к. связать подобные характеристики с особенностями нашей системы вряд ли представляется возможным на данной стадии разработки.

Для осуществления задач модуля требуется наличие подсистемы часов реального времени или возможности её беспроблемной организации.

Для осуществления общения по сети и уменьшения дополнительных компонентов в системе было бы желательным наличие встроенного контроллера Ethernet.

Для осуществления коммуникации со считывателем наличие аппаратного интерфейса(ов) SPI(I2C или UART) облегчило бы такое взаимодействие. Взаимодействие с контроллером более высокого уровня (при его наличие) происходит по RS-485. Практически все современные микроконтроллеры имеют аппаратную реализацию всех этих интерфейсов, поэтому данное требование является чисто формальным.

По поводу количества внешних выводов скажем, что у нашей системы нет нужды в микроконтроллере с большим числом пинов.

Наш модуль предполагает необходимость хранения достаточно больших объёмов данных. Поэтому объём flash-памяти для нашей системы будет иметь определяющее значение - чем больше объём памяти, тем более автономным может быть наш дверной контроллер. На данном этапе ещё не разработаны форматы хранения указанных данных, поэтому мы не сможем провести точный анализ. Тем не менее с учётом примерных оценок, возможности расширения функциональности системы и максимизации её возможностей, объём flash памяти в 512 Кб вполне можно считать неким ориентиром. Конечно, больший объём памяти позволит увеличить возможности нашей системы, но не стоит выходить за разумные пределы, ведь стоимость микроконтроллера в значительной части зависит от объёма встроенной flash-памяти, к тому же дверной контроллер с огромным количеством возможных записей вряд ли будет иметь оправданные места для применения.

Так как обычно энергонезависимая память часто бывает подключена к системной шине и прямо адресуется по ней, то размерность шины будет зависеть и от объёма flash-памяти.

Варианты

Микроконтроллерное ядро ARM было разработано одноименной английской компанией, организованной в 1990 году. Название ARM происходит от "Advanced RISC Machines". Следует заметить, что компания специализируется сугубо на разработке микропроцессорных ядер и периферийных блоков, при этом, не имеет производственных мощностей по выпуску микрокон-троллеров. Компания ARM поставляет свои разработки в электронной форме, на основе которой клиенты конструируют свои собственные микроконтроллеры. Клиентами компании являются свыше 60 компаний-производителей полупроводников, среди которых можно выделить таких популярных производителей на рынке полупроводниковых компонентов стран СНГ, как Altera, Analog Devices, Atmel, Cirrus Logic, Fujitsu, MagnaChip (Hynix), Intel, Motorola, National Semiconductor, Philips, ST Microelectronics и Texas Instruments.

В настоящее время архитектура ARM занимает лидирующие позиции и охватывает 75% рынка 32-разр. встраиваемых RISC-микропроцессоров. Распространенность данного ядра объясняется его стандартностью, что предоставляет возможность разработчику более гибко использовать, как свои, так и сторонние программные наработки, как при переходе на новое процессорное ARM-ядро, так и при миграциях между разными типами ARM-микроконтроллеров.GG380F512

-битный микроконтроллер на базе ядра ARM Cortex-M3

Ядро Cortex-M3

ЦПУ: F,МГц       от 0 до 48

Память: Flash,КБайт    512

Память: RAM,КБайт   128 /O (макс.),шт.       81

Таймеры: 16-бит,шт    4

Таймеры: Каналов ШИМ,шт         1

Таймеры: RTC    Да

Интерфейсы: UART,шт        7

Интерфейсы: I2C,шт    2

Интерфейсы: USB,шт  1

Интерфейсы: DMA,шт 1

Аналоговые входы: Разрядов АЦП,бит 12

Аналоговые входы: Каналов АЦП,шт   12

Аналоговые входы: Быстродействие АЦП,kSPS      1000

Аналоговые входы: Аналоговый компаратор,шт    2

Аналоговые выходы: Разрядов ЦАП,бит        12

Аналоговые выходы: Каналов ЦАП,шт 3 ,В от 1.8 до 3.8 ,°C         от -40 до 85

Корпус      LQFP-100F103ZET6Processor:      ARM® Cortex-M3™Size:      32-Bit         :        72MHz

Connectivity:       CAN, I²C, IrDA, LIN, SPI, UART/USART, USB

Peripherals:         DMA, Motor Control PWM, PDR, POR, PVD, PWM, Temp Sensor, WDTOf I /o:        112Memory Size: 512KB (512K x 8)Memory Type:   FLASHSize:         64K x 8- Supply (vcc/vdd):  2 V ~ 3.6 VConverters: A/D 21x12b; D/A 2x12bType:         InternalTemperature:    -40°C ~ 85°C/ Case:     144-LQFPSeries: STM32F103x:         ARM Cortex M3Bus Width:  32 bitRam Size:   64 KBType:         CAN, I2C, SPI, USARTClock Frequency:       72 MHzOf Programmable I/os:        112Of Timers:     8Operating Temperature:       + 85 CStyle:        SMD/SMT

Малопотребляющие МК серии LPC17xx, выполненные на основе 32-битного ядра ARM Cortex-M3, отличаются мощным набором периферии, включающим контроллер графического дисплея, интерфейсы Ethernet, USB 2.0 с поддержкой Host/OTG/Device и CAN 2.0B

Новые микроконтроллеры поддерживают максимальную рабочую частоту 120 МГц и интегрируют FLASH память, объемом до 512 КБайт, и SRAM память, объемом до 96 КБайт. LPC177x/LPC178x также оснащены многоуровневой высокопроизводительной шиной (AHB), позволяющей одновременно использовать периферийные устройства с высокой пропускной способностью, такие как Ethernet и USB, без снижения производительности процессора.

Микроконтроллеры доступны в 144- и 208-выводных корпусах LQFP и 180- и 208-выводных TFBGA. Устройства серии LPC177x/LPC178x совместимы по выводам с популярными микроконтроллерами NXP серий LPC2400 и LPC237x/238x на базе ядра ARM7. Это позволяет разработчикам сравнить производительность ядер Cortex-M3 и ARM7 в одном и том же приложении и выбрать наиболее подходящий вариант. Архитектура LPC1700, отличающаяся широким набором периферии и высокой производительностью, является идеальным решением для систем отображения информации, сканеров, промышленного сетевого оборудования, охранно-пожарных сигнализаций, медицинского диагностического оборудования и систем управления электродвигателями.

Таблица 2.2.2.2.1 - Сравнительная характеристика микроконтроллеров серии LPC178x

® LM3S9C97 Microcontroller

ARM Cortex-M3 Processor Core

High Performance: 80-MHz operation; 100 DMIPS performance

512 KB single-cycle Flash memory

64 KB single-cycle SRAM

Internal ROM loaded with StellarisWare® software

Advanced Communication Interfaces: UART, SSI, I2C, I2S, CAN, Ethernet MAC and PHY, USB

System Integration: general-purpose timers, watchdog timers, DMA, general-purpose I/Os

Advanced motion control using PWMs, fault inputs, and quadrature encoder inputs

Analog support: analog and digital comparators, Analog-to-Digital Converters (ADC), on-chipregulator

JTAG and ARM Serial Wire Debug (SWD)

100-pin LQFP package

108-ball BGA package

Industrial (-40°C to 85°C) temperature range

Исходя из вышеперечисленных требований к микроконтроллеру, а также учитывая его стоимость ми остановим свой выбор на микроконтроллере LM3S9C97 производства Texas Instruments.

.3 Разработка алгоритма функционирования устройства

Рисунок. 2.3 - Алгоритм функционирования устройства

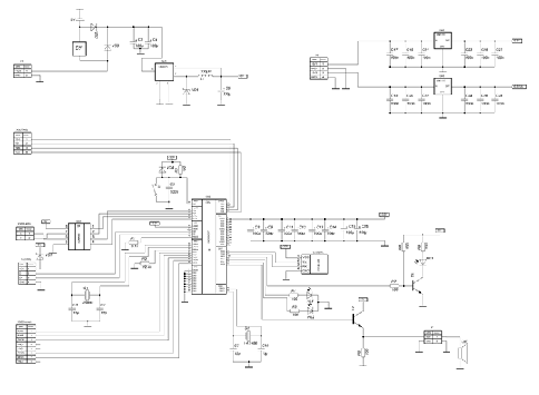
2.4 Разработка конечной схемы

Рисунок 2.4.1 - Схема принципиальная

.5 Перечень используемых элементов