Материал: Разработка схем питания собственных нужд подстанции

Внимание! Если размещение файла нарушает Ваши авторские права, то обязательно сообщите нам

Разработка схем питания собственных нужд подстанции

Содержание

Введение

Исходные данные

. Разработка структурной схемы подстанции

.1 Выбор схемы соединения основного оборудования, определение потоков мощностей

.2 Выбор числа и мощности трансформаторов

. Разработка главной схемы подстанции

.1 Расчет токов в нормальном, утяжеленном режимах и токов короткого замыкания

.1.1 Расчетные токи на стороне высшего напряжения

.2 Выбор схемы распределительного устройства ВН

.2.1 Выбор коммутационных аппаратов, токоведущих частей, средств контроля и измерения

.2.2 Выбор трансформаторов тока

.2.3 Выбор трансформаторов напряжения

.2.4 Выбор токоведущих частей для РУ ВН

.3. Выбор схемы соединения распределительного устройства НН

.3.1 Выбор трансформаторов тока и напряжения для РУ НН

.3.2 Токоведущие части

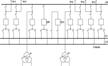
. Разработка схем питания собственных нужд подстанции

.1 Выбор трансформаторов собственных нужд

.2 Схема питания собственных нужд подстанции

. Выбор аккумуляторной батареи

. Управление и сигнализация

. Конструктивное исполнение

Литература

Введение

В данном курсовом проекте проектируется подстанция цинкового завода. Цель проекта - добиться качественного и надежного снабжения электроэнергией завода. Для этого были выбраны силовые трансформаторы, распределительные устройства высшего и нижнего напряжения, коммутационные аппараты и токопроводы. В курсовом проекте также решаются вопросы снабжения э/э собственных нужд подстанции.

Исходные данные

Подстанция цинкового заводаВН                                                                            110 кВ

Число вводов                                                              2

Число отходящих линий                                            3ТРАНЗИТ                                                                           51 МВАНН                                                                                    10,5 кВ

Число отходящих линий                                            12НАГРУЗКИ                                                             33МВА

Реактанс системы, x*с = 0,02 при Sб = 100 МВА

1. Разработка структурной схемы подстанции

.1 Выбор схемы соединения основного оборудования, определение потоков мощностей

Анализируя исходные данные, имеем, число входящих воздушных линий - 2, отходящих (транзитных) линий - 3 и отходящих линий на стороне НН - 12. Планируемая мощность нагрузки должна составлять МВА, транзитная мощность  МВА, следовательно (без учетов коэффициентов мощностей),  МВА.

Рисунок 1. Общая структурная схема

.2 Выбор числа и мощности трансформаторов

Для обеспечения надежности и оптимальной стоимости установим 2 трансформатора (при выводе одного из трансформаторов в ремонт второй можно перегружать на 40% в течении 5-и дней по 6 часов) с расщепленными обмотками НН (для снижения токов короткого замыкания для сетей 6-10 кВ), с устройством РПН.

Выбор номинальной мощности трансформатора производят с учетом его нагрузочной способности. В общем случае условие выбора мощности трансформатора имеет вид

расч£Sном·kп, 

где Sрасч - расчетная мощность; Sном - номинальная мощность трансформатора; kп - допустимый коэффициент перегрузки.

При определении Sрасч принимается во внимание нагрузка на пятый год, если считать от конца сооружения электроэнергетического объекта, причем учитывается перспектива дальнейшего его развития на 5-10 лет вперед.

При установке двух трансформаторов мощность каждого выбирается из условия:

ном³ Sмах ·(0,65÷0,7)                             ном =0,7×33=24 МВА

Выберем к установке 2-а трансформатора ТРДН-25000/110 (трансформатор трехфазный, с расщепленной обмоткой, принудительной циркуляцией воздуха и естественной циркуляцией масла, с устройством регулирования напряжения под нагрузкой).

Таблица 1. Паспортные данные трансформатора ТРДН-25000/110

Uном ВН,кВ

Uном НН,кВ

Uк,%

115

11-11

10,5



Рисунок 2. Структурная схема подстанции

Выбранные трансформаторы удовлетворяют нормативным требованиям проектирования подстанций (при выводе одного трансформатора в ремонт, второй при 40% перегрузе может выдавать мощность Sперегр. =33,6 МВА).

2. Разработка главной схемы подстанции

.1 Расчет токов в нормальном, утяжеленном режимах и токов короткого замыкания

.1.1 Расчетные токи на стороне высшего напряжения

Нормальный режим:

 

                    

          

Утяжелённый (максимальный) режим

                 

                 

 

Расчетные токи на стороне нижнего напряжения:

Нормальный режим

 

                                            

Утяжелённый режим

                                                

                                               

где    - число отходящих линий; - расчетный ток со стороны низкого напряжения;       - расчетный ток со стороны отходящих линий.

Расчет токов короткого замыкания:

В соответствии с «Правилами устройства электроустановок» при напряжении 110 кВ электрическая сеть выполняется с эффективно заземленной нейтралью. Нейтраль силового трансформатора заземляют, чтобы не создавать запас изоляции, так как это не эффективно. Тогда при замыкании фазы на землю ток короткого замыкания резко возрастает, релейная защита реагирует на этот ток и отключает установку. При таком повреждении в сети напряжение «здоровых» фаз тоже увеличивается, но до величины  (или ) и длится только на время короткого замыкания. В сетях 110 кВ иногда токи однофазного короткого замыкания превышают токи трехфазного, а аппаратуру и токоведущие части в основном выбирают по трехфазному короткому замыканию, поэтому часть нейтралей разземляют, тем самым, увеличивая сопротивление и уменьшая токи однофазного короткого замыкания (рисунок 3).

ЗОН - заземлитель однополюсный наружной установки;

ОПН - ограничитель перенапряжений, защищает нейтраль от перенапряжений при разомкнутом ЗОН.

Рисунок 3

Выбор расчетной точки короткого замыкания

Электрические аппараты и шинные конструкции распределительных устройств должны быть проверены на электродинамическую и термическую устойчивость. Для этого составляется расчетная схема замещения (рисунок 4), намечаются расчетные точки короткого замыкания и определяются токи короткого замыкания.

При составлении расчетной схемы для выбора аппаратов и проводников одной цепи выбирают режим установки, при котором в этой цепи будет наибольший ток короткого замыкания. За расчетную точку короткого замыкания принимают точку, при повреждении которой через выбираемый аппарат или проводник будет протекать наибольший ток. При расчете токов короткого замыкания сопротивление линии учтено в x*с, причем все индуктивные сопротивления приводятся к произвольно выбранной базисной мощности .

 

Рисунок 4

Расчетное сопротивление трансформаторов:

                            

 

Рассмотрим трехфазное короткое замыкание на шинах 110 кВ (точка К-1). Базисный ток:

 

Ток короткого замыкания:

 

Ударный ток (амплитудное значение) короткого замыкания:

 

где    - ударный коэффициент (выбирается из [1]).

Рассмотрим трехфазное короткое замыкание на шинах 10,5 кВ (точка К-2). Базисный ток:

 

Ток короткого замыкания:

 

Амплитудное значение ударного тока короткого замыкания:

 

.2 Выбор схемы распределительного устройства ВН

Схемы электрических соединений выбирают: по напряжению, по категории потребителя, по числу присоединений. Согласно данному критерию выбираем:

На стороне высокого напряжения - схему «две рабочие и обходная система шин»; высшее напряжение 110 кВ; подстанция проходная, подходит одна линия, есть переток мощности, могут питаться потребители 1,2 категории. Схема экономична, достаточно надежна.

Рисунок 4. Схема РУ ВН

Выбор главной схемы подстанции зависит от назначения, роли и местоположения объекта в энергосистеме в целом. Выбранная схема должна обеспечивать требуемую степень надежности питания всех потребителей, перспективу развития и возможность расширения, возможность производства ремонтных работ, простоту и наглядность, экономическую целесообразность. Согласно данным критериям выбираем: На стороне высокого напряжения - схему «две рабочие и одна обходная система шин»; высшее напряжение 110 кВ; подстанция проходная, три транзитные линии, есть переток мощности, могут питаться потребители 1,2 категории. Схема экономична, достаточно надежна (представлена на рисунке 4).

.2.1 Выбор коммутационных аппаратов, токоведущих частей, средств контроля и измерения.

Выбор выключателей и разъединителей

Выключатели выбирают:

По напряжению установки .

По длительному току .

По отключающей способности.

По ГОСТ 687-78Е отключающая способность характеризуется:

номинальным током отключения ;

допустимым относительным содержанием апериодической составляющей тока в токе отключения ;

нормированным параметром ПВН.

Номинальный ток отключения  и  определяются в момент расхождения контактов выключателя τ. Время τ от начала короткого замыкания до прекращения соприкосновения дугогасительных контактов определяется по выражению:

          

где    - собственное время отключения выключателя;

 - минимальное время действия релейной защиты.

Выберем к установке выключатель ВВБТ-110Т1 с током отключения Так как, то установка реактора не требуется.

Апериодическая составляющая тока короткого замыкания для ветви энергосистемы:

 

где    - постоянная времени затухания апериодической составляющей тока КЗ.

Номинальная апериодическая составляющая тока короткого замыкания для выключателя ВВБТ-110Т1.

 

Проверка на термическую стойкость: тепловой импульс, выделяемый током короткого замыкания:

 

где   

 - время действия релейной защиты;

 - полное время отключения выключателя.ТЕР2 tТЕР = 402 × 4 = 6400 кА2/с 

где    IТЕР - ток термической стойкости;ТЕР - время протекания тока термической стойкости.

Мгновенный динамический ток:

 

Проверка включающей способности производится по условию

; ,

где  - ударный ток короткого замыкания в цепи выключателя; - начальное значение периодической составляющей тока короткого замыкания в цепи выключателя; - номинальный ток включения (действующее значение периодической составляющей);  - наибольший пик тока включения (по каталогу). Заводами изготовителями соблюдается условие

,

где kу =1,8 - ударный коэффициент, нормированный для выключателей. Проверка по двум условиям необходима потому, что для конкретной системы kу может быть более 1,8.

Все расчетные и каталожные данные сведены в таблицу 2. Выбираем по справочнику разъединители РГ-126-1600УХЛ1 с приводом ПРГ6-УХЛ1, заземлители ЗОН-110Т-1.

подстанция трансформатор питание собственный

Таблица 1

Виды проверки

Условия выбора и проверки

Расчетные данные

Каталожные данные




Выключатель  ВВБТ-110-Т1

Разъединитель РГ-126-1600 УХЛ1

По напряжению установки, кВ

 110110110




По длительному току, А

  440,88 1600 1600




По возможности отключения периодической составляющей тока короткого замыкания, кА

2531,5-




По возможности отключения апериодической составляющей тока короткого замыкания, кА

 1,76 11,1-




Проверка по включающей способности, кА

 56,8580-





 2531,5-




Проверка на электродинамическую стойкость, кА

  25 80,14100





  56,85 102 -