САНКТ-ПЕТЕРБУРГСКИЙ ГОСУДАРСТВЕННЫЙ ТЕХНОЛОГИЧЕСКИЙ УНИВЕРСИТЕТ РАСТИТЕЛЬНЫХ ПОЛИМЕРОВ
ЗАОЧНЫЙ
ФАКУЛЬТЕТ
Курсовое проектирование
По дисциплине: Автоматизация технологических процессов и производств
На тему:
Разработка САУ концентрацией композиционной массы перед дисковой мельницей
Исполнитель: Егоров Е.А.
Реферат
Объектом автоматизации является САУ концентрации композиционной массы перед дисковой мельницей ОАО « ПЗБФ».
Цель работы: - Модернизация САУ концентрации композиционной массы перед дисковой мельницей, заменой старых приборов новыми и внедрение ПЛК.
Была предложена структура САУ выбраны технические средства входящие в систему. Разработана структура и состав ПЛК.
В качестве технических средств автоматизации выбран ПТК MITSUBISHI FX-3U.
Внедрение предполагается в ОАО «ПЗБФ».
Введение
Автоматика, отрасль науки и техники, охватывающая теорию и принципы построения систем управления, действующих без непосредственного участия человека; в узком смысле - совокупность методов и технических средств, исключающих участие человека при выполнении операций конкретного процесса.
Автоматическое управление в технике, совокупность действий, направленных на поддержание или улучшение функционирования управляемого объекта без непосредственного участия человека в соответствии с заданной целью управления. Автоматическое управление широко применяется во многих технических и биотехнических системах для выполнения операций, не осуществимых человеком в связи с необходимостью переработки большого количества информации в ограниченное время, для повышения производительности труда, качества и точности регулирования, освобождения человека от управления системами, функционирующими в условиях относительной недоступности или опасных для здоровья. Цель управления тем или иным образом связывается с изменением во времени регулируемой (управляемой) величины - выходной величины управляемого объекта. Для осуществления цели управления, с учётом особенностей управляемых объектов различной природы и специфики отдельных классов систем, организуется воздействие на управляющие органы объекта - управляющее воздействие. Оно предназначено также для компенсации эффекта внешних возмущающих воздействий, стремящихся нарушить требуемое поведение регулируемой величины. Управляющее воздействие вырабатывается устройством управления (УУ). Совокупность взаимодействующих управляющего устройства и управляемого объекта образует систему автоматического управления. Система автоматического управления (САУ) поддерживает или улучшает функционирование управляемого объекта.
Целью данной работы является: Разработка САУ концентрацией композиционной массы перед дисковой мельницей, которая отвечает следующим требованиям: (перерегулирование 15%, время переходного процесса 30с, дистанционное управление и изменение параметров.)
Для достижения цели планируется провести ряд действий:
исследование принципов работы системы и построение её функциональной схемы;
разработка математической модели системы.
анализ устойчивости системы
анализ качества;
1. Анализ объекта управления - состав ОУ
Технологический процесс и регламент объекта управления
Макулатура из склада хранения автопогрузчиком или манипулятором транспортируется на участок роспуска макулатуры (УРМ).
После роспуска макулатурную массу из гидроразбивателя HD4800GK насосом БМ 475/31,5 размольщик 4р(УРМ) перекачивает в бассейн №1 объемом 550 м3. С бассейна №1 масса насосом марки 250 РТК8 перекачивается в бассейн №2 объемом 100 м3. В процессе непрерывной работы гидроразбивателя HD легкие отходы выводятся из ванны через пневмозадвижку на сепаратор отходов PSN-30. Из бассейна №2 масса насосом СМО200-150-31,5/4 подается на вихревые низконапорные сортировки густой массы типа
SVS-25-М (2
шт.) для удаления посторонних включений (камешки, скрепки, песок и др.).
Посторонние включения отбрасываются к стенкам конуса и выпадают в грязевую
камеру, а очищенная масса под действием восходящего потока по спирали
поднимается вверх и выводится через выходной патрубок в вихревой сепаратор VDT-40.
Таблица 1. Режим работы вихревых сортировок SVS-25М.
№
Параметры
Режим
работы потока
При
работе БДМ №1
При
работе БДМ №2
При
работе БДМ №1 и БДМ №2
1
Количество
очистителей, шт
1
2
2
2
Давление
на входе, кгс/см2
не
более 2,5
не
более 2,5
не
более 2,5
3
Перепад
давления, кгс/см2
0,5
- 0,8
0,5
- 0,8
0,5
- 0,8
4
Давление
промывной воды, кгс/см2
3,0
3,0
3,0
5
Оптимальная
концентрация массы, %
2,5
- 6
2,5
- 6
2,5
- 6
Вихревой сепаратор VDT-40
предназначен для непрерывного сортирования и доволокнения грубо разволокненной
макулатурной массы.
С VDT-40
очищенная масса поступает в бассейн №3 V=100
м3. Легкие отходы вместе с остатками волокна с VDT-40
поступают в бак постоянного уровня №1.
С бака постоянного уровня №1 масса с отходами
поступает в вихревой сепаратор отходов VSV-30.
Перелив массы с бака постоянного уровня №1 поступает в бассейн №2.
Вихревой сепаратор отходов VSV-30
работает в периодическом режиме. Работа сепаратора определяется следующими
режимами:
·
наполнение
оборотной водой из бака постоянного уровня №2;
·
работа;
·
доволокнение
отходов;
·
промывка
оборотной водой из бака постоянного уровня №2.
·
выпуск
отходов на вибросортировку.
Из бассейна №4, №5 масса подается на дисковые
мельницы МД-14 №3 и МД-14 №4. Дисковая мельница предназначена для размола
предварительно разволокненной и очищенной макулатурной массы. На входе
установлен регулятор концентрации фирмы «АКВАР - А 343».
Измеритель микроволновый «АКВАР - А 343»
предназначен для измерения объемной концентрации макулатурных волокон. На табло
высвечиваются значения концентрации и температуры массы, протекающей по
трубопроводу. Регулятор концентрации поддерживает заданную концентрацию путем
разбавления массы
С дисковых мельниц МД-14 №3,4 масса поступает в
промежуточный бассейн, откуда насос марки 200-NRA-440-50-UB-01
подает массу в машинный бассейн. С бака постоянного уровня масса поступает в
смесительный насос, где разбавляется оборотной водой до концентрации 0,6-0,9 %
и направляется на двухступенчатую очистку в вихревые конические очистители,
которые предназначены для очистки массы от песка, металлических и минеральных
включений. Очищенная масса с первой ступени очистителей ОК-03 поступает в
узлоловитель УЗ, где происходит очистка от посторонних включений (узелков,
комочков нераспустившейся массы и прочее).
Масса с узлоловителя УЗ поступает в напорный
ящик. Напорный ящик закрытого типа предназначен для подачи массы на сеточный
стол плоскосеточной бумагоделательной машины.
.1 Описание и анализ существующей САУ
САУ концентрации бумажной массы перед дисковой
мельницей построена на программируемом контроллере MITSUBISHI
FX-3U;
предназначена для разбавления бумажной массы до нужной концентрации, для
лучшего помола ее в дисковой мельнице. Размол ведется в присутствии воды при
концентрации волокнистой массы 2-6% в размалывающих аппаратах периодического и
непрерывного действия. На рисунке 1 представлена функциональная схема САУ.
Рис. 1. Функциональная схема САУ.
1.2 Спецификация на измерительные
преобразователи и технические средства автоматизации
Таблица 2
Позиция
Наименование
и техническая хар-ка оборудования
Тип,
марка обознач. документа, опросного листа
Код
оборуд., изделия материала
Завод-изготовитель
Ед.
изм.
Кол-во
Масса
единицы оборуд.,кг
Прим.
Концентрация
волокнистой массы в трубопроводе за смесительным насосом перед дисковой
мельницей.
QT 1-1
Микропроцессорный
регулятор концентрации бумажной массы с микроволновым датчиком, диапазон
измерения 0,1-6%, выход 4-20мА
А-343
Аквар-систем
Белоруссия
%
1шт.
1-2
Клапан
регулирующий с шаровым сегментом, с пневмоприводом и электропневматическим
позиционером. Dу
80. Вход 4-20мА
R21LA80AJJK BJ8-NE724
«Metso
Automation» Финляндия
1шт.
Недостатки существующей САУ
Процесс разбавления концентрации массы
осуществляется размольщиком 4 разряда в полу-ручном режиме, с помощью простых
регуляторов ТРМ210. Система автоматизации имеет очень низкое быстродействие, не
обеспечивающая хороший динамический процесс.
Таким образом, необходимо создание САУ выбор
структуры системы управления ее функционирование и комплекс технических
средств.
Улучшение показателей качества продукции можно
достигнуть с помощью применения микропроцессорных контроллеров.
2. Математическая модель ОУ
.1 Разработка аналитической математической
модели ОУ
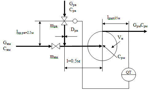
На рисунке 2 изображена расчетная схема узла
разбавления.
Рис. 2. Расчетная схема узла разбавления
На рис. 2 приняты следующие обозначения:
Gнм
- Расход неразбавленной массы , Снм - Концентрация неразбавленной
массы,lтр рв
- длина трубопровода разбавляющей воды,mрв
- степень открытия клапана разбавляющей воды,mнм
- степень открытия клапана разбавляющей воды,Gрв
- Расход разбавляющей воды, Срв - Концентрация разбавляющей воды,Dрв
- Диаметр трубопровода разбавляющей воды, l
- длина трубопровода от места добавления воды до насоса, lрм
- длина трубопровода от насоса до измерителя концентрации,Vн
- Внутренний объем насоса, Gрм
- Расход разбавленной массы, Срм - Концентрация разбавленной массы.
Математическая модель узла разбавления
Составим уравнения для нахождения Таким образом
Экспериментальное определение времени
запаздывания по каналам узла разбавления.
Поскольку трубопровод имеет разное
сечение
где Согласно (12)
Чтобы учесть диффузор и конфузор
насоса
Примем, что диффузор и конфузор
представляют собой трубопровод радиусом 0,1м
Где Vн - объем насоса, Vф - объем
фланцев, Vк - объем
внутренней камеры насоса.
Фланцев два, поэтому:
Поскольку фланец - это труба:
Подставив [20] и [21] в [19]:
Примем, что насос это тоже отрезок
трубопровода, рассчитаем его объем и введем поправочный коэффициент
Таким образом, согласно [18]
внутренний объем насоса
Поскольку смешивание происходит
также и в трубопроводе, добавим к объему насоса объем трубопровода.
Объем конфузора:
Объем диффузора считается по [25]
Объем трубопровода разбавленной
массы (Vтр2) считается
по [24]
тогда
Тогда модель смесительного насоса
примет вид с учетом запаздывания по каналу регулирующего органа на трубопроводе
разбавляющей воды:
2.2 Передаточные функции ОУ по управляющему и
возмущающему воздействиям
На рисунке 3 изображена передаточная функция
узла разбавления массы.
Рис.3. Передаточная функция ОУ.
Wр(p)
- передаточная функция объекта регулирования.
W(р) = Wд(p) -
передаточная функции датчика концентрации.
Исполнительный механизм с
позиционером :
Передаточная
функция органа регулирования.
Wро(Р)=Кро= Wоб.экв.(Р)=6,25*2,7*0,6* 3. Выбор и технико-экономическое обоснование
предлагаемых способов управления САУ
.1 Обзор существующих способов и систем
автоматического управления и их анализ
На предприятии пока нет централизованной системы
управления концентрацией массы перед дисковыми мельницами.
Существующая система автоматизации включает
следующие системы автоматики;
-САУ давления на входе дисковой мельницы.
САУ управления концентрацией бумажной массы.
расходомеры установленные на выходе дисковых
мельниц
Процесс управления концентрацией бумажной массы
осуществляется рольщиком 4 разряда в поло-ручном режиме , с помощью простых
регуляторов ТРМ210 .Система автоматизации имеет очень низкое быстродействие, не
обеспечивающая хороший динамический процесс . Требуется постоянный контроль
работы регуляторов обслуживающим персоналом. Система не имеет возможности
информировать оператора о состоянии работы исполнительных механизмов. Не
имеется возможности оператору оперативно влиять на процессы, что снижает
качество выпускаемой продукции.
3.2 Предлагаемые способ и система
автоматического управления
Предлагаю произвести автоматизацию узла
разбавления макулатурной массы перед дисковой мельницей, так как существующая
система автоматики не соответствует требованиям современной автоматики,
концентрация массы регулируется в очень грубых пределах, отсутствует
регулирование давления массы на входе в рафинер, нет визуализации процесса
разбавления.
Предлагаю внедрить ПЛК фирмы Mitsubishi
Electric серии FX3U
И панели оператора G1000
так же фирмы Mitsubishi
Electric.
Автоматическое поддержание концентрации
макулатурной массы перед рафинерами позволит существенно снизить потребление
электроэнергии, а также повысит качество макулатурной массы за счет равномерной
подачи разбавляющей воды, что очень сильно повлияет на улучшение качества
готовой продукции. Управление процессом разбавления и вывод данных на панель
управления повысит производительность труда. .1 Функциональная схема САУ и спецификация на
ТСА
На рисунке 4 изображена функциональная схема
узла разбавления композиционной массы перед дисковой мельницей на базе
програмируемого контроллера серии FX3U
фирмы Mitsubishi
Electric.
Рис. 4. Функциональная схема узла разбавления.
Спецификация на технические средства
автоматизации.
Таблица 3 спецификация ТСА.
Позиция
Наименование
и техническая характеристика оборудования
Тип,
марка оборудования
Код
оборудования
Завод
изготовитель
Ед.
изм.
Кол-во
Масса
ед.шт.
Прим.
Концентрация
массы за смесительным насосом перед дисковой мельницей. %
QT 1-1
Интеллектуальный,
микроволновый, бесконтактный. Диапазон измерения 0-8 %, точность 0,05%
концентрации. Выход 4-20 мА
MIC
2300
«BTG»,
Швеция
1
1-2
Проходной
клапан с электро пневматическим позиционером. Dу 150. Вход 4-20 ма
ES3241 EN-JL1040
Samson
1
Давление
на входе в дисковую мельницу (Pвх
= 0,6мПа)
PT 2-1
Измеритель
преобразователь избыточного давления. Диапазон измерения 0-600кПа Выход
4-20мА
Метран
100-ДИ Модель 1152
ПГ
«Метран» Россия, Челябинск
1
1-2
Проходной
клапан с электро пневматическим позиционером. Dу 150. Вход 4-20 ма
ES3241 EN-JL1040
Samson
1
Расход
массы перед входом в дисковую мельницу. (V
613,48 м3)
FE 3-1
Преобразователь
расхода. Диапазон измерения 20,45- 613,48 м3 . Выход 4-20мА.
Метран331
ПГ
«Метран» Россия, Челябинск
1
3-2
Микровычислительное
устройство.
Метран333
ПГ
«Метран» Россия, Челябинск
1
Спецификация ПТК.
Таблица 4 спецификация ПТК.
Позиция
Наименование
и техническая характеристика оборудования
Тип,
марка оборудования
Код
оборудования
Завод
изготовитель
Ед.
изм.
Кол-во
Масса
ед. шт.
Прим.
Контроллер
1
Модуль
Центрального процессора
CPU FX3U
Mitsubishi
Electric
1
2
Программное
обеспечение для программирования контроллеров
GX
Developer
Mitsubishi
Electric
1 3
Аналоговый
модуль ввода c
8 каналами
FX2N-8AD
Mitsubishi
Electric
2
4
Модуль
вывода аналогового сигнала с 4 каналами
FX2N4DA
Mitsubishi
Electric
2
Пульты
управления.
5
Графическая
панель поератора
GOT 1000
Mitsubishi
Electric
1
6
Программное
обеспечение для программирования GOT
GT Designer2
Mitsubishi
Electric
1
Коммутатор
для Ethernet
7
Коммутатор
сети
FX3U-ENET
Mitsubishi
Electric
1
.2 Описание технической структуры САУ
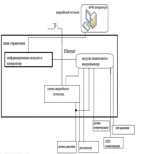
Техническая структура изображена на рисунке 5.
Она отражает реализацию управления на аппаратном уровне и показывает общую
взаимосвязь уровней управления.
На технологическом уровне находятся первичные
преобразователи, измерительные преобразователи и исполнительные механизмы.
Аналоговые сигналы поступают на аналоговые
модули ввода , которые преобразуют эти сигналы в цифровой формат и передают их
по локальной шине в центральное процессорное устройство (ЦПУ) контроллера.
Модули являются устройствами, работающими под
управлением контроллера. Управление осуществляется дискретно посредством ШИМ.
На цеховом уровне находится непосредственно
программируемый контроллер.
В соответствии с программой ПК принимает сигналы
от подключенных входных устройств и производит выдачу управляющих сигналов на
ИМ.
Рис.5. Техническая структура САУ.
.3 Обоснование выбора программно-технического
комплекса (ПТК)
При выборе средств
автоматизации необходимо учитывать такие факторы как: вид используемой энергии,
наличие унифицированных сигналов, после подсчета сигналов необходимо
дополнительно выделить еще 10% от общего числа под резерв, область применения,
климатическое исполнение, доступность, цена и др. При автоматизации таких
процессов как составление концентрации, система автоматизации должна строиться
на однотипных приборах одной серии или фирмы. При модернизации и развитии
производства контроллер может быть легко дополнен необходимым набором модулей.
Модульное построение АСУ ТП
позволяет наращивать количество локальных комплексов управления
технологического уровня при реконструкции существующей автоматики или при вводе
в эксплуатацию новых единиц основного технологического оборудования. Для
процесса разбавления концентрации подходит ПЛК фирмы MITSUBISHI
серии FX 3U.
Сравнительные данные
контроллера представлены в таблице 5.
Таб.5 Сравнительные
характеристики ПЛК.
Наименование
КПС-19-06
FX 3U.
Общие
данные.
1)
Максимальные габариты
484*224*268
350*90*86
2)
Температура окружающей среды.
0-55
0-55
3)
Емкость зу
128Кбайт
1Мбайт
4)
Напряжение питания
24VDC/220VAC
24VDC/220VAC
5)
Максимальное кол-во дискретных вх/вых.
1024
256
6)
Максимальное кол-во аналоговых вх/вых.
240
384
Параметры
входов / выходов модулей
7)
Кол-во дискретных вх/вых модулей.
Зависит
от модуля
Зависит
от модуля
8)
Напряжение дискретных вх/вых.
24VDC/220VAC
24VDC/220VAC 8/16
Зависит
от модуля
10)
параметры аналоговых вх/вых
0-10v,0-5Ма,
0-20Ма,
0-5Ма,0-20Ма,
4-20Ма0-10v
11)
Разрядность АЦП аналоговых модулей.
12
12
12
) подключение шин интерфейсов
RS232/485
Ethernet
RS232/485,
(виртуальный COM
порт) Ethernet
13
) скорость обмена информации
68/136нс
0.065мс/лог
операцию
14
) ПО/операционная среда.
DOC Windows
Windows XP/7
15
) пакет программирования
C,C++.ASM 51
GX IEC
DEVELOPER
16)
сетевой доступ
да
да
Контроллер серии FX
3U Фирмы MITSUBISHI
является более предпочтительным потому что, имеет модульную конфигурацию,
большее число входных и выходных сигналов, к нему можно добавлять необходимые
модули и блоки.
4.4 Состав ПТК, его модули и их функции
Автоматизированная система управления
концентрацией бумажной массы перед дисковой мельнице строится на контроллере
фирмы MITSUBISHI
серии FX который
выполняет следующие функции.
• Собирает и обрабатывает измерительную
информацию, получаемую от контролируемого процесса.
• Собирает и обрабатывает данные о
состоянии исполнительных механизмов.
• Выполняет логические операции
• Аварийная обработка данных
• Отображение и распечатка текущих и
аварийных трендов
• Повышение надежности и безопасности
оборудования
• Автоматический пуск и останов
оборудования
• Защиты и блокировки.
• Комплексная диагностика
технологического оборудования и системы управления.
• Оперативный контроль и отображение
технологического процесса.
ПЛК семейства FX
-это программируемые контроллеры универсального назначения. Компактные
контроллеры объединяют в одном корпусе дискретный ввод/вывод, центральный
процессор, память и электропитание. Возможности их применения можно расширить,
благодаря различным опциям, например дополнительным входам и выходам,
аналоговому вводу/выводу. Контроллеры семейства FX
можно подключить ко всем наиболее распространенным сетям, например, Ethernet.CC-Link,
Profibus и т.д.
Модуль центрального процессора (CPU):
для решения задач различного уровня сложности может использоваться разных типов
производительности. Используя дополнительные опции аналоговых или дискретных
входов /выходов, модули позиционирования, модули интерфейсов можно создать
гибкую систему управления для любой задачи автоматизации.
Центральный процессор CPU
FX3U
предназначен для построения относительно простых систем так и сложных процессов
с высоким требованием к скорости обработки информации и малым временем реакции.
На данный момент FX3U
с его временем цикла 0,065 мкс на каждую логическую операцию является самым
быстрым контроллером семейства FX.
Входы и выходы обрабатываются с более высокой частотой, программа реагирует
быстрее и пользователь выигрывает благодаря более высокой точности процесса.
Память может вмещать до 64000 шагов программы.
Вход дискретных сигналов встроенный в модуле
предназначен для преобразования входных дискретных сигналов в его внутренние
логические сигналы, а выходные дискретные сигналы это преобразованные
внутренние логические сигналы контроллера. Дискретные входа могут работать с
контактными датчиками, кнопками, а выхода способны управлять релейной схемой,
магнитными пускателями, сигнальными лампами.
Модуль ввода аналоговых сигналов FX2N-8AD
выполняет аналого-цифровое преобразование входного аналогового сигнала и
формирует цифровые значения мгновенных значения аналоговых величин. Эти
значения используются центральным процессором в ходе выполнения программы.
Модуль вывода аналогового сигналаFX2N4DA
предназначен для цифро-аналогового преобразования внутренних цифровых величин
контроллера в выходные аналоговые сигналы.
Аналоговый модульFX2N-8AD
c 8 каналами
способны определять напряжение, токи, температуру (в том числе одновременно).
Разрешающая способность аналогового модуля семейства FX
составляет от 8до 16 бит.
Имея встроенный интерфейс для программирования и
связи между контроллером и панелью оператора, дает возможность создать
небольшую автоматизированную систему, а встроив дополнительный интерфейсный
адаптер можно использовать его в качестве второго коммуникационного интерфейса RS485/RS422/RS232/USB
для программирования или для построения коммуникационной сети.
Применение модуля интерфейса FX3U-ENET
позволяет расширить функции связи ПЛК с другими ПЛК и построить систему АСУТП
верхнего уровня для решения более глобальных задач автоматизации производства.
Панель оператора, обеспечивающая человеко-машинный
интерфейс, облегчает диалог между оператором и машиной. Панель серии G1000
-это сенсорный экран, с высоким разрешением от256 до 65536 цветов с
возможностью отображать сложные графические элементы. Мультимедийные
возможности позволяют использовать видеоролики в качестве подсказок для
оператора (например, при неполадках). Быстрый USB-порт
с прозрачным режимом передачи данных в контроллер. Кодировка Unicjdt
позволяет отображать информацию на большинстве языках.
Дополнительные интерфейсы для Ethernet.
Melsec net/10/H,
CC-Link
IE, а также
дополнительный портRS232,RS422.Для
программирования семейства
GOT имеется
среда программирования GT
Designer2., которую можно
установить на любом компьютере с операционной системой Windows.
Основные функции и решаемые задачи ПТК на базе
контроллера серии FX3U.
.Реализация всех систем автоматического контроля
и управления, указанных в схеме автоматизации.
.Адаптивная настройка САУ без вмешательства
оператора.
.Управление с пульта исполнительными
механизмами.
. Плавный переход системы из автоматического
режима в ручной.
.Програмирование и отладка программного
обеспечения с помощью инструментов программирования (например, GX
Developer).
Рис.6 Блок схема связи ПТК на базе контроллера MITSUBISHI
серии FX3U.
5. Расчет предлагаемой САУ
.1 Формирование требований по качеству для
предлагаемой САУ Алгоритмическая схема САУ
Основными требованиями к САУ концентрации массы
сводятся к следующему, она должна обеспечивать с заданной точностью дозирование
воды в заранее установленных пределах. Она должна работать как в ручном, так и
в автоматическом режимах. САУ должна постоянно следить и отображать состояние
технологического процесса. Иметь возможность оперативно изменять настройки
регулятора. Критерии качества:
Точность управления + - 0,1% , исходя из
точности время регулирования, время переходного процесса ;
- Степень затухания ц=1- Интегральный критерий качества Показатель колебательности
переходного процесса ц=1- Рис.7. Алгоритмическая схема САУ концентрацией
массы перед дисковой мельницей.
5.2 Расчет и построение колебательной границы
устойчивости САУ
Wр(p)
- передаточная функция объекта регулирования. Wд(p) -
передаточная функции датчика концентрации.
Исполнительный механизм с позиционером:
Передаточная
функция органа регулирования.
Wро(Р)=Кро= Wоб.экв.(Р)=6,25*2,7*0,6* Рис.8. График колебательной границы области устойчивости
Рис.9. График линии равной колебательности
(равного запаса устойчивости).
Рис. 10 . Переходный процесс по задающему
ступенчатому воздействию А=0,6% В= 0,07 % С= 0,008%
Анализ переходных процессов
. Расчет перерегулирования
где А- максимальное значение;
В - новое установившееся состояние.
. Расчет затухания за период
Ш =(1 - Ш = 0,88
. Время переходного процесса tпер.пр.=
32 cек.
. Колебательность
. Число колебаний - 2
. Время регулирования tрег.=18с.
6. Эффективность САУ
Экономическая эффективность автоматизации
заключается в уменьшении потребления энергоресурсов и его потери при
транспортировке за счет плавности протекания процесса:
К социальной эффективности можно отнести
облегчение и улучшение условий труда. Облегчение труда рабочих в
автоматизированном производстве обеспечивается освобождением их от
непосредственного участия в производстве.
Так же можно отнести снижение травматизма на
рабочем месте - работник, который наблюдает за технологическим процессом
находиться на удаленном расстоянии от рабочих частей машины.
Заключение
В данной работе представлен проект автоматизации
узла разбавления бумажной массы перед дисковой мельницей как объекта
автоматизации.
Обоснована необходимость модернизации
существующей системы автоматизации. Разработана новая система автоматизации на
базе контроллера FX
3U.
автоматический управление контроллер
Список использованных источников
1. Буйлов Т.П., Доронин В.А.,
Серебряков Н.П. Автоматика и автоматизация производственных процессов ЦБП:
учебное пособие. Экология, 1995.- 320 с.
2. Серебряков Н.П., Буйлов Г.П.
Основы автоматизированного проектирования систем автоматизации в ЦБП/ ЛТИЦБП.-
Л., 1990.- 35 с.
. Суриков В.Н., Малютин И.Б.,
Серебряков Н.П. Автоматизация технологических процессов и производств:
учебно-методическое пособие/ СПбГТУРП.- СПб., 2011.- 62 с.
. Буйлов Г.П. Автоматизация
оборудования ЦБП: учебное пособие/ СПбГТУРП.- СПб., 2009.- 167 с.
. Плетнёв Г.П. Автоматизация
технологических процессов и производств в теплоэнергетике: учебник для
студентов вузов.- М.: МЭИ.- 2007.- 352 с.
6. Кугушев И.Д. Терентьев О.А.
Бумагоделательные и картоноделательные машины / СПб. 2008.
7. Иванов С.Н. Технология бумаги.
2-е изд. перераб. - М.: Лесная промышленность, 2007.-696с.
8. Технологический регламент
ОАО «ПЗБФ» 2013год.
. Проспект фирмы Mitsubishi
Electric. М 2009.
(1)
(2)
(3)
(4)
(5)
(6)
(7)
(8)
- неизвестно
-
неизвестно
и
(9)
![]()
![]()
(10)
![]()
![]()
(11)
![]()
![]()
(12)
![]()
![]()
(13)
![]()
(14)
![]()
![]()
![]()
![]()
(15)
![]()
(16)
![]()
(17)
![]()
(18)
![]()
(19)
![]()
(20)
![]()
(21)
![]()
(22)
![]()
(23)
![]()
(24)
![]()
(25)
![]()
м3
![]()
3
![]()
[с] ![]()
[с] (26)
![]()
![]()
(27)
![]()
![]()
(28)
![]()
![]()
(29)
![]()
(30)
![]()

![]()
= ![]()
![]()
![]()
![]()
;
![]()
- min. Если ц=
0.9-0.95, то ![]()
.
![]()
![]()
, Если ц= 0.9, то ![]()
.
![]()
![]()
![]()
[%],
[%]
![]()
*100% ,
%