Материал: Разработка рекомендаций по повышению энергоэффективности первого участка поселка Шексна

Внимание! Если размещение файла нарушает Ваши авторские права, то обязательно сообщите нам

Температура теплоносителя в подающем и обратном трубопроводах определяется тепломером.

Производительность дымососа определяется величиной разрежения в топочном пространстве котла.

.3.2 Исполнительный механизм

Для управления регулирующими органами применяются однооборотные электрические исполнительные устройства. Главное их предназначение - обеспечить плавность хода регулирующих органов. От регулирующих приборов управляются исполнительные механизмы.

Исполнительные устройства состоят из электрического двигателя, редуктора, датчиков положения, конечных выключателей и штурвала ручного управления.

.4 Защита и блокировка

При следующих ситуациях происходит аварийное отключение котлового агрегата:

повысилось или понизилось давление теплоносителя или газа сверх установленных норм;

погас факел в топочном пространстве котла;

вышел из строя дымосос или дутьевый вентилятор.

При этом подается сигнал на прекращение подачи газа, прекращение работы вентилятора и дымососа, включается сигнализация в диспетчерской и непосредственно на щите управления.

В таблице 7.1 представлена спецификация автоматизирующих устройств для котла марки КВа-1,0Г.

Таблица 7.1

Спецификация автоматизирующих устройств для котла КВа-1,0Г

Позиция

Наименование и технич. характеристика

Тип, марка оборудования

Условные обозначения

Кол-во

1

Манометр типа МЭД, предел измерения 0,4 МПа; класс точности 1

МЭД22364

1

2

Дифманометртипа ДМ прибор дифтрансформаторной схемы типа КСД

КСД

1

3

Дифманометр типа ДТ

ДТ-2

1

4

Датчик погасания факела

ФДЧ-ТМ.2

1

5

Регулирующий прибор системы "Контур-2 РС.29.2" с исполнительным механизмом типа МЭО

Контур-2 РС.29.0

1

6

Термопреобразователь, пределы от -500С до +1500С, класс точности К-1

ТСП-0879-1

1

7

Электромагнитный расходомер

ИР-61

1

8

Термометр технический ртутный стеклянный №5 предел измерений от 0 до 1600С; цена деления шкалы 10С

ТТ

2


В таблице 7.2 представлена метрологическая карта автоматизирующих устройств для котла КВа-1,0Г.

Таблица 7.2

Метрологическая карта автоматизирующих устройств для котла КВа-1,0Г

Название прибора

Тип

Предел измерения, оС

ГОСТ

Размеры

1. Манометр общего назначения показывающий

МЭД22364

От-40 до 70

ГОСТ 2823-73

d=100 мм

2. Прибор дифтрансформаторной схемы

КСД

От 5 до 50

ГОСТ 2823-73

240х320х446

3. Дифманометр

КСД

От 5 до 50

ГОСТ 2823-73

320х320х395

ФДЧ-ТМ.2

От 5 до 50

ГОСТ 2823-73

200х200х120

5. Регулирующий прибор системы

РС.29.0

От -10 до 10

ГОСТ 2823-73

160х60х325

6. Термопреобразователь

ТСП-0879-1

От -50 до 250

ГОСТ 2823-73

d=8, 620х80

7. Электромагнитный расходомер

ИР-61

От 0 до 150

ГОСТ 2823-73

-

8. Термометр технический ртутный стеклянный

ТТ

От 0 до 100

ГОСТ 2823-73

230х103


6.5 Технико-экономическая эффективность автоматизации

Главные преимущества автоматизации котел марки КВа-1,0Г:

за счет постоянного автономного контроля и регулирования рабочих параметров системы повышается качество теплоснабжения;

улучшенный эксплуатационный режим способствует экономии тепловой энергии, топлива и электрической энергии, снижает затраты на ремонт оборудования;

введение комплекса автоматики позволяет сократить количество обслуживающего персонала и, как следствие, сократить эксплуатационные расходы;

высококачественный контроль и автоматическое управление рабочими процессами обеспечивают бесперебойность и большую надежность работы системы теплоснабжения.

.6 Решения в области автоматизации

Автоматизации подлежат:

котельные агрегаты и горелочные устройства;

топливоподающее оборудование;

вспомогательное оборудование;

аварийное освещение помещения котельной;

щит диспетчера (ЩД-1);

щит управления (ЩУ-1).

Котел КВа1,0-Г оборудован защитой при:

понижении давления газа перед горелкой Рр<30 мбар;

повышении давления газа перед горелкой Рр>50 мбар;

понижении давления воздуха перед горелкой;

разгерметизации клапанов горелки;

погасании контролируемого пламени горелки;

открытии горелочной дверцы котельного агрегата;

срабатывании датчиков дыма в котельном помещении;

повышении температуры теплоносителя на выходе выше 95оС.

После устранения неполадок повторный запуск котельного обрудования производится вручную из помещения котельной.

Информация о сбоях в работе котельной передается на диспетчерский пульт эксплуатирующей организации.

.7 Контрольно-измерительные приборы

В соответствии с нормативной и технической документацией котельная оснащена необходимыми контрольно-измерительными приборами.

К ним относятся:

показывающие, регистрирующие и суммирующие (счетчик трехфазной электрической энергии; счетчик холодной воды на собственные нужды котельной; счетчик общего количества тепла, отпускаемого с котельной);

показывающие (манометры на всасывающих и выходных патрубках насосов, на подающей и обратной магистралях, на подающем и обратном трубопроводах котлов, на входе-выходе воды из фильтров, на вводе холодной воды в котельную; манометры давления газа; термометры на подающих и обратных трубопроводах, на входе-выходе воды из котла, на газоходах, на вводе холодной воды в котельную).

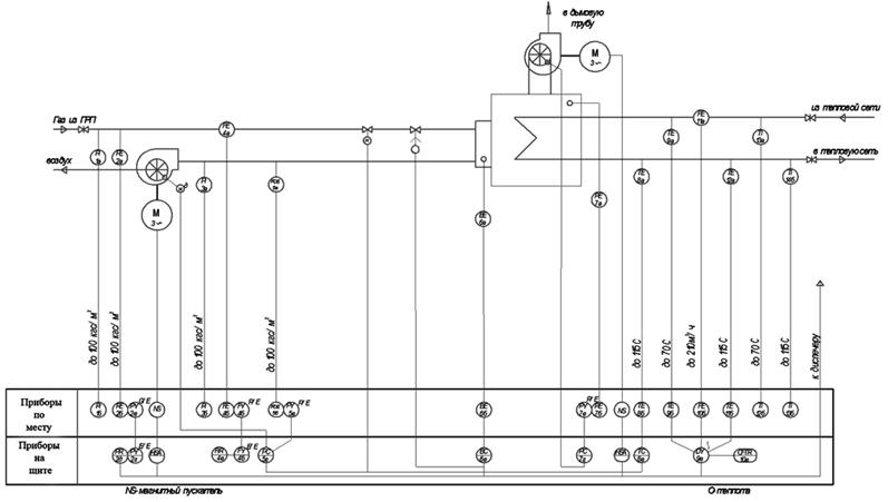
На рисунке 6.1 показана функциональная схема автоматизации котла КВа-1,0Г.


Рисунок 6.1 - Функциональная схема автоматизации котла КВа-1,0Г

. БЕЗОПАСНОСТЬ ЖИЗНЕДЕЯТЕЛЬНОСТИ ПРИ ЭКСПЛУАТАЦИИ ОБОРУДОВАНИЯ ПОД ДАВЛЕНИЕМ

Согласно [20], при возникновении неполадок оборудования под давлением, рабочий персонал эксплуатирующей организации должен следовать следующим ниже инструкциям:

Котел должен быть немедленно остановлен и отключен действием защит или персоналом в случаях, предусмотренных инструкцией, и в частности в случаях:

а) обнаружения неисправности предохранительного клапана;

б) если давление в барабане котла поднялось выше разрешенного на 10% и продолжает расти;

в) снижения уровня воды ниже низшего допустимого уровня;

г) повышения уровня воды выше высшего допустимого уровня;

д) прекращения действия всех питательных насосов;

е) прекращения действия всех указателей уровня воды прямого действия;

ж) если в основных элементах котла (барабане, коллекторе, камере, пароводоперепускных и водоспускных трубах, паровых и питательных трубопроводах, жаровой трубе, огневой коробке, кожухе топки, трубной решетке, внешнем сепараторе, арматуре) будут обнаружены трещины, выпучины, пропуски в их сварных швах, обрыв анкерного болта или связи;

з) недопустимого повышения или понижения давления в тракте прямоточного котла до встроенных задвижек;

и) погасания факелов в топке при камерном сжигании топлива;

к) снижения расхода воды через водогрейный котел ниже минимально допустимого значения;

л) снижения давления воды в тракте водогрейного котла ниже допустимого;

м) повышения температуры воды на выходе из водогрейного котла до значения на 20°C ниже температуры насыщения, соответствующей рабочему давлению воды в выходном коллекторе котла;

н) неисправности автоматики безопасности или аварийной сигнализации, включая исчезновение напряжения на этих устройствах;

о) возникновения в котельной пожара, угрожающего обслуживающему персоналу или котлу.

Сосуд должен быть немедленно остановлен в случаях, предусмотренных инструкцией по режиму работы и безопасному обслуживанию, в частности:

а) если давление в сосуде поднялось выше разрешенного и не снижается, несмотря на меры, принятые персоналом;

б) при выявлении неисправности предохранительного устройства от повышения давления;

в) при обнаружении в сосуде и его элементах, работающих под давлением, неплотностей, выпучин, разрыва прокладок;

г) при неисправности манометра и невозможности определить давление по другим приборам;

д) при снижении уровня жидкости ниже допустимого в сосудах с огневым обогревом;

е) при выходе из строя всех указателей уровня жидкости;

ж) при неисправности предохранительных блокировочных устройств;

з) при возникновении пожара, непосредственно угрожающего сосуду, находящемуся под давлением.

Трубопровод должен быть немедленно остановлен и отключен действием защит или персоналом в случаях, предусмотренных инструкцией, в частности:

а) при выявлении неисправности предохранительного устройства от повышения давления;

б) если давление в трубопроводе поднялось выше разрешенного и не снижается, несмотря на меры, принятые персоналом;

в) если в основных элементах трубопровода будут обнаружены трещины, выпучины, пропуски в их сварных швах, обрыв анкерного болта или связи;

г) при неисправности манометра и невозможности определить давление по другим приборам;

д) при неисправности предохранительных блокировочных устройств;

е) при защемлении и повышенной вибрации трубопровода;

ж) при неисправности дренажных устройств для непрерывного удаления жидкости;

з) при возникновении пожара, непосредственно угрожающего трубопроводу.

Причины аварийной остановки оборудования под давлением должны фиксироваться в сменных журналах.

На ОПО, на которых используется оборудование под давлением, должны быть разработаны и утверждены инструкции, устанавливающие действия работников в аварийных ситуациях. Инструкции должны быть выданы на рабочее место под роспись каждому работнику, связанному с эксплуатацией оборудования под давлением. Знание инструкций проверяется при аттестации специалистов и допуске рабочих к самостоятельной работе.

Объем инструкций зависит от особенностей технологического процесса и типа эксплуатируемого оборудования под давлением.

В инструкциях, устанавливающих действия работников в аварийных ситуациях, наряду с требованиями, определяемыми спецификой ОПО, должны быть указаны следующие сведения для работников, занятых эксплуатацией оборудования под давлением:

а) оперативные действия по предотвращению и локализации аварий;

б) способы и методы ликвидации аварий;

в) схемы эвакуации в случае возникновения взрыва, пожара, выброса токсичных веществ в помещении или на площадке, где эксплуатируется оборудование, если аварийная ситуация не может быть локализована или ликвидирована;

г) порядок использования системы пожаротушения в случае локальных возгораний оборудования ОПО;

д) порядок приведения оборудования под давлением в безопасное положение в нерабочем состоянии;

е) места отключения вводов электропитания и перечень лиц, имеющих право на отключение;

ж) места расположения аптечек первой помощи;

з) методы оказания первой помощи работникам, попавшим под электрическое напряжение, получившим ожоги, отравившимся продуктами горения;

и) порядок оповещения работников ОПО и специализированных служб, привлекаемых к осуществлению действий по локализации аварий.

Ответственность за наличие указанных инструкций лежит на руководстве ОПО, на котором используется оборудование под давлением, а их исполнение в аварийных ситуациях - на каждом работнике ОПО.

Порядок действий в случае инцидента при эксплуатации оборудования под давлением определяет эксплуатирующая организация и устанавливает в производственных инструкциях.

ЗАКЛЮЧЕНИЕ

. Выполнен обзор источников по теме дипломной работы.

. Проведен анализ системы теплоснабжения первого участка поселка Шексна. Дана общая характеристика системы, а также описание тепловых сетей, описание потребителей тепловой энергии.

. Рассчитаны основные параметры системы теплоснабжения, рассчитан гидравлический режим, построен пьезометрический график до самого удаленного потребителя.

. На основании анализа полученных результатов разработаны мероприятия по повышению качества теплоснабжения первого участка поселка Шексна, а именно регулировка гидравлического режима и рекомендации по потенциальной замене трубопроводов на отводящих участках на трубопроводы с меньшим диаметром.

. Рассчитана экономическая эффективность предложенных мероприятий, в частности рассчитаны NPV и сроки окупаемости. На основании этого даны рекомендации к проведению регулировки гидравлического режима и потенциальной замене отводящих трубопроводов.

. Проведена работа по подбору системы автоматизации котла КВа1,0-Г.

. Выполнен раздел по безопасности жизнедеятельности при эксплуатации оборудования под давлением.

. В рамках дипломной работы подготовлена презентация в электронном виде, которая отражает основные тезисы и выводы по теме работы.

СПИСОК ИСПОЛЬЗОВАННЫХ ИСТОЧНИКОВ

1. Современное состояние теплоснабжения России / А. Некрасов, Ю. Синяк, С. Воронина, В. Семикашев // Проблемы прогнозирования. - 2011. - №1 - С.30-43.

2.      Энергетическая стратегия России на период до 2030 года: распоряжение правительства РФ 13.11.2009 №1715 // Российская газета. - 2009. - 15 ноября. - С. 13.