Материал: Разработка программы для автоматизации работы магазина спортивной одежды

Внимание! Если размещение файла нарушает Ваши авторские права, то обязательно сообщите нам

Разработка программы для автоматизации работы магазина спортивной одежды

СОДЕРЖАНИЕ

Введение

.          Разработка концепции и требований к ИС

.1        Описание предметной области

.2        Описание недостатков

.3        Определение границ задачи

.4        Варианты использования ИС

.5        Определение требований к системе

.          Модель процессов

.1        Контекстная диаграмма

.2        Декомпозиция контекстной диаграммы

.3        Декомпозиция процесса «Оформить договор

.4        Декомпозиция процесса «Принять товар»

.5        Декомпозиция процесса «Настроить систему скидок»

.6        Декомпозиция процесса «Оформить заказ»

.7        Декомпозиция процесса «Продать товар»

.8        Декомпозиция процесса «Перераспределить товар»

.9        Декомпозиция процесса «Оформить замену товара»

.          Этап анализа

.1        Организационная структура магазина

.2        Функциональная модель

.3        Модель целей

.4        Организация локальной сети

.5        Определение ключевых абстракций и механизмов

.          Проектирование системы

.1        Диаграмма объектов

.2        Диаграмма взаимодействий

.3        Диаграмма классов

.4        Диаграмма процессов

.5        Диаграмма перехода состояний

.6        Диаграмма модулей

.7        Информационная модель

.8        База данных в MS ACCESS

.          Макетирование

.1        Назначение макета

.2        Главная форма

.3        Приложение продавца-консультанта

.4        Приложение директора

.5        Приложение товароведа

.6        Приложение администратора БД

.7        Приложение продавца

.8        Приложение администратора ТЗ

Заключение

Список литературы

Введение

Целью данной работы является разработка информационной системы, автоматизирующей основные процессы работы магазина спорт товаров, такие как продажа товара, оформление заказа, получение поставки товара, исключая бухгалтерские операции, для совершения которых используется другая информационная система.

Существует большое количество различных автоматизированных систем управления предприятием, таких как SLS-Магазин, Галактика, 1С, КСТ Система М3, которые могли бы использоваться для разработки необходимой информационной системы. Однако, исходя из финансовых возможностей организации, было принято решении о разработке собственной информационной системы, которая не будет содержать ненужный функционал и нуждаться в разработчиках, специализирующихся на определенной платформе, что влияет на итоговую цену продукта, но которая будет проста в понимании для персонала и будет удовлетворять всем необходимым потребностям магазина.

1. РАЗРАБОТКА КОНЦЕПЦИИ И ТРЕБОВАНИЙ К ИС

1.1 Описание предметной области

Объектом автоматизации является магазин спорттоваров, который ведет деятельность по реализации спортивных товаров. Общая площадь помещения делится на торговый зал, основной склад и офисную часть. В торговом зале работают такие сотрудники как продавцы, продавцы-консультанты и администратор торгового зала. Офисные помещения занимает отдел бухгалтерии, кадров и директор. Товаровед выполняет свои функции на складе, который примыкает к торговому залу.

Директор магазина заключает договоры поставки товаров с фирмами-поставщиками. В договоре указываются данные о поставщике (наименование, юридический адрес, телефон), определяется номенклатура и количество поставляемых товаров, дата поставки, цена партии, а также склад, на котором будет храниться товар (поскольку число складов может возрасти).

Товар доставляется в магазин на транспортных средствах фирм-поставщиков и выгружается грузчиками под присмотром товароведа. При этом оформляются соответствующие документы (счет-фактура и т.д.), необходимые для бухгалтерской отчетности. Часть товаров выставляется на витрины, часть отправляется на склад. Для удобства все товары разделяются на категории: спорт (коньки и хоккей, единоборства, лыжи, сноуборды, теннис, волейбол, баскетбол и т.д.), туризм, тренажеры и фитнес (кардиотренажеры, силовые тренажеры, оборудование для фитнеса и т.д.), одежда, обувь.

При покупке товара клиент может обратиться за помощью к продавцу-консультанту для выяснения необходимой ему информации, после чего, уточнив интересующие его вопросы, оформляет покупку товара. Для этого он отправляется кассиру для оплаты товара, в результате чего получает чек, сам товар и, если нужно, гарантийный талон. При покупке габаритного товара покупатель имеет право заказать его бесплатную доставку в нужный пункт назначения.

Если же клиент, пообщавшись с продавцом-консультантом, выясняет, что интересующего его товара нет в наличии, то он может оставить свою заявку. В этом случае, после получения новой поставки, продавец-консультант сообщает клиенту о наличии товара, который покупатель может забрать в удобное ему время.

Купив какой-либо продукт, клиент может обнаружить его неисправность. В этом случае он обращается к администратору торгового зала, где ему по гарантии могут вернуть деньги или заменить бракованный товар на другой.

В магазине работает определенная система скидок, установлением которых занимается директор. Эти скидки влияют на рост продаж определенных товаров.

В магазине существует понятие сезонности. Договоры на поставку лыжных костюмов, например, не заключаются на летний период. Однако, если во время смены сезона ненужные товары остались в торговом зале, то есть не были куплены, они отправляются на склад до следующего соответствующего сезона. «Устаревшие» товары меняются на актуальные в новом сезоне продукты.

1.2 Описание недостатков

Существующие в магазине бизнес-процессы не автоматизированы, что значительно замедляет скорость и понижает качество обслуживания клиентов. У организации нет единой базы данных, из-за чего сложно отслеживать оборот товаров, вести их учет. Потеря каких-либо данных или недостача товаров при инвентаризации в таком случае неминуема, что влияет на экономическую составляющую магазина.

1.3 Определение границ задачи

Разрабатываемая информационная система (ИС) должна сократить время и повысить качество выполнения основных бизнес-процессов магазина, уменьшить затраты труда, обеспечить оперативное получение информации, а также надежное хранение всех необходимых данных о работе магазина в одном месте.

ИС должна автоматизировать следующие процессы магазина:

·        приемка поставки;

·        учет товара;

·        оформление договора;

·        оформление заказа клиента;

·        продажа товара;

·        оформление гарантийного талона;

·        оформление доставки товара;

·        замена бракованного товара;

·        перераспределение товара;

·        установление скидок.

Таким образом, можно выделить принципиально важные задачи, которые она должна выполнять. Система должна предоставлять по запросу пользователя интересующую его информацию о различных аспектах работы магазина. Система также должна предоставлять возможность не только просматривать, но и редактировать и обновлять данные. Также немаловажная задача системы - защита информации от нежелательных воздействий, что возможно за счет идентификации пользователей и предоставлении им разных прав доступа.

Исходя из этого, можно подытожить, что система имеет четыре основных функции:

1.      Аутентификация;

2.      Изменение содержимого базы данных в рамках процессов:

§  Добавление/изменение учетной записи;

§  Продажа товара;

§  Прием товара;

§  Оформление заказа;

§  Оформление договора поставки;

§  Установление скидок;

§  Оформления замены товара;

§  Оформление гарантийного талона;

§  Оформление доставки товара;

§  Сортировка товара;

§  Перераспределение товара;

3.      Предоставление отчетности;

4.      Просмотр БД.

1.4 Варианты использования ИС

ИС должна работать с единой базой данных магазина и представлять собой клиентское приложение. Системой смогут пользоваться следующие сотрудники:

·        товаровед;

·        директор;

·        продавец-консультант;

·        продавец (кассир);

·        администратор торгового зала;

·        администратор БД.

Каждый сотрудник имеет свой набор функций, которые он должен выполнять, в том числе при помощи ИС. Возможные варианты использования системы сотрудниками представлено на рисунке 1.

Рисунок 1 - Диаграмма вариантов использования

Рисунок 1 - Диаграмма вариантов использования (продолжение)

Исходя их анализа диаграммы вариантов использования, для каждого из сотрудников будет создано свое приложение. Список функций для каждого приложения, автоматизация которых предусмотрена ИС:

·        Приложение товароведа:

1.                приемка поставки;

2.      сортировка товара;

.        редактирование/добавление данных;

.        создание запроса;

·        Приложение директора:

1.                установление скидок;

2.      оформление договора;

.        редактирование/добавление данных;

.        создание запроса;

·        Приложение продавца-консультанта:

1.                создание запроса;

2.      оформление заказа;

·        Приложение продавца:

1.                продажа товара;

2.      оформление гарантийного талона;

.        оформление доставки товара;

·        Приложение администратора торгового зала:

1.                замена бракованного товара;

2.      перераспределение товара;

.        создание запроса;

·        Приложение администратора БД:

1.                редактирование/добавление данных;

2.      создание запроса;

.        настройка прав доступа;

.        копирование/восстановление БД.

1.5 Определение требований к системе

) Общие требования:

·        Возможность быстрого занесения данных в систему;

·        Разделение прав доступа к различной информации;

·        Редактирование учетных записей;

·        Формирование отчетов о поставках, заказах и продажах товара и т.д. за заданный период времени;

·        Дружественный интерфейс;

·        Простота реализации запросов.

) Требования к надежности:

·        Контроль корректности вводимых данных.

·        Защита информации за счет аутентификации пользователей, организации прав пользователей.

·        Резервное копирование информации, возможность восстановления данных в случае отказа системы.

) Требования к техническим средствам:

Процессор 2 ГГц и выше;

ОЗУ 512 МБ и выше;

Место на HDD 20 ГБ и выше.

) Требования к программной совместимости:

Система должна быть совместима с ОС Windows XP, Windows 7. Для разработки системы желательно использовать среду программирования Delphi, а также любую возможную СУБД для реализации базы данных.

2. МОДЕЛЬ ПРОЦЕССОВ

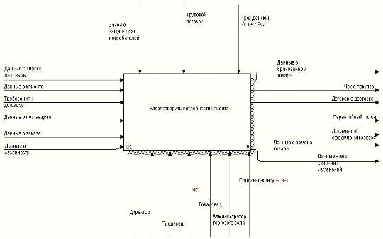
2.1 Контекстная диаграмма

Контекстная диаграмма модели процессов (Рисунок 2) отображает ИС в виде «черного ящика», где определены входные и выходные данные, управляющие воздействия и ограничения. Входными значениям здесь являются данные о клиентах, поставщиках, товарах, договорах, сезонности и т.д. Входные данные в основном необходимы для формирования БД магазина. Управляющими воздействиями представлен закон РФ «О защите прав потребителей», трудовой договор, обязывающий сотрудников выполнять свои функции, Гражданский кодекс РФ, где описываются правила подписания договоров и совершения сделок. Механизмы представляют собой сотрудников магазина, которые с помощью ИС выполняют различные операции. Наконец, выходные данные - это результаты работы магазина, такие как подписанные договора, чеки на покупку товара, гарантийные талоны и т.д.

Рисунок 2 - Контекстная диаграмма работы магазина

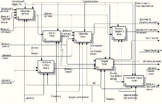
2.2 Декомпозиция контекстной диаграммы

Диаграмма декомпозиции на рисунке 3 раскрывает следующие процессы контекстной диаграммы:

·   оформление договора;

·        приемка товара;

·        настройка системы скидок;

·        оформление заказа;

·        продажа товара;

·        перераспределение товара;

·        оформление замены товара.

Все процессы так или иначе связаны друг с другом посредством входных и выходных связей. Каждый из них управляется определенным сотрудником, и регламентируется теми или иными документами.

Рисунок 3 - Декомпозиция контекстной диаграммы ИС

2.3 Декомпозиция процесса «Оформить договор»

Процессом оформления договора (Рисунок 4) занимается директор магазина. Он проводит переговоры с поставщиком, в результате которых определяются условия договора в зависимости от спроса клиентов на товары и текущего сезона. После определения условий бумажный договор подписывается, а необходимые данные о договоре заносятся в базу данных ИС, поскольку в дальнейшем они будут использоваться в работе других подразделений. Директор выполняет свои обязанности согласно трудовому договору, а подписывает договор поставки исходя из правил ГКРФ.

Для процесса занесения данных также требуется декомпозиция. На рисунке 5 отображено, какие данные необходимо внеси в БД, а это: данные о поставщике, о товаре, о количестве, цене и дате поставки. Этим также занимается директор, использую ИС.

Рисунок 4 - Декомпозиция процесса оформления договора

Рисунок 5 - Декомпозиция процесса занесения данных договора

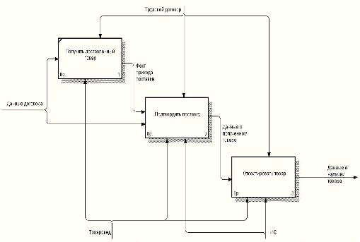
2.4 Декомпозиция процесса «Принять товар»

Процессом приемки товара (Рисунок 6) занимается товаровед. В его обязанности, регламентируемые трудовым договором, входят процессы получения новой поставки, подтверждения этой поставки в ИС для обновления БД и сортировки полученных товаров по категориям, если это не произошло автоматически в ИС.

Рисунок 6 - Декомпозиция процесса приемки товара

Для процесса занесения данных и процесса сортировки также требуется декомпозиция. На рисунке 7 показано, что для подтверждения поставки товаровед, выбрав в ИС из имеющего списка нужный договор, указывает, что поставка, определенная в данном договоре на данную дату пришла. Для процесса сортировки товара (Рисунок 8) товаровед из таблицы списка пришедшей поставки выбирает тот товар, для которого категория не установилась автоматически, и выбирает для него нужную.