Материал: Разработка микропроцессорной системы контроля и управления доступом

Внимание! Если размещение файла нарушает Ваши авторские права, то обязательно сообщите нам

Разработка микропроцессорной системы контроля и управления доступом

СОДЕРЖАНИЕ

Введение

Анализ существующих систем контроля и управления доступом (СКУД)

Разработка структурной схемы

Описание работы устройства

Построение алгоритма работы СКУД

Разработка программы работы СКУД

Выбор и обоснование эмулятора МПС для отладки программы работы СКУД

Отладка программы СКУД

Заключение

Список использованных источников

Приложение А - Алгоритм программы работы системы контроля и управления доступом

Приложение Б - Текст программы системы контроля и управления доступом

ВВЕДЕНИЕ

Осуществление безопасности, предотвращение утечки информации, и контроль эффективности работы персонала на предприятии являются одними из самых важных и значительных проблем на многих предприятиях, в наше время. Для того, что бы её обеспечить используются системы контроля и управления доступом. Данные системы представляют собой совокупность программно-аппаратных технических средств безопасности, имеющих целью ограничение и регистрацию входа-выхода объектов (людей, транспорта) на заданной территории через «точки прохода»: двери, ворота, КПП.

Для идентификации личности современные электронные систем контроля и управления доступом (СКУД) используют устройства нескольких типов. Наиболее распространенными являются:

кодонаборные устройства ПИН-кода (кнопочные клавиатуры);

считыватели бесконтактных смарт-карт (интерфейс Виганда);

считыватели проксимити-карт;

считыватели ключа «тач-мемори»;

считыватели штрих-кодов;

биометрические считыватели.

В данном курсовом проекте будет разработана СКУД, отвечающая за дверной, магнитный замок. Для идентификации личности будет использован голос пользователя.

Микропроцессорная система (МПС) будет разработана на основе микропроцессора серии КР580ВМ80а. Данный процессор был выбран потому, что он имеет раздельные 16-разрядный канал адреса и 8-разрядный канал данных, что обеспечивает прямую адресацию внешней памяти объёмом до 65536 байт, 256 устройств ввода и 256 устройств вывода.

1 АНАЛИЗ СУЩЕСТВУЮЩИХ СИСТЕМ КОНТРОЛЯ И УПРАВЛЕНИЯ ДОСТУПОМ

Согласно ГОСТ 51241-2008 “Средства и системы контроля и управления доступом. Классификация. Общие технические требования. Методы испытаний”, СКУД - это совокупность средств контроля и управления доступом, обладающих технической, информационной, программной и эксплуатационной совместимостью.

Существуют различные конфигурации систем контроля управления доступом: самые простые из них рассчитаны всего на одну входную дверь, а самые сложные предназначены для контроля доступа на крупных объектах - предприятиях, заводах и банках. При этом самый простой вариант СКУД представляет из себя обычный домофон. Независимо от конфигурации СКУД, каждая подобная система состоит из нескольких обязательных узлов, это - контролеры для управления, считыватели для идентификации, а также всевозможные исполнительные устройства ограничения доступа: турникеты, электромагнитные замки и защелки. Электронные бесконтактные карты в качестве пропусков являются самым распространенным и удобным средством идентификации в системах контроля доступа.

Работает система контроля и управления доступом следующим образом: на проходной предприятия, при входе в ответственные помещения устанавливаются средства контроля доступа: электромеханические турникеты, электромеханические или электромагнитные замки, считыватели бесконтактных карт. Все эти устройства подключаются к контроллерам системы управления доступом. В состав оборудования системы контроля доступа могут входить 2 типа контроллеров: контроллеры замка и контроллеры турникета, каждый из которых отвечает за контроль работы собственного узла. Каждому сотруднику предприятия выдается персональный идентификатор, чаще всего это оказывается бесконтактная карта доступа - пластиковая карточка с уникальным электронным кодом

(Proximity карта). Но возможно и применение магнитных карт или т.н. Touch memory устройств. Этот идентификатор одновременно является пропуском на проходной организации и ключом от тех помещений, куда сотруднику разрешен доступ. Для прохода через турникет или входа в ответственное помещение работники предприятия должны поднести свою карту доступа к считывателю, после чего считыватель передает код предъявленной карты в контроллер, а контроллер доступа принимает решение о разрешении или запрете прохода на основании заложенной в него информации. В случае если доступ разрешен, система контроля доступа автоматически разблокирует турникет или замок на двери. Так, например, контроллер СКУД может быть запрограммирован на пропуск конкретных сотрудников в определенные помещения только в заданные промежутки времени, скажем, с 9 до 18 часов. К контроллеру СКУД также можно подключить охранную сигнализацию, в состав которой входят охранные датчики. Все события о проходах через контрольные пункты фиксируются в памяти системы управления доступом и могут использоваться для автоматизированного учета рабочего времени, а также для получения отчетов по дисциплине труда или для возможных служебных расследований на предприятии. Также с помощью СКУД можно осуществлять контроль въезда автотранспорта на территорию объекта, в этом случае после предъявления персонального идентификатора происходит открытие ворот или подъем шлагбаума.

В наше время существует большое количество СКУД систем. Анализ существующих компьютерных систем поможет определить их достоинства и недостатки.

СКУД на основе идентификации по геометрическому строению руки и пальцев

Эти способы личной идентификации очень хорошо известны. Идентификация по форме руки была доступна на протяжении 20 лет. Для того, чтобы идентифицировать человека, системе достаточно измерить либо физические характеристики пальцев, либо руки, такие как длина, ширина, толщина и поверхностные области руки. Одной интересной характеристикой этой технологии является малый объем биометрического образца, необходимого для идентификации (несколько байтов). Идентификация по руке уже доказала свои преимущества в большом числе применений.

Практически всё о конкретном человеке можно прочитать по его руке. Однако, в биометрике в целях идентификации (или аутентификации) используется сейчас только простая геометрия руки - размеры и форма, а также некоторые информационные знаки на тыльной стороне руки (образы на сгибах между фалангами пальцев, узоры расположения кровеносных сосудов).

В биометрике выделяются два основных метода распознавания по геометрии кисти руки:

Первый существует уже более 25 лет - от зарождения биометрических систем контроля доступа к помещениям, основан исключительно на геометрических характеристиках кисти руки. С точки зрения компактности образа этот класс систем является самым экономичным. В простейшем варианте хранится только информация о длине и ширине пальцев и требуется всего 9 байт. Естественно, что для систем, учитывающих только длину и ширину пальцев, может быть легко изготовлен картонный муляж руки оригинала. Более сложными являются системы, измеряющие профиль руки, что включает объем кисти, пальцев, неровности ладони, расположение складок кожи на сгибах.

На рисунке 1.1 показаны контрольные (характеристические) точки силуэта руки и 17 исходных геометрических признаков руки, в данном случае отмеченные отрезками прямых линий, которые не входят в силуэты кисти. Как видно, исходными биометрическими признаками руки являются ширина ладони, радиус вписанной в ладонь окружности, длины пальцев (определяемые как расстояния от выделенных верхних контрольных точек до середин линий, соединяющих нижние контрольные точки), ширина пальцев и высота кисти руки в трех пунктах, отмеченных линиями а, b и c.

Рисунок 1 - Контрольные (характеристические) точки силуэта руки

Второй (более современный) - основан на смешанных характеристиках геометрических и образовых. К последним относятся образы на сгибах между фалангами пальцев, узоры (расположение) подкожных кровеносных сосудов. С руки снимаются четыре характеристики, из которых три являются скалярами и относятся к размерам пальцев.

Три первые характеристики - это ширина указательного пальца 1, высота указательного пальца 2 и длина среднего пальца 3, оцениваемая так, как показано на рисунке 1.2. Характеристика 4, в рассматриваемом случае, представляет собой изображение складок кожи на сгибе между средней и нижней фалангами указательного пальца. Вся информация о руке в рассматриваемом классе систем может быть записана не более чем 9 байтами.

Рисунок 2 - Геометрические и образцовые характеристики силуэта руки

В данной курсовой работе будет разработана простейшая СКУД рассчитанная на контроль одной двери с проверкой биометрического параметра: голос. Мой выбор пал именно на этот способ проверки пользователя потому, что он является одним из самых интересных.

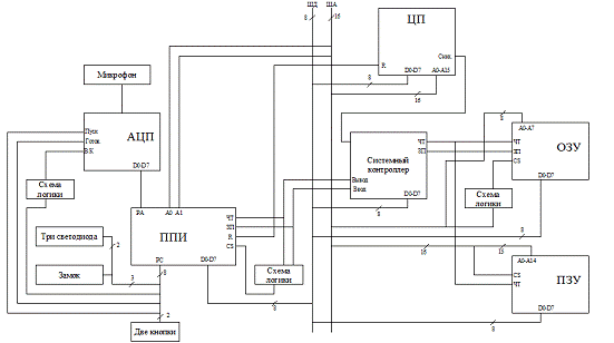
РАЗРАБОТКА СТРУКТУРНОЙ СХЕМЫ

В состав проектируемой системы входят:

-       Центральный процессор (ЦП)

-       Оперативное запоминающее устройство (ОЗУ)

-       Постоянное запоминающее устройство (ПЗУ)

-       Программируемый параллельный интерфейс (ППИ)

-       Аналого-цифровой преобразователь (АЦП)

-       Системный контроллер

-       Микрофон

-       Прочие элементы

Все части системы соединены по средствам общей шины. Наличие общей шины существенно упрощает реализацию СКУД, позволяет легко менять состав и конфигурацию устройства. Благодаря этим свойствам шинная архитектура получила широкое распространение в мини и микро ЭВМ. Вместе с тем, именно с шиной связан и основной недостаток архитектуры: в каждый момент передавать информацию по шине может только одно устройство. Основную нагрузку на шину создают обмены между процессором и памятью, связанные с извлечением из памяти команд и данных и записью в память результатов вычислений. На операции ввода/вывода остается лишь часть пропускной способности шины. Практика показывает, что даже при достаточно быстрой шине для 90% приложений этих остаточных ресурсов обычно не хватает, особенно в случае ввода или вывода больших массивов данных.

Общая шина состоит из:

-    шина данных - обеспечивает обмен данными между всеми основными блоками ЭВМ.

-       шина адреса - используется для задания адреса памяти. Это может быть адрес в ОЗУ, ПЗУ или адрес памяти контроллера внешних устройств.

Рисунок 3 - Структурная схема СКУД

Далее будет подробно рассмотрено назначение каждого узла и блока, а так же функции, которые они выполняют.

.        Центральный процессор

В данном курсовом проекте Устройство построено на основе микропроцессора КР580ВМ80а.

Рисунок 4 - УГО микропроцессора КР580ВМ80а

КР580ВМ80А - 8-разрядный микропроцессор.

КР580ВМ80А - функционально законченный однокристальный параллельный микропроцессор с фиксированной системой команд, применяется в качестве центрального процессора в устройствах обработки данных и управления.

Микропроцессор имеет раздельные 16-разрядный канал адреса и 8-разрядный канал данных. Канал адреса обеспечивает прямую адресацию внешней памяти объёмом до 65536 байт, 256 устройств ввода и 256 устройств вывода.

Это - функциональный аналог микропроцессора Intel i8080A (1974 год <https://ru.wikipedia.org/wiki/1974_%D0%B3%D0%BE%D0%B4>).

Рисунок 5 - Архитектура микропроцессора КР580ВМ80а

.Программируемый параллельный интерфейс

Программируемый параллельный интерфейс (адаптер обратной связи) служит для связи МП с дискретными или аналоговыми объектами, в качестве которых могут быть датчики аналогового или дискретного типа или аналогичные исполнительные устройства. Этот структурный блок работает независимо от МП по собственной программе, представленной в виде управляемого слова.

3. Оперативная память (ОП)

ОП представляет собой единственный вид памяти, к которой ЦП может обращаться непосредственно (исключение составляют лишь регистры центрального процессора). Информация, хранящаяся на внешних ЗУ, становится доступной процессору только после того, как будет переписана в основную память.

Основную память образуют запоминающие устройства с произвольным доступом. Основная память может включать в себя два типа устройств: оперативные запоминающие устройства (ОЗУ) и постоянные запоминающие устройства (ПЗУ).

Рисунок 6 - Внутренняя структура ППИ

Преимущественную долю основной памяти образует ОЗУ (RAM - Random Access Memory), называемое оперативным, потому что оно допускает как запись, так и считывание информации, причем обе операции выполняются однотипно, практически с одной и той же скоростью, и производятся с помощью электрических сигналов. Для большинства типов полупроводниковых ОЗУ характерна энергозависимость даже при кратковременном прерывании питания хранимая информация теряется. Микросхема ОЗУ должна быть постоянно подключена к источнику питания и поэтому может использоваться только как временная память.

Вторую группу полупроводниковых ЗУ основной памяти образуют энергонезависимые микросхемы ПЗУ (ROM - Read-Only Memory). ПЗУ обеспечивает считывание информации, но не допускает ее изменения (в ряде случаев информация в ПЗУ может быть изменена, но этот процесс сильно отличается от считывания и требует значительно большего времени).

. Дельта-сигма аналого-цифровой (АЦП с балансировкой заряда)

Аналого-цифровой преобразователь - устройство, преобразующее входной аналоговый сигнал в дискретный код (цифровой сигнал). Формально, входной величиной АЦП может быть любая физическая величина - напряжение, ток, сопротивление, емкость, частота следования импульсов, угол поворота вала и т.п. В данной курсовой работе он будет преобразовывать сигнал полученный от усилителя микрофона.

Принцип действия данного АЦП несколько более сложен, чем у других типов АЦП. Его суть в том, что входное напряжение сравнивается со значением напряжения, накопленным интегратором. На вход интегратора подаются импульсы положительной или отрицательной полярности, в зависимости от результата сравнения. Таким образом, данный АЦП представляет собой простую следящую систему: напряжение на выходе интегратора «отслеживает» входное напряжение Результатом работы данной схемы является поток нулей и единиц на выходе компаратора, который затем пропускается через цифровой ФНЧ, в результате получается N-битный результат.

Рисунок 7 - Структурная схема дельта-сигма АЦП

. Системный контроллер. Это контроллер, который хранит слово состояния процессора (ССП). ССП - это такой код, который показывает микропроцессорной системе что будет происходить с ней в каждом машинном цикле.

Для КР580ВМ80А это ССП называется байтом состояния процессора (БСП). Каждый БСП фиксируется в системном контроллере.

Системный контроллер на базе МП КР580ВМ80А включает в свой состав регистр и комбинационную схему.

ОПИСАНИЕ РАБОТЫ УСТРОЙСТВА

Система контроля и управления доступом является совокупностью технических и программных средств, предназначена для автоматизированного контроля доступа в отдельные зоны объекта. Обычно СКУД используются как одна из составляющих интегрированной системы безопасности. Наиболее распространенная интеграция - с системой охранной сигнализации.