Материал: Разработка конструкции и технологии изготовления радиомикрофона

Внимание! Если размещение файла нарушает Ваши авторские права, то обязательно сообщите нам

Разработка конструкции и технологии изготовления радиомикрофона












Расчетно-пояснительная записка к курсовому проекту

по дисциплине: «Основы конструирования и проектирования РЭС»

на тему:

Разработка конструкции и технологии изготовления радиомикрофона



Оглавление

1. Техническое задание на разработку радиомикрофона

1.1 Наименование и область применения

1.2    Основание для разработки

.3      Цель и задачи разработки

.4      Источник разработки

.5      Технические требования

.6      Стадии разработки

.7      Комплектность документации, порядок приёмки, сроки

2. Схемотехническая отработка конструкции

2.1 Описание принципа работы радиомикрофона.

2.2    Конструкторско-технологический анализ элементной базы

.3      Разукрупнение схемы электрической принципиальной

3. Разработка конструкции радиомикрофона.

3.1 Обоснование компоновочной схемы радиомикрофона

3.2    Выбор системы охлаждения радиомикрофона

.3      Выбор материалов конструкции

3.3.1 Выбор материала для основания печатной платы

3.4 Выбор материала для корпуса радиомикрофона

3.5    Разработка конструкции ФЯ

.6      Разработка конструкции субблока

.7      Описание конструкции субблока

4. Расчет показателей качества конструкции

4.1 Расчет среднеповерхностной температуры корпуса

4.2    Расчет среднеповерхностной температуры нагретой зоны

.3      Расчет показателей вибропрочности конструкции

5. Качественная оценка технологичности конструкции

6.      Количественная оценка технологичности конструкции

6.1 Расчет конструкторских показателей технологичности

6.2    Расчет производственных показателей технологичности

7. Комплексная оценка технологичности

8.      Разработка технологической схемы сборки

.        Заключение

Литература


. Техническое задание на разработку радиомикрофона.

.1 Наименование изделия и область применения

Наименование изделия - радиомикрофон, используют для беспроводной передачи речевых сообщений.

Область применения: ведение коммерческой разведки, в качестве радио-няни.

.2 Основание для разработки

Основанием для разработки радиомикрофона служит задание по подготовке курсового проекта, выданного кафедрой 404 и утверждённое 14.09.2012 г.

.3 Цель и задачи разработки

Целью разработки является создание конструкторско-технологической документации на изготовление радиомикрофона.

Задачами разработки являются:

) схемотехническая отработка конструкции;

) разработка конструкции изделия;

) расчет показателей качества;

) расчет технологичности;

) разработка технологической схемы сборки

.4 Источники разработки

Перечень литературных источников

Разработка изделия производится на основе следующих литературных источников:

) Журнал «Радио» - начинающим, стр. 54-55, №1, 2012 г;

) Гоноровский И.С. Радиотехнические цепи и сигналы: учебник для ВУЗов;

) Борисов, А. Назаров - Учебное пособие по курсовому и дипломному проектированию.

Конструкторские аналоги

Разрабатываемый радиомикрофон беспроводной, поэтому при сравнении с проводными аналогами он удобнее в использовании.

.5 Технические требования

Состав изделия и требования к его конструкции

Радиомикрофон состоит из:

блока, в котором размещена ФЯ, состоящая из печатной платы и радиоэлементов расположенных на ней.

Параметры корпуса:

габаритные размеры - диаметр не белее 40 мм, длина не более 100 мм. (100× d40);

материал корпуса - алюминий;

масса модуля не более 300 г.

Показатели назначения

Изделие в заданных условиях эксплуатации должно обеспечивать следующие значение функциональных показателей:

диапазон рабочих частот передачи - от 88…..108 МГц;

напряжение питания - 3В;

ток потребления - 2,5 мА.

Требования к надёжности

Вероятность безотказной работы изделия за 8 часов должна быть не ниже 0.99.

Среднее время наработки на отказ изделия должно быть не менее 1000 ч.

Требования к уровню унификации и стандартизации

Уровни стандартизации и унификации изделия, определяемые коэффициентами стандартизации и унификации должны быть не менее 0,7.

Требования к безопасности

Изделие должно быть электробезопасным в условиях производства, эксплуатации, обслуживания и ремонта.

Эстетические, эргономические требования

Устройство должно отвечать современным требованиям эргономики и технической эстетики предъявляемым к радиомикрофону.

Условия эксплуатации (использования)

Функциональные показатели, приводимые в разделе 1.5.2. должны быть обеспечены в следующих условиях эксплуатации:

диапазон рабочих температур от минус 10°С до +55˚С;

относительная влажность до 80% при Т = 25˚С;

диапазон вибрационных частот от 10 до 30 Гц;

виброускорение 19,6 м/с2;

пониженное атмосферное давление до 61 кПа.

Дополнительные требования

Дополнительные требования к изделию не предъявляются.

Требования к транспортировке и хранению

Транспортировка изделия допускается автомобильным транспортом без ограничения расстояния в заводской упаковке, исключающей повреждение изделия при транспортировке.

Хранение должно производиться в капитальном, отапливаемом помещении на стеллажах в заводской упаковке.

1.6 Стадии разработки

Разработка должна быть выполнена в соответствии с календарным планом, представленным в таблице 1.1.

Таблица 1.1

Содержание работ

Дата завершения

1

Оформление технических требований, схемотехническая отработка конструкции

28.09.12

2

Разработка конструкции изделия

10.10.12

3

Расчет показателей качества конструкции

09.11.12

4

Расчет технологичности конструкции

30.11.12

5

Оформление конструкторской документации



.7 Комплектность документации, порядок приёмки, сроки

Комплект документов должен включать:

расчетно-пояснительная записка;

графический материал;

2. Схемотехническая отработка конструкции

.1 Описание принципа работы радиомикрофона

Основа устройства (рис. 2.1) LC-гeнератор, собранный на транзисторе VТ1 по схеме "ёмкостной, трёхточки"

Рисунок 2.1

Номиналы конденсаторов C3C5 и топология катушки индуктивности L 1 выбраны такими, чтобы частота генерации составила около 100 МГц, т. е. примерно в середине УКВ ЧМ диапазона 88...108 МГц. Конденсатор С1 соединяет базу транзистора с линией питания по высокой частоте.

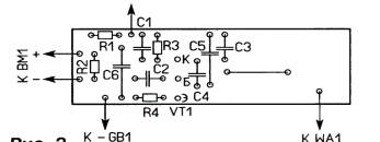
Электретный микрофон ВМ 1 преобразует звуковой сигнал в электрический, который через резистор А2 и конденсатор С2 поступает на базу транзистора VТ1. В результате ток через тpaнзистор изменяется, что при водит к изменению частоты и амплитуды генерируемого сигнала, т.е. осуществляется eгo амплитудная и частотная модуляция звуковым сигналом. К отводу катушки L 1 подключают антенну отрезок изолированного провода толщиной 0.5...1 мм и длиной 30...40 см. Сигнал гeнepaтopa можно принимать на радиовещательный УКВ приёмник указанного выше диапазона на расстоянии нескольких десятков метров. Все элементы кроме выключателя и батареи питания, монтируют на печатной плате из односторонне фольгированного стеклотекстолита толщиной 1...1,5 мм, чертёж которой показан на рис. 2.2

Рисунок 2.2

Смонтированная плата показана на рис. 2.3.

Рисунок 2.3

Питать устройство можно от батареи, состоящей из двух гальванических элементов типоразмера АА. ААА, AG 13 напряжением по 1,5 В каждый или одного литиевого элемента серии САхххх с напряжением 3 В. Применены резисторы МЛ-Т: C2-23, Р1 4, конденсаторы К10-17, причём конденсаторы C3-C5 должны иметь ТКЕ ПЗЗ, МПО или МЗЗ это повысит стабильность частоты гeнepaтopa, ТКЕ остальных может быть любым. Замена тpaнзистора S9014С любым ceрий КТ368, КТ399, 2SC9014, S9018 с коэффициентом передачи тока коллектора не менее 50. Можно применить транзисторы серий КТ326, КТ363, но в этом случае необходимо изменить на противоположные полярности подключения питающего напряжения и микрофона. Выключатель питания малогабаритный, например, В3009, В3037. Электретный микрофон любой с двумя выводами, но лучшие результаты получены с указанным на схеме.

Налаживание начинают с установки потребляемого тока 1,5...2,5 мА подборкой резистора А3.

Затем, перестраивая УКВ радиоприёмник вблизи частоты 96 МГц, настраиваются на сигнал радиомикрофона. Частоту гeнepaтopa можно изменять подборкой конденсатора С3, уменьшение eгo ёмкости приводит к росту частоты генератора, и наоборот. Изменение частоты потребуется, если приёму будет мешать сигнал радиовещательной станции. Установку частоты можно упростить, заменив конденсатор С3 на два соединённых параллельно. Один постоянной ёмкости (20...22 пФ), eгo устанавливают на место С3, второй подстроечный (4...20 пФ), eгo можно установить со стороны печатных проводников. Подойдут подстроечные конденсаторы КТ4-21б, КТ4-25б с номинальным напряжением 100В (диаметр корпуса 5 мм). Приёмник настраивают на частоту, свободную от сигналов радиостанций, и подстроечным конденсатором перестраивают на эту частоту генератор.

.2 Конструкторско-технологический анализ элементной базы

Выбор элементной базы производится на основе качественного анализа групп резисторов, конденсаторов, транзистора, микросхем и т.д. по справочным данным на эти элементы.

Таблица 2.1

Тип элемента

Обозн.

К-во шт.

Масса не более г.

Установочные размеры

Темпер. диапазон ˚С

Диапазон вибровоз-действий Гц

Вибропе-регрузка, g






Площадь мм2

Объем мм3




1

Конденсатор K10-17б- 1000пФ-50В

C1

1

1.0

33,75

168,75

от -60 до +125

1-3000

20

2

Конденсатор K10-17б-0,1мкФ-50В

C2

1

1.0

33,75

168,75

от -60 до +125

1-3000

20

3

Конденсатор К10-17б-33пФ

C3

1

0.5

16,8

67.2

от -60 до +125

1-3000

40

4

Конденсатор K10-17б-10пФ-50В

C4

1

0.5

16,8

67.2

от -60 до +125

1-3000

40

5

Конденсатор K10-17б-47пФ

C5

1

0.5

16,8

67.2

от -60 до +125

1-3000

40

6

Конденсатор К10-17б-0.1мкФ-50В

C6

1

1.0

33,75

168,75

от -60 до +125

1-3000

20

7

Микрофон CZN-15E

ВМ1

1

15.0

73.9

495.12

от -25 до +60

1-3000

40

8

Транзистор S9014C

VT1

1

14.0

20.98

80.97

от -55 до +150

1-3000

40

9

Переключатель В3009-125В

SA1

1

28.0

18.2

123.76

от -50 до +60

1-3000

20

10

Батарея CR123A-3В

GB1

1

17.0

201.06

7238.23

от -30 до +65

1-5000

40

11

Резистор С2-23-0-250 -1.5кОм-

R1

1

0.12

4.15

24.93

от -55 до +125

1-3000

40

12

Резистор С2-23-0-250 -10кОм

R2

1

0,12

4.15

24.93

от -55 до +125

1-3000

40

13

Резистор С2-23-0 -36кОм

R3

1

0,12

4.15

24.93

от -55 до +125

1-3000

40

14

Резистор С2-23-0-56Ом

R4

1

0.12

4.15

24.93

от -55 до +125

1-3000

40


Всего на плате


14

78,98

482,39

8745,65





По данным таблицы 2.1 рассчитаем суммарную установочную массу элементов mpэ, суммарную установочную площадь элементов Spэ и суммарный установочный объем элементов Vpэ.

1) Считаем суммарные значения массы, установочной площади и объёма:

Суммарная масса всех радиоэлеменетов составляет: mpэ = 78,98 г

Суммарная площадь: Spэ = 482,39 мм2

Суммарный объём:Vpэ = 8745,65 мм2

Коэффициенты дезинтеграции характеризуют относительное изменение материальных показателей конструкции в целом (массы, объема, площади) по сравнению с соответствующими показателями элементной базы при создании конструкции

Коэффициенты дезинтеграции

Из таблицы 2.2 возьмем значения относительных показателей качества для ФЯ.

Таблица 2.2

Коэффициент дезинтеграции массы ФЯ: 1,33

Коэффициент дезинтеграции объёма ФЯ: 3,67

Коэффициент дезинтеграции площади ФЯ: 2,51

Произведем оценку массогабаритных характеристик изделия с учетом коэффициентов дезинтеграции:

Ожидаемая масса  105,04 г.

Ожидаемый объем 21951,58 мм3

Ожидаемая площадь 1770,38 мм2

Ожидаемая площадь для платы управления Sрэ = 1770,39 мм2

Площадь платы по ТЗ Sпл = 2400 мм2

Ожидаемый объем 21951,58 мм3

Объем платы по ТЗ Vпл = 24000 мм3

Все элементы смогут быть размещены на плате с выбранными геометрическими размерами.

Сравнив полученные данные с требованиями технического задания к конструкции, можно сделать вывод о том, что данная элементная база подходит для создания конструкции, имеющей массогабаритные показатели, удовлетворяющие требованиям технического задания.

Определим виброперегрузку:

Так как по ТЗ виброускорение составляет 19,6 м/с2, то виброперегрузка будет равна

19,6/9,8 = 2

где а - виброускорение [м/с2]

g - ускорение свободного падения.

Вывод:

Каждый элемент в отдельности в предельных условиях эксплуатации имеет виброперегрузку большую 2g и минимальный диапазон вибрационных воздействий от 1 до 600Гц. Значит виброперегрузка и диапазон виброчастот указанные по предельным условиям эксплуатации для каждого элемента из выбранной элементной базы удовлетворяют техническому заданию. Все элементы технологически совместимы, так как, для всех применен способ монтажа в отверстие. Все элементы конструктивно совместимы, так как элементы примерно одинакового типоразмера.