Материал: Разработка интегрированной системы проектирования и управления колонны К-4 установки АВТ-4

Внимание! Если размещение файла нарушает Ваши авторские права, то обязательно сообщите нам


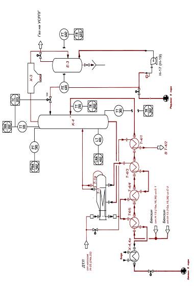
Рисунок 2 - Структура АСУТП

На полевом уровне расположены датчики и исполнительные механизмы, осуществляющие связь между АСУ ТП и технологическим процессом.

На нижнем уровне контроллеры АСУ ТП выполняют измерение параметров технологического процесса и управляют его протеканием. Передают, через коммуникационный сервер сетевого уровня, информацию на верхний уровень.

На верхнем уровне расположены операторские станции и сервер системы. На сервере системы располагается вся архивная информация, база данных ПО контроллеров. На операторских станциях отображается мнемосхема объекта, со всеми текущими, измеренными параметрами и оператор ведёт технологический процесс, имея всю нужную информацию на экране монитора.

В случае необходимости, основные параметры технологического процесса могут передаваться в центральную диспетчерскую, головной офис, через АСДУ по радиоканалу или телефонной линии.

Таблица 2 - Перечень технологических параметров, которые измеряются и регулируются и перечень сигнализаций и блокировок технологических параметров

Наиме-нование оборудования

Крити- ческий параметр

Величина устанавливаемого предела

Блокировка

Сигнализация

Операция по отключению, включению, переключению и другому воздействию





min

max

min

max

min

max


1

2

3

4

5

6

7

8

9

10

11

1

Давление PICAH 215

Колонна К-4

10,5 кгс/см2


8,9 кгс/см2 (0,89 МПа)




9,0 кгс/см2 (0,9 МПа)

Свет, звук

2

Уровень LICAHL 407 (LICAHL 408)

Рибойлер Т-1 (Т-1а)


21%

79%



20%

80%

Свет, звук

 3

Уровень LICAHL 416

Емкость Е-3


21%

79%



20%

80%

Свет, звук

4

Уровень LALL 457

Емкость Е-3


11%


10%


10%


Свет, звук. Остановка насоса Н-17 (Н-19)


Описание автоматических функций управления и защиты

Система ПАЗ предусматривает:

·    аварийную сигнализацию - оповещением оператора зажжением соответствующей надписи на экране мнемосхемы.

·        автоматическую блокировку позиционера;

·        предусматривается также ручная блокировка всех трех позиционеров (для этого введено специальное меню на мнемосхеме);

·        приблизительный вариант программы ПЛК ПАЗ представлен ниже. В программе использовано 2 типа блоков: блоки сравнения (CMP) и блоки установки дискретной переменной (S).

Создание программы ПЛК ПАЗ в Step 7




5. Ввод в действие


Стадия ввод в действие предполагает проведение следующих этапов работ:

·        Подготовка объекта автоматизации к вводу АСУ ТП в действие -

проводят работы по организационной подготовке объекта автоматизации к вводу АСУ ТП в действие, в том числе: реализацию проектных решений по организационной структуре АСУ ТП; обеспечение подразделений объекта управления инструктивно-методическими материалами; внедрение классификаторов информации;

·        Подготовка персонала - проводят обучение персонала и проверку его способности обеспечить функционирование АСУ ТП;

·        Комплектация АСУ ТП поставляемыми изделиями - программными и техническими средствами, программно-техническими комплексами, информационными изделиями;

·        Пусконаладочные работы - проводят автономную наладку технических и программных средств, загрузку информации в базу данных и проверку системы её ведения; комплексную наладку всех средств системы;

·        Проведение предварительных испытаний:

а) испытания АСУ ТП на работоспособность и соответствие техническому заданию в соответствии с программой и методикой предварительных испытаний;

б) устранение неисправностей и внесение изменений в документацию на АСУ ТП, в том числе эксплуатационную в соответствии с протоколом испытаний;

в) оформление акта о приёмке АСУ ТП в опытную эксплуатацию;

·        Проведение опытной эксплуатации - проводят: опытную эксплуатацию АСУ ТП; анализ результатов опытной эксплуатации АСУ ТП; доработку (при необходимости) программного обеспечения АСУ ТП; дополнительную наладку (при необходимости) технических средств АСУ ТП; оформление акта о завершении опытной эксплуатации;

·        Проведение приемочных испытаний:

а) испытания на соответствие техническому заданию в соответствии с программой и методикой приёмочных испытаний;

б) анализ результатов испытания АСУ ТП и устранение недостатков, выявленных при испытаниях;

в) оформление акта о приёмке АСУ ТП в постоянную эксплуатацию.

Заключение


Разработана концепция, архитектура АСУ ТП колонны К-4 стабилизации бензина установки АВТ-4 ООО «Новоуфимский НПЗ». Выбраны средства автоматизации фирмы SIEMENS. Составлена мнемосхема в SCADA-пакете WinCC. Составлена программа работы аварийной сигнализации и блокировки в пакете программирования ПЛК SIMATIC STEP 7. Разработанная АСУТП является современной, надежной, функциональной, удобной, и рассматривается как хорошая замена предыдущей АСУТП данного объекта.

Изучены стадии создания АС по ГОСТ 34.601-90.

Литература


1.      Анищенко, В.С. Динамические системы / В.С. Анищенко // Соросовский образовательный журнал. - 2009. - №11. - М. - С. 77--84

.        Васильков, Ю.В. Компьютерные технологии моделирования: учеб. пособие / Ю. В. Васильков - М.: Финансы и статистика, 2010. - 256 с.

.        Введение в математическое моделирование: учебное пособие / под ред. П.В. Трусова; рецензенты: А.Р. Абдулаев, В. П. Матвиенко; Министерство образования РФ.- М.: Логос, 2004.- 440 с..

.        Данилов, Ю.А. Лекции по нелинейной динамике. Элементарное введение: учеб. пособие / Ю.А. Данилов.; - 2-е изд. - М.: КомКнига, 2011. - 208 с.

.        Новик, И.Б. О философских вопросах кибернетического моделирования / И.Б. Новик - М.: Знание, 2010.