Материал: Разработка и изготовление устройства инфракрасного управления

Внимание! Если размещение файла нарушает Ваши авторские права, то обязательно сообщите нам

Разработка и изготовление устройства инфракрасного управления

Введение


Широкое развитие радиоэлектроники и внедрение её во все отрасли науки и техники является реалией нашего времени. Применение радиоэлектронной аппаратуры во многом обуславливает огромный рост эффективности производства, повышение качества продукции, дает возможность научным достижениям. Практически во всех областях знаний прогресс немыслим без широкого использования электроники. Именно поэтому радиоэлектроника, зародившаяся всего несколько десятилетий назад, является бурно развивающейся областью техники. За это время радиоэлектронная аппаратура прошла несколько этапов развития, каждый из которых позволял резко увеличивать количество функций, которые выполняет аппаратура, повышать их сложность и одновременно при этом сокращать вес и размеры аппаратуры, повышать ее надежность и снижать потребление энергии.

Каждому этапу развития соответствует свое поколение аппаратуры. К аппаратуре первого поколения относят радиоэлектронную аппаратуру, построенную на основе использования электронных ламп.

Сложность технологии электровакуумных приборов, небольшой срок службы, значительные габаритные размеры и масса, большое потребление электроэнергии послужили появлению второго поколения. К нему относится аппаратура, основу которой составляли полупроводниковые приборы.

Разработка и использование интегральных схем среднего уровня интеграции привели к появлению третьего поколения аппаратуры, в которой резко уменьшилось количество элементов и соединений между ними. В связи с этим во много раз уменьшились масса и габариты, повысилась надежность радиоэлектронных изделий.

Четвертое поколение - это аппаратура, построенная с использованием интегральных схем повышенной степени интеграции; аппаратура, в которой применяются большие интегральные схемы с программируемой логикой (микропроцессорные комплекты), позволяющие использовать цифровую обработку информации.

В настоящее время развиваются РЭС пятого поколения, в которых находят применение приборы функциональной электроники.

Современную микроэлектронику трудно представить без такой важной составляющей, как микроконтроллеры. Они незаметно завоевали весь мир.

Микроконтроллерные технологии очень эффективны. Одно и то же устройство, которое раньше собиралось на традиционных элементах, будучи собрано с применением микроконтроллеров, становиться проще. Оно не требует регулировки и меньше по размерам.

Кроме того, с применением микроконтроллеров появляются практически безграничные возможности по добавлению новых потребительских функций и возможностей к уже существующим устройствам.

К основным тенденциям и перспективам развития технологии производства РЭС относятся:

освоение производства РЭС на безвыводных ЧИП-ЭРЭ и миниатюрных ЭРЭ с применением поверхностного монтажа;

внедрение новых и высоких технологий на базе новых материалов;

интенсивное внедрение систем автоматизированного проектирования технологических процессов (САПР ТП).

Технология (от греческого «techne» - мастерство и «logos» - учение) - это совокупность знаний о способах и средствах проведения производственных процессов, а также сами процессы (технологические процессы), при которых происходят качественные изменения обрабатываемого объекта.

Новая технология - это, обладающая более высокими качественными характеристиками по сравнению с лучшими аналогами, доступными на данном рынке, пользующаяся спросом и удовлетворяющая формирующимся или будущим потребностям человека и общества.

Высокая технология - это, обладающая наивысшими качествами показателями по сравнению с лучшими мировыми аналогами, пользующаяся спросом и удовлетворяющая формирующимся или будущим потребностям человека и общества.

Практической направленностью дипломного проекта является разработка и изготовление устройства ИК управления, достижение его высокой надёжности и технологичности.

1. Общая часть

.1       Анализ технического задания

Анализ исходных данных, указанных в техническом задании, позволяет определить основные параметры разрабатываемого устройства ИК управления, а также уяснить назначение устройства и условия эксплуатации. Устройство предназначено для управления персональным компьютером и освещением в помещение.

Данное устройство характеризуется основными техническими характеристиками микроконтроллера и эксплуатационными параметрами устройства.

Технические характеристики устройства:

а) потребляемый ток - 0,1А;

б) напряжение питания - 220В;

в) рабочая частота - 36кГц;

г) максимальная коммутируемая нагрузка - 100Вт;

д) интерфейс подключения к ПК - USB.

Устройство должно эксплуатироваться в умеренном климате. При этом категория условий эксплуатации - в помещениях с искусственным климатом (4). В закрытом помещении с искусственным регулированием климатических условий (вентиляция <#"902984.files/image001.jpg">

Рисунок  1 - Схема электрическая структурная устройства ИК управления

.3 Разработка схемы электрической принципиальной

Принципиальная электрическая схема разрабатывается на основании анализа исходных данных принятой структурной схемы.

Задачей разработки схемы электрической принципиальной проектируемого устройства, является: выбор и обоснование принципиальных схем каскадов для реализации структурной схемы.

Принципиальная схема устройства должна быть выполнена с использованием различной элементной базы и различных схемных решений.

Вначале производится анализ известных схемных решений проектируемого каскада, приводится схема одного из них. И на основании анализа исходных данных и принятой структурной схемы выбирается наиболее подходящая электрическая схема. Критерии выбора: простота, надежность, дешевизна при выполнении заданных требований. Она может быть дополнена, усовершенствована новыми схемными решениями.

Исходя, из разработанной структурной схемы устройства ИК управления принципиальная схема состоит из следующих функциональных узлов:

-     ИК приемник;

-        микроконтроллер;

         модуль управления нагрузками;

         модуль управления питанием компьютера;

-        EEPROM-память.

В качестве ИК приемника целесообразно выбрать TSOP 1736. Устройство содержит в своем корпусе приемник, усилитель сигнала и демодулятор, на выходе получаем стандартный сигнал величиной в пределах 0.3-6В.

TSOP1736 часто применяется в системах дистанционного управления (в основном в бытовой технике) совместно с протоколом RC5 <#"902984.files/image002.jpg">

Рисунок 2 - Структура приемника TSOP1736

В качестве центрального управляющего устройства был выбран микроконтроллер фирмы ATMEL, семейства MEGA - ATMega8. Имеет удобный для разводки платы и пайки корпус DIP. Расстояния между ножками относительно большое. Широко доступен в продаже. Часто применяется во многих устройствах. Данный микроконтроллер имеет на борту два 8-ми битных таймера-счетчика, один 16-ти битный таймер-счетчик, три ШИМ канала, АЦП, аппаратный интерфейс USART.

Рисунок 3 - Условно графическое обозначение микроконтроллера

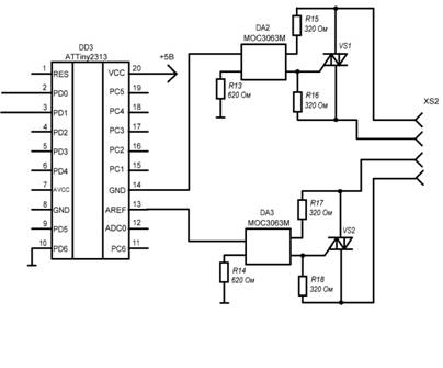
В модуле управления нагрузками применен микроконтрллер ATTiny2313 для управления нагрузками в автономном режиме. Данный микроконтроллер относительно недорогой. Широко распространен.

В качестве оптоэлектронной развязки применен популярный симисторный оптрон MOC3063M широкого применения с коммутацией нагрузки в момент перехода сетевого напряжения через ноль. Оптрон MOC3063 применяется для управления симисторными и тиристорными ключами. Схема коммутации нагрузки в момент перехода сетевого напряжения через ноль минимизирует уровень создаваемых устройством помех.

В качестве силового ключа применен мощный симистор BT138 для управления мощной нагрузкой. При коммутации нагрузки с током не более 15 ампер радиатор для BT138 не обязателен, при условии естественной конвекции. То есть при обычном использовании в корпусе с отверстиями для вентилирования.

Рисунок 4 - Схема модуля управления нагрузками

В качестве модуля управления питанием компьютера применен популярный транзисторный оптрон с высоким коэффициентом передачи тока - PC817A. Оптроны с другими буквенными индексами отличаются другими значениями CTR (коэффициент передачи). Данный оптрон подключен непосредственно к кнопке питания ПК, таким образом Микроконтроллер может включать или выключать компьютер, а также выполнять другие функции, назначенные на кнопку питания.

Рисунок 5 - Схема модуля управления питания компьютера

В качестве внешней памяти применена двухпроводный последовательный EEPROM емкостью 128 кбит.

Микросхема AT24C128 содержит 131072 бит последовательного электрически стираемого и программируемого постоянного запоминающего устройства EEPROM с организацией памяти в виде 16384 слов по 8 бит в каждом. Микросхема содержит входы задания адреса на последовательной двухпроводной шине, которые позволяют подключить к одной последовательной шине до 4 микросхем. Микросхемы оптимизированы под использование во многих промышленных и коммерческих приложениях, где важны малая потребляемая мощность и работа при низком напряжении питания.

Рисунок 6 - Структурная схема EEPROM-памяти AT24C128

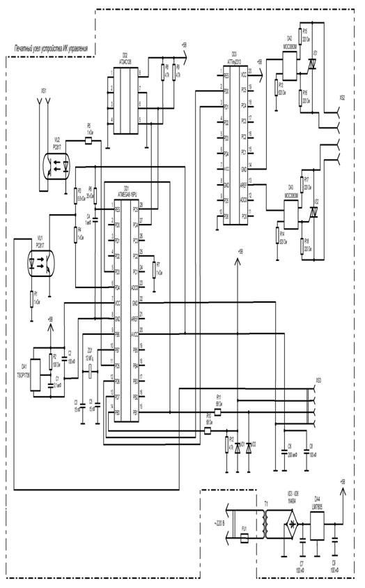
Таким образом, общая схема электрическая принципиальная устройства ИК управления имеет вид, приведенный на рисунке 7.

Рисунок 7 --  Схема электрическая принципиальная устройства ИК управления

1.4 Выбор элементной базы

Выбор электрорадиоэлементов (ЭРЭ) должен быть сделан так, чтобы обеспечить надежную работу узла, блока. При этом, необходимо стремиться к выбору недорогих элементов и, имеющих широкое применение в современном аппаратостроении и добиваться максимальной простоты сборки и электрического монтажа, регулировки и эксплуатации.

Все ЭРЭ выбираются по справочной литературе и техническим условиям:

а) ИМС выбираются по функциональному назначению (аналоговые, многофункциональные, усилители, преобразователи, стабилизаторы, цифровые), по рабочему диапазону частот, рабочему напряжению, потребляемому току, температурной стабильности.

б) резисторы выбираются:

1) по величине рассеиваемой мощности (Кн = 0,5 - 0,6);

) по типу проводящего слоя - непроволочные, проволочные;

) по максимальному рабочему напряжению (например, МЛТ - 2 Вт имеет Uраб max > 750. В, а МЛТ - 1 Вт имеют Uраб max < 750 В);

) по классу точности от - 0,1% до 20%;

) по температурному коэффициенту сопротивления (ТКР).

в) конденсаторы выбираются:

1) по типу (электролитические, керамические и прочие);

) по номинальному напряжению;

3) по классу точности от 1% до 90%;

4) по температурному коэффициенту емкости (ТКЕ).

г) диоды выбираются:

1) по максимально выпрямляемому току Iо max;

) максимально допустимому обратному напряжению Uобр max;

) прямой рассеиваемой мощности Pпр.

д) стабилитроны выбираются по напряжению стабилизации (Uст), пределам рабочего тока стабилизации (Iст min и Iст max) и как правило выбираются по наименьшему току стабилизации с целью экономии потребляемого тока:

) по напряжению срабатывания (Ucp);

) по максимально допустимому току (Imax).

В соответствии с разработанной принципиальной схемой, выбираем электрорадиоэлементы для проектируемого устройства.

ИМС:

DD1 - микроконтроллер ATMega8;

Электрические параметры:

.        тактовая частота - 8МГц;

.        память - 8кБ;

.        разрядность - 8;

.        напряжение питания - 5В.

DD2 - EEPROM-память;

Электрические параметры:

.        напряжения питания - 2-5В;

.        интерфейс - последовательный;

.        время доступа - 100нс;

.        число циклов записи - 106.

DD3 - микроконтроллер ATTiny2313;

Электрические параметры:

.        тактовая частота - 8МГц;

.        память - 2кБ;

.        разрядность - 8;

.        напряжение питания - 5В.

DA1 - TSOP1736;

Микросхема представляет собой фотоприемник.

Электрические параметры:

.        информационный сигнал - 3-6В;

.        несущая частота - 36кГц;

.        напряжение питания - 3-5В;

.        рабочее расстояние - 45м.

DA2, DA3 - MOC3063M;

Микросхема представляет собой оптопару, тип оптопары - фототиристор.

Электрические параметры:

.        постоянное прямое входное напряжение - 1,3В;

.        максимальное коммутируемое напряжение - 600В;

.        количество каналов - 1шт.;

.        максимальное входное обратное напряжение, Uвх.обр.макс. - 6В.

DA4 - 78L05.

Микросхема представляет собой мощный стабилизатор.

Электрические параметры:

.        выходное напряжение - 5В;

.        номинальный выходной ток - 0,1А;

.        максимальное входное напряжение - 40В.

Резисторы:

R1 - R14 - МЛТ 0,125Вт;

R15 - R18 - МЛТ 0,5 Вт.

Резистор постоянный металлодиэлектрический общего назначения для работы в цепях постоянного, переменного и импульсного тока, с аксиальными выводами, для печатного монтажа с установкой параллельно плате.

Электрические параметры:

.        номинальная мощность - 0,125-0,25Вт;

.        предельное импульсное напряжение - 750В;

.        максимальная резонансная частота - 3000Гц.

Конденсаторы:

С2-С5, С8 - К10-17;

Керамический;

Электрические параметры:

.        рабочая температура - -55-125С;

.        допуск номинала - 5%;

.        номинальное напряжение - 50В.

- С1, С6, С7,С9 - К50-35.

Электролитический;

Электрические параметры:

.        допуск номинальной емкости - 20%;

.        номинальная ёмкость - 10-220мкф;

.        номинальное напряжение - 16В.

Стабилитроны:

- VD1, VD2 - BZV85C3V6.

Электрические параметры:

.        номинальное напряжение стабилизации - 3.6В;

.        номинальный ток стабилизации - 69мА;

.        максимальный ток стабилизации - 252мА.

Диоды:

VD3-VD6 - 1N4007.

Электрические параметры:

.        Максимальное постоянное обратное напряжение - 1000В;

.        Максимальный прямой ток - 1А;

.        Максимальный допустимый прямой импульсный ток - 30А.

Оптопары:

VU1, VU2 - PC817.

Тип оптопары - транзисторная.

Электрические параметры:

.        максимальный прямой ток - 50мА;

.        максимальное входное напряжение - 35В;

.        время включения/выключения - 3-4мкс.

Тиристоры:

VS1, VS2 - BT138-600.

Электрические параметры:

.        максимальное обратное напряжение - 600В;

.        наименьший постоянный ток управления - 25мА;

.        время включения - 2мкс.

Кварцевый резонатор:

- ZQ1 - KX-3HT <#"902984.files/image008.gif">,                                                        (4)

.

переполнение таймера происходит при поступлении 255 счетных импульсов, т.е. на 255-ом такте.

,                                         (5)