Материал: Разработка элементов систем автоматизированного проектирования деталей машин

Внимание! Если размещение файла нарушает Ваши авторские права, то обязательно сообщите нам

Разработка элементов систем автоматизированного проектирования деталей машин

Введение

деталь машина чертеж данные

В период научно-технической революции наука сделалась непосредственной производительной силой. Поэтому в программах развития предусматриваются меры по ускорению научно-технического прогресса, быстрейшему внедрению достижений науки в производство.

При разработке сложных машин и других механических объектов фактор времени имеет первостепенное значение. ЭВМ, выполняющие миллионы вычислительных операций в секунду, способные хранить и перерабатывать огромные массивы информации, позволяют повысить темпы и качество проектирования машин.

К числу новых возможностей, обеспечиваемых ЭВМ, можно отнести:

) возможность оптимизации;

) автоматизация проектирования;

) возможность получить решение с любой потребной точностью, используя новые численные методы расчёта, например метод конечных элементов;

) возможность проводить расчёты в условиях весьма ограниченного времени счёта, например при коррекции параметров полёта самолёта и космических аппаратов.

Оптимизация - это поиск, нахождение и реализация наиболее целесообразных решений. Благодаря высокому быстродействию ЭВМ и большой ёмкости памяти число критериев, по которым проводится оптимизация, резко возросло.

Автоматизированное проектирование - это проектирование с помощью ЭВМ, включающее поиск на ЭВМ оптимальных решений с выдачей результатов в графическом виде на дисплее или на бумаге (с помощью графопостроителя). Оно ведётся в диалоговом режиме «человек-ЭВМ» и предусматривает широкое применение математических моделей.

Актуальность автоматизации проектирования следует из того, что, начиная с начала ХХ века производительность механической обстановки в среднем повысилась более чем в 10 раз, а производительность конструкторских работ, исключая размножение чертежей, всего на 20%.

Другой причиной необходимости автоматизации проектирование явилось несоответствие между устаревшей технологией проектирования и всё возрастающей сложностью проектируемых изделий, которая более чем удваивается в течение десятилетия.

САПР создаются в проектных, конструкторских, технологических организациях в целях:

повышения качества и технико-экономического уровня проектируемой и выпускаемой продукции

повышения эффективности и надежности объектов проектирования, уменьшения затрат на их создание и эксплуатацию

сокращения сроков, уменьшения трудоемкости проектирования и повышения качества проектной документации.

Достижение целей создания САПР обеспечивается путем:

комплексной автоматизации проектных работ в проектной организации с необходимой перестройкой ее структуры и кадрового состава

повышения качества управления проектированием

замены натурных испытаний и макетирования математическим моделированием.

С развитием САПР существенно улучшается качество проектов, проектировщик получает возможность использовать эффективные математические модели, методы моделирования и оптимизации на всех основных стадиях проектирования.

. Применение средств САПР для создания связи баз данных с чертежом

.1 Создание баз данных

Для создания баз данных воспользуемся программой MicrosoftAcces. Создаем новую базу данных, а в ней таблицы, которые впоследствии будут связываться с чертежом.

Используя меню Создание - Конструктор таблиц создадим таблицы:

Балансовая стоимость с тремя полями: код оборудования, балансовая стоимость, дата стоимости. Ключевым делаем поле код оборудования.

Рисунок 1 - Конструктор таблицы балансовая стоимость

Испытания с тремя полями: код оборудования, испытания, дата испытания.Ключевым делаем поле код оборудования.

Рисунок 2 - Конструктор таблицы испытания

Марки оборудования с восемью полями: кодоборудования, марка оборудования, условное обозначение, производитель, реквизиты производителя, контактное лицо, электронные реквизиты код ответственного.

Рисунок 3 - Конструктор таблицы марки оборудования

Оборудование с пятнадцатью полями: код оборудования, наименование оборудования, инвентарный номер, серийный номер, условное обозначение, год выпуска, год ввода в эксплуатацию, месяц ввода в эксплуатацию, срок службы, гарантийный срок, наработка на отказ, масса, габаритные размеры, технические характеристики, код ответственного. Ключевым делаем поле код ответственного.

Рисунок 4 - Конструктор таблицы оборудование

Ответственные с пятью полями: код ответственного, ФИО ответственного, должность, адрес, контактный телефон. Ключевым делаем поле код ответственного.

Рисунок 4 - Конструктор таблицы ответственные

Подразделения с четырьмя полями: код подразделения, наименование подразделения, юридический адрес, код ответственного. Ключевым задаем поле код подразделения.

Рисунок 4 - Конструктор таблицы подразделения

Ремонт с тремя полями: код оборудования, ремонт, дата ремонта. Ключевым задаем поле код оборудования.

Рисунок 5 - Конструктор таблицы ремонт

Заполняем полученные таблицы данными соответствующими чертежу: гидросхеме экскаватора ЭО-4121.

.2 Создание связи между таблицами базы данных

Для создания связи между таблицами базы данных воспользуемся меню Работа с базами данных - Схема данных. Добавляем все таблицы из появившегося окна добавления таблиц.

Рисунок 6 - Окно добавления таблиц

Добавив все таблицы начинаем их связывать, перетаскивая ключевое поле на не ключевое. В появившемся окне изменения связей ставим флажки на Обеспечение целостности данных и Каскадное обновление связанных полей.

Рисунок 6 - Окно изменения связей

После создания связей, в таблицах отображаются значки, после нажатия на которые отображается таблица, связанная с данной.

Рисунок 7 - Отображение связей между таблицами

.3 Подготовка чертежа к связи с базами данных

Чтобы связать чертеж с базами данных сначала преобразуем элементы гидросхемы в блоки.Для этого воспользуемся кнопкой «Создать блок» панели рисования. В появившемся окне описания блока указываем имя блока, объекты блока и базовую точку.

Рисунок 8 - Окно описания блока

Преобразовываем так все элементы гидросхемы, после чего связываем их с базами данных.

.4 Создание связи между базами данных и чертежом

Для создания связи между гидросхемой и базами данных вызовем Диспетчер подключения к БД. Для этого пишем в командном меню команду «dbconnect», после чего появляется диспетчер.

Рисунок 9 - Диспетчер подключения к БД

В диспетчере вызываем настройки источника данных. В появившемся окне настройки источника данных указываем имя источника данных. Далее в окне свойств связи с данными выбираем параметры подключения: во вкладке «Поставщик данных» выбираем «MicrosoftJet 4.0 OLEDBProvider», во вкладке «Подключение» указываем путь к базе данных и проверяем подключение, во вкладке «Дополнительно» в правах доступа указываем опцию «ReadWrite».

После настройки открываем в диспетчере таблицу, которую будем связывать с чертежом. В появившемся окне просмотра данных используя кнопку «Связь!» создаем связь между полями таблицы с блоками чертежа.

Рисунок 9 - Окно просмотра данных

После создания связей можно просмотреть связи с помощью кнопок «Автопросмотр связанных объектов в чертеже» и «Автопросмотр связанных записей в окне просмотра данных».

. Разработка пользовательской команды САПР AutoСAD

.1 Разработка команды САПР AutoСAD для гидромотора

.1.1 Определение конструкторско-технологических параметров, р2 - первая и вторая соответственно точки, вводимые пользователем;

.1.2 Определение программных параметров

Программными параметрами являются все точки, определяемые пользователем в последовательности в зависимости от положения. Этими точками являются точки р1 - р10.

Рисунок 10 - Гидромотор

.1.3 Ввод промежуточных параметров

а - угол между точками p1 иp2;- расстояние между точками p1 иp2.

.1.3 Определение полярных координат точек

определение угла наклона осигидромотора а;

определение координаты точки p3. От точки р1 отложить угол a и расстояние r*0.8;

определение координаты точки p4. От точки р3 отложить угол a-pi и расстояние r*0.3;

определение координаты точки p5. От точки р3 отложить угол a-pi/2 и расстояние r*0.3;

определение координаты точки p6. От точки р3 отложить угол a+pi/2 и расстояние r*0.3;

определение координаты точки p7. От точки р1 отложить угол a-pi и расстояние r*0.8;

определение координаты точки p8. От точки р7 отложить угол a и расстояние r*0.3;

определение координаты точки p9. От точки р7 отложить угол a-pi/2 и расстояние r*0.3;

определение координаты точки p10. От точки р7 отложить угол a+pi/2 и расстояние r*0.3.

.1.4 Секция отрисовки

Соединяем найденные точки в нужном порядке:

соединяем точки p1 и p2 линией радиуса r;

соединяем точки p4, p6, p5 линией черного цвета;

соединяем точки p8, p9, p10линией черного цвета;

заштриховываем треугольник, ограниченный точками p4, p6, p5 штриховкой ANSI31 с углом наклона 0° и шагом 0.01;

заштриховываем треугольник, ограниченный точками p8, p9, p10 штриховкой ANGLEс углом наклона 0° и шагом 0.01;

.1.5Разработка программы

(defun c:motor()

; секция ввода данных

(setq p1 (getpoint "\nВведите центр окружности:"))

(setq p2 (getpoint p1 "\nВведите край окружности:"))

; секция промежуточных вычислений

(setq r (distance p1 p2))

(setq a (angle p1 p2))

; секция определения точки отрисовки

(setq p3 (polar p1 a (* r 0.8)))

(setq p4 (polar p3 (- a (/ pi 1)) (* r 0.3)))

(setq p5 (polar p3 (- a (/ pi 2)) (* r 0.3)))

(setq p6 (polar p3 (+ a (/ pi 2)) (* r 0.3)))

(setq p7 (polar p1 (- a (/ pi 1)) (* r 0.8)))

(setq p8 (polar p7 a (* r 0.3)))

(setq p9 (polar p7 (- a (/ pi 2)) (* r 0.3)))

(setq p10 (polar p7 (+ a (/ pi 2)) (* r 0.3)))

; секцияотрисовки

(command "_circle" p1 r "")

(command "_line" p4 p6 p5 p4 "")

(command "_line" p9 p10 p8 p9 "")

(command "_hatch" "ANSI31" 0.01 0 p4 p6 p5 p4 "")

(command "_hatch" "ANGLE" 0.01 0 p9 p10 p8 p9 "")

)

.1.6 Описание работа программы

Разработанную программу сохраняем в файл с расширением .lsp. Загружаем AutoCAD и выбираем меню Tools-AutoLisp-Load…, находим свой файл и загружаем его(motor.lspsuccessfullyloaded). В командной строке вводим имя программы (Command: motor), затем указываем точки (Введите центр окружности:p1,Введите край окружности: p2), от которыхотсчитываются все остальные точки. После ввода данных AutoCAD автоматически определяет координаты остальных точек из «секции определения точки отрисовки». Затем, с помощью «секции отрисовки», по координатам точек AutoCADсоединяет необходимые точки детали в той последовательности, которая задана программой.

.2 Разработка команды САПР AutoСAD для бака

Рисунок 11 - Гидробак

Текст программы:

(defun c:bak()

; секция ввода данных

(setq p1 (getpoint "\nВведите левый край бака:"))

(setq l (getdist p1 "\nВведите ширину бака:"))

; секция промежуточных вычислений

(setq h (/ l 10))

; секция определения точки отрисовки

(setq p3 (polar p1 (- (/ pi 2)) h))

(setq p4 (polar p3 0 l))

(setq p2 (polar p4 (+ (/ pi 2)) h))

; секцияотрисовки

(command "_line" p1 p3 p4 p2 "")

)

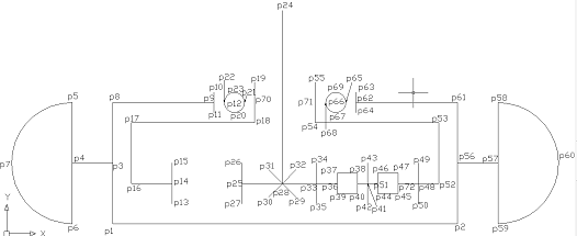
2.3 Разработка команды САПР AutoСAD для заднего моста

Рисунок 12 - задний мост

Текст программы:

(defun c:klino()

; секция ввода данных

(setq p1 (getpoint "\nВведите 1 точку:"))

(setq p2 (getpoint p1 "\nВведите 2 точку:"))

; секция промежуточных вычислений

(setq b (distance p1 p2))

(setq a (angle p1 p2))

; секция определения точки отрисовки

(setq p3 (polar p1 (+ a (/ pi 2 )) (/ b 5.7)))

(setq p4 (polar p3 (- a pi) (/ b 8.5)))

(setq p5 (polar p4 (+ a (/ pi 2 )) (/ b 5.7)))

(setq p6 (polar p4 (- a (/ pi 2 )) (/ b 5.7)))

(setq p7 (polar p4 (- a pi) (/ b 5.7)))

(setq p8 (polar p3 (+ a (/ pi 2 )) (/ b 5.7)))

(setq p9 (polar p8 a (/ b 3.4)))

(setq p10 (polar p9 (+ a (/ pi 2 )) (/ b 34)))

(setq p11 (polar p9 (- a (/ pi 2 )) (/ b 34)))

(setq p56 (polar p2 (+ a (/ pi 2 )) (/ b 5.7)))

(setq p57 (polar p56 a (/ b 8.5)))

(setq p58 (polar p57 (+ a (/ pi 2 )) (/ b 5.7)))

(setq p59 (polar p57 (- a (/ pi 2 )) (/ b 5.7)))

(setq p60 (polar p57 a (/ b 5.7)))

(setq p61 (polar p56 (+ a (/ pi 2 )) (/ b 5.7)))

(setq p62 (polar p61 (- a pi) (/ b 3.4)))

(setq p63 (polar p62 (+ a (/ pi 2 )) (/ b 34)))

(setq p64 (polar p62 (- a (/ pi 2 )) (/ b 34)))

(setq p12 (polar p9 a (/ b 17)))

(setq p22 (polar p9 a (/ b 34)))

(setq p21 (polar p12 a (/ b 34)))

(setq p23 (polar p12 (+ a (/ pi 2 )) (/ b 34)))

(setq p20 (polar p12 (- a (/ pi 2 )) (/ b 34)))

(setq p70 (polar p12 a (/ b 17)))

(setq p19 (polar p70 (+ a (/ pi 2 )) (/ b 17)))

(setq p18 (polar p70 (- a (/ pi 2 )) (/ b 17)))

(setq p17 (polar p18 (- a pi) (/ b 2.8)))

(setq p16 (polar p17 (- a (/ pi 2 )) (/ b 5.7)))

(setq p14 (polar p16 a (/ b 8.5)))

(setq p15 (polar p14 (+ a (/ pi 2 )) (/ b 17)))

(setq p13 (polar p14 (- a (/ pi 2 )) (/ b 17)))

(setq p66 (polar p62 (- a pi) (/ b 17)))

(setq p65 (polar p62 (- a pi) (/ b 34)))

(setq p68 (polar p66 (- a pi) (/ b 34)))

(setq p69 (polar p66 (+ a (/ pi 2 )) (/ b 34)))

(setq p67 (polar p66 (- a (/ pi 2 )) (/ b 34)))

(setq p71 (polar p66 (- a pi) (/ b 17)))

(setq p55 (polar p71 (+ a (/ pi 2 )) (/ b 17)))

(setq p54 (polar p71 (- a (/ pi 2 )) (/ b 17)))

(setq p53 (polar p54 a (/ b 2.8)))

(setq p52 (polar p53 (- a (/ pi 2 )) (/ b 5.7)))

(setq p48 (polar p52 (- a pi) (/ b 17)))

(setq p49 (polar p48 (+ a (/ pi 2 )) (/ b 17)))

(setq p50 (polar p48 (- a (/ pi 2 )) (/ b 17)))

(setq p72 (polar p48 (- a pi) (/ b 17)))

(setq p47 (polar p72 (+ a (/ pi 2 )) (/ b 34)))

(setq p45 (polar p72 (- a (/ pi 2 )) (/ b 34)))

(setq p44 (polar p45 (- a pi) (/ b 17)))

(setq p46 (polar p47 (- a pi) (/ b 17)))

(setq p51 (polar p46 (- a (/ pi 2 )) (/ b 34)))

(setq p41 (polar p51 (- a pi) (/ b 34)))

(setq p42 (polar p41 (- a (/ pi 2 )) (/ b 17)))

(setq p43 (polar p41 (+ a (/ pi 2 )) (/ b 17)))

(setq p73 (polar p41 (- a pi) (/ b 34)))

(setq p38 (polar p73 (+ a (/ pi 2 )) (/ b 34)))

(setq p40 (polar p73 (- a (/ pi 2 )) (/ b 34)))

(setq p39 (polar p40 (- a pi) (/ b 17)))

(setq p37 (polar p38 (- a pi) (/ b 17)))

(setq p36 (polar p37 (- a (/ pi 2 )) (/ b 34)))

(setq p33 (polar p36 (- a pi) (/ b 17)))

(setq p35 (polar p33 (- a (/ pi 2 )) (/ b 17)))

(setq p34 (polar p33 (+ a (/ pi 2 )) (/ b 17)))

(setq p28 (polar p33 (- a pi) (/ b 10)))

(setq p32 (polar p28 ( - a (/ pi 4 )) (/ b 18)))

(setq p31 (polar p28 ( + a (/ pi 4 )) (/ b 18)))

(setq p30 (polar p28 ( - a (/ pi 1.333 )) (/ b 18)))

(setq p29 (polar p28 ( + a (/ pi 1.333 )) (/ b 18)))

(setq p24 (polar p28 (+ a (/ pi 2 )) (/ b 2)))

(setq p25 (polar p28 (- a pi) (/ b 8.5)))

(setq p26 (polar p25 (- a (/ pi 2 )) (/ b 17)))

(setq p27 (polar p25 (+ a (/ pi 2 )) (/ b 17)))

; секцияотрисовки

(command "_line" p62 p61 p2 p1 p8 p9 "")

(command "_line" p3 p4 "")

(command "_arc" p5 p7 p6 "")

(command "_line" p10 p11 "")

(command "_line" p5 p6 "")

(command "_line" p56 p57 "")

(command "_arc" p58 p60 p59 "")

(command "_line" p58 p59 "")

(command "_line" p63 p64 "")

(command "_line" p19 p18 p17 p16 p14 "")

(command "_line" p13 p15 "")

(command "_arc" p23 p22 p20 "")

(command "_arc" p23 p21 p20 "")

(command "_line" p55 p54 p53 p52 p72 p47 p46 p51 p73 p38 p37 p36 p25 "")

(command "_line" p34 p35 "")

(command "_arc" p69 p68 p67 "")

(command "_line" p36 p39 p40 p73 "")

(command "_line" p43 p42 "")

(command "_line" p51 p44 p45 p72"")

(command "_arc" p67 p65 p69 "")

(command "_line" p50 p49 "")

(command "_line" p26 p27 "")