-
диаметр цилиндра
Бобышки:
4.1.2 Расчет поршневого пальца
Наибольшее распространение получили плавающие пальцы, подвижные в бобышках поршня и в поршневой головке шатуна. Поршневой палец подвергается воздействию сил, переменных по величине и направлению. Эти силы подвергаю поршневой палец переменному изгибу и овализации. Материал пальца работает на усталость.
Недопустимая овализация поршневого пальца может приводить к трещинам в бобышках поршня и к продольным трещинам в стержне шатуна. Для повышения износостойкости и прочности пальцы изготавливают с вязкой сердцевиной и твёрдой поверхностью (цементированные и закалённые стали 15, 15Х, и 20ХН, с поверхностной закалкой ТВЧ стали 40, 45, 45Х и 40ХН, азотированные стали 18ХНВА). Для повышения усталостной прочности наружная поверхность пальца, а иногда и внутренняя, тщательно полируются. Принимаем Сталь45Х.
- длина,
плавающего пальца
-
внутренний диаметр пальца
-
наружный диаметр пальца
- длина
втулки шатуна
-
расстояние между бобышками
бобышек.
Напряжение
в поршневом пальце от изгиба имеет максимальное значение в середине длины
пальца:
Допускаемое
значение напряжений:
,
где
-относительная величина отверстия в поршневом пальце.
Инерционная
сила:
,
Расчетная сила, действующая на поршневой палец:
z = pz*Fп = 10 *
0,1067 = 1,067 МН
Расчетная
сила:
k -
коэффициент, учитывающий массу поршневого пальца. k= 0,68…0,81
Касательные
напряжения среза в сечениях между бобышками и головкой шатуна:
Допускаемое значение напряжений:
Проверка на овализацию:
Наибольшее увеличение горизонтального диаметра пальца при овализации:
м
Величина
овализации не должна превышать:
4.1.3 Расчет прочности поршневого кольца
Кольца прижимаются к стенкам цилиндра силами собственной упругости и давления газов. Верхнее поршневое кольцо работает в условиях высокой температуры и недостаточной смазки. В период сгорания удельное давление между кольцом и втулкой цилиндра, вызываемое газовыми силами, в 40 - 70 раз превосходит удельное давление от сил собственной упругости. В зоне этого кольца имеет место наибольший износ цилиндра. Повышение износостойкости достигается увеличением радиальной толщины (ограничиваемой напряжениями в кольце), применением для верхних поршневых колец пористогохромирования, а также напылением карбидохромомолибденового покрытия.
Поршневые кольца изготавливают из стали и чугуна специальных марок.
В цилиндре двигателя поршневое кольцо находится в сжатом состоянии, а при надевании его на поршень оно разводится. В том и другом случае в поршневом кольце действуют напряжения изгиба.
Расчёт кольца проводится с равномерным распределением давления по цилиндру.
Зададимся следующими параметрами:
- зазор
в замке в свободном состоянии
- зазор в
замке после установки
-
радиальная толщина кольца
- высота
кольца
Напряжение в сечении противоположном замку
в
рабочем состоянии:
где,
- деформация замка в рабочем состоянии
Рис.
6 Расчет поршневого кольца.
-
условный модуль упругости
Напряжение
изгиба кольца при надевании
-
деформация кольца
при
надевании
Удельное
давления кольца на стенку цилиндра
Допускаемое
удельное давления
В
среднем принимают значение
.
Экспериментальные исследования колец показывают, что величина удельного
давления кольца на стенки цилиндра не является одинаковой по длине кольца. Она
изменяется в зависимости от положения замка кольца и, особенно от степени
изношенности кольца и рабочей втулки цилиндра.
4.1.4 Расчет коленчатого вала
Коленчатый вал с присоединёнными к нему вращающимися частями представляет собой систему, подверженную крутильным и изгибным колебаниям, вызванным периодически действующими силами и моментами. Крутильные и изгибные колебания увеличивают напряжения в коленчатом валу.
Требования, предъявляемые к коленчатым валам:
- надёжность работы на всех эксплуатационных режимах;
прочность, жёсткость, износостойкость при минимальной массе;
обеспечение необходимого ресурса до капитального ремонта;
высокая точность изготовления, твёрдость и чистота обработки;
статическая и динамическая уравновешенность.
Основные положения расчета:
расчёту подвергается коленвал, как разрезная балка, т.е. рассматривается отдельное колено, оперяющиеся по плоскостям, проходящим через середины соседних коренных шеек;
колено абсолютно жёсткое;
колено симметричное;
коленвал рассматривается по элементам, отдельно коренная шейка, шатунная шейка, щека.
Коленчатые валы отечественных судовых двигателей изготавливают из сталей 45, 45Х, 40ХФА, 42ХМФА, 18Х2Н4ВА и др. Поверхности шеек стальных валов в целях повышения их твердости и износостойкости подвергаются азотированию на глубину 0,5-0,8 мм. Для изготовления коленчатых валов судовых двигателей довольно широко используются литые валы из высокопрочного чугуна с шаровидным графитом. Преимуществом чугунных валов является их меньшая стоимость и возможность снижения припусков на механическую обработку. Поверхности шеек чугунных валов обрабатываются токами высокой частоты.
Принимаем материал: чугун ВЧ45-0.
Порядок работы цилиндров 1-5-3-6-2-4
. ВМТ, нагружающей силой является сила Pz;
. положение при Т=Тmax;
. набегающий момент на колено максимален;
. положение, при котором сила S по шатуну максимальна.
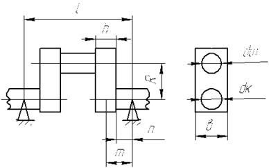
Рис. 7 Расчетная схема коленчатого вала
R=0,225 м. Fп=0,1017м
dк=0,255 м dш=0,225 м
l =0,2475 м а1= 0,165 м
h=0,645
м b=0,09 м
4.1.5 Расчет шатунной шейки
Шатунные шейки рассчитывают на кручение и изгиб.
Расчет на кручение
Максимальный и минимальный набегающие моменты:
Максимальный
и минимальный крутящие моменты:
Момент
сопротивления шатунной шейки кручению:
Максимальное
и минимальное касательные напряжения:
Среднее
напряжение и амплитуда напряжений:
Коэффициент
учитывающий масштабный фактор:
Коэффициент
концентраций напряжений:
Коэффициент
динамичности:
Предел
выносливости:
Предел
прочности:
Коэффициент
чувствительности асимметрии цикла:
Запас
прочности:
Запас
прочности не превышает допустимые значения
Расчет на изгиб
Расчет ведется для сечений 1 и 3.
Определим
реакции:
Изгибающий
момент в плоскости колена:
Изгибающий
момент в плоскости, перпендикулярной плоскости колена:
Изгибающий
момент в направлении масляного канала:
Изгибающий
момент в направлении галтельного перехода:
К расчету изгиба шатунной шейки
Таблица 5.
|
α |
K |
T |
Mk3 |
Mt3 |
M1 |
Mk3*cos |
Mt3*sin |
M Сумм |
Rt |
Rk |
|
|
|
|
|
|
|
|
|
|
|
|
|
0 |
-0,0766 |
0 |
-38321 |
0 |
6,70623 |
17171 |
0 |
-17170,8 |
0 |
-38321 |
|
10 |
-0,0729 |
-0,016 |
-36443 |
-991,41 |
6,52974 |
16329 |
-886,3 |
-17215,3 |
-8011 |
-36443 |
|
20 |
-0,0623 |
-0,029 |
-31158 |
-1771,5 |
6,00051 |
13961 |
-1584 |
-15544,6 |
-14315 |
-31158 |
|
30 |
-0,0472 |
-0,035 |
-23579 |
-2190,2 |
5,15937 |
10565 |
-1958 |
-12523 |
-17699 |
-23579 |
|
40 |
-0,0305 |
-0,035 |
-15242 |
-2158 |
4,05313 |
6829,4 |
-1929 |
-8758,72 |
-17439 |
-15242 |
|
50 |
-0,0155 |
-0,027 |
-1699,8 |
2,76005 |
3473,2 |
-1520 |
-4992,8 |
-13735 |
-7751,4 |
|
|
60 |
-0,0048 |
-0,015 |
-2408,3 |
-913,8 |
1,35923 |
1079,1 |
-816,9 |
-1896,02 |
-7384 |
-2408,2 |
|
70 |
9E-05 |
0,0007 |
42,943 |
42,977 |
0,06124 |
-19,24 |
38,421 |
57,6631 |
347,29 |
42,985 |
|
80 |
-0,001 |
0,0162 |
-503,47 |
999,707 |
1,41647 |
225,59 |
893,73 |
668,144 |
8078,4 |
-503,43 |
|
90 |
-0,0072 |
0,0292 |
-3580,9 |
1808,7 |
2,6334 |
1604,5 |
1617 |
12,4641 |
14616 |
-3580,9 |
|
100 |
-0,0167 |
0,0384 |
-8359,3 |
2373,46 |
3,66135 |
3745,6 |
2121,9 |
-1623,71 |
19179 |
-8359,3 |
|
110 |
-0,0278 |
0,0429 |
-13899 |
2653,88 |
4,47219 |
6227,6 |
2372,6 |
-3855 |
21446 |
-13898 |
|
120 |
-0,0387 |
0,043 |
-19340 |
2663,2 |
5,06352 |
8666 |
2380,9 |
-6285,06 |
21521 |
-19340 |
|
130 |
-0,0481 |
0,0396 |
-24074 |
2451,61 |
5,45602 |
10787 |
2191,7 |
-8595,09 |
19811 |
-24074 |
|
140 |
-0,0557 |
0,0337 |
-27831 |
2083,97 |
5,69267 |
12470 |
1863,1 |
-10607,4 |
16840 |
-27831 |
|
150 |
-0,061 |
0,026 |
-30512 |
1610,67 |
5,80517 |
13672 |
1439,9 |
-12231,9 |
13016 |
-30512 |
|
160 |
-0,0645 |
0,0177 |
-32265 |
1093,08 |
5,85419 |
14457 |
977,21 |
-13480 |
8833 |
-32265 |
|
170 |
-0,0664 |
0,0089 |
-33206 |
550,942 |
5,86311 |
14879 |
492,54 |
-14386,4 |
4452,1 |
-33206 |
|
180 |
-0,069 |
0 |
-34524 |
0 |
6,04166 |
15469 |
0 |
-15469,2 |
0 |
-34524 |
|
190 |
-0,0674 |
-0,015 |
-33711 |
-904,16 |
6,03639 |
15105 |
-808,3 |
-15913,3 |
-7306 |
-33711 |
|
200 |
-0,0665 |
-0,029 |
-33250 |
-1781,1 |
6,34048 |
14899 |
-1592 |
-16490,8 |
-14392 |
-33250 |
|
210 |
-0,0639 |
-0,042 |
-31925 |
-2581,2 |
6,67369 |
14305 |
-2308 |
-16612,6 |
-20858 |
-31925 |
|
220 |
-0,0592 |
-0,052 |
-29593 |
-3222,4 |
6,89824 |
13260 |
-2881 |
-16140,8 |
-26039 |
-29593 |
|
230 |
-0,0529 |
-0,06 |
-26470 |
-3697,1 |
6,98505 |
11860 |
-3305 |
-15165,5 |
-29875 |
-26470 |
|
240 |
-0,0442 |
-0,063 |
-22120 |
-3895,6 |
6,73295 |
9911,3 |
-3483 |
-13394 |
-31480 |
-22120 |
|
250 |
-0,0335 |
-0,061 |
-16737 |
-3778,6 |
6,0936 |
7499,4 |
-3378 |
-10877,5 |
-30534 |
-16737 |
|
260 |
-0,023 |
-0,057 |
-11495 |
-3554,6 |
5,41432 |
5150,7 |
-3178 |
-8328,56 |
-28724 |
-11495 |
|
270 |
-0,0121 |
-0,05 |
-6073,4 |
-3067,7 |
4,46644 |
2721,3 |
-2742 |
-5463,84 |
-24789 |
-6073,4 |
|
280 |
-0,0029 |
-0,043 |
-1447,6 |
-2639,4 |
3,74109 |
648,62 |
-2360 |
-3008,25 |
-21329 |
-1447,5 |
|
290 |
0,0055 |
-0,037 |
2734,9 |
-2312,7 |
3,30534 |
-1225 |
-2068 |
-842,134 |
-18689 |
2734,9 |
|
300 |
0,0145 |
-0,035 |
7266,8 |
-2156 |
3,30346 |
-3256 |
-1927 |
1328,62 |
-17422 |
7266,9 |
|
310 |
0,0313 |
-0,04 |
15648 |
-2501,9 |
4,47393 |
-7011 |
-2237 |
4774,73 |
-20217 |
15648 |
|
320 |
0,0637 |
-0,05 |
31849 |
-3101 |
7,09184 |
-14271 |
-2772 |
11498,4 |
-25058 |
31849 |
|
330 |
0,1275 |
-0,062 |
63750 |
-3866,3 |
12,424 |
-28565 |
-3456 |
25108,5 |
-31242 |
63750 |
|
340 |
0,2606 |
-0,076 |
130285 |
-4684,8 |
23,7429 |
-58377 |
-4188 |
54189,1 |
-37857 |
130285 |
|
350 |
0,4127 |
-0,056 |
206332 |
-3472,4 |
36,4405 |
-92452 |
-3104 |
89347,7 |
-28059 |
206332 |
|
360 |
0,5134 |
0 |
256713 |
0 |
44,9248 |
-1E+05 |
0 |
115026 |
0 |
256713 |
|
370 |
0,8047 |
402343 |
10945,6 |
72,0913 |
-2E+05 |
9785,4 |
190065 |
88450 |
402343 |
|
|
380 |
0,7477 |
0,3435 |
373841 |
21254,5 |
71,9964 |
-2E+05 |
19001 |
186510 |
171754 |
373841 |
|
390 |
0,5022 |
0,377 |
251119 |
23326,2 |
54,9486 |
-1E+05 |
20854 |
133373 |
188495 |
251119 |
|
400 |
0,246 |
0,2814 |
122981 |
17412,6 |
32,7035 |
-55104 |
15567 |
70671,3 |
140708 |
122981 |
|
410 |
0,1264 |
0,224 |
63209 |
13860,9 |
22,5071 |
-28322 |
12392 |
40714,1 |
112007 |
63209 |
|
420 |
0,0619 |
0,1899 |
30971 |
11751,8 |
17,4802 |
-13877 |
10506 |
24383,3 |
94964 |
30971 |
|
430 |
0,0206 |
0,1664 |
10298 |
10296,1 |
14,6713 |
-4614 |
9204,7 |
13818,9 |
83201 |
10298 |
|
440 |
-0,0092 |
0,1478 |
-4605,5 |
9145,45 |
12,9581 |
2063,6 |
8176 |
6112,42 |
73903 |
-4605,4 |
|
450 |
-0,0323 |
0,132 |
-16168 |
8166,56 |
11,8902 |
7244,5 |
7300,9 |
56,3424 |
65992 |
-16168 |
|
460 |
-0,051 |
0,117 |
-25503 |
7241,07 |
11,1702 |
11427 |
6473,5 |
-4953,65 |
58514 |
-25503 |
|
470 |
-0,0681 |
0,1051 |
-34051 |
6502,03 |
10,9569 |
15258 |
5812,8 |
-9444,75 |
52542 |
-34051 |
|
480 |
-0,0818 |
0,091 |
-40881 |
5629,37 |
10,7031 |
18318 |
5032,6 |
-13285,1 |
45490 |
-40881 |
|
490 |
-0,0929 |
0,0764 |
-46435 |
4728,86 |
10,524 |
20806 |
4227,6 |
-16578,9 |
38213 |
-46435 |
|
500 |
-0,1006 |
0,0609 |
-50298 |
3766,23 |
10,288 |
22537 |
3367 |
-19170,1 |
30434 |
-50298 |
|
510 |
-0,1062 |
0,0453 |
-53122 |
2804,19 |
10,1068 |
23803 |
2506,9 |
-21295,7 |
22660 |
-53122 |
|
520 |
-0,1098 |
0,0301 |
-54916 |
1860,43 |
9,96388 |
24606 |
1663,2 |
-22943,1 |
15034 |
-54916 |
|
530 |
-0,1138 |
0,0153 |
-56923 |
944,438 |
10,0507 |
25506 |
844,32 |
-24661,4 |
7631,8 |
-56923 |
|
540 |
-0,1128 |
0 |
-56397 |
0 |
9,86948 |
25270 |
0 |
-25270 |
0 |
-56397 |
|
550 |
-0,0947 |
-0,021 |
-47335 |
-1269,6 |
8,47603 |
21210 |
-1135 |
-22344,8 |
-10259 |
-47335 |
|
560 |
-0,0734 |
-0,032 |
-36697 |
-1965,7 |
6,99775 |
16443 |
-1757 |
-18200,2 |
-15884 |
-36697 |
|
570 |
-0,0629 |
-0,041 |
-31454 |
-2543,1 |
6,57523 |
14094 |
-2274 |
-16367,5 |
-20551 |
-31454 |
|
580 |
-0,0557 |
-0,049 |
-27831 |
-3030,5 |
6,4875 |
12470 |
-2709 |
-15179,8 |
-24489 |
-27831 |
|
590 |
-0,0481 |
-0,054 |
-24074 |
-3362,4 |
6,3528 |
10787 |
-3006 |
-13792,8 |
-27171 |
-24074 |
|
600 |
-0,0387 |
-0,055 |
-19340 |
-3406,1 |
5,88693 |
8666 |
-3045 |
-11711 |
-27524 |
-19340 |
|
610 |
-0,0278 |
-0,051 |
-13899 |
-3137,8 |
5,06018 |
6227,6 |
-2805 |
-9032,75 |
-25356 |
-13898 |
|
620 |
-0,0167 |
-0,042 |
-8359,3 |
-2584,9 |
3,93724 |
3745,6 |
-2311 |
-6056,46 |
-20888 |
-8359,3 |
|
630 |
-0,0072 |
-0,029 |
-3580,9 |
-1808,7 |
2,6334 |
1604,5 |
-1617 |
-3221,48 |
-14616 |
-3580,9 |
|
640 |
-0,001 |
-0,015 |
-503,47 |
-917,94 |
1,30108 |
225,59 |
-820,6 |
-1046,23 |
-7418 |
-503,43 |
|
650 |
9E-05 |
-6E-04 |
42,943 |
-36,349 |
0,05195 |
-19,24 |
-32,5 |
-13,254 |
-293,7 |
42,985 |
|
660 |
-0,0048 |
0,0115 |
-2408,3 |
714,496 |
1,09477 |
1079,1 |
638,76 |
-440,331 |
5773,7 |
-2408,2 |
|
670 |
-0,0155 |
0,02 |
-7751,4 |
1239,33 |
2,21623 |
3473,2 |
1108 |
-2365,26 |
10015 |
-7751,4 |
|
680 |
-0,0305 |
0,024 |
-15242 |
1484,01 |
3,39391 |
6829,4 |
1326,7 |
-5502,74 |
11992 |
-15242 |
|
690 |
0,0231 |
-23579 |
1429,97 |
4,59514 |
10565 |
1278,4 |
-9286,62 |
11555 |
-23579 |
|
|
700 |
-0,0623 |
0,0181 |
-31158 |
1120,37 |
5,67811 |
13961 |
1001,6 |
-12959,3 |
9053,5 |
-31158 |
|
710 |
-0,0729 |
0,0099 |
-36443 |
613,292 |
6,43616 |
16329 |
548,28 |
-15780,7 |
4955,9 |
-36443 |
|
720 |
-0,0766 |
0 |
-38321 |
0 |
6,70623 |
17171 |
0 |
-17170,8 |
0 |
-38321 |
Выбираем максимальные и минимальные значения моментов
Сечение 1
Момент
сопротивления шатунной шейки кручению:
Максимальное
и минимальное напряжения изгиба:
Среднее
напряжение и амплитуда напряжений:
Коэффициент
концентраций напряжений:
Коэффициент
учитывающий масштабный фактор:
Предел
выносливости:
Предел
прочности:
Коэффициент
чувствительности асимметрии цикла:
Запас
прочности:
Запас
прочности не превышает допустимые значения
Сечение 3
Максимальное
и минимальное напряжения изгиба:
Среднее
напряжение и амплитуда напряжений:
Коэффициент
концентраций напряжений:
Коэффициент
учитывающий масштабный фактор:
Предел
выносливости:
Предел
прочности:
Коэффициент
чувствительности асимметрии цикла:
Запас
прочности:
Запас
прочности не превышает допустимые значения
4.1.6 Расчет щеки
Щека испытывает напряжения растяжения - сжатия, изгиба и кручения.
Размеры
щеки: