Разработка
цифровой системы управления двигателем
Содержание
1. Составление структурной схемы объекта управления
. Определение передаточной функции объекта управления
. Построение логарифмических и переходных характеристик объекта
. Составление уравнения состояния непрерывного объекта
. Определение периода квантования управляющей ЦВМ
. Решение уравнений состояния
Литература
1. Составление структурной схемы объекта
управления
Таблица 1. Исходные данные
Номер варианта
11
Модель
ДПМ-07
Мощность, Вт
Напряжение, В
27
Ток, А
0.05
Скорость вращения, об/мин
6000
Вращающий момент, Нсм
0.2
Момент инерции, кг/см2
0.0025
Сопротивление, Ом
84
Индуктивность, Гн
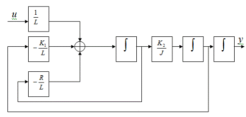
Объект управления - электрический привод с
двигателем постоянного тока, описываемый уравнениями:
· уравнение электрической цепи
двигателя
управление
логарифмический квантование цифровой
· уравнение моментов
· уравнение редуктора
где: u -
напряжение на якоре двигателя [В];
i - ток якоря
[А];
f - угол
поворота вала двигателя [рад];
y - угол
поворота вала редуктора (выход) [рад];
Kp=1 -
коэффициент передачи редуктора;
R, L -
сопротивление и индуктивность якоря [Ом], [Гн];
K1, K2 -
конструктивные параметры двигателя [Вс/рад], [Нм/А].
Управляющий сигнал - напряжение на
якоре двигателя - u; выход объекта управления - y, измеряемый
сигнал - y.
Рассчитаем значения ωн и L:
Рассчитаем коэффициенты K1 и K2:
Для составления структурной схемы
объекта управления, напишем систему уравнений, которая получается из исходных
данных.
в итоге получаем следующую систему:
Структурная схема объекта управления:
Рисунок 1
Система дифференциальных уравнений в
форме Коши:
2. Определение передаточной функции объекта
управления Вернемся к основному уравнению:
подстановкой исходных данных
приведем ее к удобному для нас виду:
Для нахождения передаточной функции
вспомним ее определение. Передаточной функцией звена или системы называется
отношение изображения выходного сигнала к изображению входного сигнала при
нулевых начальных условиях. Передаточная функция представляет собой дробь,
числитель которой является результатом замены производных степенями p правой
части дифференциального уравнения, а знаменатель - левой.
Передаточная функция:
Перейдем к изображениям
найдем J:
Итак, получаем
если представить в стандартном виде,
то получим:
. Построение логарифмических и переходной
характеристик объекта
Изображение переходной характеристики:
Для построения переходной
характеристики используем систему CALLISTO.
. В редакторе модели создаем
необходимую модель:
· очищаем редактор (F1,F9)
· ставим линейный блок(F2);
· обозначаем вход(F7)
и выход(F8);
· задаем параметры (Esc,F2,Enter):
P0=K=27.77, Q0=1,1=2.925E-02,
Q2=T2=6.25E-05.
. Выходим из редактора модели (Esc,F2,F6)
. Заходим в «Переходные процессы»
· задаем сигнал на входе 1(t);
· задаем время 0.2;
· задаем шаг 0.00079;
· делаем расчет.
График переходной характеристики см.
приложение1.
Для построения ЛАЧХ и ЛФЧХ выходной сигнал будем
брать не угловую скорость ω, а
угол поворота вала двигателя f.
Для данного случая передаточная
функция будет иметь вид:
В стандартном виде
Построения ЛАЧХ и ЛФЧХ также
проводим при помощи системы CALLISTO. Для этого
следуем ранее отмеченным пунктам, но вместо одного линейного блока вводим два.
Второй блок имеет следующие параметры:
P0=K1=1, Q1=T1=1.
Завершив работу в редакторе модели,
заходим в «Частотные характеристики». Выбираем диаграмму (ЛАЧХ, затем ЛФЧХ),
задаем диапазон частот (0-2000) и делаем расчет.
Графики ЛАЧХ и ЛФЧХ см. приложение 2
и 3 соответственно.
4. Составление уравнения состояния непрерывного
объекта
. Определение периода квантования управляющей ЦВМ
Период квантования управляющей ЦВМ находим через
время переходного процесса непрерывного объекта tр
по формуле:
Время переходного процесса мы
определяем по переходной характеристике, построенной в системе CALLISTO, на уровне
0,95 скорости. В результате получаем следующие данные:
Составление уравнений состояния дискретной
модели объекта
Матрица Ad
Матрица Bd
Sсo
=2.2583235819E-03
т.е. система полностью управляема.
Матрица наблюдаемости дискретной
модели объекта:
det Sob =
2.2583235819E-03
Вектор наблюдаемости:
6. Расчет параметров цифрового регулятора
состояния, обеспечивающего торможение двигателя за минимальное число тактов
квантования
Матрица управления из условия окончания
переходного процесса за минимальное число тактов:
где: Расчет параметров оптимального быстродействия
наблюдателя состояния и составление его структурной схемы
Вектор наблюдаемости:
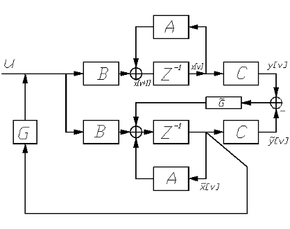
Структурная схема наблюдателя:
Рисунок 2
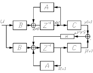
Запись уравнений состояния замкнутой цифровой
системы и составление её структурной схемы
Уравнения состояния наблюдателя:
Структурная схема наблюдателя,
замкнутой цифровой системы:
Рисунок 3
Матрица замкнутой системы с
регулятором состояния:
Если посмотреть матрицу то увидим, что она очень мала, т.е.
за три такта процесс полностью устанавливается.
Собственная матрица наблюдателя:
Если посмотреть матрицу Вектор состояния замкнутой системы с
регулятором и наблюдателем:
где: Матрица замкнутой системы с
регулятором состояния и наблюдателем:
Расчет и построение графиков сигналов в цифровой
системе с наблюдателем и регулятором состояния
Вектор начальных условий:
x2(0)=0
x3(0)=0
. Решение уравнений состояния
Таблица 2
k
x1(k)
x1(k)
x2(k)
x2(k)
x3(k)
x3(k)
u(k)
0
0.0E+00
0.0E+00 0.0E+00
5.0E-02
0.0E+00
0.0E+00
1
4.7E+00
0.0E+00
5.2E+02
9.3E-10
-2.3E-01
2.3E-13
-2.1E-10
2
8.2E+00
8.3E+00
3.8E+02
3.9E+02
-1.8E-01
-1.8E-01
-2.3E+02
3
6.9E+00
6.9E+00
-9.2E+02
-9.2E+02
-2.4E+00
-2.4E+00
1.5E+02
4
4.9E-01
4.9E-01
-3.0E+02
-3.0E+02
1.9E+00
1.9E+00
-5.7E+00
5
-4.5E-03
-4.5E-03
2.5E+00
2.5E+00
-1.5E-02
-1.5E-02
3.7E-02
6
5.2E-12
5.2E-12
-6.6E-10
-6.6E-10
-2.1E-12
-2.1E-12
1.2E-10
7
3.8E-13
3.8E-13
-2.3E-10
-2.3E-10
1.5E-12
1.5E-12
-4.5E-12
8
-3.6E-15
-3.6E-15
2.0E-12
2.0E-12
-1.2E-14
-1.2E-14
3.0E-14
9
4.3E-24 -4.8E-22
-4.8E-22
-2.3E-24
-2.3E-24
1.0E-22
10
3.3E-25
3.3E-25
-2.0E-22
-2.0E-22
1.2E-24
1.2E-24
-3.7E-24
¦Umax¦
= 2.2779590432E+02
Графики сигналов в цифровой системе с
наблюдателем
Рисунок 4
Литература
1. Филлипс Ч., Харбор Р.
Системы управления с обратной связью. 2001.
. Иванов Е.А., Сильченкова
В.В. Линейные системы автоматического управления. - М.: МИЭТ, 1980.
. Иванов Е.А. Метод
пространства состояний в теории линейных непрерывных и цифровых систем
управления. - М.: МИЭТ,1 990.
. Изерман Р. Цифровые системы
управления. - М.: Мир, 1984.
. Волков И.И., Миловзоров
В.П. Электромашинные устройства автоматики. - М.: Высшая школа, 1986.
;
;
;
- э.д.с. вращения [В];
- момент, развиваемый двигателем
[Нм];
- угловая скорость [1/с];
с-1;
Гн.
(Нм/А);
(Вс/рад).
;
;
;
;
,
,
.
.
;
м.
![]()
.
с;
;
;
;
;
;
.
.
,
;
;
;
.
.
с;
с.

,
, т.е. система полностью наблюдаема.
.
.
:
то увидим,
что она очень мала, т.е. за три такта процесс полностью устанавливается.
- переменные состояния объекта.
- переменные состояния наблюдателя.
1(0)=0