Материал: Разработка автоматизированной системы управления освещением для административного здания

Внимание! Если размещение файла нарушает Ваши авторские права, то обязательно сообщите нам

Разработка автоматизированной системы управления освещением для административного здания

Образовательное учреждение высшего образования

«Южно-Уральский институт управления и экономики»











Выпускная квалификационная работа

На тему: «Разработка автоматизированной системы управления освещением для административного здания»


Автор работы: А.Т. Петров

Руководитель работы: И.В. Сидорова

Нормоконтроль: Д.А. Новикова

Ответственный консультант по экономической части:

И.А. Сергеичева

Заведующий кафедрой ТиЭ: А.Г. Савиновских

Челябинск, 2016

Аннотация

«Проектирование локально - вычислительной сети для ИП Евдокимова М.В.» Пояснительная записка к выпускной квалификационной работе. - Челябинск, Образовательное учреждение высшего образования «ЮУИУиЭ», 2016. 73 страниц, 10 иллюстраций, 8 таблиц, 22 источников литературы.

В данной выпускной квалификационной работе рассматривается система электроснабжения предприятия ТОРГОВЫЙ ДОМ "УРАЛЬСКИЙ ЗАВОД ХИМИЧЕСКОГО И НЕСТАНДАРТНОГО ОБОРУДОВАНИЯ" (ТД "УЗХНО").

Целью выпускной квалификационной работы является разработать автоматизированную систему управления освещением административного здания.

Квалификационная работа состоит из введения, 6 глав и заключения.

Во введении определены актуальность работы, объект, предмет, цели и задачи, практическая значимость работы.

В первой главе представлен анализ предметной области, рассмотрена системы электроснабжения ООО «Уральский завод химического и нестандартного оборудования», выявлены ее недостатки.

Во второй главе рассмотрены различные источники искусственного освещения зданий, а также, варианты построения автоматизированных систем управления системой освещения.

Третья глава посвящена подробному описанию предлагаемой системы управления системой освещения административного здания.

В четвертой главе проведен выбор энергоэффективных источников освещения.

В пятой главе рассмотрены основные аспекты охраны труда при работе в электроустановках. Определены основные факторы, вызывающие опасность для человека при работе.

В шестой главе дана оценка внедрения предлагаемой системы и применения энергоэффективнх источников света.

В заключении представлены общие выводы по квалификационной работе.

Содержание

Аннотация

Введение

Глава 1. Анализ производственно-хозяйственной деятельности объекта и существующей схемы электроснабжения

.1 Общая информация

.2 Схема электроснабжения и электрооборудование объекта

.3 Динамика потребления электроэнергии

.4 Система освещения объекта

Выводы по главе 1

Глава 2. Анализ эффективности систем освещения

.1 Сравнение эффективности различных типов источников освещения

.2 Различные варианты построения систем управления освещением

Выводы по главе 2

Глава 3. Построение системы управления освещением

.1 Выбор структуры системы освещением

.2 Выбор элементов системы управления освещением

.2.1 Офисные светильники

.2.2 Блок управления БУР-8

.2.3 Устройство сбора и передачи данных УСПД-01

.2.4 Устройство сбора и передачи данных УСПД-02

.2.5 Сервер сбора и обработки энергоинформации зданий

Выводы по главе 3

Глава 4. Эффективность внедряемых технологий

.1 Энергоэффективность осветительных приборов

.2 Экономичность осветительных приборов

Выводы по главе 4

Глава 5. Разработка мероприятий по охране труда и экологической безопасности

.1 Мероприятия по охране атмосферного воздуха

.2 Защита от производственного шума и вибрации

.3 Мероприятия по охране и рациональному использованию недр

Выводы по главе 5

Глава 6. Расчет экономической эффективности

.1 Ориентировочная стоимость системы освещения

Выводы по главе 6

Заключение

Список использованной литературы

Введение

Энергосбережение (экономия электроэнергии) - реализация правовых, организационных, научных, производственных, технических и экономических мер, направленных на эффективное (рациональное) использование (и экономное расходование) топливно-энергетических ресурсов и на вовлечение в хозяйственный оборот возобновляемых источников энергии.

С развитием микроэлектроники, схемотехники, с истощением энергетических ресурсов всего земного шара, проблема энергосбережения вышла на первое место экономической политики государств.

Основными направлениями политики энергосбережения:

1.       Проведение государственной политики в сфере энергосбережения.

2.       Осуществление государственного надзора за рациональным использованием топлива, электрической и тепловой энергии.

.        Повышения эффективности использования энергоносителей в результате внедрения новых энергосберегающих технологий, оборудования, приборов и материалов, утилизации вторичных энергоресурсов.

.        Структурной перестройки отраслей экономики и промышленности.

С целью экономного использования электрической энергии все предприятия, связанные с разработкой электронных устройств, проектируют устройства, выпускаемые в массовое производство таким образом, чтобы оно как можно меньше потребляло электроэнергии. Для этого, например, проводятся попытки к минитюаризации отдельных элементов, что позволяет комбинировать их единые блоки небольших размеров. Это даёт возможность сберегать электрическую энергию за счёт использования для питания этих блоков уже один источник питания, а не по одному для каждого из элементов. На специализированных форумах и выставках предприятия делятся своими новыми разработками в области энергосберегающей аппаратуры.

Наиболее распространенный способ экономии электроэнергии - повышение эффективности за счет использования современных технологий и микропроцессорной техники в сфере автоматизации зданий.

Исходя из вышеперечисленного, можно сделать вывод, что проблема повышения энергоэффективности является востребованной в настоящее время, что делает тему работы «Разработка автоматизированной системы управления освещением для административного здания» актуальной.

Объектом исследования является системы электроснабжения предприятия ООО «Уральский завод химического и нестандартного оборудования».

Целью работы является разработка автоматизированной системы управления освещением.

Таким образом, в результате написания работы будут решены следующие задачи:

рассмотрена системы электроснабжения предприятия;

выявлены основные недостатки системы электроснабжения;

проведен анализ различных источников освещения;

рассмотрены типовые варианты построения систем управления освещением;

разработана структура автоматизированной системы управления освежением;

оценен экономический эффект от внедрения предлагаемой системы.

Глава 1. Анализ производственно-хозяйственной деятельности объекта и существующей схемы электроснабжения

1.1 Общая информация

Собственных источников электроснабжения у ООО «Уральский завод химического и нестандартного оборудования» (ООО «УЗХНО») не имеется.

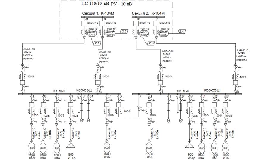
Однолинейная схема присоединения к внешней электрической сети электрооборудования приведена на рисунке 1.

Перечень точек поставки электроэнергии в сеть ООО «УЗХНО» из сети приведен в таблице 1.

Рисунок 1. Однолинейная схема присоединения электрооборудования.

Таблица 1. Перечень точек поставки электрической энергии в сеть ООО «УЗХНО»

Наименование присоединения

Уровень напряжения в точке

Максимальная мощность, кВт

Прибор учета

Трансформаторы

Расчетный коэффициент




тип

баланс

тока

напряжения


ПС 110/10 кВ Ф-33

ВН

2250

СЭТ4ТМ.03

0104081212

Заказчик

ТОЛ-10

НАМИТ-6

8000

ПС 110/10 кВ Ф-35

ВН

2250

СЭТ4ТМ.03

0101072339

Заказчик

ТОЛ-10

НАМИТ-6

8000

ПС 110/10 кВ Ф-45

ВН

2250

СЭТ4ТМ.03

0104080512

Заказчик

ТОЛ-10

НАМИТ-6

8000

ПС 110/10 кВФ-47

ВН

2250

СЭТ4ТМ.03

0104080430

Заказчик

ТОЛ-10

НАМИТ-6

8000



1.2 Схема электроснабжения и электрооборудование объекта

Схема внешнего электроснабжения объекта соответствует III категории надежности, для которой допустимое число часов отключения в год составляет 72 часа, а также допускаются перерывы в электроснабжении, необходимые для ремонта и замены поврежденного электрооборудования системы электроснабжения, с восстановлением электроснабжения в течение 24 часов [1].

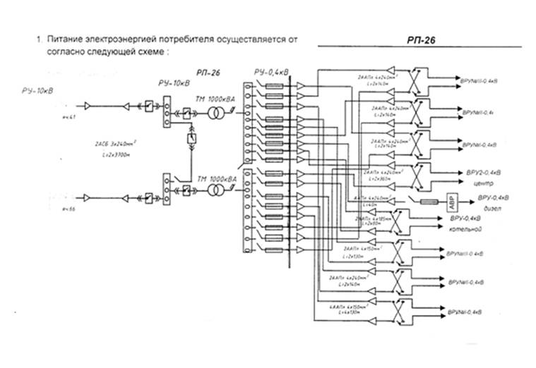
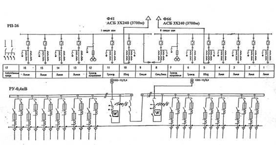
На рисунке 2 представлена однолинейная схема электроснабжения административного здания ООО «УЗХНО».

Рисунок 2. Однолинейная схема электроснабжения

Электроэнергия осуществляется от РП-26 по кабельным линиям во ВРУ-0,4 кВ. Граница балансовой принадлежности и эксплуатационной ответственности электросетевой организации и потребителя документирована актом и проходит по наконечникам КЛ-0,4 кВ в РУ-0,4 кВ РП-26.

Рисунок 3. Схема питания электроэнергией

В эксплуатации и на балансе сетевой организации находятся: « РП-26 в составе 2КЛ-10 кВ от РУ-10 кВ ПС 110/до РУ-10 кВ, кабельные линии 0,4 кВ от РУ-0,4 кВ РП-26, вводно-распределительные устройства 0,4 кВ и внутренние эл. сети».

Условно все установленное на объекте электропотребляющее оборудование можно разделить на две категории: светотехническое оборудование, использующееся в целях освещения помещений, и силовое электрооборудование, которое включает в себя приточно-вытяжную вентиляцию, насосное оборудование, центры питания и систему кондиционирования, а также орг.технику и бытовую технику.

Долевое распределение электроприемников по направлениям использования в учреждении приведено на рисунке 4.

Рисунок 4. Долевое распределение установленной мощности электроприемников

1.3 Динамика потребления электроэнергии

На рисунке 5 представлена динамика потребления электроэнергии объекта ООО «УЗХНО» с 2014 по 2016 гг.

Рисунок 5. Динамика потребления электроэнергии объекта

1.4 Система освещения объекта

Из общего потребленного расхода электроэнергии в здании примерно 24% приходится на долю освещения.

На основании приказа № 16 от 19.01.2012 г. о проведении аттестации рабочих мест и приказа Минздравсоцразвития России № 342н от 26.04.2011г. «Об утверждении порядка аттестации рабочих мест по условиям труда» в ООО «УЗХНО» проведена аттестация рабочих мест по условиям труда. Для проведения работ по договору № 1301/05/06 от 13 января 2012 г. привлекалась аттестующая организация ООО «Охрана. Безопасность», имеющая аттестат аккредитации № РОСС RU.0001.21ЭМ82 от 13 декабря 2010 г. Аттестация рабочих мест по условиям труда проводилась с 19.01.2012г. по 23.05.2012 г. Всего проведена аттестация 95 рабочих мест. Результаты аттестации рабочих мест представлены в сводной ведомости результатов аттестации рабочих мест по условиям труда (Таблица 2).

В качестве осветительных приборов для освещения помещений объекта применяются светильники с люминесцентными лампами, с лампами ДНаТ и ДРИ, а так же с лампами накаливания 60 Вт.

Всего на объекте установлено 6919 ламп различного типа с суммарной установленной мощностью 266,5 кВт.

Основное распределение между типами светильников приведено в таблице 3.

На объекте полностью отсутствует система управления освещением. Включение и отключение осветительных установок осуществляется ручным способом с помощью обслуживающего персонала и работников организации.

В качестве энергосберегающих мероприятий рекомендуется замена ламп накаливания на светодиодные.

Таблица 2. Сводная ведомость результатов аттестации рабочих мест по условиям труда

Наименование позиции

Количество рабочих мест и работников, занятых на данных рабочих местах (всего)

Проведена аттестация по условиям труда

Количество рабочих мест и работников с классами условий труда

Количество рабочих мест и работников с классами условий труда по травмоопасное™

Количество рабочих мест и работников с оценкой соответствия требованиям по обеспеченности СИЗ

Количество рабочих мест и работников, аттестованных с классами условий труда 3 и 4 и (или) «не соответствует по обеспеченности СИЗ»




1

2

3

4

1

2

3

соответствует

не соответствует

СИЗ не предусмотрены


Рабочие места, ед.

95

95

0

93

2

0

23

72

0

31

0

64

2

Работники, занятые на данных рабочих местах, чел.

361

361

0

356

5

0

175

186

0

137

0

224

5

из них: женщины

259

259

0

257

2

0

153

106

0

97

0

162

2

лица в возрасте до 18 лет

0

0

0

0

0

0

0

0

0

0

0

0

0