Материал: Разработка автоматизированной системы дистанционного управления прогревом двигателя автомобиля с использованием парковочного места

Внимание! Если размещение файла нарушает Ваши авторские права, то обязательно сообщите нам

)        Позволяет производить управление приемом и передачей данных по последовательным интерфейсам RS-232* или RS-485 с помощью АТ-команд в соответствии со стандартами GSM 07.05 и GSM 07.07;

)        Производит индикацию наличия обмена данными по последовательным портам RS-485 или RS-232*;

)        Производит индикацию наличия регистрации в сети GSM и наличия передачи данных в режиме GPRS (Рисунок 24).

Рисунок 24 - Схема применения GSM/GPRS модема ОВЕН ПМ01

2.3.7 Автоматический преобразователь интерфейсов RS-232/RS-485 ОВЕН АС3-М

Предназначен для взаимного преобразования сигналов интерфейсов RS-232 и RS-485. Позволяет подключать к промышленной информационной сети RS-485 устройство с интерфейсом RS-232 (персональный компьютер, считыватель штрих-кодов, электронные весы и т.д.) [20].

Рисунок 25 - Внешний вид АС3-М

Основные функции:

.        Взаимное преобразование сигналов интерфейсов RS-485 и RS-232;

.        Автоматическое определениее направления передачи данных;

.        Гальваническая изоляция входов между собой и от питающей сети;

.        Встроенные согласующие резисторы.

.3.8 Пускатель ПМ12-010200

Пускатели типа ПМ 12-040 предназначены для работы в стационарных установках для дистанционного пуска непосредственным подключение к сети, остановки и реверсирования трехфазных асинхронных электродвигателей.

Пускатель имеет в наличии тепловое реле, осуществляющее защиту управляемых приборов от перегрузок. Также оснащен ограничителями напряжения, что позволяет использовать пускатель в системах управления с применением микропроцессорной техники.

Рисунок 26 - Внешний вид ПМ 12-040

3. Схемы подключения оборудования

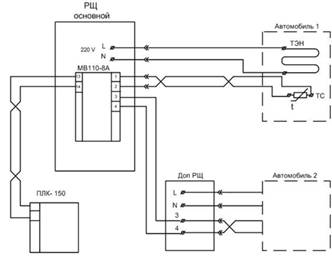
.1 Схема подключения ТЭНа автомобиля к распределительным щитам

На стоянке будет иметься 16 распределительных щитов (шкафы-розетки). Два из них будут является основными. В них будет располагаться модуль ввода аналоговых сигналов МВ110-8А, предназначенный для сбора информации о состоянии температуры двигателя автомобиля. К каждому щиту подключается ТЭН автомобиля и датчик температуры через переходник с идентификатором. Основной щит принимает сведения о температурном состоянии каждого автомобиля и передает их на контроллер для дальнейшей обработки (Рисунок 27).

Рисунок 27 - Электрическая схема подключения ТЭНа и ДТ к РЩ

.2 Схема подключения идентификатора iButton DS1990A-F5

Все электронные ключи-идентификаторы iButton внешне похожи на дисковую металлическую батарейку (Рисунок 28). Металл представляет собой нержавеющую сталь. Диаметр диска около 17 мм, толщина 3,1 мм или 5,89 мм. Диск состоит из двух электрически разъединенных половинок.

Рисунок 28 - ключ-идентификатор iButton

Внутри он полый. В герметичную полость заключена электронная схема на кремниевом кристалле. Выход схемы соединен с половинками диска двумя проводниками. Половинки диска образуют контактную часть однопроводного последовательного порта. При этом через центральную часть идет линия данных, внешняя оболочка - земля. Для того чтобы произошел обмен информации iButton с внешними устройствами, необходимо прикоснутся обеими поверхностями половинок металлического диска к контактному устройству (зонду), также состоящему из двух электрически не связанных, проводящих электрический ток частей.

Обычно для материала контактов зонда используют нержавеющую сталь или медный сплав, с нанесенным на него защитным токопроводящим покрытием. Процесс касания к зонду показан на Рисунке 29.

Рисунок 29 - Процесс соприкосновения с зондом

Большая площадь поверхности контактов защищает систему от неточного совмещения при подключении по причине "человеческого фактора" или при автоматизированном касании, когда идентификатор и зонд расположены на различных подвижных механизмах. Кроме того дисковая форма корпуса направляет и очищает контакты, гарантируя надежное соединения, а закругленный край корпуса легко совмещается с зондом.

Идентификатор встраивается в вилку и путем соприкосновения со считывателем, который встраивается в розетку шкафа, передает информацию о номере пользователя контроллеру (Рисунок 30).

Рисунок 30 - Общий вид вилки с идентификатором и розетки со считывателем

.3 Функциональная схема модема

Рисунок 31 - Общий вид GSM/GPRS модема ОВЕН ПМ01

GSM/GPRS модем ОВЕН ПМ01 предназначен для удаленного обмена данными через беспроводные системы связи стандарта GSM с оборудованием, оснащенным последовательными интерфейсами связи RS232 или RS485.

Преимущества GSM-модема ПМ01:

·              Защита от зависания - автоматическая перезагрузка модема;

·              Интерфейс RS-232 или RS-485;

·              Два варианта напряжения питания: 24В постоянного и 220В переменного тока;

·              Широкий диапазон температур: -30..+70;

Области применения GSM/GPRS модема ОВЕН ПМ01:

·              Системы сбора данных, диспетчеризации и управления;

·              Автоматические терминалы самообслуживания (платежные и др.);

·              Системы охранной и противопожарной безопасности;

·              Удаленный контроль датчиков и различного оборудования, оснащенными последовательными интерфейсами;

·              Дистанционные измерения;

·              Доступ в Интернет;

Основные функциональные возможности GSM/GPRS модема ОВЕН ПМ01:

·              Прием и передача SMS;

·              Прием и передача данных с помощью CSD;

·              Прием и передача данных с помощью GPRS;

·              Работа с последовательными интерфейсами RS-232 или RS-485;

·              Позволяет производить управление приемом и передачей данных по последовательным интерфейсам RS-232 или RS-485 с помощью АТ-команд в соответствии со стандартами GSM 07.05 и GSM 07.07;

·              Производит индикацию наличия обмена данными по последовательным портам RS-485 или RS-232;

·              Производит индикацию наличия регистрации в сети GSM и наличия передачи данных в режиме GPRS;

Таблица 3 -Назначение контактов соединителей

Соединитель

Х2 Тип соединителя: RJ-45

Х3 Тип соединителя: RJ-45

Х1 Тип соединителя: винтовой клеммник

Контакт

RS-232

RS-485

RS-485

RS-232

RS-485

Питание







ПМ01-24.Х

ПМ01-220.Х

1

RI

-

Сигнал PWRK

-

-

+U пит

220 В

2

RTS

-

Сигнал 4 B

-

-

GND

220 В

3

GND

GND

GND

GND

GND

-

4

TXD

-

-

DSR

B (-)

-

5

RXD

A (+)

A(+)

TXD

-

-

6

DSR

B (-)

B (-)

RTS

-

-

7

CTS

-

-

RI

-

-

8

DTR

-

-

RXD

A (+)

-

9

-

-

-

CTS

-

-

10

-

-

-

DTR

-

-



Схемы кабелей для подключения ПМ01 к ПЛК по 3х-проводной схеме с установленной на модеме перемычкой разъема Х1: 6 и 9.

Таблица 4 - Схемы кабелей для подключения ПМ01 к ПЛК

Контакты со стороны порта ПЛК

Контакты со стороны порта ПМ01

Debug RS-232 (Rj12)

RS-232 (DB9F)

X1 (клеммник)

X2 (Rj45)

1

3

8

5

2

2

5

4

6

5

3

3


Таблица 5 - Функциональное назначение положений переключателя

Позиция переключателя

Положение переключателя


On

Off

1

Сопротивление согласования линии интерфейса RS-485 120 Ом подключено

Сопротивление согласования линии интерфейса RS-485 120 Ом отключено

2

Активный интерфейс RS-232

Активный интерфейс RS-485


Таблица 6 - Функциональное назначение индикаторов модема

Обозначение индикатора

Функции индикатора

TX

Сигнализирует о прохождении данных по интерфейсу RS-232/RS-485 в направлении от модема к управляющему прибору

RX

Сигнализирует о прохождении данных по интерфейсу RS-232/RS-485 в направлении от управляющего прибора к модему

GSM

Выключен - нет напряжения питания, модем выключен; Мигает с периодом 3 с - модем зарегистрирован в сети GSM; Мигает с периодом 0,8 с - модем производит поиск сети GSM; Мигает с периодом 0,3 с - модем производит обмен данными по GPRS



Рисунок 32 - Функциональная схема модема

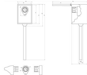
.4 Монтажная схема РЩ и переходника с чипом

Распределительный щит представляет собой шкаф с открывающейся вверх крышкой, внутри которого располагается розетка со считывателем. Когда подключается вилка к розетке, происходит соприкосновение идентификатора со считывателем и номер пользователя вместе с показаниями состояния температуры двигателя передаются на контроллер. Вилка будет иметь 4 штыря: линия, два от датчика температуры и нейтраль. Чертеж в разрезе представлен ниже на рисунке 33.

Рисунок 33 - Чертеж шкафа-розетки

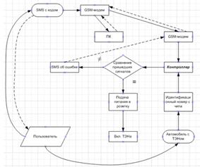
3.5 Блок-схема работы системы

Главный участник процесса - пользователь. Пользователь подключает свое транспортное средство к РЩ и посылает SMS-команду на подогрев ДВС. Сигнал через GSM-модем поступает на ПК, где хранится вся база данных о пользователях, и далее передается на контроллер. Также с другой стороны, на контролер передаются данные об идентификационном номере пользователя и о температурном состоянии ДВС автомобиля. Контроллер сравнивает идентификационные номера пользователя и чипа и, если данные от пользователя и сигнал с ПК одинаковые, то происходит замыкание цепи, подача электричества в розетку и запуск ТЭНа на подогрев ДВС. В случае несовпадения данных на телефон пользователя приходит ответное SMS-сообщение об ошибке.

Рисунок 34 - Схема работы системы

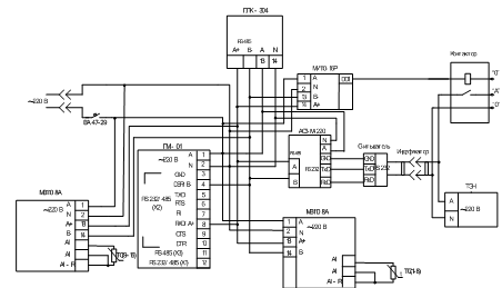
.6 Схема автоматизации

Схема автоматизации представляет собой полную принципиальную схему подключения всех устройств к контроллеру, представленную на Рисунке 35 (Приложение Г).

Рисунок 35 - Принципиальная схема автоматизации

.7 Схема подключения термосопротивлений

Термометры сопротивления применяются для измерения температуры окружающей среды в месте установки датчика. Принцип действия таких датчиков основан на существовании у ряда металлов воспроизводимой и стабильной зависимости активного сопротивления от температуры. В качестве материала для изготовления ТС в промышленности чаще всего используется специально обработанная медная (для датчиков ТСМ), платиновая (для датчиков ТСП) или никелевая (для датчиков ТСН) проволока. Выходные параметры ТС определяются их номинальными статическими характеристиками, стандартизованными ГОСТ Р 8.625-2006. Основными параметрами НСХ являются: начальное сопротивление датчика R0, измеренное при температуре 0°С, и температурный коэффициент сопротивления a - отношение разницы сопротивлений датчика, измеренных при температуре 100°С и 0°С, к его сопротивлению, измеренному при 0°С (R0), деленное на 100°С и округленное до пятого знака после запятой. В связи с тем, что НСХ термометров сопротивления - функции нелинейные (для ТСМ в области отрицательных температур, а для ТСП во всем диапазоне), в приборе предусмотрены средства для линеаризации показаний. Во избежание влияния сопротивлений соединительных проводов на результаты измерения температуры, подключение датчика к прибору следует производить по трехпроводной схеме. При такой схеме к одному из выводов ТС подключаются одновременно два провода, соединяющих его с прибором, а к другому выводу - третий соединительный провод. Для полной компенсации влияния соединительных проводов на результаты измерений необходимо, чтобы их сопротивления были равны друг другу (достаточно использовать одинаковые провода равной длины). Пример схемы подключения ТС к входу прибора представлен на рисунке.

Рисунок 36 - Схема подключения ТС к МВ110-8А

Заключение

В данном курсовом проекте была разработана техническая часть автоматизированной системы дистанционного управления подогрева ДВС автомобиля с использованием парковочного места. Она включает в себя описание классической системы подогрева двигателя, предложенную разработку с целью автоматизации и усовершенствования процесса, идеи для будущей разработки.

Также проведен анализ работы системы с точки зрения разработчика и пользователя, описан процесс работы системы и ее отдельных частей. Были выдвинуты необходимые характеристики оборудования для системы, и проведен сравнительный анализ оборудования и выбор наиболее подходящего.