Материал: Районная понизительная подстанция

Внимание! Если размещение файла нарушает Ваши авторские права, то обязательно сообщите нам

где КТ - стоимость трансформатора, руб;

lH - нормативный коэффициент, lH = 0,12;

lА - коэффициент на амортизационные отчисления, lA =0,063;

lTP - коэффициент на текущий ремонт трансформатора, lА =0,01;


Стоимость потерь в трансформаторе при его работе определяем по формуле (3.3):

                                                                                   (3.3)

где С0 - цена 1 кВт/ч, С0 =1,02 руб;

W - потери электроэнергии при работе трансформатора, определяются по формуле (3.4)

                                                  (3.4)

где NTP - количество трансформаторов;

МXX - потери холостого хода трансформатора;

Тr - время за год в часах, Тr =8760 ч;

кз - коэффициент загрузки;

DРКЗ - потери при коротком замыкании трансформатора;

t - время наибольших потерь, t =3685 ч.


Рассмотрев два варианта трансформаторов, приходим к выводу что оба трансформатора подходят по коэффициенту загрузки; сравнивая трансформаторы по приведенным затратам выбираем ТМН-2500/35, как более экономичный.

3.3 Расчет теплового режима трансформатора при аварийной перегрузке

Допустимая аварийная перегрузка определяется по предельно допустимым температурам обмотки и масла трансформатора.

Определение температуры обмотки и масла выполним с помощью ЭВМ, результат вычислений представлен на рис 3.3.

Рисунок. 3.1 График температуры масла и обмотки трансформатор

Из графика видно, что значения температур находятся в допустимых пределах, и соответствую ГОСТу 14209-97 [2].


° ≥ 115° - условие выполняется;


° ≥ 70° - условие выполняется.

. ВЫБОР ГЛАВНОЙ СХЕМЫ ПОДСТАНЦИИ

При выборе распределительных устройств необходимо учитывать несколько основных факторов:

-  надёжность;

-        возможность работы в аварийном режиме при отключении части РУ;

-        ремонтопригодность;

-        стоимость РУ.

В соответствии с задачами проектирования разработанная подстанция является проходной. Питание её может осуществляться с независимых друг от друга подстанций.

Выбор главной схемы подстанции определяется условиями места расположения подстанции. Задачами обеспечения электроэнергией потребителей разной категории, соображениями экономичности, существующей практикой проектирования подобных подстанций.

4.1 Схема РУ на стороне высшего напряжения

В соответствии с типовыми решениями, учитывая количество присоединений в проекте, рассмотрим два варианта схем распределительных устройств (РУ) [3]. Необходимо выбрать РУ, обеспечивающее высокую надёжность работы схемы.,

Одним из важных требований к схемам на стороне высшего напряжения является создание условий для ревизий и опробований выключателей без перерыва работы.

Рассмотрим схему РУ мостик с выключателями в цепях линий и ремонтной перемычкой со стороны линий, представленную на рис 4.1.

Рисунок. 4.1 Схема РУ мостик с выключателями в цепях линий и ремонтной перемычкой со стороны линий

Ремонтная перемычка разомкнута разъединителем QS9. Выключатель Q3 в мостике включен, что обеспечивает транзит мощности по линиям W1 и W2. При аварии в трансформаторе Т1 отключается выключатель со стороны 10 кВ и выключатели Q1 и Q3. После отключения разъединителя QS3 включаются Q 1 и Q3, и транзит мощности восстанавливается. Для ремонта Q1 включают ремонтную перемычку (разъединитель QS9), отключают Q1 и разъединители QS 1 и QS2. Если в этом режиме произойдёт авария в Т2, то отключаются Q2 и Q3 и оба трансформатора остаются без питания.

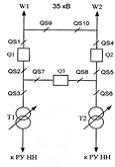
Рассмотрим схему РУ мостик с выключателями в цепях трансформатора и рабочей перемычкой со стороны трансформатора, представленную на рис 4.2.

Рисунок. 4.2 Схема РУ мостик с выключателями  в цепях трансформатора и рабочей перемычкой со стороны трансформатора

В нормальном режиме ремонтная перемычка с разъединителями QS 7 и QS8 отключена одним разъединителем QS7. Выключатель Q3 в мостике включен. При повреждении трансформатора Т1 отключается выключатель со стороны 10 кВ, отключается выключатель Q1, отключается разъединитель QS 1. Транзит мощности H~ прерывается. Ремонтная перемычка используется при ревизии выключателя Q1, для этого включается QS7, отключаются Q1 и QS1. Питание Т1 получает через ремонтную перемычку

Выбираем более надежную схему - схему РУ мостик с выключателями в цепях трансформатора и рабочей перемычкой со стороны трансформатора, обеспечивающую транзит мощности через подстанцию.

Выбранная схема представляет собой:

кВ - «мостик» с выключателями в цепях трансформатора. На стороне 35 кВ также предусмотрено следующее оборудование:

трансформаторы напряжения служащие для обеспечения работы системы релейной защиты и автоматики, а также подключения измерительных приборов.

разрядники вентильные станционные устанавливаемые для ограничения атмосферных перенапряжений.

заградитель, конденсатор с фильтром присоединения ФПМ для организации высокочастотной связи с диспетчерской службой сетей.

трансформаторы тока приняты встроенные во вводы силового трансформатора служат для работы системы релейной защиты и автоматики, и измерительных приборов.

разъединители и соответственно с 2 и 1 заземляющими ножами, служащие для видимого разрыва электрической цепи и обеспечивающие безопасность проведения ремонтных работ.

выключатели масляные баковые необходимы для отключения и включения токов нагрузки и токов короткого замыкания.

4.2 Схема ру на стороне низшего напряжения

На подстанции на напряжении 10 кВ применяют схему РУ с одной системой шин, секционированной выключателями.

Трансформаторы Т1 и Т2 и линии присоединяются к сборным шинам с помощью выключателей и разъединителей. На каждую цепь необходим один выключатель, который служит для отключения и включения ее в нормальных и аварийных режимах. Достоинством такой схемы являются простота, наглядность, экономичность.

Выбранная схема представляет собой:

кВ - одиночная, секционированная выключателем, система шин с семью отходящими линиями по которым передается электроэнергия сельскохозяйственным потребителям.

К каждой секции шин присоединены вводные ячейки трансформаторов. Кроме отходящих линий к секции шин 10 кв подключены:

три резервных ячейки на случай увеличения нагрузок;

две вводных ячейки (ввод трансформатора № 1, ввод трансформатора № 2);

две ячейки трансформаторов напряжения с помощью которых производится измерение напряжения и контроль изоляции в системе 10 кВ;

ячейка секционного выключателя и секционного разъединителя с помощью которых соединяются две секции шин.

Трансформаторы собственных нужд в количестве двух запитаны от силовых трансформаторов со стороны 10кВ до секции шин.

К вводам 10 кВ силовых трансформаторов присоединены ограничители перенапряжений, современные защитные устройства на окисно-цинковых варисторах, имеющих лучшие характеристики, чем вентильные разрядники.

Таким образом, выбранная схема подстанции 35/10 кВ проста, надежна и экономична. В нормальном режиме работают оба силовых трансформатора при включенном «мостике». Питание подстанции осуществляется по двум ВЛ-35 кВ. На стороне 10 кВ две секции шин работают раздельно.

5. ВЫБОР УСТРОЙСТВ СОБСТВЕННЫХ НУЖД ПОДСТАНЦИИ

5.1 Расчет электрических нагрузок собственных нужд

Для нормальной работы подстанции при любых погодных условиях, а также для питания цепи сигнализации и релейной защиты, для работы оперативного персонала на подстанции выполнена сеть собственных нужд (СН). Она включает в себя два трансформатора собственных нужд (ТСН) обогрев выключателей и шкафов аппаратуры, устройства для питания релейной аппаратуры и сигнализации, а также сеть обогрева и освещения общеподстанционного пункта управления (ОПУ), освещение территории подстанции и другие нужды

Исходными данными для определения расчетных нагрузок служит перечень электроприемников (см. таблицу 2.3) с указанием их номинальной мощности. На чертеже 3 представлены собственные нужды подстанции.

.1.1 Расчет осветительных нагрузок

Питание осветительной нагрузки осуществляется от шин 0,4 кВ собственных нужд подстанции.

Для освещения помещений ОПУ применяются лампы типа ЛХБ, тип светильника ОДР. Последние выполняются с компенсацией реактивной мощности, поэтому cos j = 0,93, коэффициент пускорегулирующей аппаратуры Кпра = 1,3. Высота подвеса светильников 3-4 метра.

Расчет производится методом удельных мощностей. По [4] выбираем разряд зрительных работ и нормативное значение освещенности, высота подвеса светильников 4м, тип светильников ОДР, тип лампы ЛХБ-40. Для данного типа светильников по нормативной освещенности находим удельную мощность Руд. Установленную мощность определяем по формуле:

                                                                                     (5.1)

где F - площадь помещения, м2 ;

Руд - удельная мощность, Вт/ м2.

Расчетная активная мощность определяется по формуле:

                                                                               (5.2)

где кс - коэффициент спроса, кс = 0,85.

Расчетная реактивная мощность определяется:

                                                                                     (5.3)

Установленная мощность для аварийного освещения принимается не менее 5% от установленной мощности основного освещения.

Для примера приведём расчёт осветительной нагрузки помещения ОПУ ПС.

Из [4] выбираем разряд зрительных работ - VIII;

Нормативную освещённость Ен= 75 лк;

По формуле (5.1) находим установленную мощность

 Вт.

Определяем расчётную активную мощность по формуле (5.2)

 Вт.

Определяем мощность лампы Рл

 Вт.

Выбираем 8 ламп типа ЛБ - 60.

Результаты расчётов сведены в табл. 5.1.

Таблица 5.1 Расчет осветительных нагрузок

Наименование помещения

F, м2

Разр Зрит Раб.

ЕН, лк

Руд, Вт/м2

Руст, Вт

Рр, Вт

Qp, вар

Ист.света тип, мощн.

КРУН-I0

54

VIII

75

19,9

1069,3

1080

-

18х НПО-60

КРУН-35

44

VIII

75

19,9

872,7

960

-

16х НПО-60

ОПУ

25.1

VIII

75

19.9

500

600

-

10х НПО-60

Наружное освещение

922,3

Х

10

0,48

442,7

487

-

2хОУ

ИТОГО






3007

-