Материал: Рассмотрение методов измерения комплексных характеристик четырехполюсников СВЧ

Внимание! Если размещение файла нарушает Ваши авторские права, то обязательно сообщите нам

Рисунок 4 - Ориентированный граф ИФМ для схемы

Отметим, что в представленный на рисунке 4 граф входят делители Д1, Д2, направленные ответвители НО-1 и НО-2, смеситель ФАПЧ [см1], опорный смеситель [СмО], входной порт [СмИ], а также контуры Т2, Т3, Т5, Т7, Т8 и матрицы [Sxn] и [Sxо].

Метод измерителя s-параметров на основе рефлектометра

Отметим, что измеритель на основе ИФМ не может измерять коэффициенты отражения СВЧ устройств. Для ликвидации этого недостатка служат анализаторы цепей на основе рефлектометров.

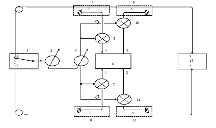
Общая структурная схема измерителя комплексных коэффициентов передачи и отражения СВЧ устройств с возможностью измерения S-параметров приведена на рисунке 5.

- переключатель, 2 - генератор испытательных сигналов СВЧ, 3 - гетеродин, 4 - направленный ответвитель, 5 - смеситель, 6 - векторный вольтметр, 7 - смеситель, 8 - направленный ответвитель, 9 - направленный ответвитель, 10 - смеситель, 11 - смеситель, 12 - направленный ответвитель, 13 - испытуемый четырёхполюсник

Рисунок 5 - Измеритель S-параметров

Схема работает следующим образом. Испытательный сигнал, вырабатываемый генератором СВЧ2 частотой ω1, через переключатель 1 в положении 1 его подвижного контакта подаётся через первичные каналы направленных ответвителей 4 и 9, включённых по схеме рефлектометра (ответвитель 4 в прямом, а ответвитель 9 в обратном направлениях) на разъём 1 испытуемого четырёхполюсника СВЧ 13, проходит через него и с разъёма 2 поступает в первичные каналы системы направленных ответвителей 12 и 8, также включённых по схеме рефлектометра аналогично 4 и 9. Сигналы СВЧ, ответвлённые вторичными каналами направленных ответвителей 4, 9, 8 и 12, подают в смесители СВЧ 5, 7, 10, 11, где смешивают с сигналом от генератора СВЧ 3 частоты ω2, играющего роль гетеродина. Образовавшийся на входе смесителей сигнал промежуточной частоты ω3 поступает во входные порты А, B, С, D векторного вольтметра 6. Предметом измерения является комплексное отношение сигналов (по модулю и фазе) А/D, несущее информацию о комплексном коэффициенте передачи в направлении от разъёма 1 к разъёму 2 прохождения испытательного сигнала СВЧ и комплексное отношение сигналов А/B несущее информацию о комплексном коэффициенте отражения разъёма 1 испытуемого четырёхполюсника СВЧ 13 в этом же направлении.

В положении подвижного контакта переключателя 1 в положении 2 меняется направление подачи испытательного сигнала СВЧ от генератора на противоположное. В этом случае можно измерить отношение сигналов С/B, характеризующее комплексный коэффициент передачи испытуемого сигнала СВЧ от разъёма 2 этого четырёхполюсника при отношении сигналов С/D. При таких измерениях свободный неподвижный контакт переключателя 1 должен нагружаться на согласованную нагрузку. Поскольку сигнал гетеродина с частотой ω2 необходим для преобразования испытательного сигнала СВЧ с частотой ω1, несущего полную информацию о S-параметрах испытуемого четырёхполюсника СВЧ 13 в сигналы промежуточной частоты ω3, на которой работает векторный вольтметр 6, то наличие гетеродинного тракта на рисунке 6 не принципиально.

Сигнал гетеродина с частотой ω2 может быть получен и от генератора Г1 путём смещения его частоты на фиксированную величину, но только в том случае, если сигналы ω1 и ω2 когерентны.

Такое построение измерителя комплексных коэффициентов передачи и отражения четырёхполюсников СВЧ позволяет без переключения его входных разъёмов получать сведения обо всех элементах матрицы рассеяния испытуемого четырёхполюсника СВЧ, что даёт возможность путём математической обработки вычислить все его параметры S11, S22, S12, S21. Направленные ответвители могут быть равнозначно заменены измерительными мостами.

По выполняемым функциям измеритель можно разделить на две основные части: измерительная СВЧ часть и векторный вольтметр.

Эквивалентная схема измерений в символике направленных графов приведена на рисунке 6.

Рисунок 6 - Направленный граф параметров определяемых измерителем S-параметров

Объект измерения на рисунке 6 - параметры Sx. Но кроме полезной информации имеются и собственные параметры измерительной схемы, представленные в виде четырехполюсников паразитных параметров, присоединённых к входу и выходу испытуемого устройства Si и So. Рассматриваемая схема измерений максимально упрощена, за счет того что в ней объединены все дублирующие друг друга параметры, но при этом ни одна из потенциальных составляющих погрешности не исключена.

Как показано выше и следует из рисунка 6 ИФМ измерителя комплексных коэффициентов передачи и отражения четырёхполюсников СВЧ для реализации возможности измерения их S-параметров должен быть видоизменён.

В работе [3] говорится, что структурная схема измерителя S-параметров, приведенная на рисунке 6, может быть построена в двух вариантах. В первом варианте каждый из трактов СВЧ от первого или второго неподвижного контакта переключателя 1 до первого или второго разъёма испытуемого четырёхполюсника СВЧ в качестве датчиков испытательных сигналов СВЧ содержит схему с рассогласованным делителем (D) 6 дБ и направленный ответвитель (НО).

Во втором варианте каждый из вышеописанных трактов СВЧ полностью построен на базе рефлектометра, содержащего два встречно включённых направленных ответвителя. Оба этих варианта приведены на рисунке 7.

Рисунок 7 - Варианты построения СВЧ трактов измерителя S-параметров

Популярность первого варианта вызвана минимальными затратами для его реализации. Один из трудоёмких направленных ответвителей заменяется несложным в производстве делителем мощности. В случае измерителя
S - параметров основное внимание обращается на необходимость обеспечить максимальную точность измерений в широком диапазоне измерения температур, а для измерителя с полной математической коррекцией погрешностей его СВЧ части это означает высокую стабильность и идентичность коэффициентов передачи СВЧ трактов. Однотипные узлы СВЧ направленных ответвителей в схеме рефлектометра позволяют получить заведомо лучшую идентичность и стабильность при воздействии внешних климатических и механических факторов. Поэтому при выборе стоит отдать предпочтение второму варианту построения измерителя S-параметров на базе рефлектометров.

При применении рефлектометров для измерения S-параметров важную роль выполняет направленность НО, определяющая его рабочие характеристики, которая в итоге определяет и динамический диапазон измеряемых величин и погрешностей измерений. Особенно существенное влияние при измерении комплексных коэффициентов отражений оказывают собственные S-параметры измерительного порта, являющегося по сути дела выходным разъёмом первичного канала направленного ответвителя рефлектометра.

Принцип аттестации измерителя S-параметров

В работе [4] отмечается, что все многообразие методов аттестации измерителей S-параметров являются вариациями двух основных методов, именуемых аббревиатурами OSLT и TRL. Оба метода названы по первым буквам используемых средств калибровки. ХХ нагрузка (Open), КЗ нагрузка (Short), согласованная нагрузка (Load) и калибровка на проход (True) для первого метода. Калибровка на проход (True), отражающая нагрузка (Reflect), калибровка на проход с отрезком линии (Line) - для второго. Оба метода калибровки хорошо изучены и дают прогнозируемые результаты.

Процесс калибровки методом OSLT состоит из двух малозависимых частей, а именно калибровки параметров измерительного порта и калибровки с целью определения параметров передачи So21 и So11. Введем обозначения для рисунка 6: разъём испытуемого четырёхполюсника СВЧ 13 - измерительный порт 1, а его разъём 2 - измерительный порт 2.

Измерительный порт прибора полностью характеризуется своим графом, приведённым на рисунке 8, который состоит из направленности порта S11, коэффициента отражения входа порта S22, коэффициента обратной передачи порта (его неравномерности) S12, коэффициента прямой передачи S21, принятого равным единице. Для упрощения выражений здесь и далее символ «i» («in») опущен. К входу порта присоединена нагрузка с коэффициентом отражения ГХ.

Рисунок 8 - Граф измерительного порта в системе S - параметров

Способ градуировки порта OSL (Open, Short, Load) предполагает использование трех нагрузок с известными параметрами: ХХ, КЗ и СН. Также OSL градуировка прибора предполагает измерение параметров трех нагрузок: ГХ1, ГХ2 и ГХ3 с известными параметрами и последующий расчет собственных параметров измерительного порта: S11, S12 и S22.

Воспользуемся известным выражением для определения эквивалентного коэффициента отражения на входе измерительного порта SХ в терминологии направленных графов:

,             (8)

где n - порядковый номер измерения с соответствующей нагрузкой ГХ1, ГХ2, ГХ3, n = 1, 2, 3.

При аттестации порта требуется найти численные величины S11, S22, S12∙S21 решая систему из трёх уравнений типа (8), составленных в результате измерения трёх нагрузок ГХ1, ГХ2, ГХ3, содержащих собственные параметры порта SX, S11, S22, S12 в виде:

,     (9)

,(10)

,(11)

;

;

.



Параметры нагрузок Гх1, Гх2, Гх3, соответствующие коэффициентам отражения эталонных нагрузок КЗ, ХХ, СН, записанных в аттестатах, отличаются от их истинных значений на величину погрешности аттестации.

Выражения (9), (10), (11) рассчитываются для каждой частотной точки в диапазоне аттестации и позволяют выполнять расчет собственных параметров измерительного порта даже при произвольных, но известных, значениях параметров нагрузок.

Анализ рефлектометра

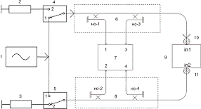
В работе [3] приводится общая структурная схема измерителя комплексных коэффициентов передачи и отражения четырёхполюсников СВЧ, с возможностью определять их S-параметры, используя рефлектометры. Она приведена на рисунке 9 и состоит из двух пар рефлектометров 6 и 8, каждый из которых включает два встречно включённых направленных ответвителя НО-1, НО-3 и НО-2, НО-4.

При измерениях коэффициентов передачи испытуемого четырёхполюсника СВЧ 9 со стороны его входного разъёма 10, испытательный сигнал СВЧ от генератора СВЧ-1, подают через переключатель 4 в положении 2 его подвижного контакта и векторным вольтметром 7 измеряют отношение сигналов на его входах 1-3. При этом вторые неподвижные контакты переключателей 4 и 5 нагружены на согласованные нагрузки 2 и 3. Для проведения измерений характеристик испытуемого четырёхполюсника 9 со стороны его входного разъёма 11 переключатель переводят в положение 2, а переключатель 5 в положение 1, и измеряют для определения коэффициента передачи отношение сигналов на входах 2-3 векторного вольтметра 7, а для определения коэффициента отражения - отношение сигналов на входах 2-4 этого вольтметра.

Рисунок 9 - Структурная схема измерителя характеристик четырёхполюсников СВЧ

Ориентированный граф рефлектометра, состоящего из включенных для измерения коэффициентов отражения встречно направленных ответвителей НО-1 и НО-3, представлен на рисунке 10. Испытательный сигнал СВЧ, падающий на испытуемый объект, детектируется детектором Д1 с вторичного канала НО-1, а отраженный детектором Д2 - с вторичного канала НО-3. Будем считать, что детекторы дают информацию и об амплитуде и о фазе сигнала. Этот граф позволяет найти выражения для расчета элементов матрицы рассеяния собственных Sin-параметров входных портов измерителя характеристик четырехполюсников СВЧ.

- генератор испытательных сигналов в СВЧ, Д1, Д2 - детекторные диоды, Г2, Г3 - согласованная нагрузка вторичных каналов но-1 и но-2, Гх - коэффициент отражения испытуемой нагрузки

Рисунок 10 - Ориентированный граф рефлектометра в режиме измерения коэффициентов отражения

Устройство для измерения комплексных коэффициентов передачи и отражения четырехполюсников

В работе [4] приводятся устройства для измерения комплексных характеристик испытуемых четырехполюсников СВЧ, состоящие из двухчастотных источников когерентных испытательных сигналов и двухканальных супергетеродинных их приемников с индикаторами отношений этих сигналов.

Все существующие методы измерения комплексных коэффициентов передачи и отражения четырехполюсников СВЧ, как правило, осуществляют одним и тем же измерителем, отличающимся только видом соединения с ним четырехполюсника СВЧ - «на проход» или» на отражение». Предлагаемый способ одинаково справедлив при работе устройства и для измерения комплексных коэффициентов передачи и для измерения комплексных коэффициентов отражения.

Известен способ измерения комплексных параметров четырехполюсников СВЧ, основанный на сравнении двух когерентных сигналов, один из которых пропускают через испытуемый четырехполюсник СВЧ (зондирующий сигнал). Для осуществления этого способа используют измеритель комплексных параметров четырехполюсников СВЧ, состоящий из двух когерентных генераторов СВЧ, охваченных системой ФАПЧ и вырабатывающих сигналы для испытания четырехполюсников СВЧ, и двухканального супергетеродинного приемника, в состав которого входит ИФМ для производства всех видов измерений, и индикатора отношений уровней сигнала в двух каналах.

Векторные анализаторы цепей

В [5] представлены векторные анализаторы цепей ОБЗОР-804, ОБЗОР - 804/1, ОБЗОР-808, ОБЗОР-808/1, предназначенные для измерения комплексных коэффициентов передачи и отражения (S-параметров) СВЧ-устройств в диапазоне частот от 0,3 до 8000 МГц. А именно S11, S21, S12, S22 - для «Обзор-804» и «Обзор - 804/1», S11 … S44 - для «Обзор - 808» и «Обзор - 808/1». Они обладают динамическим диапазоном измерения модуля коэффициентов передачи более 145 дБ.

Рисунок 11 - ИККПО / Векторный анализатор цепей ОБЗОР-804 и ОБЗОР 804/1

Векторные анализаторы цепей (ИККПО) «Обзор-804» и «Обзор-804/1», представленные на рисунке 11, имеют два измерительных порта, а «Обзор-808» и «Обзор-808/1» четыре измерительных порта и два генератора испытательного сигнала. Измерители «Обзор-804» и «Обзор-808» идут в комплекте со встроенным компьютером, сенсорным экраном и клавиатурой на передней панели. Модификации измерителей «Обзор-804/1» и «Обзор-808/1» предназначены для работы с внешним компьютером, не входящим в комплект поставки.

Наличие переключателя тестирующего сигнала на измерительные порты прибора позволяет производить измерения всех параметров за одно подключение. Для измерений нелинейных свойств четырёхполюсников и расширения диапазона измерений в приборах используется регулировка выходной мощности глубиной не менее 70 дБ. Возможность удаленного управления приборов позволяет использовать их в составе измерительных комплексов.