КУРСОВАЯ РАБОТА
Рассмотрение методов
измерения комплексных характеристик четырехполюсников СВЧ
Введение
четырехполюсник сверхвысокий частота прибор
Диапазон СВЧ становится все более популярным в связи с бурным развитием разных областей науки и техники, таких как связь с космическими объектами и радиолокация, радиоуправление, связь, телевидение, промышленная электроника. Вследствие чего требования к параметрам устройств, работающим в диапазоне СВЧ, увеличиваются и, следовательно, возникает необходимость создания специальных средств измерения, проверки и настройки устройств СВЧ.
Для решения этой задачи используют измерители комплексных коэффициентов передачи и отражения (модуля и фазы) четырехполюсников СВЧ или измерители S - параметров.
В настоящий момент в мире существует аппаратура, позволяющая измерять комплексные коэффициенты передачи и отражения в диапазоне частот до 110 ГГц и амплитудном диапазоне до 136 дБ.
Для разработчиков измерителей комплексных коэффициентов передачи и отражения СВЧ устройств основной целью является увеличение частотного и амплитудного диапазона измеряемых величин.
Настоящая курсовая работа посвящена рассмотрению методов измерения комплексных характеристик четырехполюсников СВЧ.
Цель этой работы - изучить методы измерения комплексных характеристик четырехполюсников СВЧ.
При этом существенным является решение следующих задач:
изучить и проанализировать все существующие методы измерения комплексных характеристик четырехполюсников СВЧ;
провести сравнение всех известных методов;
изучить приборы, использующиеся для измерения комплексных
характеристик четырехполюсников СВЧ.
1. Элементы теории четырехполюсников и матриц
В [1] дается определение четырехполюснику как электрическому устройству, имеющему две пары зажимов (полюсов), одна из которых служит для подключения системы к источнику энергии (генератору), а другая - к потребителю энергии (нагрузке). Зажимы, к которым присоединен генератор, называют входными, а зажимы, к которым присоединена нагрузка, - выходными зажимами четырехполюсника.
Известно, что каждый четырехполюсник может быть описан одной из систем параметров [a], [z], [y], [h], которые не несут информации о характерных особенностях диапазона СВЧ, его коэффициентах отражения, связанных с электрическими неоднородностями СВЧ тракта. Для СВЧ диапазона дополнительно разработаны две системы [s] и [t] параметров, устраняющие отмеченные недостатки.
В диапазоне СВЧ каждый четырехполюсник характеризуется
падающими Uпад и отраженными Uотр волнами напряжений. Рассмотрим особенности
систем параметров характеризующих четырехполюсник в диапазоне СВЧ. Начнем с
рассмотрения системы [s] параметров.
Рисунок 1 - Четырехполюсник в СВЧ диапазоне
На рисунке 1 приведен четырехполюсник в СВЧ диапазоне, который
описывается следующей системой уравнений:

(1)
Такая система уравнения называется матрицей рассеяния, т.к. в левой ее части находится волны напряжения, отходящие и рассеиваемые от четырехполюсника.
Но матрица рассеяния это индивидуальная матрица, описывающая конкретный четырехполюсник и, к сожалению, по своему построению она не пригодна для расчета общих параметров каскадно соединенных СВЧ четырехполюсников, правые ее части принадлежат разным входам.
Поэтому для расчетов каскадно соединенных СВЧ четырехполюсников
применяют t-параметры, представляющие собой элементы
матрицы передачи, которая имеет следующий вид:

(2)
Представим элементы матрицы рассеяния в следующем виде.
Применяя режимы КЗ и ХХ и СН к (1) имеем:
При ![]()
(КЗ) имеем:
коэффициент передачи четырехполюсника в обратном направлении
![]()
;
коэффициент отражения выхода
![]()
;
При ![]()
(ХХ) имеем:
коэффициент отражения входа
![]()
;
коэффициент передачи от входа к выходу
![]()
.
В [2] указывается, что матрицы рассеяния удобно применять при решении задач по согласованию устройств СВЧ, расчету погрешностей, обуславливаемых отражениями, и т.д. С другой стороны, в ряде случаев, например, при исследовании каскадного соединения нескольких устройств СВЧ применение матриц рассеяния становится затруднительным. В этом случае пользуются матрицами передачи.
Матрица рассеяния [s] параметров и матрица передачи [t] параметров являются ненормативными матрицами. Отметим, что к ненормативным матрицам также относятся матрицы параметров, не применяемых в диапазоне СВЧ, такие как:
матрица передачи
- матрица сопротивлений
- матрица проводимостей
Рисунок 2 - Направление токов и напряжений в четырехполюснике при
прямой передаче
Для четырехполюсника, представленного на рисунке 2, можно
записать:
![]()
(3)
![]()
(4)
![]()
(5)
где ![]()
,![]()
,![]()
- напряжения и токи на входе и выходе четырехполюсника (рисунок
2).
Величины выражений (1) - (5) связаны следующими соотношениями:

(6)

(7)
Выполняя в уравнениях (1) - (5) тождественные преобразования,
можно заменить напряжения и токи нормированными напряжениями и токами, имеющими
размерность ![]()
(или корня из мощности); все элементы матриц становятся при этом
безразмерными. Нормированные матрицы обозначаются прописными буквами алфавита,
ненормированные - строчными.
В [3] говорится, что в процессе развития техники СВЧ и повышения требований к электрическим характеристикам СВЧ устройств, актуальной является проблема повышения точности измерений их электрических параметров. При разработке, создании и промышленном выпуске радиоэлектронных средств, содержащих СВЧ - устройства, необходимо иметь приборы, позволяющие достаточно точно измерять их основные электрические параметры, такие как модуль и фазу коэффициента передачи, S-параметры в диапазоне частот (в панораме), то есть их амплитудно-частотные и фазочастотные характеристики.
Панорамные измерители скалярных параметров СВЧ-устройств, их коэффициентов передачи и отражения наиболее распространённый тип СВЧ-радиоизмерительных приборов, имеют ограниченный динамический диапазон измерений и умеренную точность. Однако благодаря этому они обладают малыми весогабаритными характеристиками, просты и удобны в эксплуатации.
Для измерения комплексных коэффициентов отражения и передачи с помощью векторных анализаторов цепей или векторных анализаторов устройств СВЧ требуется определить отношение амплитуд сигналов и фазовый сдвиг между ними. Фазовые измерения непосредственно на частоте СВЧ сигнала в широкой полосе частот трудно реализовать.
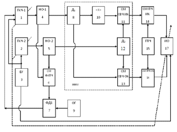
В [3] приводится классическая структурная схема построения измерителя комплексных коэффициентов передачи четырёхполюсников СВЧ (или просто измерителей).
На рисунке 3 указывается, что измеритель имеет два генератора
СВЧ качающейся частоты ГКЧ-1 и ГКЧ-2. Первый СВЧ генератор выполняет функцию
источника испытательных (зондирующих) сигналов СВЧ, второй - ГКЧ-2 - функцию
источника гетеродинного сигнала. Испытательный сигнал СВЧ с частотой fС из ГКЧ-1 через
направленный ответвитель (НО-1) 4 и делитель сигналов СВЧ (Д1) 8
поступает на вход испытуемого четырёхполюсника СВЧ (х) 10 с выхода которого он
подаётся на сигнальный вход смесителя СВЧ измерительного канала (СМ СВЧ ИК) 11,
на другой вход которого поступает сигнал СВЧ частотой fГ от ГКЧ-2 через
направленный ответвитель (НО-2) 5 и делитель СВЧ (Д2) 12.
Образующийся сигнал промежуточной частоты, равной разности частот fпч=fс-fг, подаётся на один
из входов смесителя промежуточной частоты измерительного канала (СМ ПЧ ИК) 14,
где преобразуется с помощью сигналов от генератора промежуточной частоты (ГПЧ)
15, в низкочастотный сигнал (~20 кГц), который с выхода СМ ПЧ ИК поступает на
вход измерительного канала (ИК) измерителя отношений (ИО) 17, где сравнивается
по амплитуде и фазе с сигналом опорного канала (ОК). Результат сравнения в виде
коэффициента передачи и фазового сдвига испытуемого четырёхполюсника СВЧ
выводится на панорамный индикатор измерителя отношений 17. Сигнал опорного
канала образуется аналогично сигналу измерительного канала, как разность частот
сигналов ГКЧ-1 и ГКЧ-2 в смесителе СВЧ опорного канала (СМ СВЧ ОК) 13 в
результате смешивания части испытательного сигнала СВЧ пришедшего из делителя
(Д1) 8 и гетеродинного сигнала СВЧ от ГКЧ-2 ответвлённого делителем (Д2)
12. Сигналы СВЧ от ГКЧ-1 и ГКЧ-2 автоматически перестраиваются (качаются) в
диапазоне частот линейно изменяющимся напряжением, вырабатываемым в блоке
управления (БУ) 3. Это же напряжение используется для развертки по горизонтали
панорамного индикатора измерителя отношений 17 в результате чего на его экране
наблюдается амплитудно-частотная (АЧХ) и фазочастотная (ФЧХ) характеристики
испытуемого четырёхполюсника СВЧ 10. В блоке управления 3 вырабатываются и
частотные метки для АЧХ и ФЧХ, с помощью которых определяют в любой их
частотной метке модуль и фазу комплексного коэффициента передачи испытуемого
четырёхполюсника СВЧ.
Рисунок 3 - Структурная схема измерителя комплексных
коэффициентов передачи четырёхполюсников СВЧ
Отметим, что в измерителе применена система ФАПЧ для фазовой когерентности СВЧ сигналов от ГКЧ-1 и ГКЧ-2. Для работы ФАПЧ с помощью направленных ответвителей НО-1 и НО-2 часть сигналов СВЧ от ГКЧ-1 и ГКЧ-2, смешиваемых в смесителе ФАПЧ 6, и сигнал разностной частоты подаётся на один из входов фазового детектора (ФД) 7, на другой вход которого поступает сигнал от кварцевого генератора опорной частоты (ОГ) 9, результат сравнения которых в виде сигнала ошибки подаётся на один из входов ГКЧ-1, управляя его частотой так, что она с точностью до фазы обеспечивает разность частот сигналов СВЧ от ГКЧ-1 и ГКЧ-2 равной частоте опорного генератора 9 промежуточной частоте измерителя.
Система узлов, состоящая из делителей 8, 12 и смесителей 11, 13, образует ИФМ, с помощью которого и проводится измерение характеристик испытуемого четырёхполюсника СВЧ 10, в рабочем режиме «на проход». Применив гетеродинное преобразование частоты в измерителе комплексных характеристик четырёхполюсников СВЧ возможно реализовать в нём достаточно узкие полосы пропускания, что, как следует из формулы Найквиста, позволяет существенно снизить его собственные шумы, что в свою очередь даёт возможность достигнуть максимальной чувствительности до 10-14 Вт и реализовать динамический диапазон амплитуд в 100 дБ и более.
Несмотря на то, что измеритель, построенный по структурной схеме на рисунке 3, имеет все технические возможности для измерения комплексных коэффициентов отражения испытуемых устройств СВЧ, он не может работать «на отражение», то есть, не может производить подобного рода измерения.
Режим «на отражение» в нём может быть реализован путём дополнительного включения перед испытуемым четырёхполюсником СВЧ рефлектометра, который в этом режиме нагружается на СН. Один из сигналов с выхода вторичного канала направленного ответвителя рефлектометра подаётся на сигнальный вход смесителя 11, а другой сигнал с выхода, включённого в обратном направлении, поступает на сигнальный вход смесителя 13. Это позволяет наблюдать в панораме на экране измерителя отношений 17 комплексные коэффициенты отражения входа испытуемого четырёхполюсника СВЧ. В таком виде измеритель комплексных коэффициентов передачи может измерять и комплексные коэффициенты отражения, что даёт возможность с его помощью измерять полный набор S-параметров испытуемого четырёхполюсника СВЧ и превращает его в измеритель S-параметров.
Рассматривая структурную схему на рисунке 3 с помощью направленного графа её ИФМ на рисунке 4, проанализируем измерительные возможности в виде динамического диапазона измеряемых амплитуд и выявим причины и погрешности измерений, влияющие на точность самого измерителя комплексных коэффициентов передачи и отражения четырёхполюсников СВЧ. Испытуемые четырёхполюсники СВЧ в измерительном канале графа Т1 представлены ветвями матрицы [Sxn], а в опорном канале графа Т4 - ветвями матрицы [Sxо].