Материал: Расчеты и составление схем систем судовых энергетических установок судов флота рыбной промышленности

Внимание! Если размещение файла нарушает Ваши авторские права, то обязательно сообщите нам

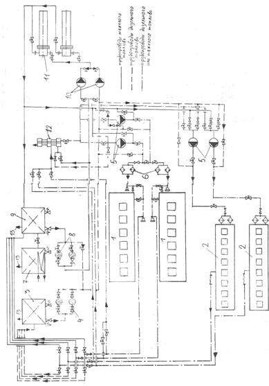
Схема топливной системы

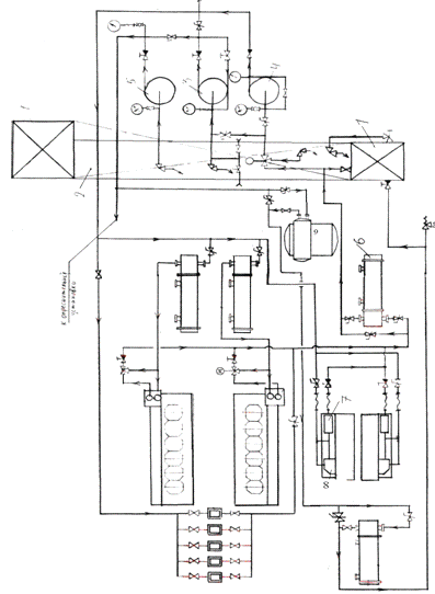
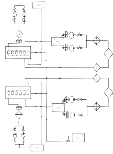
Схема масляной системы смазки ГД

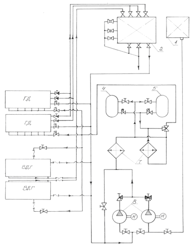
Схема системы охлаждения пресной воды



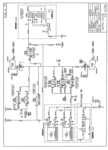
Схема системы забортной охлаждающей воды

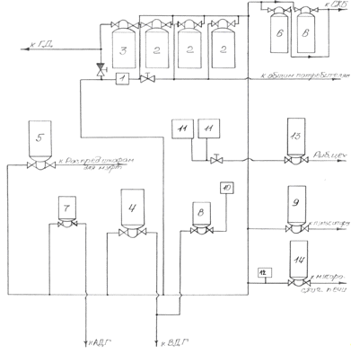
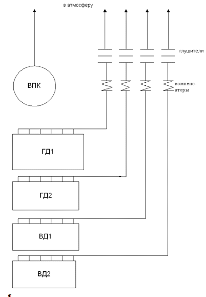
Схема системы сжатого воздуха