Материал: Расчеты двухступенчатого

Внимание! Если размещение файла нарушает Ваши авторские права, то обязательно сообщите нам

СПБГУАП группа 4736 https://new.guap.ru/i03/contacts

 

 

 

F

l

 

F

 

d

2

 

 

F

(l

 

l

 

) F

d

3

 

 

 

 

 

 

 

 

 

 

 

 

 

 

 

 

 

 

 

 

 

 

 

 

 

 

 

 

 

 

 

 

 

 

 

 

 

 

 

 

 

 

 

 

 

r 2

 

3

 

a 2

2

 

 

 

r 3

 

 

3

 

4

a3

2

 

 

R

 

 

 

 

 

 

 

 

 

 

 

 

 

 

 

 

 

 

y 4

 

 

 

 

 

 

l

 

 

l

 

l

 

 

 

 

 

 

 

 

 

 

 

 

 

 

 

 

 

 

 

 

 

 

 

 

 

 

 

 

 

 

 

 

 

 

 

 

 

3

4

5

 

 

 

 

 

 

 

 

 

 

 

 

 

 

 

 

 

 

 

 

 

 

 

 

 

 

 

 

 

 

 

953 70

467

209,35

 

2674(70 90) 1336

73,22

 

 

2

 

 

 

2

 

 

 

 

 

 

 

 

 

 

 

 

 

 

 

 

 

 

 

 

 

 

 

 

1053H

 

 

 

 

 

 

 

 

 

70 90

90

 

 

 

 

 

 

 

 

 

 

 

 

 

 

 

 

 

 

 

 

 

 

М 4

0

 

 

 

 

 

 

 

 

 

 

 

 

 

 

 

 

 

 

 

 

 

 

 

 

 

 

 

F

 

d

2

F

 

(l

 

l

 

) R

 

l

 

l

 

l

 

F

l

 

F

d

3

 

 

 

 

 

 

 

 

 

 

 

 

 

 

 

 

 

 

 

 

 

 

 

 

 

 

 

 

 

 

 

 

 

 

 

 

 

 

 

 

 

 

 

 

 

 

 

 

 

 

 

 

 

 

 

 

 

 

a2

2

 

 

r 2

 

 

 

4

 

 

5

 

 

 

 

y3

 

3

 

 

4

 

5

r3

 

5

a3

2

 

 

 

 

 

 

 

 

 

 

 

 

 

 

 

 

 

 

 

 

 

 

 

 

 

 

 

 

 

 

 

 

 

 

 

 

 

 

F

d

2

 

F

 

(l

 

l

 

)

F

 

l

 

F

d

3

 

 

 

 

 

 

 

 

 

 

 

 

 

 

 

 

 

 

 

 

 

 

 

 

 

 

 

 

 

 

 

 

 

 

 

 

 

 

 

 

 

 

 

 

 

 

 

 

 

 

 

 

 

 

 

 

 

 

 

 

 

 

 

 

 

 

 

 

 

 

a 2

2

 

 

r 2

 

 

4

 

 

5

 

 

 

 

r 3

 

5

 

 

a3

 

2

 

 

 

 

 

 

 

 

 

R

 

 

 

 

 

 

 

 

 

 

 

 

 

 

 

 

 

 

 

 

 

 

 

 

 

 

 

 

 

 

 

 

y3

 

 

 

 

 

 

 

 

l

 

l

 

 

l

 

 

 

 

 

 

 

 

 

 

 

 

 

 

 

 

 

 

 

 

 

 

 

 

 

 

 

 

 

 

 

 

 

 

 

 

 

 

 

 

 

 

 

 

 

 

 

 

 

 

 

 

 

 

 

 

 

 

 

 

 

 

 

3

4

 

5

 

 

 

 

 

 

 

 

 

 

 

 

 

 

 

 

 

 

 

 

 

 

 

 

 

 

 

 

 

 

 

 

 

 

 

 

 

 

 

 

 

 

 

 

 

 

 

 

 

 

 

 

 

 

 

953(90 90) 467

209,35

2674 90 1336

73,22

 

 

 

 

 

 

 

2

 

 

 

 

2

 

 

 

 

 

 

 

 

 

 

 

 

 

 

 

 

 

 

 

 

 

 

 

 

 

 

 

 

 

 

 

 

 

 

 

 

 

668H

 

 

 

 

 

 

 

 

 

 

 

 

 

70 90 90

 

 

 

 

 

 

 

 

 

 

 

 

 

 

 

 

 

 

 

 

 

 

 

 

 

 

 

 

 

 

 

 

 

 

 

 

 

 

 

 

 

 

 

Проверка:

piy

=0,

 

 

 

 

 

 

 

 

 

 

 

 

 

 

 

 

 

 

 

 

 

 

 

 

 

0

,

(3.14)

Ry3

Fr 2

Fr 3

Ry 4

0

,

-668-953+2674-1053=0, 0=0.

Построим эпюры крутящих и изгибающих моментов:

М ГБ Б

RX 3

(l3

l4 ) Ft 2 l4

746 0,16 2577 0,090 351H м ;

М 2 A A

RX 3

l3

746 0,070 52H м ;

 

 

 

 

 

 

 

F

d

 

 

0,0209,35

 

М в A A

RY 3

l3

 

a 2

 

668

0,070 467

2H м ;

2

2

 

 

 

 

 

 

 

 

М вA A

RY 3

l3

668 0,070 47H м ;

 

 

(3.15)

М

 

R

(l

 

l

 

)

Fa2 d2

F

l

 

668 0,016 467

0,0209,35

953 0,090 144H м

вБ Б

3

4

 

4

 

 

Y 3

 

 

2

r 2

 

2

 

 

 

 

 

 

 

 

 

 

 

 

;

СПБГУАП группа 4736 https://new.guap.ru/i03/contacts

М

 

R

(l

 

l

 

)

F

d

 

F

 

l

 

 

F

d

 

 

 

 

 

 

a 2

 

 

2

 

 

a3

 

3

 

 

 

 

 

 

 

 

 

 

 

 

 

 

 

 

 

 

 

 

 

 

в Б Б

Y 3

 

3

 

 

4

 

2

 

 

r 2

 

4

 

2

 

 

 

 

 

 

 

 

 

 

 

 

 

 

 

 

 

 

 

 

 

 

 

 

668 0,016

467

0,0209,35

953

0,090

1336

0,07322

95H м

 

 

2

 

 

2

 

 

 

 

 

 

 

 

 

 

 

 

 

 

 

 

 

 

 

 

 

 

Опасным сечением является сечение Б-Б:

 

 

 

 

 

 

 

Миз

2

2

,

 

 

 

 

 

 

 

М2

Мв

где

М

2Б Б

351Н м , М в Б Б

144Н м .

 

 

М из

 

 

2

144

2

379Н м .

 

 

 

351

 

 

 

 

Из условия прочности:

(3.16)

 

 

 

М

из

[

 

 

 

 

 

 

 

 

F

 

0,1d

3

 

 

 

 

 

 

d

 

3

М

из

 

 

 

 

 

f 1

 

0,1

 

 

 

 

 

F

 

 

 

 

 

 

F

,

]

,

(3.17)

(3.18)

где

d

f 1

 

3

F

=310МПа.

379 10

3

 

 

23мм

0,1 310

 

.

т.е.

по расчету

d

f 3

 

65,72мм

, что значительно больше расчетного.

СПБГУАП группа 4736 https://new.guap.ru/i03/contacts

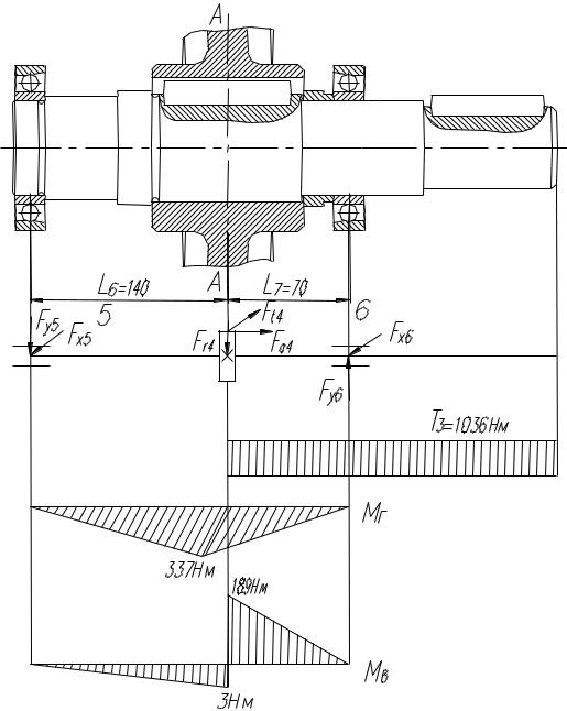
3.3.3 Расчеты ведомого вала тихоходной ступени

Рисунок 3 – Расчетная схема ведомого вала тихоходной ступени

Из предыдущих расчетов:

Ft 4

7225H - окружная сила ведомого вала;

Fa4

1336H - осевая сила ведомого вала в зацеплении;

Fr 4

2674H - радиальная сила ведомого вала.

Расчетная схема вала червячного колеса приведена на Рисунке 2.

СПБГУАП группа 4736 https://new.guap.ru/i03/contacts

Определяем реакции в опорах плоскости XZ М 5 0

 

 

 

 

 

 

 

 

 

 

 

 

 

 

Ft 4

l6

Rx6 (l6

l7 ) 0 ,

 

 

 

 

F

 

l

6

 

7225 140

4817H

 

 

 

 

R

 

 

t 4

 

 

 

 

 

 

 

 

x4

l

 

l

 

140 70

 

 

 

 

 

 

 

 

 

 

 

 

 

 

 

 

 

 

 

 

 

 

 

 

6

7

 

 

 

 

 

 

 

 

 

 

 

 

 

 

 

 

 

 

 

 

 

 

 

 

 

 

 

 

 

М 6

 

0

 

 

 

 

 

 

 

 

 

 

 

 

 

 

 

 

 

 

 

 

 

 

 

 

 

 

 

 

Rx5 l6

l7 Ft 4

l7

0

,

 

 

 

F

 

 

l

7

 

7225 70

2408H

 

 

 

 

 

 

R

 

 

t 4

 

 

 

 

 

 

 

 

 

 

x5

l

 

l

 

140 70

 

 

 

 

 

 

 

 

 

 

 

 

 

 

 

 

 

 

 

 

 

 

 

6

7

 

 

 

 

 

 

 

 

 

 

 

 

 

 

 

 

 

 

 

 

 

 

 

 

 

 

 

 

 

 

Проверка:

piy

=0,

 

 

 

 

 

 

 

 

 

Rx6 Ft 4 Rx5 0 ,

4817-7225+2408=0, 0=0.

Определяем реакции в опорах плоскости YZ

М

5

0

 

 

 

 

 

 

 

 

 

 

 

 

 

 

 

 

 

 

 

 

 

 

 

 

 

 

 

 

 

 

 

 

 

 

 

 

F

l

 

F

 

d4

 

 

R

 

 

l

 

 

l

 

0 ,

 

 

 

 

 

 

 

 

 

 

 

 

 

 

 

 

 

 

 

 

 

r 4

 

 

6

 

a4

 

 

2

 

 

 

 

y6

 

 

6

 

 

 

 

7

 

 

 

 

 

Fr 4 l6

Fa 4

d4

 

2674

140

1336

286,78

 

 

 

 

 

 

 

 

Ry 6

2

 

 

2

 

 

 

 

 

2695H

l6

l7

 

 

 

 

 

 

140 70

 

 

 

 

 

 

 

 

 

 

 

 

 

 

 

 

 

 

 

 

 

 

 

 

 

 

 

 

 

 

 

М

6

0

 

 

 

 

 

 

 

 

 

 

 

 

 

 

 

 

 

 

 

 

 

 

 

 

 

 

 

 

 

 

 

 

 

 

 

 

F

 

d4

 

F

 

 

l

 

 

R

 

 

l

 

l

 

0 ,

 

 

 

 

 

 

 

 

 

 

 

 

 

 

 

 

 

 

 

 

 

 

 

 

 

a4

2

 

r 4

 

7

 

 

 

y5

 

 

 

 

6

 

 

 

7

 

(3.19)

(3.20)

(3.21)

(3.22)

(3.23)

СПБГУАП группа 4736 https://new.guap.ru/i03/contacts

 

 

 

F

l

 

F

d

4

 

2674 70 1336

286,78

 

 

 

 

 

 

 

 

 

 

 

 

 

7

 

 

 

 

 

 

 

 

 

r 4

 

 

a 4

2

 

 

 

2

21H

R

 

 

 

 

 

 

 

 

y5

 

l

 

l

 

 

 

140 70

 

 

 

 

 

 

 

 

 

 

 

 

 

 

 

 

 

6

7

 

 

 

 

 

 

Проверка:

piy

=0,

 

 

 

 

 

 

 

 

 

 

 

 

 

 

 

Ry5 Fr 4

Ry 6

0 ,

-21-2674+2695=0, 0=0.

Построим эпюры крутящих и изгибающих моментов:

М

ГА А

RX 5

l6

2408 0,14 337H м ;

М

в А А

Ry5

l6

21 0,14 3H м ;

М

в А А

Ry 6

l7

2695 0,07 189H м .

Опасным сечением является сечение Б-Б:

 

 

 

 

 

 

 

 

 

 

 

 

 

 

 

Миз М Г2 М в2 ,

где М Г

337Н м , М в

1922Н м .

М из

337

2

192

2

388Н м .

 

 

Из условия прочности:

F

 

М

 

3

[ F ] ,

 

 

 

 

из

 

 

 

 

 

0,1d

 

 

 

 

 

 

 

 

 

 

 

d f 1 3

 

Миз

 

,

0,1 F

 

 

 

 

 

где F =480МПа.

(3.24)

(3.25)

(3.26)

(3.27)