Скорость процесса абсорбции
характеризуется уравнением (1.11), если движущую силу выражают в концентрациях
газовой фазы
(1.11)
и уравнением (1.11а), если движущая сила выражается в
концентрациях жидкой фазы
(1.11а)
В этих уравнениях коэффициенты массопередачи Кy и Кx определяются, согласно уравнениям (1.12) и (1.13), следующим
образом:
(1.12)
(1.13)
где вг - коэффициент массоотдачи от потока газа к поверхности контакта фаз; вж - коэффициент массоотдачи от поверхности контакта фаз к поток жидкости.
Для хорошо растворимых газов величина m незначительна и мало также диффузионное сопротивление в жидкой
фазе. Тогда
и можно принять, что
. Для плохо растворимых газов можно пренебречь диффузионным
сопротивлением в газовой фазе (в этом случае значения т и вг
велики). Отсюда
и можно полагать, что
.
В уравнении (1.11) мольные концентрации газовой фазы могут быть
заменены парциальными давлениями газа, выраженными в долях общего давления.
Тогда
(1.14)
где
- средняя движущая сила процесса,
выраженная в единицах давления;
-коэффициент массопередачи, отнесенный к единице движущей силы,
выражаемой через парциальные давления поглощаемого газа.
Если линия равновесия является прямой, то средняя движущая сила
процесса выражается уравнением
(1.15)
где
и
- движущая сила на концах абсорбционного аппарата; рн
и рк - парциальные давления газа на входе в аппарат и выходе
из него;
и
- равновесные парциальные давления газа на входе в аппарат и
выходе из него.
Если парциальное давление выражено в долях общего давления Р,
то коэффициенты массопередачи Кp и Ку численно равны друг другу. Если же парциальные
давления выражены в единицах давления, то
(1.16)
Промышленные схемы абсорбционных установок бывают противоточные, прямоточные, одноступенчатые с рециркуляцией и многоступенчатые с рециркуляцией.
При противоточной схеме абсорбции (рис. 1.3а) газ
проводит через абсорбер снизу вверх, а жидкость стекает сверху вниз. Так как
при противотоке уходящий газ соприкасается со свежим абсорбентом, над которым
парциальное давление поглощаемого компонента равно нулю (или очень мало), то
можно достичь более полного извлечения компонента из газовой смеси, чем при
прямоточной схеме (рис. 1.3б), где уходящий газ соприкасается с
концентрированным раствором поглощаемого газа. Кроме того, при противотоке
можно достигнуть более высокой степени насыщения поглотителя извлекаемым
компонентом, что, в свою очередь, приводит к уменьшению расхода абсорбента.

а б
Рис. 1.3. Схемы противоточной и прямоточной абсорбции
а - противоточная абсорбция; б - прямоточная абсорбция;
Для отвода тепла, выделяющегося при абсорбции, а также для повышения плотности орошения в колоннах с насадкой часто применяют схемы с рециркуляцией части абсорбента.
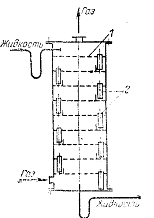
На рис. 1.4 представлена схема одноступенчатой абсорбции с
частичной рециркуляцией абсорбента. Часть жидкости концентрацией Xк отбирается из нижней
части колонны в качестве конечного продукта, а другая ее часть возвращается
насосом на верх колонны, где жидкость присоединяется к поглотителю, имеющему
начальную концентрацию Xн. В результате образуется смесь, концентрация
которой равна Xсм, при чем Xсм> Xн.
Рис. 1.4. Схема одноступенчатой абсорбции с рециркуляцией
жидкости
Жидкость, возвращаемая в колонну, может быть попутно охлаждена, что приведет к понижению температуры жидкости, орошающей колонну, и соответственно - к понижению температуры процесса.
Основное требование, предъявляемое к конструкции устройства для проведения абсорбционных процессов, - создание развитой поверхности контакта фаз. По способу образования такой поверхности аппарата для проведения процессов абсорбции условно подразделяют на следующие группы:
1) поверхностные, в которых контакт фаз происходит на зеркале жидкости, поверхности жидкой пленки, стекающей по каналам различной формы (пленочные), элементам насадки (насадочные) или образующейся на элементах движущихся частей (механические);
2) барботажные, в которых контакт происходит на поверхности пузырьков и струй, возникающих при пропускании газа через слой жидкости в аппарате, на тарелке, в затопленной насадке либо в пространстве с перемешивающими устройствами (соответственно барботажные, тарельчатые, с подвижной насадкой. механические);
3) распыливающие, в которых контакт происходит на поверхности капель распыляемой жидкости (полые, скоростные прямоточные, механические).
Указанную классификацию нельзя понимать буквально, поскольку постоянное совершенствование конструкций абсорберов связано не только с улучшением характеристики какого-либо одного способа организации контакта фаз, но и подчас всей их совокупности.
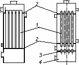
На рис. 1.5 представлены пленочные абсорберы: трубчатый противоточный и с восходящим движением пленки.
Аппараты просты по устройству, однако в них очень трудно
организовать равномерное распределение жидкости по сечению труб, в силу чего
эффективность их невелика за исключением прямоточного абсорбера, в котором за
счет больших скоростей газа (40 м/с и более) можно достичь высоких значений
массопередачи.
а б
Рис. 1.5. Пленочные абсорберы
а-трубчатый; б-с восходящим движением жидкой пленки; 1-трубы;
2-трубные решетки; 3-щели; 4-патрубки; 5-камера
Тарельчатые абсорберы представляют собой, как правило, вертикальные колонны, внутри которых на определенном расстоянии друг от друга размещены горизонтальные перегородки - тарелки. С помощью тарелок осуществляется направленное движение фаз и многократное взаимодействие жидкости и газа.
В настоящее время в промышленности применяются разнообразные конструкции тарельчатых аппаратов. По способу слива жидкости с тарелок барботажные абсорберы можно подразделить на колонны: 1) с тарелками со сливными устройствами и 2) с тарелками без сливных устройств.
В этих колоннах перелив жидкости с тарелки на тарелку осуществляется при помощи специальных устройств - сливных трубок, карманов и т.п. Нижние концы трубок погружены в стакан на нижерасположенных тарелках и образуют гидравлические затворы, исключающие возможность прохождения газа через сливное устройство.
Принцип работы колонн такого типа виден из рис. 1.6, где в
качестве примера показан абсорбер с ситчатыми тарелками. Жидкость поступает на
верхнюю тарелку 1, сливается с тарелки на тарелку через переливные устройства 2
и удаляется из нижней части колонны. Газ поступает в нижнюю часть аппарата,
проходит последовательно сквозь отверстия или колпачки каждой тарелки. При этом
газ распределяется в виде пузырьков и струй в слое жидкости на тарелке, образуя
на ней слой пены, являющийся основной областью массообмена и теплообмена на
тарелке. Отработанный газ удаляется сверху колонны.
Рис. 1.6. Тарельчатая колонна со сливными устройствами
-тарелка, 2-сливные устройства.
К тарелкам со сливными устройствами относятся: ситчатые, колпачковые, клапанные и балластные, пластинчатые и др.
Ситчатые тарелки. Колонка с ситчатыми тарелками (рис. 1.7) представляет собой вертикальный цилиндрический корпус 1 с горизонтальными тарелками 2, в которых равномерно по всей поверхности просверлено значительное число отверстий диаметром 1-5 мм. Для слива жидкости и регулирования ее уровня на тарелке служат переливные трубки 3, нижние концы которых погружены в стаканы 4.
Ситчатые тарелки устойчиво работают в довольно широком
интервале скоростей газа, причем в определенном диапазоне нагрузок по газу и
жидкости эти тарелки обладают высокой эффективностью. Вместе с тем ситчатые
тарелки чувствительны к загрязнениям и осадкам, которые забивают отверстия
тарелок. В случае внезапного прекращения поступления газа или значительного
снижения его давления с ситчатых тарелок сливается вся жидкость, и для
возобновления процесса требуется вновь запускать колонну.
а б
Рис. 1.7. Ситчатая колонна
а-схема устройства колонны, б-схема работы тарелки, 1-корпус,
2-тарелка, 3-переливная труба, 4-стакан.
Колпачковые тарелки. Менее чувствительны к загрязнениям, чем
колонны с ситчатыми тарелками, и отличаются более высоким интервалом устойчивой
работы колонны с колпачковыми тарелками (рис. 1.8). Газ на тарелку 1 поступает
по патрубкам 2, разбиваясь затем прорезями колпачка 3 на большое число
отдельных струй. Прорези колпачков наиболее часто выполняются в виде зубцов
треугольной или прямоугольной формы. Далее газ проходит через слой жидкости,
перетекающей по тарелке от одного сливного устройства 4 к другому. При движении
через слой значительная часть мелких струй распадается и газ распределяется в
жидкости в виде пузырьков. Интенсивность образования пены и брызг на
колпачковых тарелках зависит от скорости движения газа и глубины погружения
колпачка в жидкость.
Рис. 1.8. Схема работы колпачковой тарелки
-тарелка, 2-газовые патрубки, 3-колпачки, 4-сливные трубы.
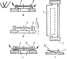
Клапанные и балластные тарелки (рис. 1.9). Эти тарелки
получают за последнее время все более широкое распространение, особенно для
работы в условиях значительно меняющихся скоростей газа.
Рис. 1.9. Клапанные тарелки
а, б-с круглыми клапанами, в-пластинчатым клапаном, г - балластная,
-клапан, 2-кронштейн-ограничитель, 3-балласт.
Принцип действия клапанных тарелок (рис. 1.9а, б) состоит в том, что свободно лежащий над отверстием в тарелке круглый клапан 1 с изменением расхода газа своим весом автоматически регулирует величину площади зазора между клапаном и плоскостью тарелки для прохода газа и тем самым поддерживает постоянной скорость газа при его истечении в барботажный слой. При этом с увеличением скорости газа в колонне гидравлическое сопротивление клапанной тарелки увеличивается незначительно. Высота подъема клапана ограничивается высотой кронштейна-ограничителя 2 и обычно не превышает 8 мм. Пластинчатые клапаны (рис. 1.9в) работают так же, как и круглые. Они имеют форму неравнобокого уголка, одна из полок которого (более длинная) закрывает прямоугольное отверстие в тарелке.
Достоинства клапанных и балластных тарелок: сравнительно высокая пропускная способность по газу и гидродинамическая устойчивость, постоянная и высокая эффективность в широком интервале нагрузок по газу. Последнее достоинство является особенностью клапанных и балластных тарелок по сравнению с тарелками других конструкций. К недостаткам этих тарелок следует отнести их повышенное гидравлическое сопротивление, обусловленное весом клапана или балласта.
В тарелке без сливных устройств (рис. 1.10) газ и жидкость
проходят через одни и те же отверстия или щели. На тарелке одновременно с
взаимодействием жидкости и газа путем барботажа происходит сток части жидкости
на нижерасположенную тарелку - «проваливание» жидкости. Поэтому тарелки такого
типа обычно называют провальным и к ним относятся дырчатые, решетчатые,
трубчатые и волнистые тарелки.
Рис. 1.10. Колонна с тарелками без сливных устройств
-колонна, 2-тарелки, 3-распределитель жидкости.
Дырчатые тарелки (рис. 1.11а) аналогичны по устройству
ситчатым тарелкам и отличаются от последних лишь отсутствием сливных устройств.
Диаметр отверстий в этих тарелках равен 4-10 мм, а суммарная площадь сечения
всех отверстий по отношению к сечению колонны составляет 10-25°d.
а б
Рис. 1.11. Провальные тарелки
а - дырчатая; б - решетчатая; 1 - тарелка; 2 - отверстия; 3 -
щели.
Решетчатые тарелки (рис. 1.11б) имеют отверстия в виде выфрезерованных или выштампованных щелей шириной 3-8 мм.
Дырчатые и решетчатые провальные тарелки отличаются простотой конструкции, низкой стоимостью изготовления и монтажа, сравнительно небольшим гидравлическим сопротивлением.
К достоинству трубчатых провальных тарелок относится легкость отвода тепла от барботажного слоя на тарелке путем пропускания охлаждающего агента по трубам, из которых состоит тарелка. Однако эти тарелки в сравнении с дырчатыми и решетчатыми значительно сложнее по устройству и монтажу.
Основной недостаток колонн с дырчатыми, решетчатыми и трубчатыми провальными тарелками - небольшой интервал изменения скоростей газа и жидкости, в пределах которого поддерживается устойчивая и эффективная их работа.
Широкое распространение в промышленности в качестве
абсорберов получили колонны, заполненные насадкой - твердыми телами различной
формы. В насадочной колонне (рис. 1.12) насадка 1 укладывается на опорные
решетки 2, имеющие отверстия или щели для прохождения газа и стока жидкости.
Последняя с помощью распределителя 3 равномерно орошает насадочные тела и
стекает вниз. По всей высоте слоя насадки равномерное распределение жидкости по
сечению колонны обычно не достигается, что объясняется пристеночным эффектом -
большей плотностью укладки насадки в центральной части колонны, чем у ее
стенок. Вследствие этого жидкость имеет тенденцию растекаться от центральной
части колонны к ее стенкам. Поэтому для улучшения смачивания насадки в колоннах
большого диаметра насадку иногда укладывают слоями (секциями) высотой 2-3 м и
под каждой секцией, кроме нижней, устанавливают перераспределители жидкости 4.
Рис. 1.12. Насадочный абсорбер