Материал: Расчет усилия зажима в приспособлении и основных параметров зажимного механизма

Внимание! Если размещение файла нарушает Ваши авторские права, то обязательно сообщите нам

Расчет усилия зажима в приспособлении и основных параметров зажимного механизма

Введение

станочный приспособление зажимной

Станочное (рабочее) приспособление - приспособление, предназначенное для установки и закрепления детали на станке в процессе обработки.

При изготовлении деталей в машиностроении большое значение имеет технологическая подготовка производства, основную долю затрат по стоимости и трудоемкости в которой вносит проектирование и изготовление технологической оснастки, в частности, затраты на создание станочных приспособлений. Одним из возможных решений этой задачи является применение унифицированных, стандартизированных функциональных элементов, позволяющих сократить комплект станочных приспособлений и увеличить срок их эксплуатации.

По степени специализации подразделяют на три группы, в каждую из которых входят соответствующие системы станочных приспособлений, предусмотренные ЕСТПП и ГОСТ 14.305-73 «Правила выбора технологической оснастки». В отдельную систему можно выделить средства механизации зажима станочных предусмотренные ЕСТПП и ГОСТ 14.305-73 «Правила выбора технологической оснастки». В отдельную систему можно выделить средства механизации зажима станочных приспособлений (СМЗСП).

1.      Универсальные

- УБП - универсально-безналадочные приспособления, для которых характерно применение универсальных регулируемых приспособлений, не требующих сменных установочных и зажимных элементов. Данная группа включает в себя комплексы универсальных приспособлений, входящих в комплекты оснастки, поставляемой машиностроительным предприятиям в качестве принадлежностей к станкам. Рекомендуется для единичного и мелкосерийного производств.

УНП - универсально-наладочные приспособления. Предусматривает разделение элементов приспособлений на два основных вида: базовые и сменные. Базовые элементы - постоянная многократно используемая часть приспособления, изготавливаемая заранее по соответствующим стандартам. Сменные установочные и зажимные элементы-наладки могут быть универсальными (изготавливаемыми заранее) и специальными (изготавливаемыми по мере необходимости машиностроительным заводом).Рекомендуется для мелкосерийного и серийного производств, особенно эффективна при групповой обработке заготовок.

УУС - универсальные устройства и средства.

2.      Специализированные

- СБП - специализированные безналадочные приспособления.

СНП - специализированные наладочные приспособления. Так же, как и система УНП, включает базовые элементы и комплексы элементов-наладок, но отличается более высокой степенью механизации приводов и применением многоместных приспособлений. Рекомендуется для специализированного серийного и крупносерийного производств.

3.      Специальные

- УСП - универсально-сборные приспособления. УСП является одноцелевым по назначению, но универсальными по изготовлению. Собирают из заранее изготовленных деталей и сборочных единиц без последующей доработки. Из комплекта УСП можно собирать токарные, сверлильные, фрезерные и другие приспособления.

Универсально-сборные переналаживаемые приспособления (УСПП) - система станочных приспособлений, в основу которой положен агрегатно-модульный принцип создания компоновок и возможность переналадки элементов, в том числе автоматизированная.Предназначены для базирования и закрепления деталей при обработке на сверлильно-фрезерно-расточных станках с ЧПУ в условиях многономенклатурного производства.

СРП - сборно-разборные приспособления. Содержит комплексы стандартных сборочных единиц с базовыми поверхностями для сборки различных приспособлений. По окончании эксплуатации (при смене объекта производства) компоновки разбирают на сборочные единицы и используют их в новых приспособлениях. Представляет собой компоновку, состоящую из готовой базовой части (плиты, угольника, планшайбы), сборочных единиц (зажимных, установочных и т. д.) и наладочного элемента, чаще всего специального, с помощью которого заготовку «связывают» с установочными элементами приспособления. СРП, несмотря на определенное сходство с УСП, имеют существенное различие: они содержат, помимо стандартных деталей и узлов, специальную наладку. Точность обработки на СРП (8, 9-й квалитеты) обеспечивается точностью изготовления и установки составляющих базовых элементов. Рекомендуется для серийного и крупносерийного производств в условиях частой смены выпускаемых изделий с большим количеством модификаций.

НСП - неразборные специальные приспособления. Содержат комплексы преимущественно стандартных сборочных единиц, деталей и заготовок, а также нестандартных элементов для изготовления высокопроизводительных специальных приспособлений и сменных специальных наладок. Рекомендуется для стабильного крупносерийного и массового производств.

Система СМЗСП включает комплекс универсальных силовых устройств, выполненных в виде обособленных агрегатов и позволяющих в сочетании с другими приспособлениями механизировать и автоматизировать процесс закрепления заготовок. Предназначена для использования в условиях любого производства.

Темой данной работы является разработка станочного приспособления для обработки детали «Бракет» на фрезерной операции.

.       
АНАЛИЗ ИСХОДНЫХ ДАННЫХ

Проектируемое приспособление предназначено для закрепления детали «Бракет».

Данные по материалу: Для изготовления детали «Бракет» применяем латунь ЛК. Содержание меди в латунях различных марок составляет 59-90 %, остальное приходится на цинк и другие смеси.

Характеристики материала латуни представлены в следующих таблицах:

Таблица 1.1 - Химический состав,%

Латунь

Марка

Cu

Легированные элементы

Zn

Назначение

Кремнистая

ЛК 80 3Л

80

3

17

втулки

 

Таблица 1.2 - Механические свойства детали.

Механические свойства сплава ЛК80-3 при Т=20oС

Прокат

σв(МПа)

δ5 (%)

сплав твердый

580-650

3-5

сплав мягкий

280-340

53-60

 

Таблица 1.3 - Физические свойства детали.

Физические свойства сплава ЛК80-3

T (Град)

E 10- 5 (МПа)

a 10 6 (1/Град)

l (Вт/(м·град))

r (кг/м3)

C (Дж/(кг·град))

R 10 9 (Ом·м)

20

1.04

 

87.9

8200

 

200

100

 

17

 

 

 

 

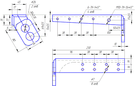
Рисунок 1- Чертеж детали

Деталь «Бракет» предназначена для установки щетки в щеткодержатель на конце траверсы. Деталь плоскостная, в виде угольника с габаритными размерами 230 х 69 х 54 мм, деталь симметричная. Деталь выполнена по 14 квалитету точности. Величина шероховатости Rz40, Ra 6,3 и Rz80, Ra 12,5. На боковой поверхности имеются: 4 резьбовых отверстия М6-7Н-1х90⁰ и одно резьбовое отверстие М10-7Н-1,6х90⁰. На верхней поверхности располагаются 8 сквозных отверстия . На внутренней стороне детали находится обнижение с закруглением R50. Разрабатываемое приспособление предназначено для фрезерования торца. В качестве заготовки принимается литье по выплавляемым моделям.

1.2    Разработка маршрутной технологии

Таблица 1.4. Технологический маршрут обработки детали «Бракет»


Операция


Оборудование


Наименование

Код

Наименование

Код

000

Заготовительная(литье)




005

Программно-комбинированная

381028

Многоцелевой станок

ГФ2171С5.

010

Программно- комбинированная.

381028

Многоцелевой станок

ГФ2171С5.

015

Программно- комбинированная.

381028

Многоцелевой станок

ГФ2171С5.

020

Контрольная

0200

Стол контролера


025

Сдаточная

0108

Склад



1.3    Характеристика операционной технологии.

Для среднесерийного типа производства в качестве заготовки используем отливку.

Таблица 1.5. -Характеристика операционной технологии.

Операция

Содержание операции, инструмент

Инструмент

1

2

3

4

005

Программно-комбинированием

1.Фрезеровать поверхность

1Фреза торцевая Ø50 мм



2.Фрезеровать торцевую поверхность 2

Фреза концевая Ø8 мм.



3.Центровать 8 отв. Ø7

Сверло центровочное Ø7



4.Сверлить 8 отв. Ø7

Сверло спиральное Ø7

010

Программно-комбинированная

1.Фрезеровать боковую поверхн.2

Фреза торцевая Ø50 мм



2.Фрезеровать торцевую поверхн.4

Фреза концевая Ø8мм



3.Центрировать 4отв. Ø5

Сверло центровочное Ø5мм



4.Сверлить 4 отв. Ø5

Сверло спиральное Ø5мм

Метчик Ø5мм



6. Центровать отв.Ø8мм

Сверло центровочное Ø8мм



7. Сверлить отв.Ø8мм

Сверло спиральное Ø8мм



7.Зенковать фаску 4 отв.Ø5мм

Зенковка Ø5мм



8.Зенковать фаску 1 отв.Ø8

Зенковка Ø8мм



9.Нарезать резьбу 4 отв. М6

Метчик М6



10.Нарезать резьбу 1 отв. М10

Метчик М10

015

Программно-комбинированная

1.Фрезеровать обнижение.

Фреза торцевая Ø50мм



2.Фрезеровать контур козырька

Фреза концевая Ø8мм



3.Центровать отв.Ø26мм

Сверло центровочное Ø26мм



4.Сверлить 2 отв.Ø26мм

Сверло спиральное Ø26мм

020

Контрольная

Проверка размеров и шероховатости

Штангенциркуль ШЦ1 ГОСТ166-89 Калибр пробка ГОСТ14810-69 Калибр пробка резьбовая ГОСТ17756-72


Оборудование

Механическую обработку детали «Бракет» следует производить на станках с ЧПУ. Для этой цели выбираем многоцелевой станок ГФ2171С5.

Станок ГФ2171С5 с числовым программным управлением и автоматической сменой инструмента предназначен для многооперационной обработки разнообразных деталей сложной конфигурации из стали, чугуна, цветных и легких сплавов.

Наряду с фрезерными операциями на станке можно производить сверление, зенкерование, развертывание и растачивание отверстий, связанных координатами. Класс точности -Н по ГОСТ8-82.

Таблица 1.7. Основные параметры и размеры.

Наименование параметров

Данные

1

2

Рабочая поверхность стола по ГОСТ 165-81, мм: Ширина Длина

 400  1600

Количество Т-образных пазов

3

Ширина Т-образных пазов по ГОСТ1574-75, мм: Центральный Крайний

 18Н8 18Н12

Расстояние между пазами, мм

100

Наибольшее перемещение стола, мм

260

Предел подач стола, ползуна, мм/мин

1…6000

Скорость быстрого перемещения стола по координатам х, у и ползуна по z, мм/мин

7000

Конец шпинделя с конусностью 7:24 по ГОСТ24644-81

50

Количество частот вращения шпинделя

18

Пределы частоты вращения шпинделя, об/мин

50…2500

Коэффициент ряда выходных частот вращения шпинделя

1,26

Наибольший крутящий момент на шпинделе, кНм

0,615

Допустимое усилие подачи, Н: По х и у По z

 15690 9806

Расстояние от торца шпинделя до рабочей поверхности стола, мм

250…500

Расстояние от оси шпинделя до вертикальных направляющих станины, мм

500

Предельный размер устанавливаемой заготовки, высота, мм

380

Предельные размеры обрабатываемых поверхностей, ширина х длина х высота, мм

260х 850х 380

400

Емкость магазина инструментов, шт

12

Выбор инструмента из магазина

В любой последовательности

Время смены инструмента, с., не более

20

Максимальный диаметр инструмента, мм: Фрезы торцевой Фрезы концевой Сверла

 125 40 30

Максимальный вес инструмента, кг, не более

15

Вылет инструмента от торца шпинделя, мм

250

Тип устройства ЧПУ

Контурнопозиционный

Количество управляемых координат

3

Количество одновременно управляемых координат: При линейной интерпретации При круговой интерпретации

 3 2

Тип гидростанции гидропривода

10-2, 2Г48-1

Давление настройки предохранительного клапана, кГс/см (Мпа)

40 (3,9)

Производительность насоса л/мин

8

Количество гидромоторов

2

Насос для смазки зубчатых колес, направляющих консоли, стола и салазок

ВГ11-11А

Насос для смазки зубчатых колес и подшипников коробки скоростей и шпиндельной головки

Плунжерный оригинальной конструкции

Габариты станка с электро и гидрооборудованием, мм, не более

3680х4170х3150

Масса станка (без устройства ЧПУ, электро и гидрооборудования и электрошкафа) кг

5000

Масса станка (с устройством ЧПУ, электро и гидрооборудованием) кг

6580


2.     
Назначение и принцип работы проектируемого приспособления

станочный приспособление зажимной

Для обработки детали «Бракет» используются следующее приспособление - универсальное переналаживаемое и используется в серийном производстве.

Приспособление служит для установки и закрепления детали на многоцелевом станке.

Деталь устанавливается на чистовую опору позиция 3 и базируется на палец позиция 2П.

Зажим устанавливается от пневмоприводная, для этого воздух подается в верхнюю полость пневмоцилиндра, поршень, позиция 9 опускается вниз, толкает вниз шток, позиция 7 и опускает траверсу, позиция 4.

На траверсе закреплены две шпильки, которые тянут за собой прихваты. Зажим осуществляется с двух сторон.

Разжим осуществляется в обратном порядке.

Приспособление базируется на столе станка по направляющим шпонкам. Крепление осуществляется с помощью установочных болтов через проушины.

3.     
Расчет погрешности установки

.1 Схема базирования

Рисунок 2-Схема базирования

А- установочная база

Б- Направляющая база

3.2    Расчет погрешности базирования

К проектированию приспособлений приступают только после

окончательной разработки технологического процесса на обрабатываемую деталь. Для операции, на которую необходимо разработать приспособление следует:

1.      Установить метод базирования детали и выполнить схему базирования на данную операцию

2.      Выполнить схему установки, которая отличается от схемы базирования конкретными данными по координатам расположения установочных элементов. Выбирается тип и конструкция установочных элементов по справочной литературе (Станочное приспособление. Справочник под редакцией Б.Н. Вардашкина том1). Далее выполняется расчет погрешности базирования.

При установке обрабатываемой детали в приспособлении возникает погрешность установки :


Где  - погрешность базирования;

 - погрешность закрепления, возникает под действием силы зажима. При обработке детали в достаточно жестком приспособлении погрешность закрепления можно в расчетах не учитывать.

 - погрешность приспособления, возникает в результате неточного изготовления деталей самого приспособления и износа его установочных элементов. При своевременном контроле и ремонте погрешность приспособления составляет не более 10% и тоже может не учитываться при расчетах.

(2)

где  - наибольший предельный размер отверстия заготовки, мм.

 - наименьший предельный размер пальца, мм.

Рисунок 3

4.     
Расчет усилия зажима заготовки в приспособлении и основных параметров зажимного механизма

4.1    Рассчитываем режимы резания для операции 005

Торцевая фреза Ø50 мм

Назначаем Глубину резания (мм)

Назначаем подачу

Выбираем по таблице период стойкости инструмента.

Т=180 мин.

Определяем скорость резания по эмпирической формуле


Где: V - скорость резания (скорость вращения детали), м/мин;

D - диаметр фрезы, мм;

 - поправочный коэффициент;

m, q, y, u, p - показатели степеней, подбираемые по таблице;

Т- стойкость инструмента, мин;

Sz - подача, мм/зуб;

Z - число зубьев фрезы;

В - ширина фрезерования, мм;

t - глубина фрезерования, мм;

 - общий поправочный коэффициент на скорость резания, учитывающий фактические условия резания.


Где:  - коэффициент на обрабатываемый материал;

 - коэффициент на инструментальный материал;

 - - коэффициент учитывающий качество поверхности заготовки.


Где:  - коэффициент, характеризующий группу стали по обрабатываемости;

 - фактические параметры, характеризующие обрабатываемый

материал, для которого рассчитывается скорость резания;

 - показатель степени.

Из справочника технолога - машиностроителя находим, что:

; ; ; ; ; у=0,40; q=0,25; m=0,20; В=45, z=0,4; u=0,15; р=0

Рассчитываем скорость резания:

Определяем частоту вращения фрезы


Расчет силы резания (Н)

Основная составляющая - окружная сила


Где:  -поправочный коэффициент, зависящий от типа обработки;

S - подача на зуб, мм/об;

D - диаметр инструмента, мм;

q, y - показатели степеней.

- поправочный коэффициент на качество обрабатываемой заготовки;

m, q, y, n, w - показатели степеней, подбираемые по таблице;

Из справочника технолога-машиностроителя находим, что:

 ; q = 1,1; y =0,8; u=1,1; w=0; x=0,95; z=4; n= 213;  (для медных сплавов (табл.10)).

Рассчитываем осевую силу резания:

Крутящий момент (Н·м)


Где:  - окружная сила, Н;

D - диаметр инструмента, мм;

Находим мощность резания


Где:  - окружная сила, Нм;- скорость резания, мм/мин.

Рассчитаем мощность резания:

Поскольку выполняется условие  , то обработка на данном станке возможна.

4.2    Расчет усилия зажима



Принимаем по ГОСТ15608-70 диаметр цилиндра 100мм.

5.     
Выбор унифицированных конструкционных элементов приспособления.

1.      Гайка шестигранная с буртиком ГОСТ 8918-69

 

2.      Винт ГОСТ28962-91

 

 

3.      Прихват передвижной фасонный

 

 

СПИСОК ЛИТЕРАТУРЫ

1. Ермолаев В.В. Технологическая оснастка: учебник для студ.учреждений сред. проф.образования/ В.В. Ермолаев.- 2-е изд.-М.: Издательский центр «Академия», 2013

. Блюменштейн В.Ю., Клепцов А.А. Проектирование технологической оснастки: Учебное пособие. 2-е изд., испр. И доп. - СПб.: Издательство «Лань», 2011

. Ермолаев В.В. Технологическая оснастка. Лабораторно - практические работы и курсовое проектирование: учеб. пособие для студентов. учреждений сред. проф.образования/ В.В. Ермолаев.- 2-е изд.-М.: Издательский центр «Академия», 2014

. Методические указания для выполнения практических работ

.Методические рекомендации для выполнения самостоятельных работ

.Методические рекомендации для выполнения курсового проекта

. Горошкин А.К. «Приспособления для металлообрабатывающих станков».Справочник, 7-ое издание, перераб. М.: Машиностроение, 1979

. Обработка металлов резанием» Справочник технолога под редакцией Панова А.А.: Машиностроение, 1990 г.

. Станочные приспособления. Справочник в 2-х томах. Ред. совет Г.Н. Вардашкин (пред.) и др. М.: Машиностроение, 1984

. Сайт СТАНКО инструмент [Электронный ресурс] / - Режим доступа: http://www.gig-ant.com/machinery/63/1232.htm свободный. - Загл. с экрана. - Яз. рус.