Материал: Расчет участка кузнечного цеха

Внимание! Если размещение файла нарушает Ваши авторские права, то обязательно сообщите нам

Расчет участка кузнечного цеха

МИНОБРНАУКИ РОССИИ

Федеральное государственное бюджетное образовательное учреждение

высшего профессионального образования

«Ижевский государственный технический университет

имени М.Т. Калашникова»

Кафедра

«Машины и технология обработки металлов давлением и

сварочное производство»


ПОЯСНИТЕЛЬНАЯ ЗАПИСКА

к лабораторной работе по дисциплине Проектирование цехов

на тему: «Расчет участка кузнечного цеха»


Выполнил:

студент гр. Б07-711-1 А.А.Ларина

Принял:

Доцент, к.т.н. Н.Н.Князева






Ижевск, 2014

Оглавление

Введение

.Задание

.Выбор и обоснование технологического процесса и основного оборудования

.Расчет численности работающих

Заключение

Список литературы


Введение

Проектирование является первым и основным этапом капитального строительства, обеспечивающим создание новых и реконструкцию действующих цехов и малых предприятий машиностроительного профиля. Проектирование является сложным и трудоемким процессом, в ходе которого одновременно решаются технические, экономические и организационные задачи. Основной целью проектирования является разработка наиболее экономичных проектов цехов и малых предприятий, обеспечивающих выпуск высококачественной продукции при наиболее благоприятных условиях труда. На проектирование цеха или малого предприятия, строительство, монтаж и полное освоение проектной мощности уходит несколько лет. Сокращению сроков и трудоемкости проектирования способствует перевод расчетных и графических работ на ЭВМ с помощью разнообразных пакетов программ.

.Задание

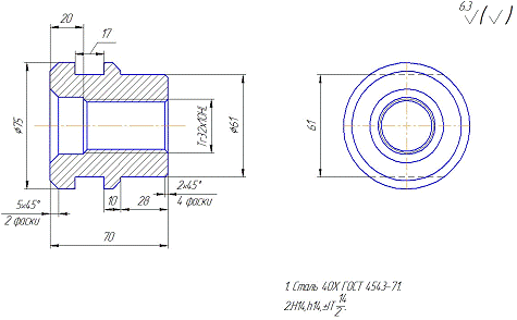
Исходные данные представляют собой чертеж (рис.1) и параметры готовой детали.

Рис.1. Чертеж готовой детали.

Задачей данной лабораторной работы является создание проекта участка кузнечного цеха для изготовления детали «Втулка» с программой выпуска 1000000 штук в год.

Цели лабораторной работы:

научиться рассчитывать количество работающего состава и количество оборудования;

определить необходимые площади под оборудование и рабочие места.

.Выбор и обоснование технологического процесса и основного оборудования

Кривошипные горячештамповочные пресса (КГШП) по сравнению с молотами обладают рядом преимуществ.

Повышенная точность получаемых поковок благодаря постоянству хода пресса и определенности нижнего положения ползуна, что позволяет уменьшить отклонения размеров поковок по высоте.

Увеличенный коэффициент использования металла вследствие более совершенной конструкции штампов, снабженных верхним и нижним выталкивателем, что позволяет уменьшить штамповочные уклоны, припуски, напуски, допуски и тем самым приводит к экономии металла и уменьшению последующей обработки поковок резанием.

Улучшенные условия труда вследствие меньших шумовых эффектов, вибрации, и сотрясения почвы, чем при работе на молотах, и относительно спокойным безударным характером работы.

Возможность применения автоматических перекладчиков заготовок.

Более высокой производительности в 1,4…2 раза при штамповке поковок шестерен, так как деформация на прессе в каждом ручье происходит за один ход, а на молоте за несколько ударов.

Снижение себестоимости продукции за счет снижения расхода металла и эксплуатационной стоимости.

Для исключения заклинивания и поломки пресса открытые штампы на КГШП не смыкаются на величину заусенца, из-за отсутствия ударов служат больше молотовых. На КГШП используют штампы сборной конструкции с ручьевыми вставками, которые при износе заменяют.

Учитывая приведенные выше преимущества штамповки на КГШП, а, также учитывая конструктивные особенности детали - длинноосное тело , удлиненного размера в плане, можно сделать вывод о том, что для изготовления данной детали оптимальным вариантом будет применение технологии горячей штамповки на КГШП в открытом штампе, с применением пламенного нагрева, так как это позволит увеличить коэффициент использования материала и производительность, а также позволит исключить обязательное участие в процессе высококвалифицированного рабочего.

Расчет усилий штамповки на КГШП необходимо выполнять с максимально возможной точностью, так как при использовании пресса с недостаточным усилием может произойти авария, а при выборе пресса по завышенному усилию пресс будет использоваться нерационально.

Усилие штамповки в открытых штампах для удлиненных в плане поковок рассчитывается по формулам:


где sS - напряжение текучести металла при соответствующей условиям штамповки температуре и скорости деформации (для стали 40Х при температуре 8000С, sS=71МПа) ; b - ширина мостика облоя; h - высота (толщина) облоя по мостику; Fn - площадь проекции поковки на плоскость разъема штампа; Fоб - площадь облойного мостика в плане; d - диаметр поковки в плане (для поковок, близких к круглым или квадратным); а - средняя ширина поковки (для удлиненных поковок).

Учитывая расчетное усилие штамповки и размеры поковки, выбираем пресс с усилием 10 МН - КБ 8040. Габариты пресса (в мм): слева направо - 4730, спереди назад - 3500, высота над уровнем пола - 5145.

В качестве нагревательного устройства выбрана газовая нагревательная полуметодическая печь ТермоГаз-УО-6,5.48.2,5/1250 в соответствии с производительностью пресса, габариты которой составили (в мм): ширина - 7500, длина - 2500,высота - 4000.

Для обрезки облоя выбран обрезной пресс усилием 1000 тс марки КА9536 габаритными размерами (в мм): ширина - 3410, длина - 3410, высота - 5940.

Для очистки нагретых заготовок от окалины используется специальная гидравлическая камера струйной очистки КСО-110 И СФР, габаритные размеры которой составили (в мм): ширина - 1050, длина - 2200,высота - 2100.

.Расчет количества технологического оборудования

Для определения количества оборудования необходимо найти суммарную загрузку оборудования:

 ,                         (3.1)

где П’ = 1 000 000 шт.- объём выпуска,

Н = 310 шт./ч- штучная производительность оборудования.

Количество оборудования, необходимое для выполнения годовой программы выпуска, определяется по формуле:

 ,                                     (3.2)

где Ф0= 3725 ч- действительный годовой фонд времени работы КГШП.

Округляя расчетное количество единиц оборудования до целого в сторону увеличения, получаем принятое число единиц оборудования nф = 1.

,              (3.3)

что находится в пределах нормативного и является приемлемым.

.Расчет численности работающих

Расчет численности работающих, необходимых для осуществления технологического процесса, производится по каждой их категории:

основные рабочие;

вспомогательные рабочие;

инженерно-технические работники и др.

Для начала нужно определить трудоемкость производства:

цех оборудование работник

 ,                   (4.1)

Расчет основных рабочих в смену по трудоемкости годового объема производства ведется по формуле:

 ,            (4.2)

где Чб - число человек в бригаде, для КГШП усилием 10 МН - Чб = 3 (Штамповщик, нагревальщик, прессовщик).

Фр - действительный годовой фонд времени рабочих в две смены.

Примем количество рабочих в сторону большего округления и учитываем, что количество смен - 2, тогда

Расчет численности вспомогательных рабочих, инженерно-технических работников (ИТР), служащих и младшего обслуживающего персонала (МОП), приходящихся на программу заданной детали производится из соотношения между категориями работающих. Так, количество вспомогательных рабочих составляет 65…100% от числа основных рабочих в зависимости от типа производства и вида цеха. Количество ИТР, служащих и МОП определяется исходя из общего числа рабочих и составляет для ИТР 8…12%, для служащих 1,5…2,5% и для МОП 1…2%.

Численность вспомогательных работников принимаем 80% от количества основных работников, это количество составит:

                        (4.3)

Количество ИТР принимаем в пределах 10% от численности основных и вспомогательных рабочих:

                (4.4)


          (4.5)

Количество младшего обслуживающего персонала принимаем 1% от численности основных и вспомогательных рабочих:

                   (4.6)

Заключение

В данной лабораторной работе был проведён технологический расчёт участка кузнечно-прессового цеха. В результате расчётов было определено число рабочих, рассчитано количество технологического оборудования. А также была составлена схема расположения оборудования и рабочих мест, которая представлена в виде чертежа на формате А4.

Список литературы

.Хржановский С.Н. Проектирование кузнечных цехов и заводов. «Машиностроение», 1972, 128 стр.

.Норицын И.А., Шехтер В.Я., Мансуров А.М. Проектирование кузнечных и холодноштамповочных цехов и заводов, М.: Высшая школа, 1977. - 423 с.

.Официальный сайт ООО «Промвест Техно»

<URL:http://www.promvest.by/index.php?option=com_sobi2&sobi2Task=sobi2Details&catid=28&sobi2Id=137&Itemid=31> [последняя дата обращения: 24.11.14]