Материал: Расчёт трансформатора однотактного прямоходового преобразователя

Внимание! Если размещение файла нарушает Ваши авторские права, то обязательно сообщите нам

Расчёт трансформатора однотактного прямоходового преобразователя

Федеральное агентство по образованию

Российской Федерации

Государственное образовательное учреждение

высшего профессионального образования

«СИБИРСКИЙ ГОСУДАРСТВЕННЫЙ ИНДУСТРИАЛЬНЫЙ

УНИВЕРСИТЕТ»

Кафедра автоматизированного электропривода

и промышленной электроники


Курсовая работа

по дисциплине «Силовая электроника»

Вариант №10

Тема курсовой работы:

«Расчёт трансформатора однотактного прямоходового преобразователя»


Выполнил: студент группы

Ильичева Ю. В.

Проверил: с.п. каф. АЭПиПЭ

Борщинский М.Ю.




Новокузнецк 2015г

Содержание

Исходные данные для расчёта

. Электрический расчёт трансформатора

. Расчёт размещения обмоток в окне магнитопровода

. Расчёт мощности потерь и перегрева

Список литературы

Исходные данные для расчёта

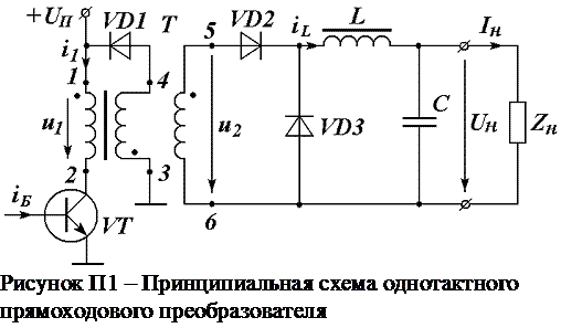
Принципиальная схема однотактного прямоходового преобразователя с размагничивающей обмоткой показана на рисунке П1, диаграммы его работы - на рисунке П2.


Питание преобразователя осуществляется от источника с напряжением В;

напряжение на нагрузке В;

ток нагрузкиА;

частота преобразования кГц (период мкс);

трансформатор работает при температуре окружающей среды .

1. Электрический расчёт трансформатора

) Вычисляем амплитуду напряжения на вторичной обмотке на основании регулировочной характеристики по формуле:

.          (1)

При длительности импульса

.

При этом относительная длительность импульса равна:

.  (2)

) Рассчитываем действующее значение тока вторичной обмотки. При  действующее значение тока вторичной обмотки равно:

.     (3)

) Вычисляем расчётную мощность  вторичной обмотки по формуле:

Вт.     (4)

) Определяем габаритную мощность. Ток первичной обмотки  значительно превышает ток намагничивания , а ток намагничивания по величине примерно равен току размагничивающей обмотки , следовательно, ток размагничивающей обмотки значительно меньше тока первичной обмотки  и при выборе сердечника трансформатора мощность размагничивающей обмотки можно не учитывать.

Следовательно, габаритная мощность трансформатора примерно равна расчётной мощности вторичной обмотки:

Вт.          (5)

) Из справочной литературы выбираем материал сердечника, толщину пластин и коэффициент заполнения сердечника , удовлетворяющие заданной частоте импульсов .

Для выбранного материала сердечника по таблицам или графикам  определяем максимальное значение индукции  и соответствующие её максимальную напряжённость магнитного поля , а также остаточную индукцию . В качестве материала сердечника используем феррит марки 1500НМ3, у которого  Тл при  А/м,  Тл. Для любого феррита . Исходя из габаритной мощности Вт по графикам в приложении принимаем плотность тока в обмотках А/мм2 и коэффициент заполнения окна магнитопровода .

) Вычисляем произведение площади сечения сердечника на площадь окна по формуле:

              (6)


Выбираем стандартный типоразмер мгнитопровода, удовлетворяющий произведению , и определяем его массу .

Полученному значению  удовлетворяет сердечник, составленный из двух колец К32×16×8, у которого

           мм2,       (7)

           мм2,   (8)

м4,

           мм.     (9)

) Рассчитываем число витков обмоток. Число витков первичной обмотки вычисляем по формуле:

          .          (10)


Число витков размагничивающей обмотки  принимаем равным числу витков первичной обмотки:

          . (11)

Число витков вторичной обмотки вычисляем по формуле:

.          (12)

) Рассчитываем действующие значения токов первичной  и размагничивающей  обмоток по формулам:

;          (13)

               (14)

где  - максимальное значение тока намагничивания, которое в соответствии с законом полного тока определяется по формуле:

.        (15)


.

) Рассчитываем площади поперечного сечения  и диаметры  проводов k-х обмоток по формулам:

; .

          ;    (16)

          ;   (17)

          ;          (18)

          ;   (19)

          ;  (20)

          .    (21)

. Расчёт размещения обмоток в окне магнитопровода

) По рассчитанному значению диаметра провода выбираем ближайшее стандартное значение диаметра и марку провода из справочника. При этом стандартный диаметр провода выбирается в сторону увеличения. В справочнике указывается также диаметр провода с изоляцией . Марку провода выбираем в соответствии с классом по нагревостойкости, который в свою очередь определяется заданным перегревом трансформатора. Задаём максимальную рабочую температуру трансформатора , которая соответствует классу нагревостойкости .

Для повышения надёжности используем провод марки ПЭТВ с диаметром по меди: мм; мм; мм (диаметры по изоляции соответственно:  мм;  мм;  мм). Выбранный провод допускает работу при температуре .

) Производим расчёт размещения обмоток в окне магнитопровода.

В качестве изоляции сердечника используем стеклолакоткань марки ЛСЭ-105/130 (допустимая температура нагрева ) толщиной мм, уложенную с 50%-ным перекрытием так, что общая толщина слоя изоляции получается равной . Предварительно у сердечника должны быть сняты острые кромки.

Первой на изоляцию сердечника наматываем первичную обмотку. Внутренний диаметр первого слоя равен:

 мм,          (22)

где мм - внутренний диаметр кольцевого сердечника.

Длина первого слоя равна:

 мм.  (23)

Определяем максимальное число витков в первом слое без учёта не плотности намотки:

.    (24)

Из последнего выражения следует, что первичная обмотка не укладывается в один слой, поэтому рассчитываем размещение второго слоя. Так как напряжение питания невелико (В), то межслоевую изоляцию укладывать не будем.

Внутренний диаметр второго слоя равен:

 мм.         (25)

Длина второго слоя равна:

 мм.   (26)

Максимальное число витков во втором слое без учёта не плотности намотки:

.  (27)

Из последнего выражения следует, что первичная обмотка не укладывается в два слоя, поэтому рассчитываем размещение третьего слоя.

Внутренний диаметр третьего слоя равен:

 мм.    (28)

Длина третьего слоя равна:

 мм.        (29)

Максимальное число витков в третьем слое без учёта не плотности намотки:

.     (30)

Таким образом, первичная обмотка укладывается в три слоя. В первом слое можно разместить 70 витков, во втором - 56, в третьем - 43.

Поверх первичной обмотки накладываем межобмоточную изоляцию из стклолакоткани ЛСЭ-105/130 толщиной 0,10 мм с 50%-ным перекрытием. Следующей на межобмоточную изоляцию наматываем размагничивающую обмотку.

Внутренний диаметр четвертого слоя равен:

 мм. (31)

Длина четвертого слоя равна:

 мм.    (32)

Максимальное число витков в четвертом слое без учёта не плотности намотки равно:

.          (33)

Из последнего выражения следует, что размагничивающая обмотка вполне разместится в четвертом слое.

Рассчитываем размещаемость вторичной обмотки. Поверх размагничивающей обмотки накладываем межобмоточную изоляцию из стеклолакоткани ЛСЭ-105/130 толщиной 0,12 мм с 50%-ным перекрытием. Следующей на межобмоточную изоляцию наматываем вторичную обмотку.

Внутренний диаметр пятого слоя равен:

 мм.     (34)

Длина пятого слоя равна:

 мм.   (35)

Максимальное число витков пятого слоя без учёта не плотности намотки равно:

.   (36)

Из последнего выражения следует, что вторичная обмотка не укладывается в один слой, поэтому переходим к расчёту следующего шестого слоя. Межслоевую изоляцию накладывать не будем, так как напряжение на вторичной обмотке невелико (20 В).

Внутренний диаметр шестого слоя равен:

 мм.    (37)

Длина шестого слоя равна:

 мм.       (38)

Максимальное число витков в шестом слое без учёта не плотности намотки равно:

.   (39)

Из последнего выражения следует, что вторичная обмотка не укладывается в два слоя, поэтому переходим к расчёту следующего седьмого слоя.

Внутренний диаметр седьмого слоя равен:

 мм.    (40)

Длина седьмого слоя равна:

 мм.      (41)

Максимальное число витков в седьмом слое без учёта не плотности намотки равно:

.     (42)

Очевидно, вторичная обмотка уложится в три слоя с числом витков в пятом - 30, шестом - 20, седьмом - 12 витков соответственно.

Поверх вторичной обмотки накладываем внешнюю изоляцию из стеклолакоткани ЛСЭ-105/130 толщиной 0,12 мм с 50%-ным перекрытием.