Материал: Расчет сварочного контура и трансформатора для точечной контактной машины

Внимание! Если размещение файла нарушает Ваши авторские права, то обязательно сообщите нам

 Ом

 Ом

Активное сопротивление всех элементов токопровода при t = 200 С:

ra = r1 + r2 + r3 + r4 + r5 + r6 + r7 + r8 = (5,12 + 9 + 7,1 + 3,1 + 2,9 + 3,85 + 2,9 + 1,8) ∙ 10-6 = = 33,8 ∙ 10-6 Ом

Активное сопротивление при t = 800 С:

rt = ra ∙ [1 + α(t - tох)], Ом

где α - температурный коэффициент сопротивления, 1/град

rt = 33,8 ∙ 10-6 ∙ [1 + 0,00393(80 - 20)] = 41,77 ∙ 10-6 Ом

Число переходных контактов:

n = 2 (медь - сталь ),

n = 8 (медь - медь ).

Активное сопротивление одного контакта соответственно:

ra = 5 ∙ 10-6 Ом,

ra = 2 ∙ 10-6 Ом.

rн.к. = 2 ∙ 5 ∙ 10-6 + 8 ∙ 2 ∙ 10-6 = 26 ∙ 10-6 Ом

rв = rt + rн.к. = (41,77 + 26) ∙ 10-6 = 67,77 ∙ 10-6 Ом

Принимаем rв = 68 ∙ 10-6 Ом

Индуктивное сопротивление вторичного контура контактной машины при частоте тока 50 Гц можно определить по площади, охватываемой осями элементов контура Sв, см2:

Хв = Sв0,73 ∙ 10-6, Ом

) Хв1 = 3,20,73 ∙ 10-6 = 2,33 ∙ 10-6 Ом

) Хв2 = 80,73 ∙ 10-6 = 4,56 ∙ 10-6 Ом

) Хв3 = 530,73 ∙ 10-6 = 18,14 ∙ 10-6 Ом

) Хв4 = 730,73 ∙ 10-6 = 53,29 ∙ 10-6 Ом

,6) Хв5,6 = 400,73 ∙ 10-6 = 29,2 ∙ 10-6 Ом

Хв = Хв1 + Хв2 + Хв3 + Хв4 + Хв5 + Хв6 = (2,33 + 4,56 + 18,14 + 53,29 + 29,2 + 29,2)∙ ∙ 10-6 = 136,72 ∙ 10-6 Ом

Полное сопротивление вторичного контура:

, Ом

Задаем rт = 12 ∙ 10-6 Ом,

Хт = 7 ∙ 10-6 Ом,

rээ = 90 ∙ 10-6 Ом.

, Ом

сварочный контур трансформатор ток

3       Расчет трансформатора контактной машины

.1 Исходные данные для расчета

Для расчета трансформатора необходимы следующие исходные данные:

номинальный длительный вторичный ток,

режим работы ПВ,

напряжение питающей сети,

частота тока,

число ступеней регулирования вторичного напряжения N,

вторичное напряжение на номинальной ступени,

пределы регулирования вторичного напряжения.

Из всего вышеперечисленного неизвестным является U20ном.

U20ном = I ∙ Zм, В

U20ном = 36357 ∙ 246 ∙ 10-6 = 8,9 В

U20max = 1,2 ∙ U20 = 1,2 ∙ 8,9 = 10,7 В

U20min = U20maxр = 10,68/2 = 5,3 В

Таким образом, имеем следующие исходные данные для расчета трансформатора:

I2дл.н = 16000 А,

ПВ = 20 %,

U1 = 380 В,

F = 50 Гц,

N = 4 ст.,

U20ном = 8,9 В

U20max = 10,7 B,

U20min = 5,3 B,

Трансформатор броневого типа,

Сердечник шихтованный,

Материал обмоток - медь,

Охлаждение обмоток первичной и вторичной - водяное.

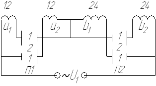
3.2 Схема первичной обмотки трансформатора

Настройку контактной машины на режим по току (т.е. выбор ступени) осуществляют изменением числа витков первичной обмотки с помощью переключателя ступеней трансформатора.

Первичная обмотка делится на секции. Выводы от секций подключают к переключателю ступеней. В переключателе с помощью перемычек, ножей или рукояток осуществляют различные комбинации соединения секций для получения требуемого напряжения U20i и коэффициента трансформации Ki.

Схема первичной обмотки будет выглядеть следующим образом:

Рис.2. Схема регулирования вторичного напряжения

Схема позволяет регулировать U20 не отключением отдельных секций первичной обмотки, а путем переключения половинок секций на параллельную работу. При этом все витки первичной обмотки остаются включенными в сеть на всех ступенях регулирования. Это позволяет сохранить симметрию потоков рассеяния трансформатора на любой ступени и постоянство индуктивного сопротивления.

Реализация данной схемы осуществляется при условии:

каждая секция состоит из двух одинаковых частей;

число витков в секциях находится в соотношении 1 : 2 : 4, т.е. происходит удвоение;

число секций первичной обмотки соответствует числу переключателей ступеней;

секции между собой всегда включены последовательно;

число ступеней регулирования N = 2с, где с - число секций. Здесь N = 4, c = 2.

Принимаем число витков W2 = 1, тогда

 витка,

 виток

Пусть число витков одной части первой секции равно n. Тогда число витков второй секции будет 2n. Итого получается 3n. Эти 3n должны составлять 36 виток. Таким образом, число витков одной части первой секции:

 витков.

Число витков одной части второй секции:

 витка

Составляем таблицу.

Таблица 1

№ ступени

Положение переключателей

Число витков W1(i)

Первичный ток I1(i), А

Напряжение холостого хода U20(i), В

Схема соединения частей секций


№1

№2




I

II

1

2

2

72

156

5,3



2

1

2

60

224

6,3



3

2

1

48

350

7,9



4

1

1

36

622

10,7




3.3 Расчет токов

Первичные токи по ступеням определяются:

, А,

где k0 = 1,05...1,07 - коэффициент, учитывающий влияние тока холостого хода;

kN-1 - коэффициент трансформации для номинальной ступени;


Отсюда:

 А

Для других ступеней:

, А

Отсюда:

 А

 А

 А

Результаты сводим в табл.1.

3.4 Расчет сечений обмоток

Полное сечение вторичной обмотки определяется:

, мм2,

где W2 - число витков вторичной обмотки;

j2 - допустимая плотность тока во вторичной обмотке, А/мм2;

j2 = 10-15 А/мм2 [5]

 мм2

Заполняем табл.2

Таблица 2

№ ступени

Положение переключателей

Первичный ток I1(i), А

Расчетное сечение провода, мм2


№1

№2


I (12+12) В

II (24+24) В


1

2

2

156



 35 мм2 для I с. 31 мм2 для II с.

2

1

2

224




3

2

1

350




4

1

1

622




Максимальные токи в секциях

350 А

311 А



Сечение проводов каждой секции определяем по формуле:

, мм2,

где j1 = 8 - 10 А/мм2

Отсюда:

 мм2

 мм2

Зная количество витков в каждой секции, определим суммарное сечение витков по секциям:

, мм2

 мм2

 мм

Суммируя значения сечений витков по секциям, получим полное сечение первичной обмотки:

мм2

мм2

.5 Расчет сердечника магнитопровода

Сердечник магнитопровода рассчитывается для номинальной ступени.

Определяем предварительное активное сечение стали сердечника по формуле:

, мм2,

где В - индукция в стали, Тл; В = 1,2 Тл

 мм2

Определяем полное сечение сердечника с учетом коэффициента заполнения сталью сердечника К3 = 0,93...0,95. Принимаем Кз = 0,93.

, м2

 м2

Исходя из выражения S = bc х hc и рекомендуемого соотношения сторон bс : hc = 1 : 2, определим ширину и высоту сердечника:

м

м

Принимаем hс = 0,26 м.

Число листов стали в пакете сердечника определяют:


Здесь бж - толщина листа стали без изоляции.

Определяем предварительное значение площади окна:

мм2

Здесь К30­ - коэффициент заполнения окна проводом обмоток.

К30 = 0,3...0,5

По [5] и полученным данным находим наиболее подходящий сердечник (рис.3):

Рис.3 Сердечник магнитопровода

Уточняем индукцию:


Условие выполняется.

3.6 Определение размеров катушек

Толщина изолированного провода витка дисковой катушки:

, мм,

где δпр - толщина изолирующей прокладки между витками;

(8 ÷ 10) мм - величина двух зазоров между катушкой, стержнем и ярмом;

мм - увеличение радиального размера катушки за счет изоляции.

 мм

аиз1 = аиз2 = 2,6 мм

Толщину голого провода а определяем из равенства:

а1 = а2 = аиз - δиз, мм

где δиз - толщина изоляции провода с двух сторон

δиз = 0,46 мм [5]

а1 = а2 = 2,6 - 0,46 = 2,14 мм

Определим размеры голого провода по q = 31 мм2 и а = 2,14 мм

По ГОСТ 434-71 находим:

а = 2,14 мм

b = 14 мм

Радиальный размер катушки:

А1 = А2 = Wк · (аиз + δпр) + 2 + 3 + 2, мм

где 2 мм - толщина двух изоляционных прокладок внутренней и наружной;

мм - толщина наружной изоляции с двух сторон катушки, в которой учитывается зазор между слоями изоляции и ее разбухание после пропитки;

мм - увеличение радиального размера катушки после снятия ее с оправки

А1 = А2 = 36 · (2,6 + 0,17) + 7 = 106,72 мм

Внутренний размер катушки по ширине:

Бк = bс + Ж, мм

где bс - ширина стержня, на который надевается катушка, мм;

Ж - двухсторонний зазор между катушкой и стержнем

Ж = 10 … 15 мм

Бк = 230 + 10 = 240 мм

Внутренний размер катушки по длине:

Вк = hc + Г, мм

где hc - толщина пакета, мм

r - зазор, который принимается равным 10 … 26 мм

Вк = 490 + 10 = 500 мм

Внутренний радиус закругления катушки принимается равным R = 15 мм

Сечение выводов катушек определяется:

qв = I1max / j, мм2,

где j - допустимая плотность тока в выводах

j = 5 … 6 А/мм2

qв = 350 / 6 = 117 мм2

Ширину вывода принимаем Вв = 20 мм, толщину вывода ав = 2 мм.

Определим размеры вторичного витка. Сечение каждого диска:

qд = q2 / nд, мм2,

где nд - число дисков вторичного диска.

qд = 3200 / 2 = 1600 мм2

Радиальный размер диска, находящийся в зоне окна сердечника определяется:

, мм,

где  - зазор между диском и стержнем с одной стороны, мм

Н - зазор между диском и ярмом с одной стороны

Н = 4 … 5 мм

 мм

Аксимальный размер диска по ширине:

bд = q2 / ад, мм

bд = 3200 / 99 = 31 мм

Внутренний размер диска по ширине:

Л = bс + (Ж - 6), мм

Л = 230 + (10 - 6) = 234 мм

По длине:

Р = hс + (Г - 6), мм

Р = 490 + (10 - 6) = 494 мм

Размеры радиусов диска принимаем:

внутренний радиус Rвн =10 мм;

внешний радиус R = 50 мм

Определяются размеры контактной плиты трансформатора. Толщина контактной плиты принимается равной 30 мм с диаметром охлаждающих каналов 8 мм. Сечение контактной плиты:

qпл = I2max / jпл, мм2,

где jпл - допустимая плотность тока, принимается 3 … 4 А/мм2 при охлаждении водой.

qпл = 311 / 4 = 78 мм2

Далее определяется высота пакета обмоток. Суммарная высота пакета обмоток Нп в окне трансформатора определяется по формуле:

Нп = 2nдbk + nдbд + 2nдΔ12 + δ12(nд - 1), мм,

где Δ12 - толщина изоляционных прокладок между дисками первичной обмотки и вторичного витка, равная 1 мм; δ12 - расстояние между катушечными группами, берется равным 6 … 15 мм

Нп = 2·2·5 + 2·31 + 2·2·1 + 6·(2 - 1) = 92 мм

Уточняем возможность размещения пакета обмоток в окне трансформатора и изоляции его от ярма по условию:

Нп + (6 ÷ 12) ≤ h0

+ 6 = 98 < 100

Условие выполняется.

4. Поверочный расчет трансформатора

.1 Определение массы активных материалов

Он выполняется с целью определения фактических сопротивлений обмоток трансформатора, тока холостого хода, потерь электроэнергии и КПД трансформатора.

Массу сердечника трансформатора определяют в общем виде:

Gс = γс · ΣVc, кг,

где γс - плотность электротехнической стали, г/см3;

ΣVc - суммарный объем магнитопровода, см3. для трансформаторов броневого типа:

ΣVc = hc·(Hl - 2h0b0)·K3, см3

ΣVc = 49·(33·69 - 2·11,5·10)·0,93 = 93282 см3

Gс = 7,55·93282 = 704 кг

Масса провода катушек первичной обмотки подсчитывается:

G1общ = nк1·Gк1+ nк2·Gк2 … , кг

где nк1, nк2 - число катушек из одинакового провода;

Gк1,Gк2 - масса катушек из одинакового провода, кг

Масса отдельной катушки подсчитывается по формуле:

Gкi = kγпWкi lср.к.q1(i), кг

где k - коэффициент, учитывающий увеличение массы провода за счет изоляции.

k = 1,03 … 1,08;

γп - плотность материала провода, г/см3;

Wкi - число витков в катушке;

lср.к.- средняя длина витка, м;

q1(i) - сечение одного витка катушки, мм2

, м

, м

Gк1 =1,03·8,9·36·210·0,35 = 24,3 кг

Gк2 =1,03·8,9·36·210·0,31 = 21,5 кг

G1общ = 2·24,3+2·21,5 = 91,6 кг

Масса дисков вторичного витка приближенно подсчитывается по формуле:

G2 = nдγпWкi lср.д.qд, кг

где lср.д - средняя длина диска, для упрощения принимаем lср.д= lср.к

G2 = 2·8,9·210·16 = 59,8 кг

Суммарная масса трансформатора:

Gтр= Gс +G1общ +G2, кг

Gтр= 704+91,6+59,8=855,4 кг

4.2 Расчет тока холостого хода

Магнитные потери в стали трансформатора определяют по формуле:

P0 = kд ·Рс ·Gс, Вт

где Рс - удельные потери в стали магнитопровода. Принимают по табл. 4-4[5];

kд - коэффициент добавочных потерь. Обычно рекомендуется kд = 1,2.

P0 = 1,1 ·1,5 ·704 = 1267,2 Вт

Ток холостого хода определяется для номинальной ступени по формуле:

, А

где Iоа - активная составляющая тока холостого хода, определяется:

Ioa = P0/U1, А

Iор - реактивная составляющая тока холостого хода, определяется:

, А

где Кг­ - коэффициент, учитывающий наличие высших гармоник в кривой намагничивающего тока. Возьмем из табл. 4-6 [5].

Суммарная МДС:

ΣAW = aw·lμ+0,8n3δ3

где lμ - средняя длина магнитной линии

, м

 м

ΣAW = 6,5·79,1+0,8·1,2·0,005·104 = 610,15 А

 А

 А

4.3 Определение потерь электроэнергии

Активные сопротивления обмоток.

Сопротивление первичной:

, Ом

где ρt - удельное сопротивление материала обмоток при температуре Т;

ρt = ρ0(1+αT)

Кп1, Кп2 - коэффициенты поверхностного эффекта;

Кп = 1+0,09α4


lср.к, lср.д - средняя длина одного витка первичной и вторичной обмоток.

Кп1 = 1+0,09·(2,2·10-3)4 = 1

 Ом

 Ом

R1 = 0,07+0,08 = 0,15 Ом

Сопротивление вторичной обмотки:

, Ом

Кп2 = 1+0,09·0,0003684 = 1

 Ом

Активные потери в первичной обмотке:

P1 = I21дл.н·R1 = 3502·0,15 = 18375 Вт

Активные потери во вторичной обмотке:

P2 = I22дл.н·R2 = 16002·0,000016 = 4096 Вт

Полные потери в обмотках:

Рм = Р12=18375+4096=22471 Вт

Суммарные потери электроэнергии в трансформаторе:

Р = Рм0 = 22471+1267=23738 Вт

4.4 Полное сопротивление трансформатора

Оно определяется по формуле:

,Ом

где R''тр - активное сопротивление трансформатора, приведенное ко вторичной обмотке. Оно определяется:

R''тр = R1/Kном2 + R2, Ом

где Kном - коэффициент трансформации на номинальной ступени;

R''тр = 0,15/642+0,000016 = 0,000053 Ом

Х''тр - полное индуктивное сопротивление трансформатора, приведенное ко вторичной обмотке. Определяется:

, Ом

где Х'тр - индуктивное сопротивление трансформатора, приведенное к первичной обмотке:

, Ом

где Д=А+Б - расстояние между серединами обмоток в окне, см;

Д = 10,672+24 = 34,672 см

δs - эквивалентное расстояние между первичной и вторичной обмотками:

, см

где p=nд - число катушечных групп;

 см

ls - расчетная длина средней силовой линии:

, см

 см

 Ом

 Ом

Ом

4.5 Коэффициент мощности и КПД трансформатора

Коэффициент мощности для трансформатора:


Коэффициент мощности машины:


КПД трансформатора:

η ≥ 0,9 ... 0,96

5. Проверка принятых вторичных ЭДС

Вторичная ЭДС спроектированного трансформатора для номинальной ступени:

E2ном ≈ U20ном = I2ном·Zм, В,

где U20ном = 8,9 В,

I2ном = 36357 А,

 - полное сопротивление машины на номинальной ступени, Ом

Ом

E2ном = 36357·2,279·10-4 = 8,3 В

Отклонение от принятой величины:


Расхождение в пределах ±10% допускается. Поэтому оставляем полученное значение.

Литература

1.     Ильин В.П. Технология и оборудование контактной сварки. Методические указания по выполнению курсового проекта. Ч.1. - Ижевск: ИжГТУ, 1986

2.      Ильин В.П., Грязнов Р.Н. Технология и оборудование контактной сварки. Методические указания по выполнению курсового проекта. - Ч.2. Ижевск: ИжГТУ, 1987

.        ОСТ 92-1115-79. Сварка точечная и шовная контактная.

.        Справочник по электротехническим материалам. В 3-х тт. Под ред. Корицкого Ю.В. - Л.: Энергия, 1976

.        Рыськова З.А. Трансформаторы для электрической контактной сварки. Л., «Энергия», 1975

.        Глебов Л.В. и др. расчет и конструирование машин контактной сварки. - Л.: Энергоиздат, 1981

.        Сергеев Н.П. Справочник молодого сварщика на контактных машинах. - М.: Высш. Школа, 1979