Материал: Расчёт схем с операционными усилителями

Внимание! Если размещение файла нарушает Ваши авторские права, то обязательно сообщите нам

По данным таблицы построены ЛАЧХ и ЛФЧХ (стр.13).

Т.к. ,

то по мере роста частоты входного сигнала ток через конденсатор С2 будет возрастать. Поэтому схема будет интенсивнее усиливать сигналы повышения частот и, в частности, высокочастотные помехи и собственные шумы усилителя. Чтобы избежать этих свойств, ставят корректирующее сопротивление Rk=R4, которое ограничивает ток через емкость С2. Влияние Rk приводит к появлению горизонтального участка на ЛАЧХ, т.е. прекращению дифференцирования на частотах, превышающих частоту

.


Правильность построения ЛАЧХ можно оценить по правилу, что при

ωсопр=2,13 (1/с) φ(ωсопр)=45º.

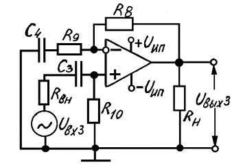
3. Расчет неинвертируемого усилителя переменного напряжения


Для схемы коэффициент усиления

.

Эта схема должна обеспечить на выходе напряжение, которое в γ раз усиливает входное напряжение и связано с ним выражением:

.

Начать расчет целесообразно с определения входного сопротивления, каким является R10. это сопротивление должно быть минимально, чтобы падение напряжения на Rвн источника Uвх3 не превышало бы заданную ε=0,85%.

, отсюда .

Из того что усилитель должен усиливать входное напряжение, не инвертируя его (т.е. Uвых должно совпадать по фазе с Uвх, а не быть в противофазе(180º)) следует. Что Uвх3 должно быть подано на прямой вход ОУ, что и изображено на схеме.

Из условия равенства входных сопротивлений для постоянной составляющей входного тока следует вывод, что:. Т.к.

, то отсюда .

Таким образом, рассчитаны основные резисторы предложенной схемы.

Как известно при уменьшении частоты коэффициент усиления уменьшается. Поэтому принято считать за низшую частоту усилителя частоту fн, при которой коэффициент усиления снижается на 3дб относительно коэффициента усиления на средних частотах. Отсюда

.

,

возведем в квадрат обе части уравнения:


Перенеся единицу в правую часть, и, взяв обратные величины, получим:

, отсюда .

Если fmin=5кГц, то

, значит

Из условия , получим

.

Сравним реальные и идеальные параметры схемы:

Таблица

Параметры

Идеальные

Фактические

γ

19,5

19,496

Rвх3

116647,06

113987,79

Rвых3

0

0,195


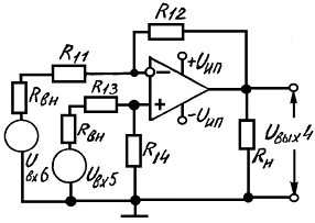
4. Расчет сравнивающего устройства


На основании расчетов схем с операционным усилителем можно записать, что

операционный усилитель сопротивление резистор

.

( равно падению напряжения на R14 от тока, протекающего под действием Uвх5). Поэтому на основании формул получим:

 (1)

 (2)

В результате

.

Начать расчет удобно из условия пункта 3, о том что , обеспечивающем падение напряжения на Rвнут, не превышающее 0,85%.Учтя, что Rвн у входов задано 300 Ом, получим . Допустим, что задано

,

где ξ=17,6, ε=0,85%. Тогда . Чтобы обеспечить ξ, из условия найдем :


Чтобы сделать масштаб вычисления от обоих входных напряжений одинаковым, следует выполнить равенство сопротивлений  и .

Оценим фактическое значение ξ, которое обеспечит схема по сравнению с идеальным расчетом:

Тогда сравним значения параметров.

ПараметрыИдеальныеФактические



ξ

17,6

17,597


На этом заканчивается расчет сравнивающих устройств и работы в целом.

Заключение

Операционный усилитель - одна из наиболее широко применяемых аналоговых интегральных микросхем.

С развитием технологии изготовления интегральных схем произошли значительные изменения в схемотехнике операционного усилителя, связанные с использованием транзисторов различного типа проводимости (т.е. PNP- и NPN-транзисторов) не только в качестве усилителей, но и генератора тока, а так же отражателей тока, и динамических нагрузок. Это операционные усилители второго поколения. В их основу положена так называемая трехкаскадная схема. Отличительной особенностью операционных усилителей второго поколения является их защита от перегрузок.

Аналоговая схемотехника на основе операционных усилителей позволяет создать самые различные вычислительные схемы весьма просто и эффективно. На основе операционных усилителей могут быть реализованы четыре основных действия арифметики, операции дифференцирования и интегрирования. Недостатком этих вычислительных схем является невысокая точность вычислений - не более 0,1%. Однако этой точности в целом ряде случаев бывает вполне достаточно.


Литература

1. Гершунский Б.С. “Справочник по расчету электронных схем”- Киев : Вища школа 2010 г.

. Лавриненко В.Ю. “Справочник по полупроводниковым приборам”- М : “Техника” 2008 г.

. Новаченко В.М. “Микросхемы для бытовой радиоаппаратуры”- М. : КубК-а 2006 г.

. Войшвило Г.В. “Усилительные устройства”- Москва : издательство Радио и Связь 2009 г.